Выручайте други !Не работает система Автосвет
Модераторы: SNOOPER, Nbf, Romik, BAlex
- Григорий 038
- Сообщения: 561
- Зарегистрирован: 10 янв 2011, 14:33
- Двигатель:: 6G72 12 valve
- Мой автомобиль(и):: Pajero II V43 1993 V6 3000 MT
- Откуда: Красноярск
- Благодарил (а): 9 раз
- Поблагодарили: 2 раза
Выручайте други !Не работает система Автосвет
Вообщем проблема такая, Pajero V43 леворукий .с системой дневной свет.фары и габариты вкл автоматически при положении замка зажигания в положении ON. В один прекрасны момент потухли габариты и подсветка панели приборов, То есть фары горят как положено, когда заводишь двигатель фары загораются, а вот габариты и подсветка панели нет. Как выяснилось перегорел провод под передним правым крылом. Это все восстановил, но проблема ушла частично.Габариты и подсветка приборов горят только во втором положении переключателя света то есть в режиме габариты. При всем при этом часы в этом положении немного горят тусклее. Подскажите если кто сталкивался с такой проблемой где искать что могло сгореть или отвалится. Замок зажигания проверил, переключатель положений габаритов проверил. Предохранители в норме, как в моторном отсеке так и возле водителя.
Есть еще один момент. Кнопочка омывателя фар работает так же в положении включенных габаритов, до этого работала в положении ОFF
Буду признателен за помощь
Есть еще один момент. Кнопочка омывателя фар работает так же в положении включенных габаритов, до этого работала в положении ОFF
Буду признателен за помощь
PAJERO II GLS Европеец 1993 MT V6 3000 6G72 12 valve Super Select
Доп фары IPF, защита JAOS, кенгурина
Красноярск stolyarov_g.v@mail.ru
Доп фары IPF, защита JAOS, кенгурина
Красноярск stolyarov_g.v@mail.ru
- Captain Sergio
- Сообщения: 4557
- Зарегистрирован: 30 янв 2012, 22:01
- Двигатель:: 4G18
- Мой автомобиль(и):: Pajero Пинин, 1999, АКПП, BMW X5
- Откуда: Ульяновск
- Благодарил (а): 264 раза
- Поблагодарили: 346 раз
Re: Выручайте други !Не работает система Автосвет
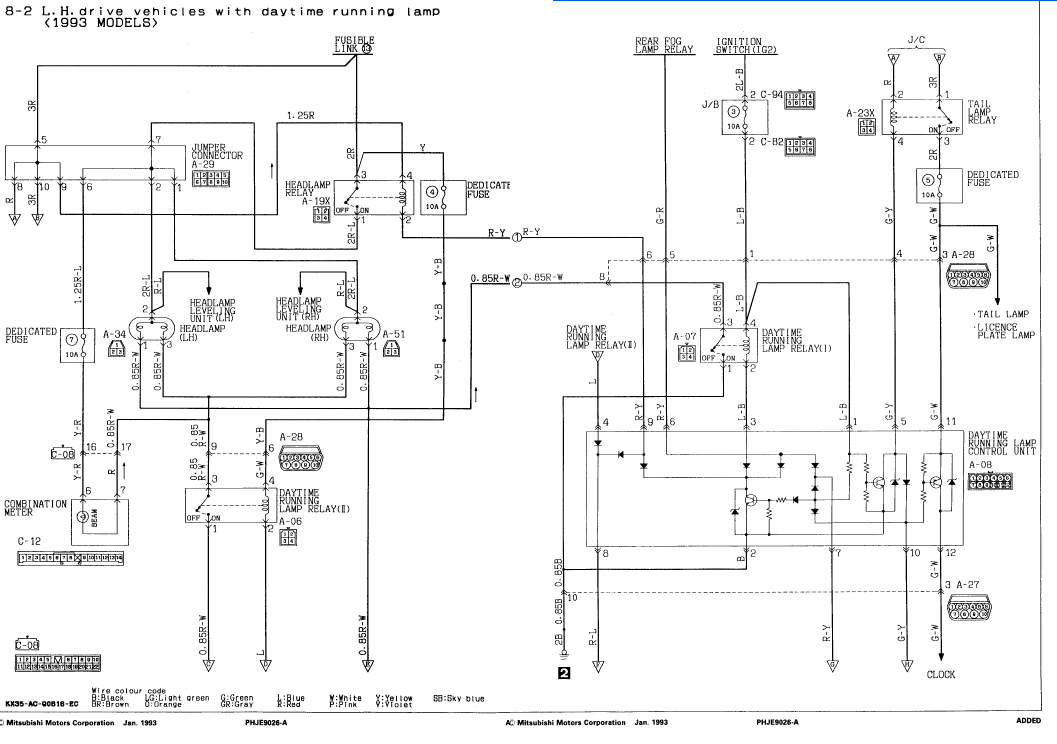
Завтра схему скину. Разберемся.
Сергей. Все будет хорошо! Грязезащита для рамных автомобилей.
- Captain Sergio
- Сообщения: 4557
- Зарегистрирован: 30 янв 2012, 22:01
- Двигатель:: 4G18
- Мой автомобиль(и):: Pajero Пинин, 1999, АКПП, BMW X5
- Откуда: Ульяновск
- Благодарил (а): 264 раза
- Поблагодарили: 346 раз
Re: Выручайте други !Не работает система Автосвет
Ну ловите схемы.
Сергей. Все будет хорошо! Грязезащита для рамных автомобилей.
- Captain Sergio
- Сообщения: 4557
- Зарегистрирован: 30 янв 2012, 22:01
- Двигатель:: 4G18
- Мой автомобиль(и):: Pajero Пинин, 1999, АКПП, BMW X5
- Откуда: Ульяновск
- Благодарил (а): 264 раза
- Поблагодарили: 346 раз
Re: Выручайте други !Не работает система Автосвет
Часы по идее и должны притухать при включении габаритов. Забей. И проверь ка ты для начал предохранители 3,4 и 5. Найти сможешь?
Сергей. Все будет хорошо! Грязезащита для рамных автомобилей.
- Григорий 038
- Сообщения: 561
- Зарегистрирован: 10 янв 2011, 14:33
- Двигатель:: 6G72 12 valve
- Мой автомобиль(и):: Pajero II V43 1993 V6 3000 MT
- Откуда: Красноярск
- Благодарил (а): 9 раз
- Поблагодарили: 2 раза
Re: Выручайте други !Не работает система Автосвет
Преды все целые, надо вот еще раз перемычку проверить которая плюсы соединяет А-29 или там контакта нет на паре проводов или провод выгорел. У меня сейчас фары горят, а габариты нет. Буду сегодня разбираться.
PAJERO II GLS Европеец 1993 MT V6 3000 6G72 12 valve Super Select
Доп фары IPF, защита JAOS, кенгурина
Красноярск stolyarov_g.v@mail.ru
Доп фары IPF, защита JAOS, кенгурина
Красноярск stolyarov_g.v@mail.ru
- Григорий 038
- Сообщения: 561
- Зарегистрирован: 10 янв 2011, 14:33
- Двигатель:: 6G72 12 valve
- Мой автомобиль(и):: Pajero II V43 1993 V6 3000 MT
- Откуда: Красноярск
- Благодарил (а): 9 раз
- Поблагодарили: 2 раза
Re: Выручайте други !Не работает система Автосвет
Есть продолжение первой схемы, куда идут три правые контакта
PAJERO II GLS Европеец 1993 MT V6 3000 6G72 12 valve Super Select
Доп фары IPF, защита JAOS, кенгурина
Красноярск stolyarov_g.v@mail.ru
Доп фары IPF, защита JAOS, кенгурина
Красноярск stolyarov_g.v@mail.ru
- Captain Sergio
- Сообщения: 4557
- Зарегистрирован: 30 янв 2012, 22:01
- Двигатель:: 4G18
- Мой автомобиль(и):: Pajero Пинин, 1999, АКПП, BMW X5
- Откуда: Ульяновск
- Благодарил (а): 264 раза
- Поблагодарили: 346 раз
Re: Выручайте други !Не работает система Автосвет
Я же и начало и продолжение дал. Смотри буквы на треугольниках.
Сергей. Все будет хорошо! Грязезащита для рамных автомобилей.
- Григорий 038
- Сообщения: 561
- Зарегистрирован: 10 янв 2011, 14:33
- Двигатель:: 6G72 12 valve
- Мой автомобиль(и):: Pajero II V43 1993 V6 3000 MT
- Откуда: Красноярск
- Благодарил (а): 9 раз
- Поблагодарили: 2 раза
Re: Выручайте други !Не работает система Автосвет
А еще вопрос, где искать минус который на второй схеме жирным нарисован. У меня получается не приходит - на управление реле габаритов когда замок зажигания включен. А когда поворачиваешь переключатель света то тогда габариты горят. Может это быть из-за самого блоку включения света в дневное время?
PAJERO II GLS Европеец 1993 MT V6 3000 6G72 12 valve Super Select
Доп фары IPF, защита JAOS, кенгурина
Красноярск stolyarov_g.v@mail.ru
Доп фары IPF, защита JAOS, кенгурина
Красноярск stolyarov_g.v@mail.ru
