TRT - Вдоль р.Киржач. Для стандартных 4х4 (08.11.25) Форум Обсуждение FAQ
код ошибки подскажите
Модераторы: SNOOPER, Nbf, Romik, BAlex, drcham, алексей - Маленький Мук, DenVer
-
AntonyGloba
- Сообщения: 24
- Зарегистрирован: 18 июн 2013, 10:40
- Двигатель:: 6G72 12v
- Мой автомобиль(и):: Pajero2 левый руль V4AW2 91гв
- Откуда: Красноярский край
- Благодарил (а): 6 раз
код ошибки подскажите
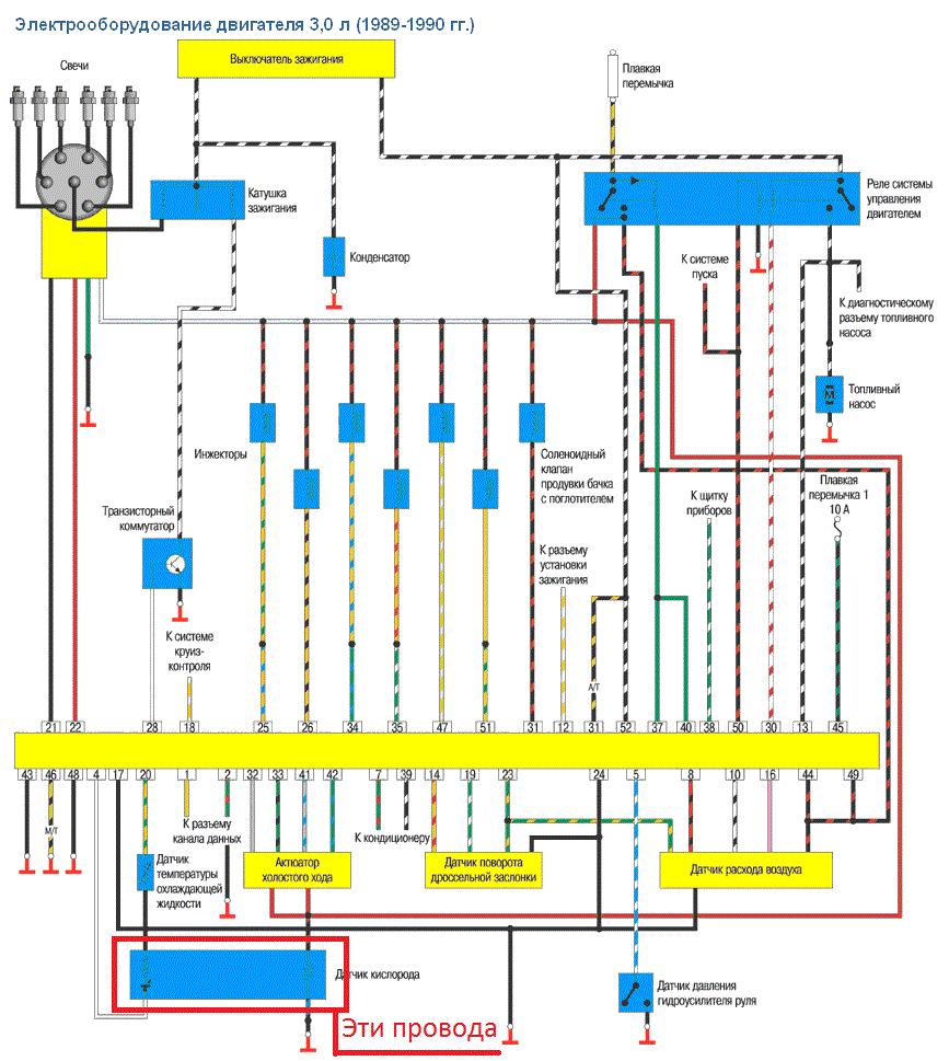
12 это что за измеритель воздушного потока?
у меня была 11 ошибка по лямде, полез выкрутить лямду, посмотреть на нее, чтоб накидной накинуть перерезал провода, выкрутил посмотрел что он рассыпался в крутил обратно, теперь машина выдает еще и 12 код, холостой не держит, ужасно дымит, троит.. может когда провода резал перемкнул их но не должен был.. что подсказать можете?
у меня была 11 ошибка по лямде, полез выкрутить лямду, посмотреть на нее, чтоб накидной накинуть перерезал провода, выкрутил посмотрел что он рассыпался в крутил обратно, теперь машина выдает еще и 12 код, холостой не держит, ужасно дымит, троит.. может когда провода резал перемкнул их но не должен был.. что подсказать можете?
-
AntonyGloba
- Сообщения: 24
- Зарегистрирован: 18 июн 2013, 10:40
- Двигатель:: 6G72 12v
- Мой автомобиль(и):: Pajero2 левый руль V4AW2 91гв
- Откуда: Красноярский край
- Благодарил (а): 6 раз
-
AntonyGloba
- Сообщения: 24
- Зарегистрирован: 18 июн 2013, 10:40
- Двигатель:: 6G72 12v
- Мой автомобиль(и):: Pajero2 левый руль V4AW2 91гв
- Откуда: Красноярский край
- Благодарил (а): 6 раз
Re: код ошибки подскажите
делал сброс, 11 пропала а 12 осталась, хотя лямда не поключенаТобик писал(а):попробуй перезагрузить комп!!!!!!
-
AntonyGloba
- Сообщения: 24
- Зарегистрирован: 18 июн 2013, 10:40
- Двигатель:: 6G72 12v
- Мой автомобиль(и):: Pajero2 левый руль V4AW2 91гв
- Откуда: Красноярский край
- Благодарил (а): 6 раз
Re: код ошибки подскажите
машина за ночь остыла, поставил новую бош лямду, не заводиться совсем. чек гаснет, ошибок не показывает, еслиб завелась то наверно показала бы.. как вчера на горячую.. помогите
-
AntonyGloba
- Сообщения: 24
- Зарегистрирован: 18 июн 2013, 10:40
- Двигатель:: 6G72 12v
- Мой автомобиль(и):: Pajero2 левый руль V4AW2 91гв
- Откуда: Красноярский край
- Благодарил (а): 6 раз
Re: код ошибки подскажите
выкрутил копченные свечи, вкрутил чистые, не заводится, крутит и не схватывает, скажите что смотреть?
-
AntonyGloba
- Сообщения: 24
- Зарегистрирован: 18 июн 2013, 10:40
- Двигатель:: 6G72 12v
- Мой автомобиль(и):: Pajero2 левый руль V4AW2 91гв
- Откуда: Красноярский край
- Благодарил (а): 6 раз
Re: код ошибки подскажите
завел с трудом, коптит, ошибки дала
12 Измеритель воздушного потока
13 Термодатчик воздушного потока
21 Термодатчик охлаждающей жидкости
25 Датчик положения поршня автомата опережения впрыска топлива и его цепи.
может комп упал? не могли же все они за раз отказать....
12 Измеритель воздушного потока
13 Термодатчик воздушного потока
21 Термодатчик охлаждающей жидкости
25 Датчик положения поршня автомата опережения впрыска топлива и его цепи.
может комп упал? не могли же все они за раз отказать....
-
AntonyGloba
- Сообщения: 24
- Зарегистрирован: 18 июн 2013, 10:40
- Двигатель:: 6G72 12v
- Мой автомобиль(и):: Pajero2 левый руль V4AW2 91гв
- Откуда: Красноярский край
- Благодарил (а): 6 раз
-
Олег....
- Сообщения: 1711
- Зарегистрирован: 21 май 2010, 15:43
- Двигатель:: 6G72
- Мой автомобиль(и):: Montero Sport
- Откуда: Таганрог
- Благодарил (а): 69 раз
- Поблагодарили: 86 раз
- Контактная информация:
Re: код ошибки подскажите
С нерабочим датчиком охлаждающей жидкости мою вообще было невозможно завести. Проверяйте этот датчик по мануалу.
12, 13 - Это датчик расхода воздуха. Так коробка, которая за воздушным фильтром висит. У меня на запуск и работу не влияет - т.е. двиг работать будет (можно вообще отключить).
12, 13 - Это датчик расхода воздуха. Так коробка, которая за воздушным фильтром висит. У меня на запуск и работу не влияет - т.е. двиг работать будет (можно вообще отключить).
Montero Sport 2003 6G72. 32е ATэшечки, хобот, радейка. Спальник.
ПРОДАН Montero'94 6G74 АККП Длинный, 31-е мудричи, хобот и крепкий бампер. Рации всякие.
ПРОДАН Montero'94 6G74 АККП Длинный, 31-е мудричи, хобот и крепкий бампер. Рации всякие.
-
AntonyGloba
- Сообщения: 24
- Зарегистрирован: 18 июн 2013, 10:40
- Двигатель:: 6G72 12v
- Мой автомобиль(и):: Pajero2 левый руль V4AW2 91гв
- Откуда: Красноярский край
- Благодарил (а): 6 раз
Re: код ошибки подскажите
термодатчик на расходомере я проверил на 5 и 6 контакте - работает, как сам расходомр померять не нашел инструкцию..
датчики охлаждайки возле термостата, сегодня промерю их - напишу.
и по 25 ошибке тоже подскажите где найти этот датчик и как промерить правильно?
ночью комп снял, на одном сопротивлении контакт кислый, на работу возьму почистить пропаять... так то все вреде целое в нем... комп пресловутый мд16 - фиг найдешь примерить..
датчики охлаждайки возле термостата, сегодня промерю их - напишу.
и по 25 ошибке тоже подскажите где найти этот датчик и как промерить правильно?
ночью комп снял, на одном сопротивлении контакт кислый, на работу возьму почистить пропаять... так то все вреде целое в нем... комп пресловутый мд16 - фиг найдешь примерить..
-
AntonyGloba
- Сообщения: 24
- Зарегистрирован: 18 июн 2013, 10:40
- Двигатель:: 6G72 12v
- Мой автомобиль(и):: Pajero2 левый руль V4AW2 91гв
- Откуда: Красноярский край
- Благодарил (а): 6 раз
Re: код ошибки подскажите
подскажите пожалуйста:
1 как проверить расходомер
2 где найти и как проверить Датчик положения поршня автомата опережения впрыска топлива и его цепи.
Комп на работе пропаяли, поменяли кучку кондеров, но это не помогло, так же все 4 ошибки появились..... нужно проверить все эти ошибки ( я так понимаю), затем проводку к ним, и после этого уже комп искать..?
1 как проверить расходомер
2 где найти и как проверить Датчик положения поршня автомата опережения впрыска топлива и его цепи.
Комп на работе пропаяли, поменяли кучку кондеров, но это не помогло, так же все 4 ошибки появились..... нужно проверить все эти ошибки ( я так понимаю), затем проводку к ним, и после этого уже комп искать..?
Последний раз редактировалось AntonyGloba 04 сен 2013, 17:53, всего редактировалось 1 раз.
-
AntonyGloba
- Сообщения: 24
- Зарегистрирован: 18 июн 2013, 10:40
- Двигатель:: 6G72 12v
- Мой автомобиль(и):: Pajero2 левый руль V4AW2 91гв
- Откуда: Красноярский край
- Благодарил (а): 6 раз
Re: код ошибки подскажите
датчик температуры жидкости для компа второй слева по сопротивлению в норме. на него приходит 6 вольт (мерил между контактами на него), так и должно быть? а на датчик температуры воздуха приходит 0.2 вольта (между 5 и 6 контактами) - это нормально?
как расходомер проверить и где найти и как проверить Датчик положения поршня автомата опережения впрыска топлива и его цепи?
как расходомер проверить и где найти и как проверить Датчик положения поршня автомата опережения впрыска топлива и его цепи?
-
AntonyGloba
- Сообщения: 24
- Зарегистрирован: 18 июн 2013, 10:40
- Двигатель:: 6G72 12v
- Мой автомобиль(и):: Pajero2 левый руль V4AW2 91гв
- Откуда: Красноярский край
- Благодарил (а): 6 раз
-
Олег....
- Сообщения: 1711
- Зарегистрирован: 21 май 2010, 15:43
- Двигатель:: 6G72
- Мой автомобиль(и):: Montero Sport
- Откуда: Таганрог
- Благодарил (а): 69 раз
- Поблагодарили: 86 раз
- Контактная информация:
Re: код ошибки подскажите
Вам бы мануал скачать. Там все расписано.AntonyGloba писал(а):датчик температуры жидкости для компа второй слева по сопротивлению в норме. на него приходит 6 вольт (мерил между контактами на него), так и должно быть? а на датчик температуры воздуха приходит 0.2 вольта (между 5 и 6 контактами) - это нормально?
как расходомер проверить и где найти и как проверить Датчик положения поршня автомата опережения впрыска топлива и его цепи?
Между 6 контактом и массой (масса на 5м контакте) должно быть 4.5-4.9 В при включенном зажигании.
В книжке имено про проверку датчика расхода воздуха не написано. Там только проверки целостности цепей от него до массы и до компа. На 3м контакте должно быть 4.8-5.2 в при включенном зажигании.
Про поршень ничего не знаю.
Montero Sport 2003 6G72. 32е ATэшечки, хобот, радейка. Спальник.
ПРОДАН Montero'94 6G74 АККП Длинный, 31-е мудричи, хобот и крепкий бампер. Рации всякие.
ПРОДАН Montero'94 6G74 АККП Длинный, 31-е мудричи, хобот и крепкий бампер. Рации всякие.
- Lukich111
- Сообщения: 3432
- Зарегистрирован: 16 янв 2011, 18:48
- Двигатель:: Бензин
- Мой автомобиль(и):: H-D Sportster 1200, +-самокатик(был) , 3 моноколеса
- Откуда: С-Петербург
- Откуда: C-Пб-(Мурманск)-
- Благодарил (а): 97 раз
- Поблагодарили: 233 раза
Re: код ошибки подскажите
Новый(б/у на подмену) расходомер думаю, решит проблему процентов на 90. А вообще такой набор ошибок характерен для больного ЭБУ.AntonyGloba писал(а):подскажите пожалуйста:
1 как проверить расходомер - никак,, вернее, можно, но проще найти рабочий и подкинуть.
2 где найти и как проверить Датчик положения поршня автомата опережения впрыска топлива и его цепи.
25-я -тоже по расходомеру, что касается датчика барометрического давления, в него встроенного.
Комп на работе пропаяли, поменяли кучку кондеров, но это не помогло, так же все 4 ошибки появились..... нужно проверить все эти ошибки ( я так понимаю), затем проводку к ним, и после этого уже комп искать..?
очень злой бывший ОД
диагностика и чип Mitsubishi
диагностика и чип Mitsubishi
-
AntonyGloba
- Сообщения: 24
- Зарегистрирован: 18 июн 2013, 10:40
- Двигатель:: 6G72 12v
- Мой автомобиль(и):: Pajero2 левый руль V4AW2 91гв
- Откуда: Красноярский край
- Благодарил (а): 6 раз
Re: код ошибки подскажите
каким компом заменить можно? MD 162165, где найти можно его в сибири? или мож мастера хорошие есть кто отремонтирует?
дайте пожалуйста ссылку на мануал хороший, целую кучу их перерыл но они такие поверхностные что толку от них мало..
дайте пожалуйста ссылку на мануал хороший, целую кучу их перерыл но они такие поверхностные что толку от них мало..
-
AntonyGloba
- Сообщения: 24
- Зарегистрирован: 18 июн 2013, 10:40
- Двигатель:: 6G72 12v
- Мой автомобиль(и):: Pajero2 левый руль V4AW2 91гв
- Откуда: Красноярский край
- Благодарил (а): 6 раз
-
Олег....
- Сообщения: 1711
- Зарегистрирован: 21 май 2010, 15:43
- Двигатель:: 6G72
- Мой автомобиль(и):: Montero Sport
- Откуда: Таганрог
- Благодарил (а): 69 раз
- Поблагодарили: 86 раз
- Контактная информация:
Re: код ошибки подскажите
Если бы знал ссылку на манул по бензинкам - дал бы. У меня бумажная книжка легион-автодата. Там расписано более менее подробно.
Montero Sport 2003 6G72. 32е ATэшечки, хобот, радейка. Спальник.
ПРОДАН Montero'94 6G74 АККП Длинный, 31-е мудричи, хобот и крепкий бампер. Рации всякие.
ПРОДАН Montero'94 6G74 АККП Длинный, 31-е мудричи, хобот и крепкий бампер. Рации всякие.
- Lukich111
- Сообщения: 3432
- Зарегистрирован: 16 янв 2011, 18:48
- Двигатель:: Бензин
- Мой автомобиль(и):: H-D Sportster 1200, +-самокатик(был) , 3 моноколеса
- Откуда: С-Петербург
- Откуда: C-Пб-(Мурманск)-
- Благодарил (а): 97 раз
- Поблагодарили: 233 раза
Re: код ошибки подскажите
самый хороший мануал, который содержит в себе такие буковки:
PWJE9086 PAJERO
PWJE9086 PAJERO
очень злой бывший ОД
диагностика и чип Mitsubishi
диагностика и чип Mitsubishi
