Народ помогите с проблемой разобраться.
Корректор фар (левый работает как должен) (правый глючит, начинает поднимать 0-1-дальше сам опускает) при переводе в 0 фары выравниваются.
Корректор менял (не помогло) что там еще может быть?
TRT - Вдоль р.Киржач. Для стандартных 4х4 (08.11.25) Форум Обсуждение FAQ
Глюки корректора (прошу помощи)
Модераторы: SNOOPER, Nbf, Romik, BAlex, drcham, Podzemshik
- DEXIST
- Сообщения: 410
- Зарегистрирован: 28 сен 2009, 14:51
- Двигатель:: 6G72
- Мой автомобиль(и):: Pajero Sport
- Откуда: Москва
- Откуда: Moscow [97]
- Поблагодарили: 7 раз
Глюки корректора (прошу помощи)
Не напрягайся в жизни слишком сильно, живым тебе из нее все равно не выбраться!!!
- DEXIST
- Сообщения: 410
- Зарегистрирован: 28 сен 2009, 14:51
- Двигатель:: 6G72
- Мой автомобиль(и):: Pajero Sport
- Откуда: Москва
- Откуда: Moscow [97]
- Поблагодарили: 7 раз
Re: Глюки корректора (прошу помощи)
Неужели нет не у кого идей
Кстати может кто то знает схему этого действа!
Кроме 2-х моторов и крутилки там есть еще что то?
Разобрал крутилку (резисторы стояли не по схеме 0-1-2-3-4) стояли 1-2-0-3-4 (по сопротивлению)
Перепаял не помогло.
Может какая то калибровка есть?
Кстати может кто то знает схему этого действа!
Кроме 2-х моторов и крутилки там есть еще что то?
Разобрал крутилку (резисторы стояли не по схеме 0-1-2-3-4) стояли 1-2-0-3-4 (по сопротивлению)
Перепаял не помогло.
Может какая то калибровка есть?
Не напрягайся в жизни слишком сильно, живым тебе из нее все равно не выбраться!!!
-
vadym
- Сообщения: 1457
- Зарегистрирован: 12 сен 2007, 00:50
- Откуда: Черновцы
- Благодарил (а): 12 раз
- Поблагодарили: 120 раз
Re: Глюки корректора (прошу помощи)
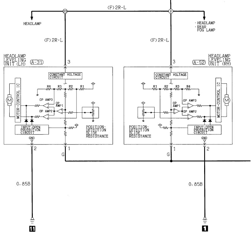
Принцип работы и устройство.DEXIST писал(а):Неужели нет не у кого идей![]()
Кстати может кто то знает схему этого действа!
Кроме 2-х моторов и крутилки там есть еще что то?
Разобрал крутилку (резисторы стояли не по схеме 0-1-2-3-4) стояли 1-2-0-3-4 (по сопротивлению)
Перепаял не помогло.
Может какая то калибровка есть?
Есть регулятор в кабине и два блока на фарах.
На торпедо регулятор уровня, "крутилка" типа.
Внутри набор резисторов. Выход с регулятора один (контакт 4, провод зеленый) он разветвляется и идет на блоки корректора (контакт 1) на фарах. Блоки через этот провод измеряют сопротивление выбранного резистора в регуляторе и на основании его сопротивления выставляют уровень. Больше других устройств там нет.
Так как одна сторона работает вторая нет, а выход один, то регулятор исправный и не надо было туда лезть.
Так как на неисправной стороне блок с мотором менялся, а результат тот же, то стоит проверить проводку от регулятора до блока. Еще может быть причина в самой фаре в механике от блока до отражателя, или что то поломалось или перекручено.
Удачи.
PAJERO SPORT 2003 2,5 TD
- DEXIST
- Сообщения: 410
- Зарегистрирован: 28 сен 2009, 14:51
- Двигатель:: 6G72
- Мой автомобиль(и):: Pajero Sport
- Откуда: Москва
- Откуда: Moscow [97]
- Поблагодарили: 7 раз
Re: Глюки корректора (прошу помощи)
Хммм, наверное остается что то в проводке.
Фары новые (на старых было также) моторчик правый новый (соответственно не в нем дело)
Дело должно быть или в регуляторе (крутилке) или проводке (странно что оно хоть как то работает).
Фары новые (на старых было также) моторчик правый новый (соответственно не в нем дело)
Дело должно быть или в регуляторе (крутилке) или проводке (странно что оно хоть как то работает).
Не напрягайся в жизни слишком сильно, живым тебе из нее все равно не выбраться!!!
-
vadym
- Сообщения: 1457
- Зарегистрирован: 12 сен 2007, 00:50
- Откуда: Черновцы
- Благодарил (а): 12 раз
- Поблагодарили: 120 раз
Re: Глюки корректора (прошу помощи)
Да, забыл добавить, проблема может быть и не только в управляющем проводе проводки (на контакте 1), тот что идет из салона, но в проводах которые подводят плюс питания и массу к корректору (контакты 3 и 2 на разъеме) к примеру масса на левом корректоре и на правом берется из разных мест, может быть банально плохой контакт.DEXIST писал(а):Хммм, наверное остается что то в проводке.
Фары новые (на старых было также) моторчик правый новый (соответственно не в нем дело)
Дело должно быть или в регуляторе (крутилке) или проводке (странно что оно хоть как то работает).
Я бы отсоединил разъемы от корректоров А-31, А-52 и проверил на них плюс питания, замерил сопротивление массовых проводов, сравнил сопротивление задающее уровень на управляющем проводе (контакт 1) на левом и правом корректоре и тогда делал выводы, а так это гадание на кофейной гуще
PAJERO SPORT 2003 2,5 TD
- DEXIST
- Сообщения: 410
- Зарегистрирован: 28 сен 2009, 14:51
- Двигатель:: 6G72
- Мой автомобиль(и):: Pajero Sport
- Откуда: Москва
- Откуда: Moscow [97]
- Поблагодарили: 7 раз
Re: Глюки корректора (прошу помощи)
Вооо спасибо за схемку, буду курить.
Не напрягайся в жизни слишком сильно, живым тебе из нее все равно не выбраться!!!
-
vadym
- Сообщения: 1457
- Зарегистрирован: 12 сен 2007, 00:50
- Откуда: Черновцы
- Благодарил (а): 12 раз
- Поблагодарили: 120 раз
Re: Глюки корректора (прошу помощи)
Как без схем ковырятся с электрикой ?DEXIST писал(а):Вооо спасибо за схемку, буду курить.
Скинь в личку е-майл перешлю схемы для паджеро спортов.
PAJERO SPORT 2003 2,5 TD
