Домино Трофи 2026 - 25 Апреля - Обсудить и спросить тут.
Звуковой сигнал
Модераторы: SNOOPER, Nbf, Romik, BAlex, drcham, Glukc
-
nosoff
- Сообщения: 181
- Зарегистрирован: 01 июл 2013, 07:42
- Двигатель:: 4A30 Turbo, Бензин
- Мой автомобиль(и):: Mitsubishi Pajero mini, 2000, H58A, MRPF V (Turbo), 4FA/T
- Откуда: Уссурийск
- Благодарил (а): 18 раз
- Поблагодарили: 2 раза
Звуковой сигнал
Кто может объяснить схему подключения звукового сигнала?
Mitsubishi Pajero mini, "Истребитель" [c 24.06.2013г.]
-
миниЖип
- Сообщения: 48
- Зарегистрирован: 08 май 2013, 11:07
- Двигатель:: 4A30
- Мой автомобиль(и):: Pajero Mini 2006 H58A MRXE мкпп 4WD 4a30
- Откуда: Чита
- Поблагодарили: 2 раза
Re: Звуковой сигнал
А что конкретно надо? Что хотите сделать?nosoff писал(а):Кто может объяснить схему подключения звукового сигнала?
Так если вкраце, то подключал дополнительные сигналы, ничего сложного, под общивкой рулевой колонки идет 1 провод (цвет не помню, если надо посотрю), он сразу бросается в глаза, со штекером, отключаем - сигнала нет, он. С него берем +, а - с кузова, все.
Mitsubishi Pajero Mini 2006 | H58A | MRXE | 4A30 | 4WD | V4A11-V5M41 | 5 см | ET-40 10 дю| r15 215/75 BFGoodrich Mud Terrain|
Маленький Мини Жип ^_^| кузов | компл.|двиг.|прив.|коробки AT-MT| лифт |диски штам | шины грязевые c камерами УАЗ 15|
Маленький Мини Жип ^_^| кузов | компл.|двиг.|прив.|коробки AT-MT| лифт |диски штам | шины грязевые c камерами УАЗ 15|
- Gameszzz
- Сообщения: 1587
- Зарегистрирован: 30 дек 2012, 06:24
- Двигатель:: 4A31
- Мой автомобиль(и):: MPJ ZR-2, 3FA/T (96M) MKUE 1100/4WD
- Откуда: Владивосток
- Благодарил (а): 21 раз
- Поблагодарили: 60 раз
Re: Звуковой сигнал
Ню-ню. И потом отписываемся в этой же теме. Сделал так как вы посоветовали,но почему то сигнал проработал до первой лужи. А потом из под баранки пошёл дым.миниЖип писал(а):А что конкретно надо? Что хотите сделать?nosoff писал(а):Кто может объяснить схему подключения звукового сигнала?
Так если вкраце, то подключал дополнительные сигналы, ничего сложного, под общивкой рулевой колонки идет 1 провод (цвет не помню, если надо посотрю), он сразу бросается в глаза, со штекером, отключаем - сигнала нет, он. С него берем +, а - с кузова, все.
Не стоит давать подобных советов.
Начнём с того,что на рулевой колонке никогда не шёл + ни у одного японского производителя. То что вы увидели как плюс есть ни что иное как обратный ток через катушку реле или катушку звукового сигнала. Для того чтобы убедится в этом достаточно отключить штатные сигналы и (или) вытащить реле звукового сигнала и повторить проверку.
Если есть в схеме реле звукового сигнала,то можно повесить сигнал параллельно основному. Если нет реле (как на джуниоре) то придётся врезать его самостоятельно ибо в противном случае (а это 100% вероятность) при установке более мощных (в плане потребления тока) сигналах "сгорит" сначала один а потом и другой контакт в руле или шлейф который передаёт напругу для сигнала\SRS.
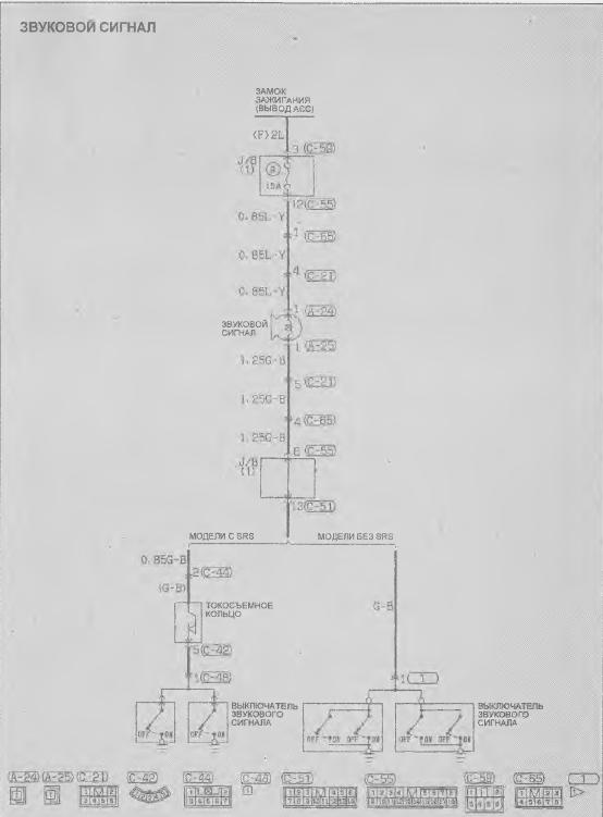
И так что мы обычно имеем в самом простом варианте
+ на звуковой сигнал идёт напрямую к сигналу через предохранитель
- идёт с корпуса в салоне через кассету со шлейфом (в случае наличия SRS Airbag) под рулём на сигнал.
схема слабая и при установке других или доп сигналов требует установки реле
Вторая схема (при наличии реле) немного сложнее,но по сути идентична,только
+ от предохранителя идёт на вход в реле (как правило оно на 3 контакта) и он же на один из концов управляющей катушки в этом же реле.
- так же идёт через рулевую колонку,но на второй конец катушки реле звукового сигнала.
выход + с реле идёт на сигнал
- на самом сигнале берётся недалеко от самого сигнала с корпуса.
Последний раз редактировалось Gameszzz 01 дек 2013, 02:40, всего редактировалось 1 раз.
- Gameszzz
- Сообщения: 1587
- Зарегистрирован: 30 дек 2012, 06:24
- Двигатель:: 4A31
- Мой автомобиль(и):: MPJ ZR-2, 3FA/T (96M) MKUE 1100/4WD
- Откуда: Владивосток
- Благодарил (а): 21 раз
- Поблагодарили: 60 раз
Re: Звуковой сигнал
Да и ещё. Верно подмечено,что если хотите получить полноценный ответ,то и вопрос должен быть задан понятно и правильно.
Если у вас просто напросто пропал звуковой сигнал. И при проверке самих сигналов на АКБ выясняется что они рабочие,то проблема скорее всего в шлейфе системы Сигнал\SRS что находится под рулём
Вот две схемы
Мини
Джуниор
Если у вас просто напросто пропал звуковой сигнал. И при проверке самих сигналов на АКБ выясняется что они рабочие,то проблема скорее всего в шлейфе системы Сигнал\SRS что находится под рулём
Вот две схемы
Мини
Джуниор
-
nosoff
- Сообщения: 181
- Зарегистрирован: 01 июл 2013, 07:42
- Двигатель:: 4A30 Turbo, Бензин
- Мой автомобиль(и):: Mitsubishi Pajero mini, 2000, H58A, MRPF V (Turbo), 4FA/T
- Откуда: Уссурийск
- Благодарил (а): 18 раз
- Поблагодарили: 2 раза
Re: Звуковой сигнал
Ещё в Японии из авто выпилили сигнал и я так понял, что вместе со всей проводкой. Хочется сделать как положено.
В автоэлектрике опыта нет.
В автоэлектрике опыта нет.
Mitsubishi Pajero mini, "Истребитель" [c 24.06.2013г.]
- Gameszzz
- Сообщения: 1587
- Зарегистрирован: 30 дек 2012, 06:24
- Двигатель:: 4A31
- Мой автомобиль(и):: MPJ ZR-2, 3FA/T (96M) MKUE 1100/4WD
- Откуда: Владивосток
- Благодарил (а): 21 раз
- Поблагодарили: 60 раз
Re: Звуковой сигнал
Если руль родной то вернуть всё на место не составит труда.
На рулевой колонке минус берётся с корпуса. через шлейф (ежели конечно он на месте) и под капот. Там стоит реле сигнала и всё дальше по схеме. Если руль менян или кассеты со шлейфом нет,то в принципе можно на панели сделать кнопку. Привыкнуть правда будет сложновато.
А вообще не то что маловероятно,а скорее невероятно,что кто-то вырезал проводку сигнала из общей.
Просто шлейф под рулём порвался скорее всего
На рулевой колонке минус берётся с корпуса. через шлейф (ежели конечно он на месте) и под капот. Там стоит реле сигнала и всё дальше по схеме. Если руль менян или кассеты со шлейфом нет,то в принципе можно на панели сделать кнопку. Привыкнуть правда будет сложновато.
А вообще не то что маловероятно,а скорее невероятно,что кто-то вырезал проводку сигнала из общей.
Просто шлейф под рулём порвался скорее всего
-
nosoff
- Сообщения: 181
- Зарегистрирован: 01 июл 2013, 07:42
- Двигатель:: 4A30 Turbo, Бензин
- Мой автомобиль(и):: Mitsubishi Pajero mini, 2000, H58A, MRPF V (Turbo), 4FA/T
- Откуда: Уссурийск
- Благодарил (а): 18 раз
- Поблагодарили: 2 раза
Re: Звуковой сигнал
Может ли это быть провод от клаксона?
Mitsubishi Pajero mini, "Истребитель" [c 24.06.2013г.]
-
nosoff
- Сообщения: 181
- Зарегистрирован: 01 июл 2013, 07:42
- Двигатель:: 4A30 Turbo, Бензин
- Мой автомобиль(и):: Mitsubishi Pajero mini, 2000, H58A, MRPF V (Turbo), 4FA/T
- Откуда: Уссурийск
- Благодарил (а): 18 раз
- Поблагодарили: 2 раза
Re: Звуковой сигнал
Руль меняный на Momo с кнопкой сигнала. Самого модуля клаксона нигде не видно. Где он у нас штатно крепится?
Mitsubishi Pajero mini, "Истребитель" [c 24.06.2013г.]
- Gameszzz
- Сообщения: 1587
- Зарегистрирован: 30 дек 2012, 06:24
- Двигатель:: 4A31
- Мой автомобиль(и):: MPJ ZR-2, 3FA/T (96M) MKUE 1100/4WD
- Откуда: Владивосток
- Благодарил (а): 21 раз
- Поблагодарили: 60 раз
Re: Звуковой сигнал
Судя по картинке с каталога сигналы стоят как раз по центру бампера. Провод может быть от сигналов.
-
миниЖип
- Сообщения: 48
- Зарегистрирован: 08 май 2013, 11:07
- Двигатель:: 4A30
- Мой автомобиль(и):: Pajero Mini 2006 H58A MRXE мкпп 4WD 4a30
- Откуда: Чита
- Поблагодарили: 2 раза
Re: Звуковой сигнал
у меня такой от негоnosoff писал(а):Может ли это быть провод от клаксона?
Посоветовал потому что других советов не было, и потому что у меня 2 сигнала от уаза так подцеплены вместе с родным, и уже пол года не че не сгорело, ни в луже ни в реке.Gameszzz писал(а):Ню-ню. И потом отписываемся в этой же теме. Сделал так как вы посоветовали,но почему то сигнал проработал до первой лужи. А потом из под баранки пошёл дым.
Не стоит давать подобных советов.
Mitsubishi Pajero Mini 2006 | H58A | MRXE | 4A30 | 4WD | V4A11-V5M41 | 5 см | ET-40 10 дю| r15 215/75 BFGoodrich Mud Terrain|
Маленький Мини Жип ^_^| кузов | компл.|двиг.|прив.|коробки AT-MT| лифт |диски штам | шины грязевые c камерами УАЗ 15|
Маленький Мини Жип ^_^| кузов | компл.|двиг.|прив.|коробки AT-MT| лифт |диски штам | шины грязевые c камерами УАЗ 15|
-
nosoff
- Сообщения: 181
- Зарегистрирован: 01 июл 2013, 07:42
- Двигатель:: 4A30 Turbo, Бензин
- Мой автомобиль(и):: Mitsubishi Pajero mini, 2000, H58A, MRPF V (Turbo), 4FA/T
- Откуда: Уссурийск
- Благодарил (а): 18 раз
- Поблагодарили: 2 раза
Re: Звуковой сигнал
Со стороны руля:
Оказалось, что с кнопки не было выхода на минус. Взял медный провод, одной стороной примотал к пружине, а вторую с большим запасом распушил и бросил в стакан, чтобы она там свободно об него тёрлась.
Со стороны клаксона:
Купил новый и заменил.
Оказалось, что с кнопки не было выхода на минус. Взял медный провод, одной стороной примотал к пружине, а вторую с большим запасом распушил и бросил в стакан, чтобы она там свободно об него тёрлась.
Со стороны клаксона:
Купил новый и заменил.
Mitsubishi Pajero mini, "Истребитель" [c 24.06.2013г.]
-
diz8el
- Сообщения: 77
- Зарегистрирован: 07 окт 2024, 13:47
- Двигатель:: 4A30T 4A30
- Мой автомобиль(и):: Mitsubishi Pajero Mini 2 2002 4wd AT4 turbo и Pajero Mini 1 1995 4wd AT3 atmo
- Откуда: Каменск-Уральский
- Благодарил (а): 4 раза
- Поблагодарили: 7 раз
Звуковой сигнал
Оставлю тут, чтоб новую тему не начинать.
Когда в прошлом году делал на минике сальто, сломал рулевую рейку попалам. Руль свободно крутился в любом направлении. Сразу пришла мысль, что порвал шлейф, но, на удивление, и гудок работал, и ошибки по подушке водителя не было... до прошлой недели (почти 3 месяца).
Тем же вечером полез в шлейф.
Руль хорошо снялся при помощи монтировки, упёртой в гайку, накрученную на вал. Но потренероваться в бранной словестности до того успел знатно.
Вскрытие шлейфа показало два встречных перегибы, которые, с одной стороны, позволяли ему крутиться на много оборотов, а с другой, на одном из перегибов шлейф и переломился по всем жилам.
Распрямил полосу в однородную спираль и спаяв концы, собрал всё на место. В таком виде шлейф крутится на 5-6 оборотов от края до края. Выставил в среднее положение, как и колёса и дособрал всё остальное.
Шлицы у руля и вала без меток - ставь как хочешь.
По пути заметил, что в ленте 6 дорожек: дае толстые на подушку и 4 тонкие, одна из которых отдана на гудок. Т.е. есть целых три запасные, пины от которых маняще блестят в разъёмах.
Сегодня поискал подходящие мамки по закромам... не нашёл, так что доработал кусачками и пассатижами то, что было ближе всего, зацепил на одну жилу положительный вывод блока кнопок магнитолы от сузуки грандвитары, отрицательный обжал на плоскую вилку и сунул под саморез в руле, держащий его заднюю пластиковую накладку. С внешней стороны так же приколхозил неподходящую мамку с проводом, второй конец которого обжал на вывод кей1 магнитолы и после несложных манипуляций в меню настроек, у меня получился мультируль. На оставшиеся две жилы планирую повесить вторую половину сузукинского руля с кнопками круиза. Но об этом позже.
Когда в прошлом году делал на минике сальто, сломал рулевую рейку попалам. Руль свободно крутился в любом направлении. Сразу пришла мысль, что порвал шлейф, но, на удивление, и гудок работал, и ошибки по подушке водителя не было... до прошлой недели (почти 3 месяца).
Тем же вечером полез в шлейф.
Руль хорошо снялся при помощи монтировки, упёртой в гайку, накрученную на вал. Но потренероваться в бранной словестности до того успел знатно.
Вскрытие шлейфа показало два встречных перегибы, которые, с одной стороны, позволяли ему крутиться на много оборотов, а с другой, на одном из перегибов шлейф и переломился по всем жилам.
Распрямил полосу в однородную спираль и спаяв концы, собрал всё на место. В таком виде шлейф крутится на 5-6 оборотов от края до края. Выставил в среднее положение, как и колёса и дособрал всё остальное.
Шлицы у руля и вала без меток - ставь как хочешь.
По пути заметил, что в ленте 6 дорожек: дае толстые на подушку и 4 тонкие, одна из которых отдана на гудок. Т.е. есть целых три запасные, пины от которых маняще блестят в разъёмах.
Сегодня поискал подходящие мамки по закромам... не нашёл, так что доработал кусачками и пассатижами то, что было ближе всего, зацепил на одну жилу положительный вывод блока кнопок магнитолы от сузуки грандвитары, отрицательный обжал на плоскую вилку и сунул под саморез в руле, держащий его заднюю пластиковую накладку. С внешней стороны так же приколхозил неподходящую мамку с проводом, второй конец которого обжал на вывод кей1 магнитолы и после несложных манипуляций в меню настроек, у меня получился мультируль. На оставшиеся две жилы планирую повесить вторую половину сузукинского руля с кнопками круиза. Но об этом позже.
