TRT - Вдоль р.Киржач. Для стандартных 4х4 (08.11.25) Форум Обсуждение FAQ
замена,регулировка подшипника полуоси заднего моста П1(2)
Модераторы: SNOOPER, Nbf, Romik, BAlex, drcham, алексей - Маленький Мук
-
с-е-р-е-г-а
- Сообщения: 29
- Зарегистрирован: 10 апр 2012, 07:12
- Двигатель:: 4D56;6G72(12);6G75;6G72(24);были,6G75 сейчас
- Мой автомобиль(и):: Montero;2004;6G75(3.8)
- Откуда: АНГАРСК
- Откуда: иркутск
- Поблагодарили: 2 раза
замена,регулировка подшипника полуоси заднего моста П1(2)
Кто менял,может подскажет.Поиском прошелся нет информации.
Имею Паджеро 2,рестайл,98 год,левый руль,задний мост рессорный(как на паджеро 1 как я понимаю).тормоза барабанные.
Такой у меня мост:(рисунок ниже)
Доедил до жуткого скрежета в подшипнике полуоси(ступица).Сунулся в магазины в наличии ничего на мой мост нет.Только под заказ ,заказать и сам могу ,заказал в екзисте.
Разобрал.-подшипник развалился полностью.Все снял,спилил кольцо.Поставил все новое,от наружнего сальника до внутреннего.В прошлом году менял другую сторону,все нормально,получилось.
В этот раз толи забыл толи необратил внимание на регулировку преднатяга,свободного хода колеса.Как сейчас понимаю зазор между обоймой и роликами регулируеться прокладками (на рисунке -обозначены -А)картонными ,между балкой моста,и корпусом подшипника (с 4мя шпильками?)Так ли это ?кто знает?
С другой стороны когда менял припоменаю вырезал сам из картона,так этот набор около тысячи стоит.
Короче все собрал,поездил пару дней,недалеко -все нормально,потом поехал в другой город -60 км проехал полуось сильно грелась,дальше по пути домой ажно дым временами шел,масло с моста потекло,сальникам хана,короче перегрел все,в колесе теперь люфт,течь масла и т.д.вобщем все опять под замену опять заказал запчасти,жду.
Кто чем подскажет по замене однорядного конического подшипника полуоси,по регулировке.?
Чем опасен ,опасен ли такой перегрев полуоси,корпуса подшипника и т.д.
Может у кого мануал есть по такой замене регулировке,отсканированых бы пару страничек,или ткните может где отчет есть подобный по замене.
Заранее благодарен откликнувшимся.
Имею Паджеро 2,рестайл,98 год,левый руль,задний мост рессорный(как на паджеро 1 как я понимаю).тормоза барабанные.
Такой у меня мост:(рисунок ниже)
Доедил до жуткого скрежета в подшипнике полуоси(ступица).Сунулся в магазины в наличии ничего на мой мост нет.Только под заказ ,заказать и сам могу ,заказал в екзисте.
Разобрал.-подшипник развалился полностью.Все снял,спилил кольцо.Поставил все новое,от наружнего сальника до внутреннего.В прошлом году менял другую сторону,все нормально,получилось.
В этот раз толи забыл толи необратил внимание на регулировку преднатяга,свободного хода колеса.Как сейчас понимаю зазор между обоймой и роликами регулируеться прокладками (на рисунке -обозначены -А)картонными ,между балкой моста,и корпусом подшипника (с 4мя шпильками?)Так ли это ?кто знает?
С другой стороны когда менял припоменаю вырезал сам из картона,так этот набор около тысячи стоит.
Короче все собрал,поездил пару дней,недалеко -все нормально,потом поехал в другой город -60 км проехал полуось сильно грелась,дальше по пути домой ажно дым временами шел,масло с моста потекло,сальникам хана,короче перегрел все,в колесе теперь люфт,течь масла и т.д.вобщем все опять под замену опять заказал запчасти,жду.
Кто чем подскажет по замене однорядного конического подшипника полуоси,по регулировке.?
Чем опасен ,опасен ли такой перегрев полуоси,корпуса подшипника и т.д.
Может у кого мануал есть по такой замене регулировке,отсканированых бы пару страничек,или ткните может где отчет есть подобный по замене.
Заранее благодарен откликнувшимся.
- Strannickxxx
- Сообщения: 151
- Зарегистрирован: 27 мар 2010, 07:02
- Двигатель:: Бензин 1uz-fe
- Мой автомобиль(и):: Pajero II 3D, Кобра 35х10,5-15, 1uz-fe, a340, SS
- Откуда: Сургут
- Откуда: Сургут
- Благодарил (а): 17 раз
- Поблагодарили: 6 раз
- Контактная информация:
Re: замена,регулировка подшипника полуоси заднего моста П1(2
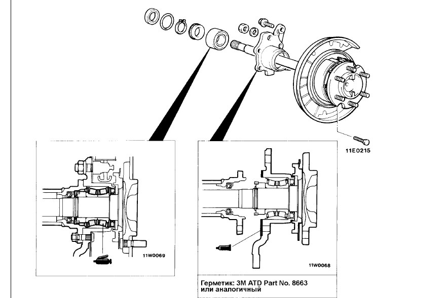
Из мануала для П1
Pajero II 1994г., 3D, 1UZ-FE, A340, SS, бодик 80-20, шины Кобра 35х10,5-15
Продаю КИТы понижайки для Mitsubishi (временно недоступно). Понижение в раздатку от 2.7:1 до 3.15:1
Продаю КИТы понижайки для Mitsubishi (временно недоступно). Понижение в раздатку от 2.7:1 до 3.15:1
-
с-е-р-е-г-а
- Сообщения: 29
- Зарегистрирован: 10 апр 2012, 07:12
- Двигатель:: 4D56;6G72(12);6G75;6G72(24);были,6G75 сейчас
- Мой автомобиль(и):: Montero;2004;6G75(3.8)
- Откуда: АНГАРСК
- Откуда: иркутск
- Поблагодарили: 2 раза
Re: замена,регулировка подшипника полуоси заднего моста П1(2
Спасибо,как раз то что надо.У вас тоже рессорный мост?Сами меняли подшипники?
Как я понял компенсационная шайба это и есть набор прокладок-А на схеме?И регулеровку надо делать подняв полностью задний мост ,и смотреть обе стороны,как я понял они зависимы друг от друга,т.е.надо зазор на обоих колесах смотреть?
Как я понял компенсационная шайба это и есть набор прокладок-А на схеме?И регулеровку надо делать подняв полностью задний мост ,и смотреть обе стороны,как я понял они зависимы друг от друга,т.е.надо зазор на обоих колесах смотреть?
- Yurok_
- Сообщения: 215
- Зарегистрирован: 29 дек 2008, 20:15
- Двигатель:: 6G72 24V
- Мой автомобиль(и):: MMC Pajero ll , BMW 320i cabrio , BMW R1150GS
- Откуда: Москва САО
- Откуда: Москва САО
- Благодарил (а): 1 раз
- Поблагодарили: 2 раза
- Контактная информация:
Re: замена,регулировка подшипника полуоси заднего моста П1(2
там подшипник не конический . регулировки при установке нет ни какой.
Pajero II коротыш 97 г , 3000 24V , АКПП , BFG MT 33X10.5 , Webasto Termo Top C , бампера МЭЗ1, беркут R24.
- Жипер
- Сообщения: 22073
- Зарегистрирован: 02 дек 2005, 06:06
- Двигатель:: 4d56, 4m40, 5vz
- Мой автомобиль(и):: П2 - 3 штуки
- Откуда: Приморье
- Откуда: Владивосток
- Благодарил (а): 39 раз
- Поблагодарили: 498 раз
Re: замена,регулировка подшипника полуоси заднего моста П1(2
есть.Yurok_ писал(а):там подшипник не конический . регулировки при установке нет ни какой.
подбором толщины прокладок между чулком и ступицей.
Джипер , это утонченная творческая личность , а уж потом небритая пьяная сволочь.
ftsyuri1@mail.ru
8-908-44-69761. При звонке учитывайте разницу во времени. +7 часов к Москве
По запчастям стучитесь в воцап или телегу.
ftsyuri1@mail.ru
8-908-44-69761. При звонке учитывайте разницу во времени. +7 часов к Москве
По запчастям стучитесь в воцап или телегу.
- Yurok_
- Сообщения: 215
- Зарегистрирован: 29 дек 2008, 20:15
- Двигатель:: 6G72 24V
- Мой автомобиль(и):: MMC Pajero ll , BMW 320i cabrio , BMW R1150GS
- Откуда: Москва САО
- Откуда: Москва САО
- Благодарил (а): 1 раз
- Поблагодарили: 2 раза
- Контактная информация:
Re: замена,регулировка подшипника полуоси заднего моста П1(2
Жесть, приношу свои извинения .Жипер писал(а):есть.Yurok_ писал(а):там подшипник не конический . регулировки при установке нет ни какой.
подбором толщины прокладок между чулком и ступицей.
Pajero II коротыш 97 г , 3000 24V , АКПП , BFG MT 33X10.5 , Webasto Termo Top C , бампера МЭЗ1, беркут R24.
- Strannickxxx
- Сообщения: 151
- Зарегистрирован: 27 мар 2010, 07:02
- Двигатель:: Бензин 1uz-fe
- Мой автомобиль(и):: Pajero II 3D, Кобра 35х10,5-15, 1uz-fe, a340, SS
- Откуда: Сургут
- Откуда: Сургут
- Благодарил (а): 17 раз
- Поблагодарили: 6 раз
- Контактная информация:
Re: замена,регулировка подшипника полуоси заднего моста П1(2
У меня рессорный. Сам ещё не менял.с-е-р-е-г-а писал(а):У вас тоже рессорный мост?Сами меняли подшипники?
Как я понял компенсационная шайба это и есть набор прокладок-А на схеме?И регулеровку надо делать подняв полностью задний мост ,и смотреть обе стороны,как я понял они зависимы друг от друга,т.е.надо зазор на обоих колесах смотреть?
"компенсационная шайба" это и есть набор прокладок А на схеме. Полностью поднимать не обязательно, полуоси независимы. Т.е. Поставил одну полуось (сразу и навсегда, но с прокладкой 1мм по мануалу), вторую сторону чуть притянул малым моментом (только чтобы зазор в подшипнике выбрался), замерил зазор. Снял полуось, подобрал толщину прокладки по инструкции - поставил - затянул.
P.S. На рессорном Поджерике подшипники полуоси конические однорядные, потому регулируемые; на пружинном - роликовые двухрядные, не регулируемые (при сборке только зазор оставлять стопорным кольцом, по мануалу).
Pajero II 1994г., 3D, 1UZ-FE, A340, SS, бодик 80-20, шины Кобра 35х10,5-15
Продаю КИТы понижайки для Mitsubishi (временно недоступно). Понижение в раздатку от 2.7:1 до 3.15:1
Продаю КИТы понижайки для Mitsubishi (временно недоступно). Понижение в раздатку от 2.7:1 до 3.15:1
- Alessandro
- Сообщения: 3805
- Зарегистрирован: 14 ноя 2009, 14:41
- Двигатель:: 4G54
- Мой автомобиль(и):: Pajero ll
- Откуда: Москва
- Благодарил (а): 2 раза
- Поблагодарили: 25 раз
Re: замена,регулировка подшипника полуоси заднего моста П1(2
Тема интересная и для меня актуальная. Посыпался правый подшипник. Левый не трогаю. Думаю пока и не трогать. значит регулировать только прокладками на правой стороне(будем предполагать что слева уже стоит прокладка 1мм).
А как же слева обеспечивается зазор предельный до 0,25мм? конструкторским расчётом(типа все размеры учтены и при условии установки нового подшипника установка прокладки в 1мм обеспечивает слева необходимый зазор в подшипнике?
такой способ регулировки как мне кажется предполагает встречу полуосей торцами, потому то и требуется выбирать все зазоры и ставить прокладку справа + припуск 0,05-2,0мм
Прокладки если кто не знает стальные. купил себе один комплект на одну сторону.
И это, кто как запрессовывал стопорную втулку и что из этого хорошего или плохого получалось?
А как же слева обеспечивается зазор предельный до 0,25мм? конструкторским расчётом(типа все размеры учтены и при условии установки нового подшипника установка прокладки в 1мм обеспечивает слева необходимый зазор в подшипнике?
такой способ регулировки как мне кажется предполагает встречу полуосей торцами, потому то и требуется выбирать все зазоры и ставить прокладку справа + припуск 0,05-2,0мм
Прокладки если кто не знает стальные. купил себе один комплект на одну сторону.
И это, кто как запрессовывал стопорную втулку и что из этого хорошего или плохого получалось?
P2., V32VNDLW, 4G54 2600сс, V5M21(4875) - механика, part time. Арапский прынц 1996г рождения, колор белий :)
- Alessandro
- Сообщения: 3805
- Зарегистрирован: 14 ноя 2009, 14:41
- Двигатель:: 4G54
- Мой автомобиль(и):: Pajero ll
- Откуда: Москва
- Благодарил (а): 2 раза
- Поблагодарили: 25 раз
Re: замена,регулировка подшипника полуоси заднего моста П1(2
Вчера пилил пилил.... сегодня отволок на работу. там пилил пилил и рубил рубил зубилом. снял втулку стопорную. тем кто это будет делать самостоятельно, рекомендую как указывают японцы снять одну шпильку(больше простора). я не смог, потому на ближайшие со стороны пиления шпильки одел согнутые из тонкого металла трубочки, чтобы защитить резьбу от случайного касания дисков. также чтобы корпус подшипников(поверхность фланца) случайно не пильнуть, вырезал из того же тонкого металла прокладку и перед работой одел на корпус сверху. Ещё нужно прикрыть от случайного срыва болгарки и шлифованный пояс по которому сальник "работает". я также свернул из тонкого листа трубочку по размеру и перед пилением(после того как разок случайно слегонца чиркнул) надел на полуось в том месте. лучше имхо готовое что-то подобрать(и из латуни, бо мякше и не будет царапать случ что, но не принципиально). в общем первый раз пилил, не всё безупречно, но считаю мне пока повезло и я пока полуось не запорол. Посмотрим что буит дале. нуна сваять съёмник для корпуса подшипников и потом запрессовать новое. так что говорить ХГОП рано
P2., V32VNDLW, 4G54 2600сс, V5M21(4875) - механика, part time. Арапский прынц 1996г рождения, колор белий :)
- Alessandro
- Сообщения: 3805
- Зарегистрирован: 14 ноя 2009, 14:41
- Двигатель:: 4G54
- Мой автомобиль(и):: Pajero ll
- Откуда: Москва
- Благодарил (а): 2 раза
- Поблагодарили: 25 раз
Re: замена,регулировка подшипника полуоси заднего моста П1(2
Купил маленкай(75мм) двулапый съёмник Force. Выбрал на глазок. Можно было бы примерить других размеров. ну, схватил поехал. в общем с помощью его выколупал внешнюю обойму подшипника. Японцы молодцы, продумали: со стороны сальника внешнего в корпусе есть кольцевой уступ который не даёт обойме подшипника запрессоваться к нему вплотную остаётся достаточно места(на глаз миллиметра 3) чтобы лапы небольшого съёмника надёжно захватили обойму. единственное, пришлось после того как завёл лапы под обойму затолкать между лапами плотно кусок деревяхи, т.к. при закручивании винта съёмника лапы стремились сойтись и выскочить с мест зацепа(что говорит от не совсем правильном выборе съёмника по конструкции. ну сойдёт в общем случ что. почистил, протёр, забил новую обойму, вставил сальник новый внешний, потом накинул всё на полуось, запрессовал внутреннюю обойму подшипника с роликами(предварительно смазал и сальник и обойму и ролики) и поверх запрессовал НАХОЛОДНУЮ стопорную втулку. делал на винтовом механическом прессе. всё получилось как будто хорошо. единственный момент, на таком прессе не вышло проконтролировать усилие для запрессовке. надеюсь всё же, что оно было не менее 5т как предписывают японцы.
следующий этап - замена сальника в мосту, установка полуоси на место с сопутствующей регулировкой зазора в подшипнике, ну и сборка тормозной тряхомудии и т.д.
следующий этап - замена сальника в мосту, установка полуоси на место с сопутствующей регулировкой зазора в подшипнике, ну и сборка тормозной тряхомудии и т.д.
P2., V32VNDLW, 4G54 2600сс, V5M21(4875) - механика, part time. Арапский прынц 1996г рождения, колор белий :)
- Alessandro
- Сообщения: 3805
- Зарегистрирован: 14 ноя 2009, 14:41
- Двигатель:: 4G54
- Мой автомобиль(и):: Pajero ll
- Откуда: Москва
- Благодарил (а): 2 раза
- Поблагодарили: 25 раз
Re: замена,регулировка подшипника полуоси заднего моста П1(2
Ну вот. Сегодня всё собрал. т.е. не всё. полуось поставил чтобы можно было ездить. нужно поставить новые колодки и перебрать или установить новый рабочий цилиндр.
Перед установкой правой полуоси подёргал туда-сюда левую полуось. люфт осевой изрядный. померить поленился(нужно было разбирать тормоз и ставить на щит стойку для индикатора. но на глаз и так видно, что люфт не 0,25мм допускаемый, а весь миллиметр, а может и более. тем не менее не стал париться(на заметку взял , придётся слева тоже сменить подшипник чуть позже), поставил полуось и как будто даже сумел отрегулировать зазор в подшипниках. Если не ошибся(очень на это надеюсь), то получился 0,1мм, что в поле допуска 0,05-0,25. хотя сомнения остались что именно столько. но! осевой люфт практически не ощущается, только если с силой толкать туды сюды, то отдаёт в руку. но визуально не видно смещения оси.
поехал испытать новый подшипник и через 200м блин новая напасть: лопнули какие то листы в левой рессоре. совсем не отвалилась, но рама слева сидит на лимоне. это притом что справа тоже пара листов лопнувших есть. не знаю как лучше. то ли перебирать, то ли ставить новые.
ЗЫ смутное подозрение есть у меня, что при замене подшипников в таких мостах как у меня(где полуоси могут упираться другг в друга торцами и при регулировании зазора в подшипнике нужно обязательно вывешивать левую полуось тоже) нужно менять оба на обеих полуосях даже если загудел/рассыпался только один. Кто бы мог сказать точно?!
скажу почему так думаю. потому что после регулировки зазора согласно мануалу я поставил такую прокладку которая нивелировала повышенный зазор в левом подшипнике, но при этом общий показатель в норме.
Перед установкой правой полуоси подёргал туда-сюда левую полуось. люфт осевой изрядный. померить поленился(нужно было разбирать тормоз и ставить на щит стойку для индикатора. но на глаз и так видно, что люфт не 0,25мм допускаемый, а весь миллиметр, а может и более. тем не менее не стал париться(на заметку взял , придётся слева тоже сменить подшипник чуть позже), поставил полуось и как будто даже сумел отрегулировать зазор в подшипниках. Если не ошибся(очень на это надеюсь), то получился 0,1мм, что в поле допуска 0,05-0,25. хотя сомнения остались что именно столько. но! осевой люфт практически не ощущается, только если с силой толкать туды сюды, то отдаёт в руку. но визуально не видно смещения оси.
поехал испытать новый подшипник и через 200м блин новая напасть: лопнули какие то листы в левой рессоре. совсем не отвалилась, но рама слева сидит на лимоне. это притом что справа тоже пара листов лопнувших есть. не знаю как лучше. то ли перебирать, то ли ставить новые.
ЗЫ смутное подозрение есть у меня, что при замене подшипников в таких мостах как у меня(где полуоси могут упираться другг в друга торцами и при регулировании зазора в подшипнике нужно обязательно вывешивать левую полуось тоже) нужно менять оба на обеих полуосях даже если загудел/рассыпался только один. Кто бы мог сказать точно?!
скажу почему так думаю. потому что после регулировки зазора согласно мануалу я поставил такую прокладку которая нивелировала повышенный зазор в левом подшипнике, но при этом общий показатель в норме.
P2., V32VNDLW, 4G54 2600сс, V5M21(4875) - механика, part time. Арапский прынц 1996г рождения, колор белий :)
- Alessandro
- Сообщения: 3805
- Зарегистрирован: 14 ноя 2009, 14:41
- Двигатель:: 4G54
- Мой автомобиль(и):: Pajero ll
- Откуда: Москва
- Благодарил (а): 2 раза
- Поблагодарили: 25 раз
Re: замена,регулировка подшипника полуоси заднего моста П1(2
Седня цельный день катался. подшипники не греются. знать не пережат.
P2., V32VNDLW, 4G54 2600сс, V5M21(4875) - механика, part time. Арапский прынц 1996г рождения, колор белий :)
- dmvarlamov
- Сообщения: 1058
- Зарегистрирован: 28 сен 2015, 17:22
- Двигатель:: 6G72
- Мой автомобиль(и):: MPS 1 2002 г.в., МКПП
- Откуда: Москва
- Благодарил (а): 19 раз
- Поблагодарили: 51 раз
замена,регулировка подшипника полуоси заднего моста П1(2)
Подниму старую тему...
Что-то я никак не въеду, в чем суть регулировки натяга этого подшипника в том смысле, что именно на него давит. В этом мосту что, полуоси друг на друга давят? Т.е., не корпус чулка давит на подшипник же? Что там, специальные упоры в редукторе?
Что-то я никак не въеду, в чем суть регулировки натяга этого подшипника в том смысле, что именно на него давит. В этом мосту что, полуоси друг на друга давят? Т.е., не корпус чулка давит на подшипник же? Что там, специальные упоры в редукторе?
- Fakir
- Технический Комиссар
- Сообщения: 3027
- Зарегистрирован: 04 окт 2007, 00:51
- Двигатель:: 6G72 24V
- Мой автомобиль(и):: К96 '07
- Откуда: СВАО
- Откуда: Москва
- Благодарил (а): 72 раза
- Поблагодарили: 209 раз
замена,регулировка подшипника полуоси заднего моста П1(2)
Эта тема для П1, там немного другая конструкция подшипника. Обычный однорядный конический подшипник. Как у тебя в передней ступице, только один. Внутренняя обойма с роликами стоит на полуоси, внешняя в чулке моста. Сильно сдавишь, будет греться. Слабо, будет люфт.
L144G '89 - был,
K96 '07 - внедорожный турист.
Безвыходных ситуаций не бывает!
8(903)7381043
K96 '07 - внедорожный турист.
Безвыходных ситуаций не бывает!
8(903)7381043
- dmvarlamov
- Сообщения: 1058
- Зарегистрирован: 28 сен 2015, 17:22
- Двигатель:: 6G72
- Мой автомобиль(и):: MPS 1 2002 г.в., МКПП
- Откуда: Москва
- Благодарил (а): 19 раз
- Поблагодарили: 51 раз
замена,регулировка подшипника полуоси заднего моста П1(2)
у меня сейчас в гараже лежит мост от п2 азиатский коротыш, там именно такой однорядный подшипник. Я просто пока не понял какое место моста создает этот натяг)
В голове разные мысли бегают, например заменить этот подшипник шариковым или еще каким...
ЗЫ. Получается, полуось упирается в подшипник редуктора что ли?
В голове разные мысли бегают, например заменить этот подшипник шариковым или еще каким...
ЗЫ. Получается, полуось упирается в подшипник редуктора что ли?
- Fakir
- Технический Комиссар
- Сообщения: 3027
- Зарегистрирован: 04 окт 2007, 00:51
- Двигатель:: 6G72 24V
- Мой автомобиль(и):: К96 '07
- Откуда: СВАО
- Откуда: Москва
- Благодарил (а): 72 раза
- Поблагодарили: 209 раз
замена,регулировка подшипника полуоси заднего моста П1(2)
Нет, там, где полуось прикручивается к чулку. Там же и регулировочные пластины (прокладки). Но на П2 таких, вроде, не было.
L144G '89 - был,
K96 '07 - внедорожный турист.
Безвыходных ситуаций не бывает!
8(903)7381043
K96 '07 - внедорожный турист.
Безвыходных ситуаций не бывает!
8(903)7381043
- dmvarlamov
- Сообщения: 1058
- Зарегистрирован: 28 сен 2015, 17:22
- Двигатель:: 6G72
- Мой автомобиль(и):: MPS 1 2002 г.в., МКПП
- Откуда: Москва
- Благодарил (а): 19 раз
- Поблагодарили: 51 раз
замена,регулировка подшипника полуоси заднего моста П1(2)
Да понятно что прокладки)
Прокладки эти - между неподвижным чулком и неподвижным корпусом полуоси, на которой держится тормозной щиток и в которую вставляется внешняя обойма подшипника.
Но при этом для создания натяга в подшипнике нам нужно, чтобы сама вращающаяся полуось давила на подшипник (в осевом направлении).
Т.е. что-то должно из середины моста давить на полуось. Я не пойму что, кроме самого редуктора это делать нечему.
При этом, судя по мануалу, есть явная зависимость между правой и левой полуосями, что лишь подтверждает мое предположение про редуктор...
-
алексей - Маленький Мук
- Модератор
- Сообщения: 20287
- Зарегистрирован: 11 дек 2008, 16:10
- Откуда: москва м Академическая
- Благодарил (а): 101 раз
- Поблагодарили: 1322 раза
замена,регулировка подшипника полуоси заднего моста П1(2)
дима забей, потавь новый подшипник и забудь на 10 лет, в П1 регулируется и натягивается гайкой. в спорте этого нет...... там двухрядник. напресовал стопор и пох. ходит и непистит 
Всем добра.......
- dvm99
- Сообщения: 21721
- Зарегистрирован: 21 май 2012, 20:59
- Двигатель:: 6G72, 12клап.,
- Мой автомобиль(и):: Pajero2, Запорожец- Ланос
- Откуда: Свердловская обл.
- Благодарил (а): 706 раз
- Поблагодарили: 1026 раз
замена,регулировка подшипника полуоси заднего моста П1(2)
На П2 стоит 2-рядный подшипник.dmvarlamov писал(а): ↑ у меня сейчас в гараже лежит мост от п2 азиатский коротыш, там именно такой однорядный подшипник.
Может мост не от Паджеры? Правда нашёл в одном мануале П2 с барабанными тормозами,
Там действительно один
Дмитрий
Боливар2 - П2, 92г., V43, 6G72(12V), V4AW2, RD/L, пруль (чистокровный японский рысак)
Боливар1 - П2, 93г., 6G72(12V), МКПП, V43, RD/L, Европа (славный был конь, но уже донор)
Боливар2 - П2, 92г., V43, 6G72(12V), V4AW2, RD/L, пруль (чистокровный японский рысак)
Боливар1 - П2, 93г., 6G72(12V), МКПП, V43, RD/L, Европа (славный был конь, но уже донор)
- Fakir
- Технический Комиссар
- Сообщения: 3027
- Зарегистрирован: 04 окт 2007, 00:51
- Двигатель:: 6G72 24V
- Мой автомобиль(и):: К96 '07
- Откуда: СВАО
- Откуда: Москва
- Благодарил (а): 72 раза
- Поблагодарили: 209 раз
замена,регулировка подшипника полуоси заднего моста П1(2)
Лёха, ничего гайкой не регулируется. Гайкой фиксируется внутренняя обойма на полуоси. Так же, как стопором двухрядный подшипник на П2 и спорте.
34015B -упор. в него упираются полуоси.dmvarlamov писал(а): ↑ Прокладки эти - между неподвижным чулком и неподвижным корпусом полуоси, на которой держится тормозной щиток и в которую вставляется внешняя обойма подшипника.
Но при этом для создания натяга в подшипнике нам нужно, чтобы сама вращающаяся полуось давила на подшипник (в осевом направлении).
L144G '89 - был,
K96 '07 - внедорожный турист.
Безвыходных ситуаций не бывает!
8(903)7381043
K96 '07 - внедорожный турист.
Безвыходных ситуаций не бывает!
8(903)7381043
