Блокировка включения дальнего при "моргании" на МПС
Модераторы: SNOOPER, Nbf, Romik, BAlex
- Captain Sergio
- Сообщения: 4557
- Зарегистрирован: 30 янв 2012, 22:01
- Двигатель:: 4G18
- Мой автомобиль(и):: Pajero Пинин, 1999, АКПП, BMW X5
- Откуда: Ульяновск
- Благодарил (а): 264 раза
- Поблагодарили: 346 раз
Блокировка включения дальнего при "моргании" на МПС
Обратил внимание на фичу третьей паджеры - при моргании дальним дальний моргает, но никогда не включается. Включается он там только при включенном ближнем. У нас на спортах такого нет (у меня точно). Как ни моргнешь - дальний включенным остается. Загорелся такое сделать. Схемы пока не смотрел. Займусь на выходные. Может кто делал? Может на поздних годах также сделано?
Сергей. Все будет хорошо! Грязезащита для рамных автомобилей.
- Ermakoff
- Сообщения: 4275
- Зарегистрирован: 18 фев 2004, 13:11
- Двигатель:: 4D56
- Мой автомобиль(и):: Galloper Exceed`93
- Откуда: Волжский
- Откуда: Пятигорск
- Поблагодарили: 13 раз
- Контактная информация:
Re: Блокировка включения дальнего при "моргании" на МПС
Интересно, ни на одном авто не видел, чтобы дальний после моргания оставался включённым, это скорее неисправность, потому как и логического смысла никакого в этом нет, ну моргнул кому-то (по любой причине) и потом как дурень катишь слепя всех подряд...
Если у человека нет чувства юмора, у него по крайней мере должно быть чувство, что у него нет чувства юмора.
- Captain Sergio
- Сообщения: 4557
- Зарегистрирован: 30 янв 2012, 22:01
- Двигатель:: 4G18
- Мой автомобиль(и):: Pajero Пинин, 1999, АКПП, BMW X5
- Откуда: Ульяновск
- Благодарил (а): 264 раза
- Поблагодарили: 346 раз
Re: Блокировка включения дальнего при "моргании" на МПС
У нас включение дальнего - рычаг на себя до упора. Выключение - еще раз на себя до упора. А моргание также, только не до конца на себя. Очень трудно рассчитать усилие, дальний и включается. А на трешке есть блокировка от случайного включения. Там если ближний не включен - как ни тяни на себя рычаг дальнего - все равно только моргание получится.Ermakoff писал(а):Интересно, ни на одном авто не видел, чтобы дальний после моргания оставался включённым, это скорее неисправность, потому как и логического смысла никакого в этом нет, ну моргнул кому-то (по любой причине) и потом как дурень катишь слепя всех подряд...
Сергей. Все будет хорошо! Грязезащита для рамных автомобилей.
- Ermakoff
- Сообщения: 4275
- Зарегистрирован: 18 фев 2004, 13:11
- Двигатель:: 4D56
- Мой автомобиль(и):: Galloper Exceed`93
- Откуда: Волжский
- Откуда: Пятигорск
- Поблагодарили: 13 раз
- Контактная информация:
Re: Блокировка включения дальнего при "моргании" на МПС
Да по идее все виденные мною схемы автомобилей предусматривают, что на постоянку дальний может быть включен только в соответствуюшем режиме освещения, и уж никак при простом моргании... И на П1 и на П2 так же, только дальний включается толчком рычага от себя, оказывается и в П3 примерно аналогично, есть ли смысл и логика делать такую кривую байду только для МПС...
Странно это, всё-таки склоняюсь к неисправности в электрике. Ещё у кого-то на МПС так же включается?
Странно это, всё-таки склоняюсь к неисправности в электрике. Ещё у кого-то на МПС так же включается?
Если у человека нет чувства юмора, у него по крайней мере должно быть чувство, что у него нет чувства юмора.
- Captain Sergio
- Сообщения: 4557
- Зарегистрирован: 30 янв 2012, 22:01
- Двигатель:: 4G18
- Мой автомобиль(и):: Pajero Пинин, 1999, АКПП, BMW X5
- Откуда: Ульяновск
- Благодарил (а): 264 раза
- Поблагодарили: 346 раз
Re: Блокировка включения дальнего при "моргании" на МПС
Хм. Заинтриговал. Может и правда неисправность ... Посмотрю схемы. Может че наколхозил предыдущий владелец. Я когда ее взял там ни одна кнопка не светилась, провода фаркопа были выдраны, а задние противотуманки включались при нажатии педали тормоза. Зачем - до сих пор не пойму. Все восстановил как должно быть.Ermakoff писал(а):Да по идее все виденные мною схемы автомобилей предусматривают, что на постоянку дальний может быть включен только в соответствуюшем режиме освещения, и уж никак при простом моргании... И на П1 и на П2 так же, только дальний включается толчком рычага от себя, оказывается и в П3 примерно аналогично, есть ли смысл и логика делать такую кривую байду только для МПС...
Странно это, всё-таки склоняюсь к неисправности в электрике. Ещё у кого-то на МПС так же включается?
Сергей. Все будет хорошо! Грязезащита для рамных автомобилей.
- Captain Sergio
- Сообщения: 4557
- Зарегистрирован: 30 янв 2012, 22:01
- Двигатель:: 4G18
- Мой автомобиль(и):: Pajero Пинин, 1999, АКПП, BMW X5
- Откуда: Ульяновск
- Благодарил (а): 264 раза
- Поблагодарили: 346 раз
Re: Блокировка включения дальнего при "моргании" на МПС
Посмотрел схему своего года (скриншот от моей версии ходовых огней прилагаю). Блокировки нет. Однозначно. Завтра уточню по остальным, с Айпада не получается сейчас. Но сделать скорее всего получится. Надо подумать.
Сергей. Все будет хорошо! Грязезащита для рамных автомобилей.
- кот 989
- Сообщения: 456
- Зарегистрирован: 16 ноя 2009, 12:25
- Двигатель:: 4D56
- Мой автомобиль(и):: МПСпорт 2001г
- Откуда: Самара
- Благодарил (а): 12 раз
- Поблагодарили: 23 раза
Re: Блокировка включения дальнего при "моргании" на МПС
Да, всё так. Почти...Ermakoff писал(а):Да по идее все виденные мною схемы автомобилей предусматривают, что на постоянку дальний может быть включен только в соответствуюшем режиме освещения, и уж никак при простом моргании... И на П1 и на П2 так же, только дальний включается толчком рычага от себя, оказывается и в П3 примерно аналогично, есть ли смысл и логика делать такую кривую байду только для МПС...
Странно это, всё-таки склоняюсь к неисправности в электрике. Ещё у кого-то на МПС так же включается?
Если не аккуратненько/нервненько по-моргать дальним при выключенном свете, то "подрулевой" переключатель может остатся в положении "дальний" и потом при включении света получается сюрприз! Неприятная фича заставляющая считать количество щелчков/морганий.
Так-то привык давно - свет включил
Ваапще: периодически появляется желание посмотреть в узкие глаза конструкторов MMC.
Кэп,
Sport 2001 года, 4D56, МКПП.
- Captain Sergio
- Сообщения: 4557
- Зарегистрирован: 30 янв 2012, 22:01
- Двигатель:: 4G18
- Мой автомобиль(и):: Pajero Пинин, 1999, АКПП, BMW X5
- Откуда: Ульяновск
- Благодарил (а): 264 раза
- Поблагодарили: 346 раз
Re: Блокировка включения дальнего при "моргании" на МПС
Там собственно все просто. Три пары контактов. Две на моргание - одна подключает массу на лампы дальнего, вторая при этом подключает массу на реле включения головного света. Это для моргания. А для включения переключатель дальний - не дальний. Я схему сделаю - скину.
Сергей. Все будет хорошо! Грязезащита для рамных автомобилей.
- Captain Sergio
- Сообщения: 4557
- Зарегистрирован: 30 янв 2012, 22:01
- Двигатель:: 4G18
- Мой автомобиль(и):: Pajero Пинин, 1999, АКПП, BMW X5
- Откуда: Ульяновск
- Благодарил (а): 264 раза
- Поблагодарили: 346 раз
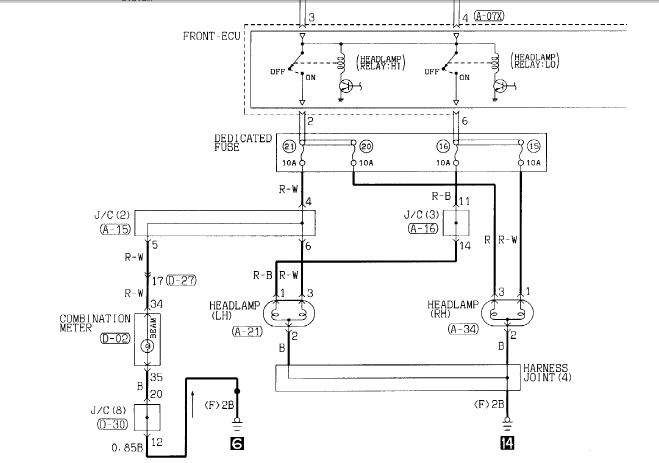
Re: Блокировка включения дальнего при "моргании" на МПС
Ну собственно вот вам схема включения головного света на П-3. Как я и предполагал - все по другому. На этой машину уже нормальный вариант включения света коммутацией +12В, а не через жоп массу как у нас. Ну и на управлении стоит контроллер. Он то и фиксирует дальний, только когда включен ближний. У нас нет никаких контроллеров. Буду думать как сделать на реле нечто подобное.
Сергей. Все будет хорошо! Грязезащита для рамных автомобилей.
