TRT - Вдоль р.Киржач. Для стандартных 4х4 (08.11.25) Форум Обсуждение FAQ
подключение радио пульта лебедки
- Притворщик
- Сообщения: 1479
- Зарегистрирован: 24 июл 2006, 11:40
- Двигатель:: 4D56,
- Мой автомобиль(и):: Pajero 2
- Откуда: Гусь-Хрустальный
- Откуда: Владимирская обл.
- Благодарил (а): 41 раз
- Поблагодарили: 16 раз
подключение радио пульта лебедки
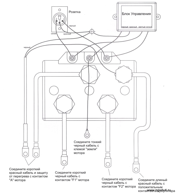
меняю лебеду и блок соленоидов , на старом стоял приемник радио пульта на новом нет. Нужна помощь Как подключить радио пульт со старого блока? Старый был в виде двух бочонков, а новый квадратный в одном корпусе
http://mio-a.ru/
монтеро спорт 99 3.0L -был
паджеро 2 96г. 4D56 АКПП, 5.285 пневмо блок, кривой руль, кузов W47. леблядь 9500, силовичек, 33 СТТ, багажник , люстра, лопата совковая, шнорк, бодик 50-0, си-би.
монтеро спорт 99 3.0L -был
паджеро 2 96г. 4D56 АКПП, 5.285 пневмо блок, кривой руль, кузов W47. леблядь 9500, силовичек, 33 СТТ, багажник , люстра, лопата совковая, шнорк, бодик 50-0, си-би.
- Притворщик
- Сообщения: 1479
- Зарегистрирован: 24 июл 2006, 11:40
- Двигатель:: 4D56,
- Мой автомобиль(и):: Pajero 2
- Откуда: Гусь-Хрустальный
- Откуда: Владимирская обл.
- Благодарил (а): 41 раз
- Поблагодарили: 16 раз
Re: подключение радио пульта лебедки

http://mio-a.ru/
монтеро спорт 99 3.0L -был
паджеро 2 96г. 4D56 АКПП, 5.285 пневмо блок, кривой руль, кузов W47. леблядь 9500, силовичек, 33 СТТ, багажник , люстра, лопата совковая, шнорк, бодик 50-0, си-би.
монтеро спорт 99 3.0L -был
паджеро 2 96г. 4D56 АКПП, 5.285 пневмо блок, кривой руль, кузов W47. леблядь 9500, силовичек, 33 СТТ, багажник , люстра, лопата совковая, шнорк, бодик 50-0, си-би.
- Саня
- Сообщения: 6079
- Зарегистрирован: 19 июн 2009, 16:17
- Двигатель:: 4D56
- Мой автомобиль(и):: NEWшка
- Откуда: Тверь 69
- Откуда: Тверь 69
- Благодарил (а): 48 раз
- Поблагодарили: 270 раз
Re: подключение радио пульта лебедки
Тема только уже поднималась
MITSUBISHI PAJERO SPORT NEW/.. KUPTSOV69RUS@list.ru 8-904-013-дубль/08