Схема отключения габаритов при включении ближнего света.
Модераторы: SNOOPER, Nbf, Romik, BAlex
- M@veric
- Сообщения: 2340
- Зарегистрирован: 22 окт 2009, 17:56
- Двигатель:: 4D56
- Мой автомобиль(и):: Pajero Sport
- Откуда: Murmansk
- Благодарил (а): 38 раз
- Поблагодарили: 77 раз
Схема отключения габаритов при включении ближнего света.
Поиском пользовался, темы читал, так и не нашел ответа, хотя вроде ответ должен быть на поверхности.
Если искал плохо - дайте ссылочку.
Задача: дайте пожалуйста схемку (чем проще тем лучше), чтобы реализовать выключение габаритных огней при включении ближнего/дальнего света (ни какие автоматические включения при запуске двигателя не нужны).
Теперь зачем это надо.
Буду делать ретрофит в фары. Линзы, блоки, лампы, бленды уже есть.
У уважаемого Фокса подсмотрел идейку по установке в линзу светодиодной ленты. Идея понравилась. Подключил посмотрел - со стороны линза "горит" равномерным достаточной яркости светом. "Работает" именно как габариты, по направленности пучка может даже и как DRL, но по яркости как габариты.
Так вот при включении ближнего или дальнего света (ксенона), свет от светодиодной ленты абсолютно бесполезен, т.к. ксенон его полностью перебивает и целесообразно (с целью продления жизни светодиодов) было бы ленту выключать.
На ум пока кроме реле "нормально замкнутого" (при подаче на которое напряжения от ближнего/дальнего, размыкаются контакты и габариты гаснут) ничего не приходит.
Если искал плохо - дайте ссылочку.
Задача: дайте пожалуйста схемку (чем проще тем лучше), чтобы реализовать выключение габаритных огней при включении ближнего/дальнего света (ни какие автоматические включения при запуске двигателя не нужны).
Теперь зачем это надо.
Буду делать ретрофит в фары. Линзы, блоки, лампы, бленды уже есть.
У уважаемого Фокса подсмотрел идейку по установке в линзу светодиодной ленты. Идея понравилась. Подключил посмотрел - со стороны линза "горит" равномерным достаточной яркости светом. "Работает" именно как габариты, по направленности пучка может даже и как DRL, но по яркости как габариты.
Так вот при включении ближнего или дальнего света (ксенона), свет от светодиодной ленты абсолютно бесполезен, т.к. ксенон его полностью перебивает и целесообразно (с целью продления жизни светодиодов) было бы ленту выключать.
На ум пока кроме реле "нормально замкнутого" (при подаче на которое напряжения от ближнего/дальнего, размыкаются контакты и габариты гаснут) ничего не приходит.
MPS 2007, 4D56, МКПП, бодик 6-4 см., пружины от сафаря, рулевой демпфер Rancho, верхние рычаги LK Truck, шнорк, Duratrack+HKPL LT2 285/75/16, COMEUP 9,5DS.
Бортжурнал на Drive2
Бортжурнал на Drive2
- SNOOPER
- Модератор
- Сообщения: 57351
- Зарегистрирован: 11 дек 2004, 19:49
- Двигатель:: 4D56
- Мой автомобиль(и):: NewMPS
- Откуда: 78
- Откуда: Spb
- Благодарил (а): 1023 раза
- Поблагодарили: 4772 раза
Re: Схема отключения габаритов при включении ближнего света.
Так так и сделай, дёшего и сердито. Зачем огород городить.
- M@veric
- Сообщения: 2340
- Зарегистрирован: 22 окт 2009, 17:56
- Двигатель:: 4D56
- Мой автомобиль(и):: Pajero Sport
- Откуда: Murmansk
- Благодарил (а): 38 раз
- Поблагодарили: 77 раз
Re: Схема отключения габаритов при включении ближнего света.
А управляющий сигнал-напряжение от ближнего/дальнего тупо на один контакт реле заводить что ли?SNOOPER писал(а):Так так и сделай, дёшего и сердито. Зачем огород городить.
Че-то сообразить не могу?
Или поскольку у меня в схеме питания ксенона будет "релюха" специальная стоять, которая не отключает ближний при включении дальнего (би-ксеноновый модуль), то тупо плюс с ближнего и брать? Короче че-то я немного туплю.
MPS 2007, 4D56, МКПП, бодик 6-4 см., пружины от сафаря, рулевой демпфер Rancho, верхние рычаги LK Truck, шнорк, Duratrack+HKPL LT2 285/75/16, COMEUP 9,5DS.
Бортжурнал на Drive2
Бортжурнал на Drive2
- SNOOPER
- Модератор
- Сообщения: 57351
- Зарегистрирован: 11 дек 2004, 19:49
- Двигатель:: 4D56
- Мой автомобиль(и):: NewMPS
- Откуда: 78
- Откуда: Spb
- Благодарил (а): 1023 раза
- Поблагодарили: 4772 раза
Re: Схема отключения габаритов при включении ближнего света.
Так там вроде как плюс постоянный переключение минусом. Так что проблем нет.
- M@veric
- Сообщения: 2340
- Зарегистрирован: 22 окт 2009, 17:56
- Двигатель:: 4D56
- Мой автомобиль(и):: Pajero Sport
- Откуда: Murmansk
- Благодарил (а): 38 раз
- Поблагодарили: 77 раз
Re: Схема отключения габаритов при включении ближнего света.
Где там? Ты про би-модуль или про ближний/дальний родным галогеном?SNOOPER писал(а):Так там вроде как плюс постоянный переключение минусом. Так что проблем нет.
Я не догнал. Если можно немного подробно на пальцах.
MPS 2007, 4D56, МКПП, бодик 6-4 см., пружины от сафаря, рулевой демпфер Rancho, верхние рычаги LK Truck, шнорк, Duratrack+HKPL LT2 285/75/16, COMEUP 9,5DS.
Бортжурнал на Drive2
Бортжурнал на Drive2
- SNOOPER
- Модератор
- Сообщения: 57351
- Зарегистрирован: 11 дек 2004, 19:49
- Двигатель:: 4D56
- Мой автомобиль(и):: NewMPS
- Откуда: 78
- Откуда: Spb
- Благодарил (а): 1023 раза
- Поблагодарили: 4772 раза
Re: Схема отключения габаритов при включении ближнего света.
Там это на Паджеро Спорт.
Тоесть при включении фар на колодке лампы появляется постоянный плюс. При переключении режима дальний/ближний, меняются активные массы на лампе.
Тоесть при включении фар на колодке лампы появляется постоянный плюс. При переключении режима дальний/ближний, меняются активные массы на лампе.
- Hidemon
- Сообщения: 2565
- Зарегистрирован: 09 фев 2008, 22:00
- Двигатель:: 4n15
- Мой автомобиль(и):: PaSport III 2.4
- Откуда: Отсюда
- Откуда: Москва
- Благодарил (а): 43 раза
- Поблагодарили: 99 раз
Re: Схема отключения габаритов при включении ближнего света.
не совсем так: на лампу приходит "+" на нити накала, а вот реле ближнего и дальнего управляются минусом, который приходит с ETACS-ESU . http://faq.out-club.ru/download/pajero_ ... C00ENG.pdfSNOOPER писал(а):Там это на Паджеро Спорт.
Тоесть при включении фар на колодке лампы появляется постоянный плюс. При переключении режима дальний/ближний, меняются активные массы на лампе.
Можно, как вариант, провода, идущие к лампе через 2 диода посадить на управляющую катушку НЗ реле, контактами которого надо рвать габариты (причем не полностью, а только передние, а то будет "красивый ара-тюнинх").
Mitsubishi Pajero Sport 2005г.в. 6G72, V4A51-5-DB, ABS уехал в Сибирь
Mitsubishi PaSport 2.5 2010 г.в. 4D56; 100500; Nexus 7; Pioneer DEH-80PRS кнопки на руле; TC-750.
PaSportIII 2.4
Mitsubishi PaSport 2.5 2010 г.в. 4D56; 100500; Nexus 7; Pioneer DEH-80PRS кнопки на руле; TC-750.
PaSportIII 2.4
- кот 989
- Сообщения: 456
- Зарегистрирован: 16 ноя 2009, 12:25
- Двигатель:: 4D56
- Мой автомобиль(и):: МПСпорт 2001г
- Откуда: Самара
- Благодарил (а): 12 раз
- Поблагодарили: 23 раза
Re: Схема отключения габаритов при включении ближнего света.
M@veric, добрый день. Вот так в 2010-11 году все реализовывали на МПС-ах "ближний-с-дальним" по подсказке местного гуру...M@veric писал(а):в схеме питания ксенона будет "релюха" специальная стоять, которая не отключает ближний при включении дальнегоSNOOPER писал(а):Так так и сделай, дёшего и сердито. Зачем огород городить.
Да-да! Никаких реле, а просто перемычка между контактами на колодке подрулевого переключателя!
Sport 2001 года, 4D56, МКПП.
- Hidemon
- Сообщения: 2565
- Зарегистрирован: 09 фев 2008, 22:00
- Двигатель:: 4n15
- Мой автомобиль(и):: PaSport III 2.4
- Откуда: Отсюда
- Откуда: Москва
- Благодарил (а): 43 раза
- Поблагодарили: 99 раз
Re: Схема отключения габаритов при включении ближнего света.
кот 989, а что это за схема? Откуда она?
Mitsubishi Pajero Sport 2005г.в. 6G72, V4A51-5-DB, ABS уехал в Сибирь
Mitsubishi PaSport 2.5 2010 г.в. 4D56; 100500; Nexus 7; Pioneer DEH-80PRS кнопки на руле; TC-750.
PaSportIII 2.4
Mitsubishi PaSport 2.5 2010 г.в. 4D56; 100500; Nexus 7; Pioneer DEH-80PRS кнопки на руле; TC-750.
PaSportIII 2.4
- M@veric
- Сообщения: 2340
- Зарегистрирован: 22 окт 2009, 17:56
- Двигатель:: 4D56
- Мой автомобиль(и):: Pajero Sport
- Откуда: Murmansk
- Благодарил (а): 38 раз
- Поблагодарили: 77 раз
Re: Схема отключения габаритов при включении ближнего света.
кот 989 у меня не стоит задача при переходе с ближнего на дальний не выключать ближний!кот 989 писал(а): M@veric, добрый день. Вот так в 2010-11 году все реализовывали на МПС-ах "ближний-с-дальним" по подсказке местного гуру...
Да-да! Никаких реле, а просто перемычка между контактами на колодке подрулевого переключателя!
Для этого у меня уже приобретен комплект готовой проводки под ксенон с разъемом Н4 папа, с разъемами на блоки розжига с выводами для активации шторки би-модуля итд.
У меня задачка добиться выключения габаритов при включении ближнего и дальнего света.
Для чего отключать - описано в 1-ом посте.
MPS 2007, 4D56, МКПП, бодик 6-4 см., пружины от сафаря, рулевой демпфер Rancho, верхние рычаги LK Truck, шнорк, Duratrack+HKPL LT2 285/75/16, COMEUP 9,5DS.
Бортжурнал на Drive2
Бортжурнал на Drive2
- SNOOPER
- Модератор
- Сообщения: 57351
- Зарегистрирован: 11 дек 2004, 19:49
- Двигатель:: 4D56
- Мой автомобиль(и):: NewMPS
- Откуда: 78
- Откуда: Spb
- Благодарил (а): 1023 раза
- Поблагодарили: 4772 раза
Re: Схема отключения габаритов при включении ближнего света.
Не надо никаких реле, диодов, и прочей лабуды.M@veric писал(а):А управляющий сигнал-напряжение от ближнего/дальнего тупо на один контакт реле заводить что ли?SNOOPER писал(а):Так так и сделай, дёшего и сердито. Зачем огород городить.
Че-то сообразить не могу?
Или поскольку у меня в схеме питания ксенона будет "релюха" специальная стоять, которая не отключает ближний при включении дальнего (би-ксеноновый модуль), то тупо плюс с ближнего и брать? Короче че-то я немного туплю.
Блок розжига вешаешь на постоянный плюс и массу кузова. Ксенон будет гореть всегда, пока включены фары.
Для переключения дальний/ближний. Подключаешь шторку между постоянным плюсом куда подключен блок, и массой появляющейся на разъёме при включении дальнего света. Так же между этим плюсом и массой кузова вешаешь нормально замкнутое реле, которое будет рубить твои габариты.
Количество необходимых деталей, два реле, и мение 0.5м провода. Коммутируешь всё на каждой фаре.
- SNOOPER
- Модератор
- Сообщения: 57351
- Зарегистрирован: 11 дек 2004, 19:49
- Двигатель:: 4D56
- Мой автомобиль(и):: NewMPS
- Откуда: 78
- Откуда: Spb
- Благодарил (а): 1023 раза
- Поблагодарили: 4772 раза
Re: Схема отключения габаритов при включении ближнего света.
От первого Спорта.Hidemon писал(а):кот 989, а что это за схема? Откуда она?
- M@veric
- Сообщения: 2340
- Зарегистрирован: 22 окт 2009, 17:56
- Двигатель:: 4D56
- Мой автомобиль(и):: Pajero Sport
- Откуда: Murmansk
- Благодарил (а): 38 раз
- Поблагодарили: 77 раз
Re: Схема отключения габаритов при включении ближнего света.
а эта схема тогда получеается неправильная?SNOOPER писал(а): Блок розжига вешаешь на постоянный плюс и массу кузова. Ксенон будет гореть всегда, пока включены фары.
Для переключения дальний/ближний. Подключаешь шторку между постоянным плюсом куда подключен блок, и массой появляющейся на разъёме при включении дальнего света.
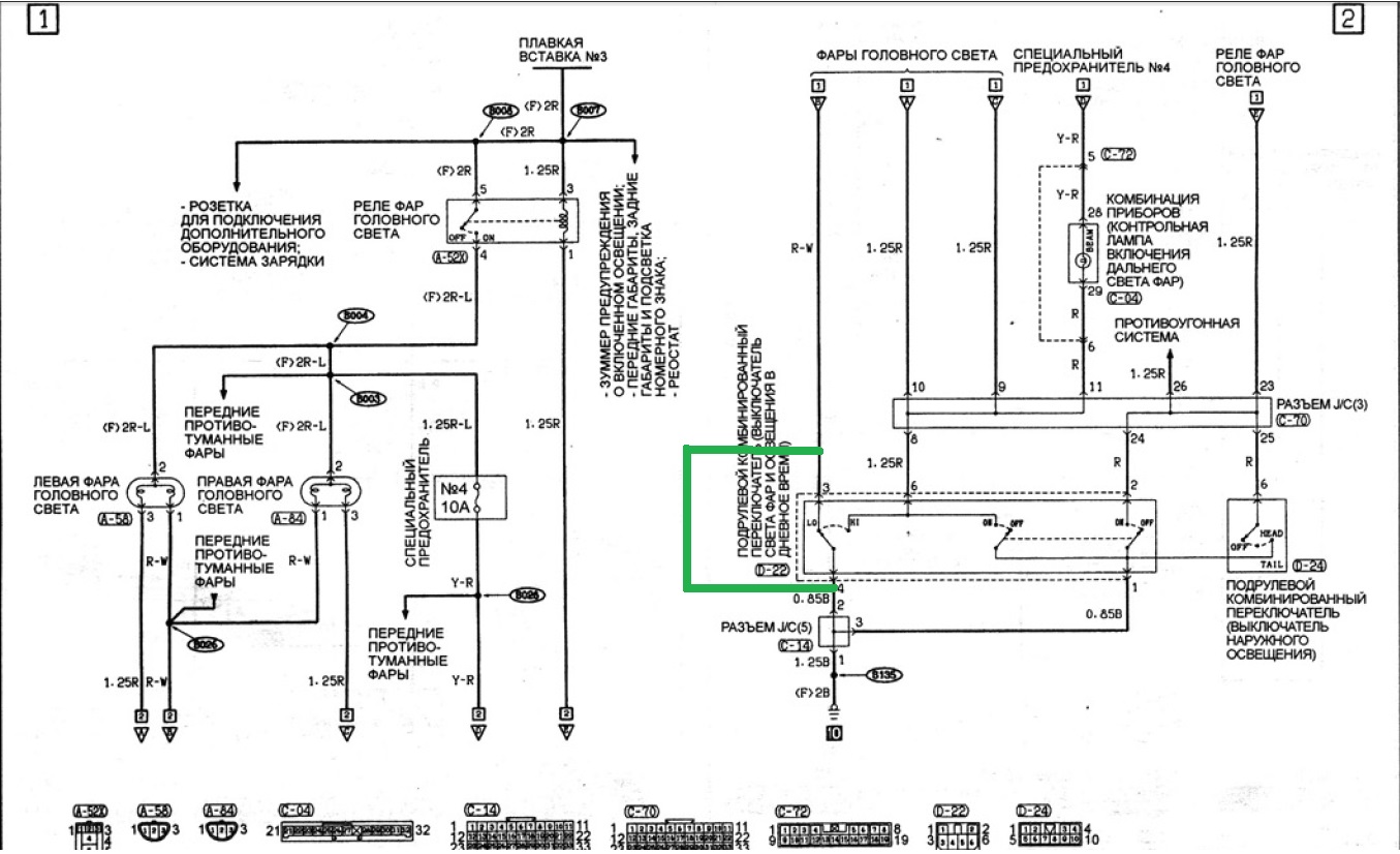
http://faq.out-club.ru/download/pajero_ ... C00ENG.pdf
по ней все-таки постоянная масса у ламп и подающиеся плюсы через 10А предохранители после реле.
Мысль ясна. На каждую фару нормально замкнутое реле в разрыв плюсового контакта цепи габаритов, а управление = масса и плюс идущий на блок розжига.SNOOPER писал(а): Так же между этим плюсом и массой кузова вешаешь нормально замкнутое реле, которое будет рубить твои габариты.
Количество необходимых деталей, два реле, и мение 0.5м провода. Коммутируешь всё на каждой фаре.
Спасибо!
MPS 2007, 4D56, МКПП, бодик 6-4 см., пружины от сафаря, рулевой демпфер Rancho, верхние рычаги LK Truck, шнорк, Duratrack+HKPL LT2 285/75/16, COMEUP 9,5DS.
Бортжурнал на Drive2
Бортжурнал на Drive2
- homa70
- Сообщения: 545
- Зарегистрирован: 05 дек 2010, 18:57
- Двигатель:: 4M40
- Мой автомобиль(и):: МП 2 1997
- Откуда: г. Урюпинск
- Откуда: Урюпинск(и это правда)
- Благодарил (а): 4 раза
- Поблагодарили: 33 раза
Re: Схема отключения габаритов при включении ближнего света.
Насколько я понял ТС хочет включать светодиоды в качестве габаритов. Поэтому достаточно будет подключить + светодиодов на габарит, а - к проводу фары на котором появляется + при включении фар (т.к. ток потребления диодами очень мал). При включенных габаритах + идет с провода габаритов, а - через лампы фар. При включении фар + идет от габаритов и с фар идет + в результате светодиоды тухнут.
МП2 1997 5 дв 4М40 SS R/D lock ручка webasto 32X11.5 R15 MJ-300 мой первый дизель и джип
- SNOOPER
- Модератор
- Сообщения: 57351
- Зарегистрирован: 11 дек 2004, 19:49
- Двигатель:: 4D56
- Мой автомобиль(и):: NewMPS
- Откуда: 78
- Откуда: Spb
- Благодарил (а): 1023 раза
- Поблагодарили: 4772 раза
Re: Схема отключения габаритов при включении ближнего света.
Эта схема на Спорт 09-11, даже название файла об этом говорит.M@veric писал(а): а эта схема тогда получеается неправильная?
http://faq.out-club.ru/download/pajero_ ... C00ENG.pdf
по ней все-таки постоянная масса у ламп и подающиеся плюсы через 10А предохранители после реле.
Схема выше в теме
- M@veric
- Сообщения: 2340
- Зарегистрирован: 22 окт 2009, 17:56
- Двигатель:: 4D56
- Мой автомобиль(и):: Pajero Sport
- Откуда: Murmansk
- Благодарил (а): 38 раз
- Поблагодарили: 77 раз
Re: Схема отключения габаритов при включении ближнего света.
3 раза перечитал, мозк вскипелhoma70 писал(а):Насколько я понял ТС хочет включать светодиоды в качестве габаритов. Поэтому достаточно будет подключить + светодиодов на габарит, а - к проводу фары на котором появляется + при включении фар (т.к. ток потребления диодами очень мал). При включенных габаритах + идет с провода габаритов, а - через лампы фар. При включении фар + идет от габаритов и с фар идет + в результате светодиоды тухнут.
Все проще и написано выше.
Проводка габаритов останется почти в штате.
Плюс габарита режется у каждой фары и в его разрыв ставится нормально замкнутое реле.
В этом состоянии цепь габаритов будет по прежнему работать. То есть при включении переключателя габаритов, они будут включаться, а при его выключении - выключаться.
При этом при включении ксенона подается + на блок розжига, этот плюс также будет подаваться на управляющую цепь нормально замкнутого реле и тем самым он это реле будет размыкать. Соответственно цепь габаритов будет разрываться посредством реле = габариты не горят при включении ксенона. Что и требовалось.
MPS 2007, 4D56, МКПП, бодик 6-4 см., пружины от сафаря, рулевой демпфер Rancho, верхние рычаги LK Truck, шнорк, Duratrack+HKPL LT2 285/75/16, COMEUP 9,5DS.
Бортжурнал на Drive2
Бортжурнал на Drive2
- homa70
- Сообщения: 545
- Зарегистрирован: 05 дек 2010, 18:57
- Двигатель:: 4M40
- Мой автомобиль(и):: МП 2 1997
- Откуда: г. Урюпинск
- Откуда: Урюпинск(и это правда)
- Благодарил (а): 4 раза
- Поблагодарили: 33 раза
Re: Схема отключения габаритов при включении ближнего света.
Предлагаю ничего не резать и не устанавливать доп реле.M@veric писал(а):3 раза перечитал, мозк вскипелhoma70 писал(а):подключить + светодиодов на габарит, а - к проводу фары на котором появляется + при включенных фарах![]()
Все проще и написано выше.
Проводка габаритов останется почти в штате.
Плюс габарита режется у каждой фары и в его разрыв ставится нормально замкнутое реле.
В этом состоянии цепь габаритов будет по прежнему работать. То есть при включении переключателя габаритов, они будут включаться, а при его выключении - выключаться.
При этом при включении ксенона подается + на блок розжига, этот плюс также будет подаваться на управляющую цепь нормально замкнутого реле и тем самым он это реле будет размыкать. Соответственно цепь габаритов будет разрываться посредством реле = габариты не горят при включении ксенона. Что и требовалось.
МП2 1997 5 дв 4М40 SS R/D lock ручка webasto 32X11.5 R15 MJ-300 мой первый дизель и джип
- M@veric
- Сообщения: 2340
- Зарегистрирован: 22 окт 2009, 17:56
- Двигатель:: 4D56
- Мой автомобиль(и):: Pajero Sport
- Откуда: Murmansk
- Благодарил (а): 38 раз
- Поблагодарили: 77 раз
Re: Схема отключения габаритов при включении ближнего света.
С чего вы взяли, что на одном из контактов колодки лампы н4 полярность меняется с - на +.homa70 писал(а): Предлагаю ничего не резать и не устанавливать доп реле.
Суть предложенной вами идеи ведь состоит в этом?!
MPS 2007, 4D56, МКПП, бодик 6-4 см., пружины от сафаря, рулевой демпфер Rancho, верхние рычаги LK Truck, шнорк, Duratrack+HKPL LT2 285/75/16, COMEUP 9,5DS.
Бортжурнал на Drive2
Бортжурнал на Drive2
- homa70
- Сообщения: 545
- Зарегистрирован: 05 дек 2010, 18:57
- Двигатель:: 4M40
- Мой автомобиль(и):: МП 2 1997
- Откуда: г. Урюпинск
- Откуда: Урюпинск(и это правда)
- Благодарил (а): 4 раза
- Поблагодарили: 33 раза
Re: Схема отключения габаритов при включении ближнего света.
Полярность не меняется. Плюс появляется при включении головного света, а минуса для диода достаточно через спираль лампочки, (или блока розжига) которая подключена к массе через подрулевой выключатель.M@veric писал(а):С чего вы взяли, что на одном из контактов колодки лампы н4 полярность меняется с - на +.homa70 писал(а): Предлагаю ничего не резать и не устанавливать доп реле.
Суть предложенной вами идеи ведь состоит в этом?!
МП2 1997 5 дв 4М40 SS R/D lock ручка webasto 32X11.5 R15 MJ-300 мой первый дизель и джип
- SNOOPER
- Модератор
- Сообщения: 57351
- Зарегистрирован: 11 дек 2004, 19:49
- Двигатель:: 4D56
- Мой автомобиль(и):: NewMPS
- Откуда: 78
- Откуда: Spb
- Благодарил (а): 1023 раза
- Поблагодарили: 4772 раза
Re: Схема отключения габаритов при включении ближнего света.
В принципе да, но терзают сомнения что через блок розжига будет масса достаточная для диодной ленты, и её полноценной работы, ибо на ней уже установлены гасящие диоды. Хотя попробовать можно.homa70 писал(а): Полярность не меняется. Плюс появляется при включении головного света, а минуса для диода достаточно через спираль лампочки, (или блока розжига) которая подключена к массе через подрулевой выключатель.
