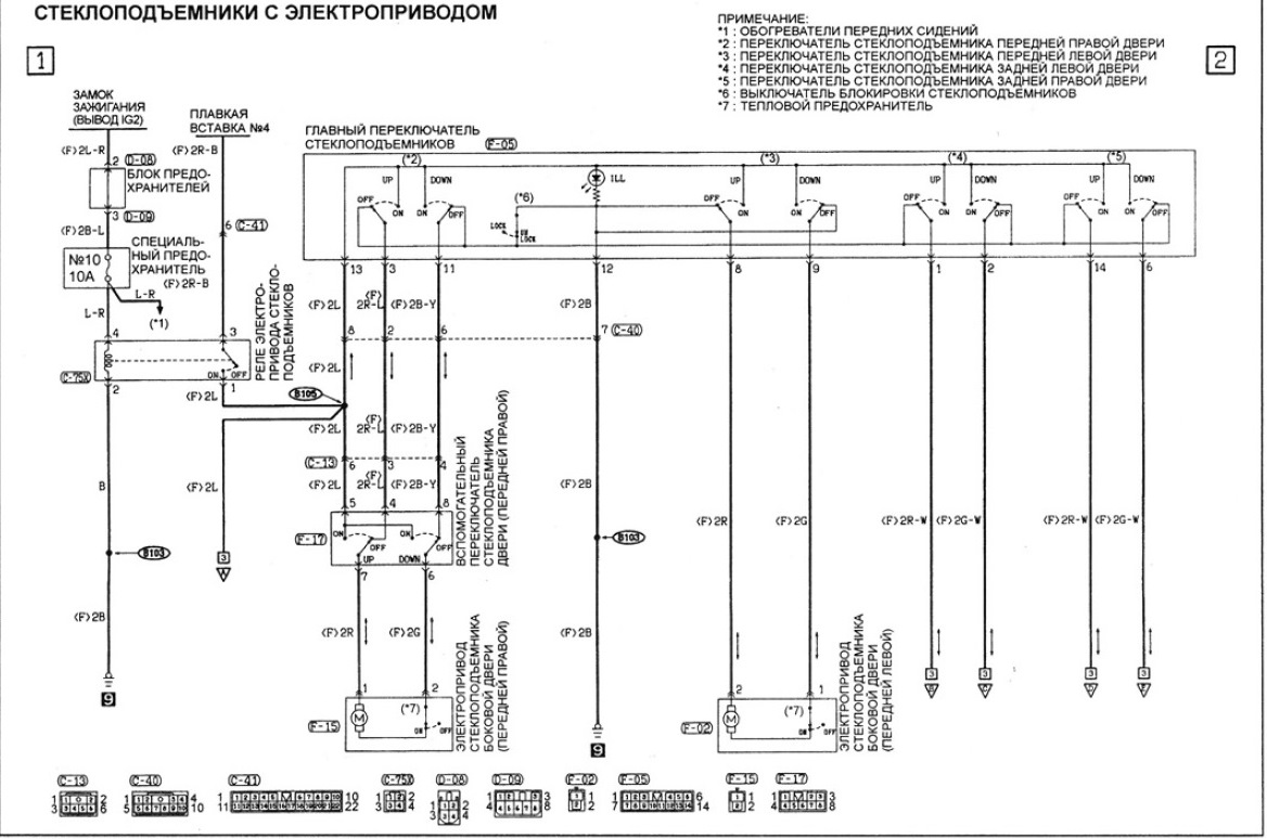
Эл. схема блока управления стеклоподъемниками
Модераторы: SNOOPER, Nbf, Romik, BAlex
-
Вездеход
- Сообщения: 69
- Зарегистрирован: 05 окт 2007, 17:26
- Двигатель:: 6G72
- Мой автомобиль(и):: MMC 2000г
- Откуда: Краснодар
- Откуда: Краснодар
- Благодарил (а): 1 раз
- Контактная информация:
Эл. схема блока управления стеклоподъемниками
Есть у кого? Авто - ММС 2000г Вчера умер - сразу после включения зажигания принудительно опускает водительское стекло и больше не поднимает. Если просто отключить двигатель водительского стеклоподъемника, то и остальные стеклоподъемнки перестают работать. Приходится ездить с закрытыми окнами, а уже жарко (((
ММС 2000г. 3л, 6G72 24v, АКПП
-
АВ Цезарь
- Сообщения: 57
- Зарегистрирован: 05 авг 2013, 13:31
- Двигатель:: 4D56T
- Мой автомобиль(и):: Митсубиси паджеро спорт 1999
- Откуда: Атырау
- Благодарил (а): 3 раза
Re: Эл. схема блока управления стеклоподъемниками
Вскрой блок управления посмотри мож дорожка перегорела.
Или вариант 2 проверь проводку ту что подходит к водительской двери и внутри нее.
Или вариант 2 проверь проводку ту что подходит к водительской двери и внутри нее.
- кот 989
- Сообщения: 456
- Зарегистрирован: 16 ноя 2009, 12:25
- Двигатель:: 4D56
- Мой автомобиль(и):: МПСпорт 2001г
- Откуда: Самара
- Благодарил (а): 12 раз
- Поблагодарили: 23 раза
Re: Эл. схема блока управления стеклоподъемниками
Вездеход, с Праздником!Вездеход писал(а):Есть у кого? Авто - ММС 2000г Вчера умер - сразу после включения зажигания принудительно опускает водительское стекло и больше не поднимает. Если просто отключить двигатель водительского стеклоподъемника, то и остальные стеклоподъемнки перестают работать. Приходится ездить с закрытыми окнами, а уже жарко (((
Если не нашлись схемы - то вот:
Sport 2001 года, 4D56, МКПП.
