TRT - Вдоль р.Киржач. Для стандартных 4х4 (08.11.25) Форум Обсуждение FAQ

Подскажите номер трубки кондиционера или на схеме

Общие вопросы про Mitsubishi Pajero. Вопросы по двигателю задавать ниже!
Вопросы по покупке машины в теме "Покупка Pajero"

Модераторы: SNOOPER, Nbf, Romik, BAlex, drcham, алексей - Маленький Мук

Ответить
Аватара пользователя
solmasters
Сообщения: 213
Зарегистрирован: 02 апр 2010, 18:20
Двигатель:: 6G74 SOHC
Мой автомобиль(и):: Pajero III
Откуда: Москва
Откуда: Москва
Благодарил (а): 3 раза
Поблагодарили: 1 раз
Контактная информация:

Подскажите номер трубки кондиционера или на схеме

Сообщение solmasters »

Друзья!

Приговорили мне трубку кондея на моем Pajero 2. Да и сам вижу, что масло сочится. Проблема в том, что ни я, ни кондейщики не смогли идентифицировать эту трубку на схеме на japancats.ru. Так что я прошу помощи зала, вдруг кто сталкивался.

Трубка находится под капотом, спереди слева (по ходу движения авто) "бутерброда" из радиатора двигателя и радиатора кондея (конденсора?), идёт от низа радиатора кондиционера не помню куда :(, сверху закреплена хомутиком, под которым и протерлась, как я понял. Слышал, что это частая проблема на паджериках. На IMG_20140601_202041.jpg тот самый хомутик как раз.

Заранее спасибо за помощь.
Вложения
IMG_20140601_201945.jpg
IMG_20140601_202000.jpg
Трубка идёт снизу радиатора кондиционера
Трубка идёт снизу радиатора кондиционера
Тот самый хомутик
Тот самый хомутик
Схема с japancats.ru
Схема с japancats.ru
Последний раз редактировалось solmasters 01 июл 2014, 10:17, всего редактировалось 1 раз.
Фёдор.
Pajero III, 2003 г.в., 6G74 SOHC, АКПП - о нём тут
Pajero II, 1995 г.в., 6G74 DOHC, АКПП, BFG M/T 33", ComeUp 9500, багажник, рация - погиб
Аватара пользователя
Серега Сахалин
Сообщения: 1494
Зарегистрирован: 01 дек 2009, 05:31
Двигатель:: D4BF (2016)
Мой автомобиль(и):: Pajero-2, 91г
Откуда: Сахалинская область
Откуда: Северный Сахалин
Благодарил (а): 79 раз
Поблагодарили: 65 раз

Re: Подскажите номер трубки кондиционера или на схеме

Сообщение Серега Сахалин »

CImage.png
может эта картинка правильная?

тут две трубки - на вход и выход с испарителя.
[NXF]G2(SS4) 5FM/T, V44W 2,5TD DEFA,руль МОМО,сигнал MITSUBA, подогрев зеркал.
фары PARDE, шнорк. SAFARY, шериф, ген. 110А,диски СКАД 7JJх16 ЕТ20 PCD6х139,7 DIA109,7
COOPER DISC. STT PRO 235/85 R16//Nokian Hakkapeliitta LT3 265 75 R16
Аватара пользователя
solmasters
Сообщения: 213
Зарегистрирован: 02 апр 2010, 18:20
Двигатель:: 6G74 SOHC
Мой автомобиль(и):: Pajero III
Откуда: Москва
Откуда: Москва
Благодарил (а): 3 раза
Поблагодарили: 1 раз
Контактная информация:

Re: Подскажите номер трубки кондиционера или на схеме

Сообщение solmasters »

Да не, испаритель - это в салоне, а у меня трубка под капотом. Сейчас допишу в первом посте, а то действительно непонятно.
Фёдор.
Pajero III, 2003 г.в., 6G74 SOHC, АКПП - о нём тут
Pajero II, 1995 г.в., 6G74 DOHC, АКПП, BFG M/T 33", ComeUp 9500, багажник, рация - погиб
Аватара пользователя
Серега Сахалин
Сообщения: 1494
Зарегистрирован: 01 дек 2009, 05:31
Двигатель:: D4BF (2016)
Мой автомобиль(и):: Pajero-2, 91г
Откуда: Сахалинская область
Откуда: Северный Сахалин
Благодарил (а): 79 раз
Поблагодарили: 65 раз

Re: Подскажите номер трубки кондиционера или на схеме

Сообщение Серега Сахалин »

CImage (2).png
тогда на этой схеме трубки конденсора

вход и выход
Аватара пользователя
solmasters
Сообщения: 213
Зарегистрирован: 02 апр 2010, 18:20
Двигатель:: 6G74 SOHC
Мой автомобиль(и):: Pajero III
Откуда: Москва
Откуда: Москва
Благодарил (а): 3 раза
Поблагодарили: 1 раз
Контактная информация:

Re: Подскажите номер трубки кондиционера или на схеме

Сообщение solmasters »

Серега Сахалин писал(а):вход и выход
Эта схема, когда есть ВТОРОЙ конденсор, у меня нет. Я тоже сначала "схватился" за эти трубки, но во-первых у них форма не соответствует фактической, а во-вторых они на схеме того узла, которого у меня нет. Хотя 87051C я подозревал, да.
Фёдор.
Pajero III, 2003 г.в., 6G74 SOHC, АКПП - о нём тут
Pajero II, 1995 г.в., 6G74 DOHC, АКПП, BFG M/T 33", ComeUp 9500, багажник, рация - погиб
Аватара пользователя
Серега Сахалин
Сообщения: 1494
Зарегистрирован: 01 дек 2009, 05:31
Двигатель:: D4BF (2016)
Мой автомобиль(и):: Pajero-2, 91г
Откуда: Сахалинская область
Откуда: Северный Сахалин
Благодарил (а): 79 раз
Поблагодарили: 65 раз

Re: Подскажите номер трубки кондиционера или на схеме

Сообщение Серега Сахалин »

так правильно с двойным кондиционером, я по своему VIN смотрю, твоего -то не знаю....
vl66
Сообщения: 148
Зарегистрирован: 05 апр 2013, 21:04
Двигатель:: 6g72
Мой автомобиль(и):: паджеро2
Откуда: екатеринбург
Поблагодарили: 1 раз

Re: Подскажите номер трубки кондиционера или на схеме

Сообщение vl66 »

запаять/заварить не проще?
Аватара пользователя
Серега Сахалин
Сообщения: 1494
Зарегистрирован: 01 дек 2009, 05:31
Двигатель:: D4BF (2016)
Мой автомобиль(и):: Pajero-2, 91г
Откуда: Сахалинская область
Откуда: Северный Сахалин
Благодарил (а): 79 раз
Поблагодарили: 65 раз

Re: Подскажите номер трубки кондиционера или на схеме

Сообщение Серега Сахалин »

solmasters писал(а):
Серега Сахалин писал(а):вход и выход
Эта схема, когда есть ВТОРОЙ конденсор, у меня нет. Я тоже сначала "схватился" за эти трубки, но во-первых у них форма не соответствует фактической, а во-вторых они на схеме того узла, которого у меня нет. Хотя 87051C я подозревал, да.
- форма на схемах не соответствует фактической (это на всех схемах так, не обращай внимание на форму детали).

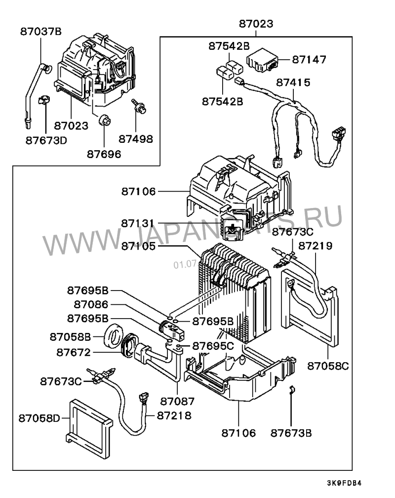
- вот схема для машины с одним кондиционером:
CImage (3).png
трубки конденсора:
87035В - трубка сброса теплого газообразного хладагента с компрессора на конденсор (входной патрубок в конденсор)
87051В - трубка выхода охлаждённого хладагента и конденсата из конденсора (выпускной патрубок из конденсора)

артикулы не смотрел пока, надо по твоему VIN проверить.
Аватара пользователя
solmasters
Сообщения: 213
Зарегистрирован: 02 апр 2010, 18:20
Двигатель:: 6G74 SOHC
Мой автомобиль(и):: Pajero III
Откуда: Москва
Откуда: Москва
Благодарил (а): 3 раза
Поблагодарили: 1 раз
Контактная информация:

Re: Подскажите номер трубки кондиционера или на схеме

Сообщение solmasters »

vl66 писал(а):запаять/заварить не проще?
Да вот мне тоже кажется, что можно, но что-то кондейщики не предлагали.
Серега Сахалин писал(а):трубки конденсора:
87035В - трубка сброса теплого газообразного хладагента с компрессора на конденсор (входной патрубок в конденсор)
87051В - трубка выхода охлаждённого хладагента и конденсата из конденсора (выпускной патрубок из конденсора)

артикулы не смотрел пока, надо по твоему VIN проверить.
Я, если честно, тоже думаю на 87051B. А 87035B - это ШЛАНГ, т.е. не мой случай. Проблема только в том, что форма трубки 87051B (MB918362) - ВООБЩЕ не похожа на мою.
Фёдор.
Pajero III, 2003 г.в., 6G74 SOHC, АКПП - о нём тут
Pajero II, 1995 г.в., 6G74 DOHC, АКПП, BFG M/T 33", ComeUp 9500, багажник, рация - погиб
Аватара пользователя
Серега Сахалин
Сообщения: 1494
Зарегистрирован: 01 дек 2009, 05:31
Двигатель:: D4BF (2016)
Мой автомобиль(и):: Pajero-2, 91г
Откуда: Сахалинская область
Откуда: Северный Сахалин
Благодарил (а): 79 раз
Поблагодарили: 65 раз

Re: Подскажите номер трубки кондиционера или на схеме

Сообщение Серега Сахалин »

solmasters писал(а):
vl66 писал(а):запаять/заварить не проще?
Да вот мне тоже кажется, что можно, но что-то кондейщики не предлагали.
Серега Сахалин писал(а):трубки конденсора:
87035В - трубка сброса теплого газообразного хладагента с компрессора на конденсор (входной патрубок в конденсор)
87051В - трубка выхода охлаждённого хладагента и конденсата из конденсора (выпускной патрубок из конденсора)

артикулы не смотрел пока, надо по твоему VIN проверить.
Я, если честно, тоже думаю на 87051B. А 87035B - это ШЛАНГ, т.е. не мой случай. Проблема только в том, что форма трубки 87051B (MB918362) - ВООБЩЕ не похожа на мою.
:) форма трубки на схеме не обязательно соответствует фактической - это же не чертёж, а схема.
Mitsubishi MB918362 - оригинальная замена Mitsubishi 4461907290 - 1 тыс. примерно стоит.
а вот вторая 87035В (которая, говоришь, шланг) около 3 тыс.
[NXF]G2(SS4) 5FM/T, V44W 2,5TD DEFA,руль МОМО,сигнал MITSUBA, подогрев зеркал.
фары PARDE, шнорк. SAFARY, шериф, ген. 110А,диски СКАД 7JJх16 ЕТ20 PCD6х139,7 DIA109,7
COOPER DISC. STT PRO 235/85 R16//Nokian Hakkapeliitta LT3 265 75 R16
vl66
Сообщения: 148
Зарегистрирован: 05 апр 2013, 21:04
Двигатель:: 6g72
Мой автомобиль(и):: паджеро2
Откуда: екатеринбург
Поблагодарили: 1 раз

Re: Подскажите номер трубки кондиционера или на схеме

Сообщение vl66 »

как то странно...кондиционерщики из автоцентра?
можно поискать рефрижираторщиков......
или самостоятельно....газовая горелка(250р леруа мерлен). газовый балон(50р).400р . набор для пайки алюминия в магазах для холодильщиков(400р но чет давно не видел)/отдельно флюс+припой/флюслваный припой(30р пруток) но с ним танцы и бубен
цены на память
снять оттащить на агрон...но возможны сюрпризы при заправке....
Аватара пользователя
solmasters
Сообщения: 213
Зарегистрирован: 02 апр 2010, 18:20
Двигатель:: 6G74 SOHC
Мой автомобиль(и):: Pajero III
Откуда: Москва
Откуда: Москва
Благодарил (а): 3 раза
Поблагодарили: 1 раз
Контактная информация:

Re: Подскажите номер трубки кондиционера или на схеме

Сообщение solmasters »

vl66 писал(а):как то странно...кондиционерщики из автоцентра?
можно поискать рефрижираторщиков......
или самостоятельно....газовая горелка(250р леруа мерлен). газовый балон(50р).400р . набор для пайки алюминия в магазах для холодильщиков(400р но чет давно не видел)/отдельно флюс+припой/флюслваный припой(30р пруток) но с ним танцы и бубен
цены на память
снять оттащить на агрон...но возможны сюрпризы при заправке....
Ну собсно у меня в случае "ремонта" руками кондиционерщиков заправка будет бесплатная (т.н. "гарантийная"), а если делать на стороне - добавляется стоимость заправки, и опять же нет гарантий, что будет герметично.

Поэтому менять кондиционерщиков я не хочу, а вот напрячь их заварить трубку - попробую.
Фёдор.
Pajero III, 2003 г.в., 6G74 SOHC, АКПП - о нём тут
Pajero II, 1995 г.в., 6G74 DOHC, АКПП, BFG M/T 33", ComeUp 9500, багажник, рация - погиб
Аватара пользователя
solmasters
Сообщения: 213
Зарегистрирован: 02 апр 2010, 18:20
Двигатель:: 6G74 SOHC
Мой автомобиль(и):: Pajero III
Откуда: Москва
Откуда: Москва
Благодарил (а): 3 раза
Поблагодарили: 1 раз
Контактная информация:

Re: Подскажите номер трубки кондиционера или на схеме

Сообщение solmasters »

Опросил ещё раз кондиционерщиков, было сказано, что это часть магистрали высокого давления от компрессора к конденсору, та, которая непосредственно в конденсор "входит".

И тут мнения разделились. Менеджер в Exist считает, что это MB918521, a/c compressor discharge hose, а я вот думаю, что это MB918397 a/c compressor discharge pipe, так как совершенно отчётливо вижу, что у меня жесткая трубка, а не какой-то там шланг. На этот шланг, собственно, очень похожа первая часть магистрали, которая "выходит" из компрессора.

Единственное, что меня смущает в MB918521 (ну, кроме вида на схеме) - это то, что там написано в примечании "Opc: R43 : CAPACITY-UP DUAL A/C", а у меня никаким двойным кондиционеро и близко не пахнет.

Блин, неужели никто это трубку не менял?
Фёдор.
Pajero III, 2003 г.в., 6G74 SOHC, АКПП - о нём тут
Pajero II, 1995 г.в., 6G74 DOHC, АКПП, BFG M/T 33", ComeUp 9500, багажник, рация - погиб
Ответить

Вернуться в «Mitsubishi Pajero I и II общий»