Контроллер ламп дневного движения (http://2126.ru/autoelectr/drl).
Данный контроллер ламп дневного движения (DRL) при желании также может быть подключен к лампам ближнего света фар, противотуманным фарам, и к специальным светодиодным ходовым огням. НО Контроллер не может непосредственно управлять газоразрядными лампами, однако он может использоваться для управления галогеновыми лампами дальнего света при установленных дополнительных газоразрядных лампах ближнего света.
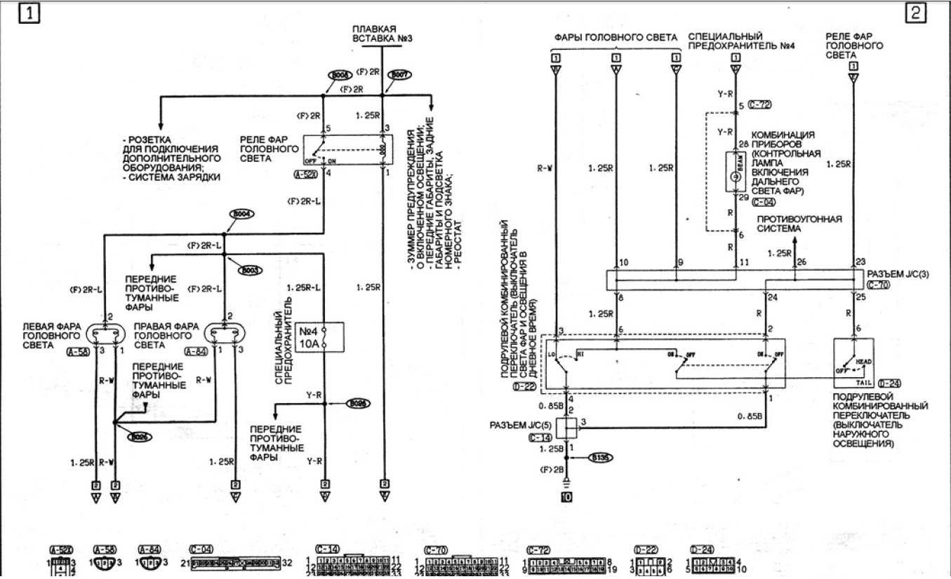
Хотя схема подкючения для Mitsubishi Pajero Sport New (MY 2010 2.5 TD АКПП) есть (http://e-auto.nethouse.ru/page/128530). У меня Mitsubishi Pajero Sport Ultimate 5 AT S03 (галогеновые лампы дальнего света и газоразрядные лампы ближнего света).
Подскажите куда подключить может к противотуманным фарам и как... где взять схему?????? какое реле отвечает за противотуманнык фары???
ВСЕМ ЗАРАНЕЕ СПАСИБО!!!
