с момента покупки машины не работает спидометр.
электронный поэтому несовсем понятно куда лезть
подскажите хоть с чего начать и где искать.Пробовал датчик поменять но он оказался с другой распиновкой, из старого датчика сделал переходник. все подключил но это не помогло
не работает спидометр
Модераторы: SNOOPER, Nbf, Romik, BAlex
- saper31
- Сообщения: 2403
- Зарегистрирован: 13 сен 2009, 19:17
- Двигатель:: 6G72
- Мой автомобиль(и):: MPSport
- Откуда: БЕЛГОРОД 31
- Благодарил (а): 3 раза
- Поблагодарили: 106 раз
Re: не работает спидометр
Если с датчиком скорости все хорошо, правильно установлен и с распиновкой не начудил - смотри проводку в жгуте от датчика скорости под днищем, возможно провод переломился
-
санёк))
- Сообщения: 215
- Зарегистрирован: 10 май 2014, 23:21
- Двигатель:: 4D56
- Мой автомобиль(и):: Pajero 2
- Откуда: Котельники
- Поблагодарили: 3 раза
Re: не работает спидометр
а не подскажеш они входят в салон в районе бардачка под магнитолой или я ошибаюсь?
- Deem-On
- Сообщения: 1014
- Зарегистрирован: 18 мар 2011, 17:49
- Двигатель:: 4M40
- Мой автомобиль(и):: Паджеро 2, был
- Откуда: Ярославль
- Благодарил (а): 8 раз
- Поблагодарили: 95 раз
Re: не работает спидометр
Подать на него сигнал от тахометрасанёк)) писал(а): как проверить спидометр на работоспособность?
П-2 1994 длинный,GLS,4М40,АКПП,SS,А/Т32"-увы, уже донор
-
санёк))
- Сообщения: 215
- Зарегистрирован: 10 май 2014, 23:21
- Двигатель:: 4D56
- Мой автомобиль(и):: Pajero 2
- Откуда: Котельники
- Поблагодарили: 3 раза
Re: не работает спидометр
где от тахометра импульс взять понял но куда на спидометр подцепить непонимаю там 4 выхода\
Может кто подскажет? страницы 43 и 53 и т.д
Может кто подскажет? страницы 43 и 53 и т.д
- Deem-On
- Сообщения: 1014
- Зарегистрирован: 18 мар 2011, 17:49
- Двигатель:: 4M40
- Мой автомобиль(и):: Паджеро 2, был
- Откуда: Ярославль
- Благодарил (а): 8 раз
- Поблагодарили: 95 раз
Re: не работает спидометр
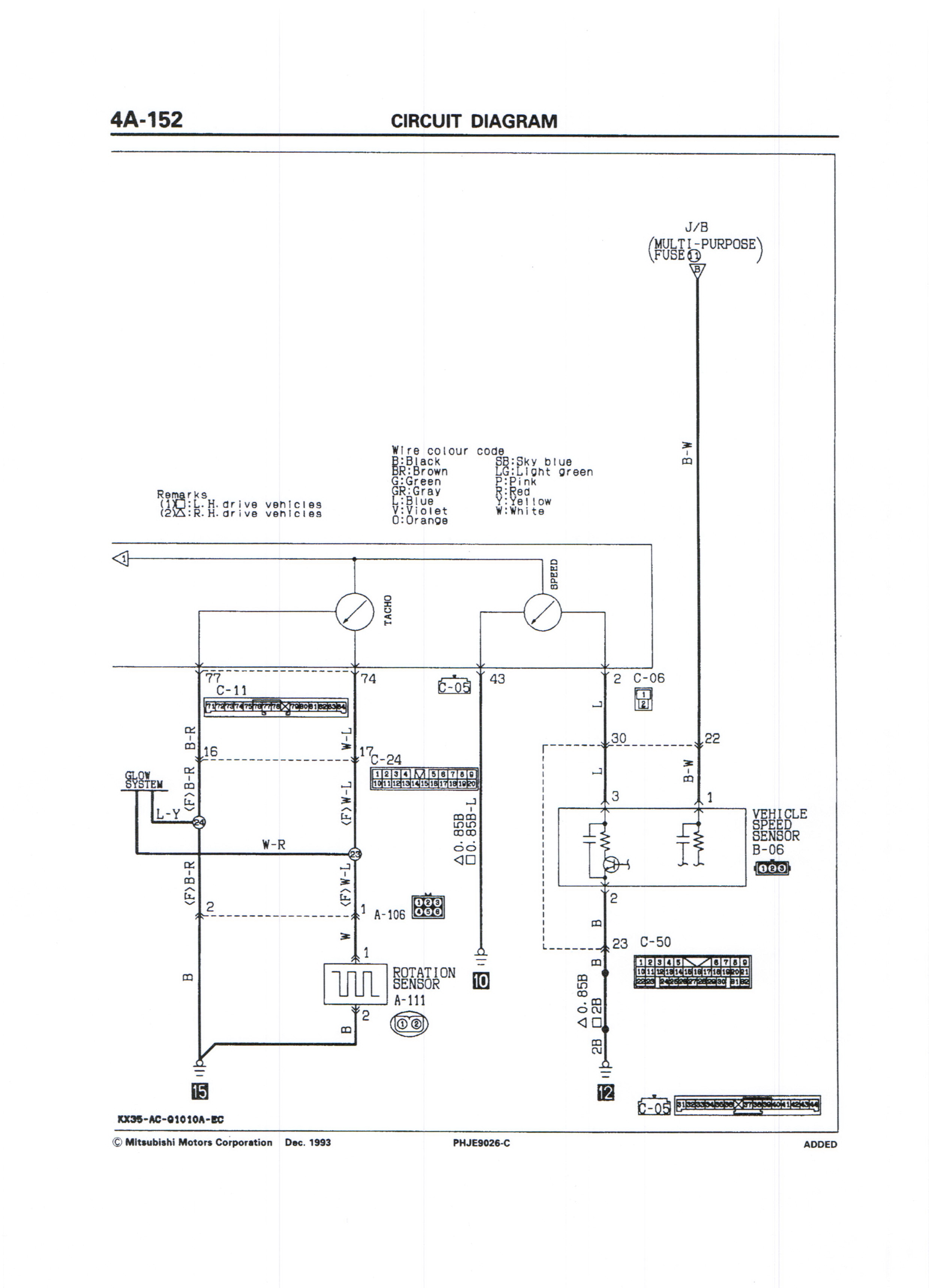
Не понял, о каких четырех выходах речь, и что за страницы 43 и 53. вот схема С разъема С-11 контакт 74 на разъем С-06 контакт 2санёк)) писал(а):где от тахометра импульс взять понял но куда на спидометр подцепить непонимаю там 4 выхода\
Может кто подскажет? страницы 43 и 53 и т.д
П-2 1994 длинный,GLS,4М40,АКПП,SS,А/Т32"-увы, уже донор
-
санёк))
- Сообщения: 215
- Зарегистрирован: 10 май 2014, 23:21
- Двигатель:: 4D56
- Мой автомобиль(и):: Pajero 2
- Откуда: Котельники
- Поблагодарили: 3 раза
Re: не работает спидометр
никакого эффекта не дало
неподскажите на какие провода что приходит на спидометр
неподскажите на какие провода что приходит на спидометр

