TRT - Вдоль р.Киржач. Для стандартных 4х4 (08.11.25) Форум Обсуждение FAQ
Распиновка сдандартной магнитолы
Модераторы: SNOOPER, Nbf, Romik, BAlex, drcham, DenVer
- Esen
- Сообщения: 452
- Зарегистрирован: 07 дек 2007, 00:25
- Откуда: Баку
- Благодарил (а): 21 раз
- Поблагодарили: 4 раза
Распиновка сдандартной магнитолы
Люди, а кто знает, где достать распиновку нужного разъема электрики для П3? Есть вообще в природе такая документация? Чисто логически, должна быть, наверное.
Pajero II коротыш, 97, рестайлинг, 2800 турбо интеркулер EFI
Simex ET 32x9,5-16, Aisin AI-1000, хобот РИФ, ARB locks rear+front, пневмосистема...
Pajero III 3.2 DID, 2006, длинный.
Simex ET 32x9,5-16, Aisin AI-1000, хобот РИФ, ARB locks rear+front, пневмосистема...
Pajero III 3.2 DID, 2006, длинный.
- Delika379
- Сообщения: 1579
- Зарегистрирован: 17 сен 2008, 21:33
- Двигатель:: D4 2,4TD
- Мой автомобиль(и):: Volvo xc70
- Откуда: Москва - Куркино
- Откуда: Москва-Куркино
- Благодарил (а): 6 раз
- Поблагодарили: 45 раз
- Контактная информация:
Re: распиновка сдандартной магнитолы 6 дисков не рокфорд
Может поможет
http://www.autopeople.ru/forum/mitsubis ... 20131.html
http://www.autopeople.ru/forum/mitsubis ... 20131.html
PAJERO IV 3.0 2008г.в АРАБ. Продан.
Евгений
Евгений
- Esen
- Сообщения: 452
- Зарегистрирован: 07 дек 2007, 00:25
- Откуда: Баку
- Благодарил (а): 21 раз
- Поблагодарили: 4 раза
Re: распиновка сдандартной магнитолы 6 дисков не рокфорд
Спасибо, но не то. Я вообще про разъемы информацию ищу. Например, интересует распиновка разъема Е10.
Pajero II коротыш, 97, рестайлинг, 2800 турбо интеркулер EFI
Simex ET 32x9,5-16, Aisin AI-1000, хобот РИФ, ARB locks rear+front, пневмосистема...
Pajero III 3.2 DID, 2006, длинный.
Simex ET 32x9,5-16, Aisin AI-1000, хобот РИФ, ARB locks rear+front, пневмосистема...
Pajero III 3.2 DID, 2006, длинный.
- Delika379
- Сообщения: 1579
- Зарегистрирован: 17 сен 2008, 21:33
- Двигатель:: D4 2,4TD
- Мой автомобиль(и):: Volvo xc70
- Откуда: Москва - Куркино
- Откуда: Москва-Куркино
- Благодарил (а): 6 раз
- Поблагодарили: 45 раз
- Контактная информация:
Re: распиновка сдандартной магнитолы 6 дисков не рокфорд
А в теме электрика посмотреть схемы ?
Не?
Не?
PAJERO IV 3.0 2008г.в АРАБ. Продан.
Евгений
Евгений
- Esen
- Сообщения: 452
- Зарегистрирован: 07 дек 2007, 00:25
- Откуда: Баку
- Благодарил (а): 21 раз
- Поблагодарили: 4 раза
Re: распиновка сдандартной магнитолы 6 дисков не рокфорд
Схемы у меня все есть. Всех годов. Надо именно распиновку разъемов. Один и тот же разъем может быть задействован в нескольких схемах, очень неудобно так искать. По логике, должен быть отдельный мануал с распиновкой. Только вот где его искать...
Pajero II коротыш, 97, рестайлинг, 2800 турбо интеркулер EFI
Simex ET 32x9,5-16, Aisin AI-1000, хобот РИФ, ARB locks rear+front, пневмосистема...
Pajero III 3.2 DID, 2006, длинный.
Simex ET 32x9,5-16, Aisin AI-1000, хобот РИФ, ARB locks rear+front, пневмосистема...
Pajero III 3.2 DID, 2006, длинный.
- SNOOPER
- Модератор
- Сообщения: 56894
- Зарегистрирован: 11 дек 2004, 19:49
- Двигатель:: 4D56
- Мой автомобиль(и):: NewMPS
- Откуда: 78
- Откуда: Spb
- Благодарил (а): 1007 раз
- Поблагодарили: 4665 раз
Re: распиновка сдандартной магнитолы 6 дисков не рокфорд
Не существует такого, ибо незачем. В мануалах по моделям и годам есть схемы и расположение жгутов. Зачем ещё отдельно распиновку если она имеется на схеме. Во многих случаях распиновка с параметрами есть в самом мануале, например распиновка ЭБУ двигателя.Esen писал(а): По логике, должен быть отдельный мануал с распиновкой. Только вот где его искать...
- Esen
- Сообщения: 452
- Зарегистрирован: 07 дек 2007, 00:25
- Откуда: Баку
- Благодарил (а): 21 раз
- Поблагодарили: 4 раза
Re: распиновка сдандартной магнитолы 6 дисков не рокфорд
Спасибо за ответ. Поясню. Занимаюсь дооснащением своего автомобиля. Нужно знать, куда идут провода от разъема. Выходов 6, на схеме показано 2. Куда идут остальные-загадка. Оборудование, коим занимаюсь я по работе, располагает такой документацией. Очень удобно. Жаль, если у митсу такого нет...
Pajero II коротыш, 97, рестайлинг, 2800 турбо интеркулер EFI
Simex ET 32x9,5-16, Aisin AI-1000, хобот РИФ, ARB locks rear+front, пневмосистема...
Pajero III 3.2 DID, 2006, длинный.
Simex ET 32x9,5-16, Aisin AI-1000, хобот РИФ, ARB locks rear+front, пневмосистема...
Pajero III 3.2 DID, 2006, длинный.
- Esen
- Сообщения: 452
- Зарегистрирован: 07 дек 2007, 00:25
- Откуда: Баку
- Благодарил (а): 21 раз
- Поблагодарили: 4 раза
Re: распиновка сдандартной магнитолы 6 дисков не рокфорд
Да, еще, схемы расположения жгутов дают представление только о физическом расположении жгутов проводов и разъемов в автомобиле. Или я что-то упустил?
Pajero II коротыш, 97, рестайлинг, 2800 турбо интеркулер EFI
Simex ET 32x9,5-16, Aisin AI-1000, хобот РИФ, ARB locks rear+front, пневмосистема...
Pajero III 3.2 DID, 2006, длинный.
Simex ET 32x9,5-16, Aisin AI-1000, хобот РИФ, ARB locks rear+front, пневмосистема...
Pajero III 3.2 DID, 2006, длинный.
- SNOOPER
- Модератор
- Сообщения: 56894
- Зарегистрирован: 11 дек 2004, 19:49
- Двигатель:: 4D56
- Мой автомобиль(и):: NewMPS
- Откуда: 78
- Откуда: Spb
- Благодарил (а): 1007 раз
- Поблагодарили: 4665 раз
Re: распиновка сдандартной магнитолы 6 дисков не рокфорд
У митцу есть всё (практически) только это не в одной куче а в разных разделах.Esen писал(а):Спасибо за ответ. Поясню. Занимаюсь дооснащением своего автомобиля. Нужно знать, куда идут провода от разъема. Выходов 6, на схеме показано 2. Куда идут остальные-загадка. Оборудование, коим занимаюсь я по работе, располагает такой документацией. Очень удобно. Жаль, если у митсу такого нет...
Вот например как выглядит распиновка по митцу.
- Esen
- Сообщения: 452
- Зарегистрирован: 07 дек 2007, 00:25
- Откуда: Баку
- Благодарил (а): 21 раз
- Поблагодарили: 4 раза
Re: распиновка сдандартной магнитолы 6 дисков не рокфорд
Вот, уже ближе к делу. Это откуда скрины, если не секрет?
Pajero II коротыш, 97, рестайлинг, 2800 турбо интеркулер EFI
Simex ET 32x9,5-16, Aisin AI-1000, хобот РИФ, ARB locks rear+front, пневмосистема...
Pajero III 3.2 DID, 2006, длинный.
Simex ET 32x9,5-16, Aisin AI-1000, хобот РИФ, ARB locks rear+front, пневмосистема...
Pajero III 3.2 DID, 2006, длинный.
- SNOOPER
- Модератор
- Сообщения: 56894
- Зарегистрирован: 11 дек 2004, 19:49
- Двигатель:: 4D56
- Мой автомобиль(и):: NewMPS
- Откуда: 78
- Откуда: Spb
- Благодарил (а): 1007 раз
- Поблагодарили: 4665 раз
Re: распиновка сдандартной магнитолы 6 дисков не рокфорд
Да не секрет. Это из сервис-мануала.
Нужно искать именно по модели и году. В принципе в инете всё можно найти.
Нужно искать именно по модели и году. В принципе в инете всё можно найти.
- Esen
- Сообщения: 452
- Зарегистрирован: 07 дек 2007, 00:25
- Откуда: Баку
- Благодарил (а): 21 раз
- Поблагодарили: 4 раза
Re: распиновка сдандартной магнитолы 6 дисков не рокфорд
Сервис-мануалы у меня есть, вроде. 2000, 2001, 2003. Буду искать поновее
Уже есть от чего отталкиваться. Я, если честно, искал что-то вроде того, что на скрине приложенном, только для всех разъемов. А в электросхемах только J/C даны, и все. Именно поэтому и думал, что где-то есть инфа по всем коннекторам.
А ссылки нет случаем, откуда скачать можно?
А ссылки нет случаем, откуда скачать можно?
Pajero II коротыш, 97, рестайлинг, 2800 турбо интеркулер EFI
Simex ET 32x9,5-16, Aisin AI-1000, хобот РИФ, ARB locks rear+front, пневмосистема...
Pajero III 3.2 DID, 2006, длинный.
Simex ET 32x9,5-16, Aisin AI-1000, хобот РИФ, ARB locks rear+front, пневмосистема...
Pajero III 3.2 DID, 2006, длинный.
- Esen
- Сообщения: 452
- Зарегистрирован: 07 дек 2007, 00:25
- Откуда: Баку
- Благодарил (а): 21 раз
- Поблагодарили: 4 раза
Re: распиновка сдандартной магнитолы 6 дисков не рокфорд
То, что у Вас на скринах, уже нашел
А вот на П3 нема...
Pajero II коротыш, 97, рестайлинг, 2800 турбо интеркулер EFI
Simex ET 32x9,5-16, Aisin AI-1000, хобот РИФ, ARB locks rear+front, пневмосистема...
Pajero III 3.2 DID, 2006, длинный.
Simex ET 32x9,5-16, Aisin AI-1000, хобот РИФ, ARB locks rear+front, пневмосистема...
Pajero III 3.2 DID, 2006, длинный.
- Esen
- Сообщения: 452
- Зарегистрирован: 07 дек 2007, 00:25
- Откуда: Баку
- Благодарил (а): 21 раз
- Поблагодарили: 4 раза
Re: Распиновка сдандартной магнитолы
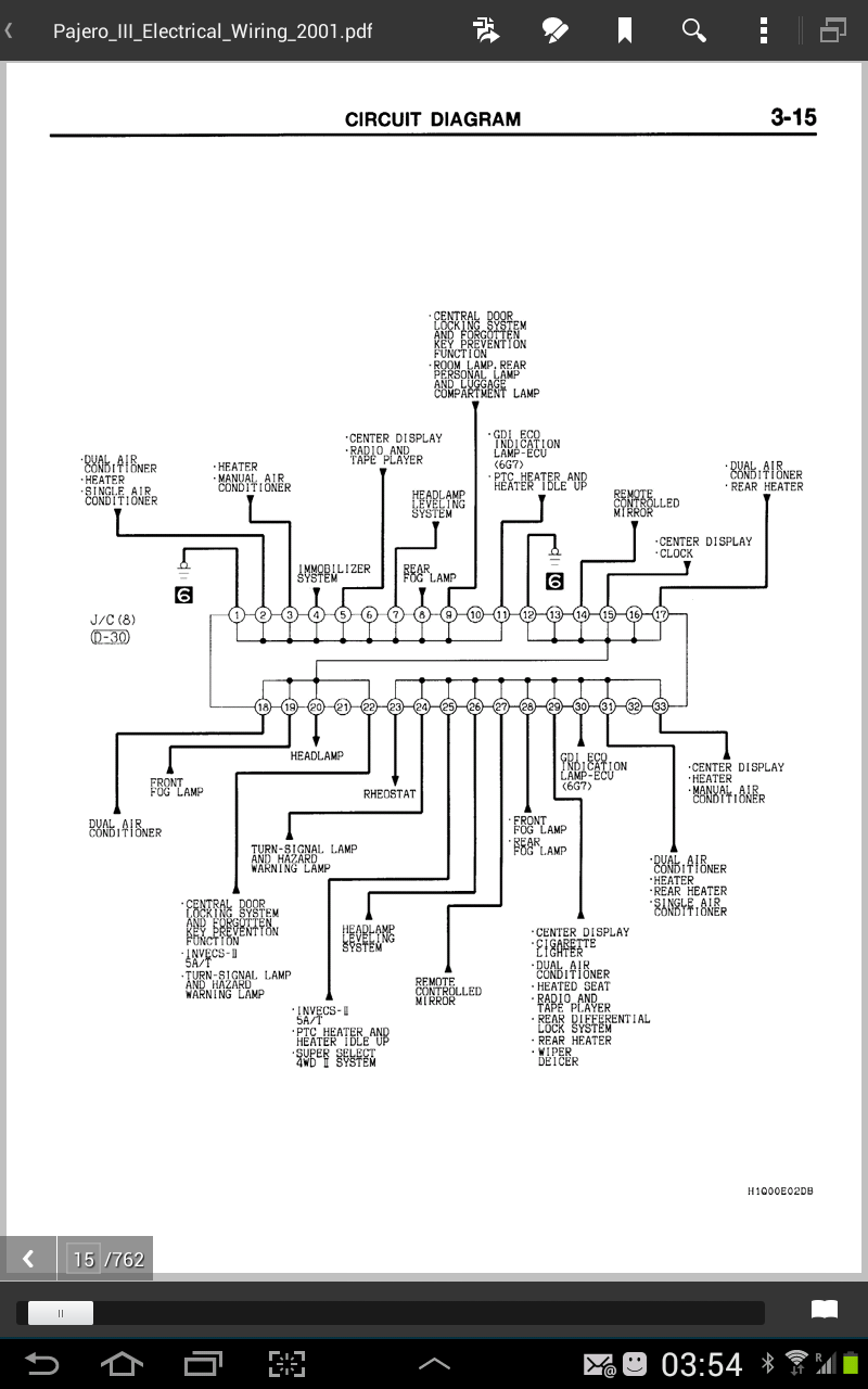
Нашел кое-что полезное среди имевшихся у меня материалов. А именно, так называемый Index page. Теперь хоть можно посмотреть, где именно среди электросхем искать нужные мне. А там и полную картину составить не так сложно.
А всего-то надо было на компе пошукать, ато все время на планшете схемки смотрел, а этот документ туда в свое время не скинул
Учимся работать с электросхемами Митсубиси дальше 
Pajero II коротыш, 97, рестайлинг, 2800 турбо интеркулер EFI
Simex ET 32x9,5-16, Aisin AI-1000, хобот РИФ, ARB locks rear+front, пневмосистема...
Pajero III 3.2 DID, 2006, длинный.
Simex ET 32x9,5-16, Aisin AI-1000, хобот РИФ, ARB locks rear+front, пневмосистема...
Pajero III 3.2 DID, 2006, длинный.
- Esen
- Сообщения: 452
- Зарегистрирован: 07 дек 2007, 00:25
- Откуда: Баку
- Благодарил (а): 21 раз
- Поблагодарили: 4 раза
Re: Распиновка сдандартной магнитолы
Вот интересно, самый последний релиз электросхем для П3 когда выпущен был? Смотрю я схемы 2003 года, на моем 2006 есть некоторые нестыковки...
Pajero II коротыш, 97, рестайлинг, 2800 турбо интеркулер EFI
Simex ET 32x9,5-16, Aisin AI-1000, хобот РИФ, ARB locks rear+front, пневмосистема...
Pajero III 3.2 DID, 2006, длинный.
Simex ET 32x9,5-16, Aisin AI-1000, хобот РИФ, ARB locks rear+front, пневмосистема...
Pajero III 3.2 DID, 2006, длинный.
- Esen
- Сообщения: 452
- Зарегистрирован: 07 дек 2007, 00:25
- Откуда: Баку
- Благодарил (а): 21 раз
- Поблагодарили: 4 раза
Re: Распиновка сдандартной магнитолы
Надыбал сервис-мануал на Монтеро 3 2006. Двигатель 6G75-3.8 L. Все ещё ищу мануал на Паджеро 3 2006 с 3.2 DID. Неужели нет ни у кого?
Последний раз редактировалось Esen 30 дек 2014, 12:53, всего редактировалось 1 раз.
Pajero II коротыш, 97, рестайлинг, 2800 турбо интеркулер EFI
Simex ET 32x9,5-16, Aisin AI-1000, хобот РИФ, ARB locks rear+front, пневмосистема...
Pajero III 3.2 DID, 2006, длинный.
Simex ET 32x9,5-16, Aisin AI-1000, хобот РИФ, ARB locks rear+front, пневмосистема...
Pajero III 3.2 DID, 2006, длинный.
- Esen
- Сообщения: 452
- Зарегистрирован: 07 дек 2007, 00:25
- Откуда: Баку
- Благодарил (а): 21 раз
- Поблагодарили: 4 раза
Re: Распиновка сдандартной магнитолы
В найденном мануале, кстати, есть ещё схемы splice locations, так называемые точки сращивания проводов. В более старых такого не было.
Pajero II коротыш, 97, рестайлинг, 2800 турбо интеркулер EFI
Simex ET 32x9,5-16, Aisin AI-1000, хобот РИФ, ARB locks rear+front, пневмосистема...
Pajero III 3.2 DID, 2006, длинный.
Simex ET 32x9,5-16, Aisin AI-1000, хобот РИФ, ARB locks rear+front, пневмосистема...
Pajero III 3.2 DID, 2006, длинный.
- hc2hunter
- Сообщения: 7149
- Зарегистрирован: 03 фев 2013, 14:29
- Двигатель:: 6G74 MPI
- Мой автомобиль(и):: Montero 3 Limited, 2001
- Откуда: Смоленск
- Благодарил (а): 435 раз
- Поблагодарили: 450 раз
Re: Распиновка сдандартной магнитолы
В некоторых схемах оно еще называется "junction connector"Esen писал(а):есть ещё схемы splice locations, так называемые точки сращивания проводов
Montero 3 LTD 2001, 3.5 6G74 MPI, АКПП v5a51
- Как показала практика — для начала неплохо было бы ознакомиться с теорией (с)
- Как показала практика — для начала неплохо было бы ознакомиться с теорией (с)
- Esen
- Сообщения: 452
- Зарегистрирован: 07 дек 2007, 00:25
- Откуда: Баку
- Благодарил (а): 21 раз
- Поблагодарили: 4 раза
Re: Распиновка сдандартной магнитолы
Неа, это не одно и то же 
Pajero II коротыш, 97, рестайлинг, 2800 турбо интеркулер EFI
Simex ET 32x9,5-16, Aisin AI-1000, хобот РИФ, ARB locks rear+front, пневмосистема...
Pajero III 3.2 DID, 2006, длинный.
Simex ET 32x9,5-16, Aisin AI-1000, хобот РИФ, ARB locks rear+front, пневмосистема...
Pajero III 3.2 DID, 2006, длинный.
