прокладка тнвд
Модераторы: SNOOPER, Nbf, Romik, BAlex, drcham, алексей - Маленький Мук, DenVer, Алекс
-
from_Xa
- Сообщения: 21
- Зарегистрирован: 13 янв 2015, 20:17
- Двигатель:: 4m40
- Мой автомобиль(и):: Pajero II
- Откуда: Хабаровск
- Благодарил (а): 3 раза
прокладка тнвд
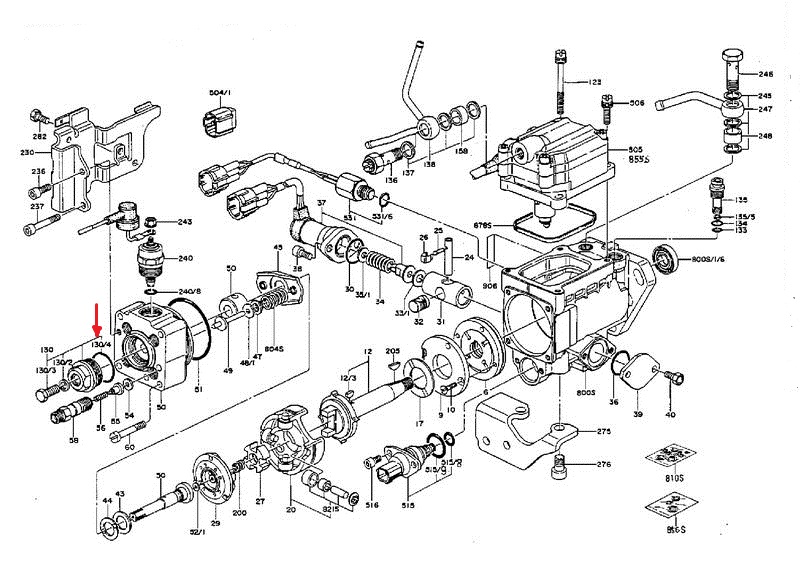
Здравствуйте! Подскажите каталожный номер прокладки тнвд.
Прокладка на картинке отмечена стрелкой.
номер тнвд
ME 201695
104641-3183
Прокладка на картинке отмечена стрелкой.
номер тнвд
ME 201695
104641-3183
- Vitalya-74
- Сообщения: 3998
- Зарегистрирован: 30 дек 2007, 13:01
- Двигатель:: 4М41
- Мой автомобиль(и):: Pajero
- Откуда: Челябинск
- Откуда: Уссурийск, Белогорск и уже Челябинск [74]
- Благодарил (а): 1 раз
- Поблагодарили: 150 раз
Re: прокладка тнвд
9461610418
Но на схеме насос этот 104700-9100, (9 460 614 122)
Но кольца у всех одинаковые.
Но на схеме насос этот 104700-9100, (9 460 614 122)
Но кольца у всех одинаковые.
Москвич-412, Corolla-88 дв.4е;Crown-89.дв.2LTE; Chaser-90 дв.1G-GE; RVR-95 дв.4D65; Land Cruiser Prado-95 дв.1KZ-TE; Bighorn-99 дв.4JX1; Toyota Harrier-99 дв.5S; Pajero-3-2000 дв.4M41/г.в; AUDI A6 allroad quattro 2007 г.в
- Цицерон
- Сообщения: 678
- Зарегистрирован: 27 апр 2011, 19:54
- Двигатель:: 2.8 TD 4m40 EFI 96г.
- Мой автомобиль(и):: Mitsubishi Pajero II
- Откуда: Ямал Заполярье
- Откуда: Казахстан. г.Павлодар
- Благодарил (а): 11 раз
- Поблагодарили: 44 раза
Re: прокладка тнвд
На схеме насос ЕФИ,если на этот насос то идёт полный р.комплект БОШ 9461617567.
Стрелка указывает на пробку в сборе с прокладками вот номер БОШ 9461615942.
Отдельно последнее резиновое кольцо которое под стрелкой ,его можно подобрать в любом магазине запчастей.
Стрелка указывает на пробку в сборе с прокладками вот номер БОШ 9461615942.
Отдельно последнее резиновое кольцо которое под стрелкой ,его можно подобрать в любом магазине запчастей.
- Vitalya-74
- Сообщения: 3998
- Зарегистрирован: 30 дек 2007, 13:01
- Двигатель:: 4М41
- Мой автомобиль(и):: Pajero
- Откуда: Челябинск
- Откуда: Уссурийск, Белогорск и уже Челябинск [74]
- Благодарил (а): 1 раз
- Поблагодарили: 150 раз
Re: прокладка тнвд
Нахрена ему комплект покупать, если есть номер отдельно кольца, что ты тут придумываешь! Проверяй тот номер который я дал.
Москвич-412, Corolla-88 дв.4е;Crown-89.дв.2LTE; Chaser-90 дв.1G-GE; RVR-95 дв.4D65; Land Cruiser Prado-95 дв.1KZ-TE; Bighorn-99 дв.4JX1; Toyota Harrier-99 дв.5S; Pajero-3-2000 дв.4M41/г.в; AUDI A6 allroad quattro 2007 г.в
-
from_Xa
- Сообщения: 21
- Зарегистрирован: 13 янв 2015, 20:17
- Двигатель:: 4m40
- Мой автомобиль(и):: Pajero II
- Откуда: Хабаровск
- Благодарил (а): 3 раза
Re: прокладка тнвд
да я в курсе)Vitalya-74 писал(а):9461610418
Но на схеме насос этот 104700-9100, (9 460 614 122)
Но кольца у всех одинаковые.
Я просто картинку нашел, чтоб показать на примере
А под болтом, который на пробке тоже резиновая прокладка или шайба металлическая?
Есть смысл поменять ее?
не могу головку найти под эту пробку
специнструмент одним словом
-
from_Xa
- Сообщения: 21
- Зарегистрирован: 13 янв 2015, 20:17
- Двигатель:: 4m40
- Мой автомобиль(и):: Pajero II
- Откуда: Хабаровск
- Благодарил (а): 3 раза
Re: прокладка тнвд
я знаюЦецерон писал(а):На схеме насос ЕФИ,если на этот насос то идёт полный р.комплект БОШ 9461617567.
Стрелка указывает на пробку в сборе с прокладками вот номер БОШ 9461615942.
Отдельно последнее резиновое кольцо которое под стрелкой ,его можно подобрать в любом магазине запчастей.
Мне нужен номер для насоса который я указал
ME 201695
104641-3183
- Цицерон
- Сообщения: 678
- Зарегистрирован: 27 апр 2011, 19:54
- Двигатель:: 2.8 TD 4m40 EFI 96г.
- Мой автомобиль(и):: Mitsubishi Pajero II
- Откуда: Ямал Заполярье
- Откуда: Казахстан. г.Павлодар
- Благодарил (а): 11 раз
- Поблагодарили: 44 раза
Re: прокладка тнвд
А так вроде не че не придумывал,написал то ,что может он захочет или понадобиться ему,а резинку последнию можно и подобрать в магазине,че её выписывать если временя поджимает на простой машины.Vitalya-74 писал(а):Нахрена ему комплект покупать, если есть номер отдельно кольца, что ты тут придумываешь! Проверяй тот номер который я дал.
А если время не жмет,то вполне можно заказать пробку в сборе ,раз он её собирается откручивать,то полезно было бы её в сборе заменить (чем менять все прокладки и резинки).Про эту пробку писалось не раз на разных форумах.У неё есть один маленький недостаток,с годами в ней выбивается от давления саляры фазка,она в свою очередь увеличивает объём подплунжерного пространство,что неблоготворно сказывается на пуске двигателя и на расходе топлива.Так и хорошие дезилисты советуют при ремонте ТНВД её обязательно заменить,хотя толком не объясняют почему.
Не помню,может на деликовском форуме описывалось,как один дотошный чел с этой пробкой боролся,он же и потом советовал заменить её всем,результат будет однозначно,хитрые дельцы может и пользуются этой уловкой ,чтоб типа на ремонт ТНВД пора при плохом старте и увеличенном расходе.
-
from_Xa
- Сообщения: 21
- Зарегистрирован: 13 янв 2015, 20:17
- Двигатель:: 4m40
- Мой автомобиль(и):: Pajero II
- Откуда: Хабаровск
- Благодарил (а): 3 раза
Re: прокладка тнвд
Да вроде у меня расход в норме, да и запускается без проблем.
просто капать из под пробки стало
просто капать из под пробки стало
- rover
- Сообщения: 112
- Зарегистрирован: 24 янв 2014, 18:44
- Двигатель:: 300TDI
- Мой автомобиль(и):: Land Rover
- Откуда: Актау
- Поблагодарили: 21 раз
Re: прокладка тнвд
Цецерон писал(а):А так вроде не че не придумывал,написал то ,что может он захочет или понадобиться ему,а резинку последнию можно и подобрать в магазине,че её выписывать если временя поджимает на простой машины.Vitalya-74 писал(а):Нахрена ему комплект покупать, если есть номер отдельно кольца, что ты тут придумываешь! Проверяй тот номер который я дал.
А если время не жмет,то вполне можно заказать пробку в сборе ,раз он её собирается откручивать,то полезно было бы её в сборе заменить (чем менять все прокладки и резинки).Про эту пробку писалось не раз на разных форумах.У неё есть один маленький недостаток,с годами в ней выбивается от давления саляры фазка,она в свою очередь увеличивает объём подплунжерного пространство,что неблоготворно сказывается на пуске двигателя и на расходе топлива.Так и хорошие дезилисты советуют при ремонте ТНВД её обязательно заменить,хотя толком не объясняют почему.
Не помню,может на деликовском форуме описывалось,как один дотошный чел с этой пробкой боролся,он же и потом советовал заменить её всем,результат будет однозначно,хитрые дельцы может и пользуются этой уловкой ,чтоб типа на ремонт ТНВД пора при плохом старте и увеличенном расходе.
Хитрости ни какой нет, на пробке есть поясок, это камера куда давит плунжер, если через поясок когда давит плунжер, соляра уходит обратно в аппаратуру, то форсам достаётся мизер, отсюда и проблемы, плохая заводка, плохо тянет, иногда помагает, подтянуть пробку, и всё становится в норму.
Мужеки! пробка деталь дешовая, если открутили, и поясок больше 1мм одно значно менять.
Всегда когда меняю П.П. меняю пробку, пробка затягивается (новая) 8-10кг.
- Цицерон
- Сообщения: 678
- Зарегистрирован: 27 апр 2011, 19:54
- Двигатель:: 2.8 TD 4m40 EFI 96г.
- Мой автомобиль(и):: Mitsubishi Pajero II
- Откуда: Ямал Заполярье
- Откуда: Казахстан. г.Павлодар
- Благодарил (а): 11 раз
- Поблагодарили: 44 раза
Re: прокладка тнвд
Приветствую тебя Ильич.
Ильич так ,ты один из немногих мастеров который про эту пробку и писал,на дизель-мастере.
А у меня товарища так и развели на машфаке,с ремонтом тнвд,что после этот тнвд ушол в зип,а через два года ему один рукастый мужик,с него же и убитого контрактного собрал и он ещё ездит года два.
Так я про неё стал все читать везде,ну и к осени выписал её и клапан обратки мех.,и полный рем.комплект резинок.
По теплу буду небольшой шмон делать ТНВД,а то у меня где-то мокреет с низу на нем.
Сделал датчик с периходником для проверки внутри корпусного давления,с контрактной форсунки сделал проверочную на
250-300 очков.
Ильич напомни пажалуйста,внутрикорпусное давление на машине должно быть в два раза меньше тесплановского,так???
Ильич так ,ты один из немногих мастеров который про эту пробку и писал,на дизель-мастере.
А у меня товарища так и развели на машфаке,с ремонтом тнвд,что после этот тнвд ушол в зип,а через два года ему один рукастый мужик,с него же и убитого контрактного собрал и он ещё ездит года два.
Так я про неё стал все читать везде,ну и к осени выписал её и клапан обратки мех.,и полный рем.комплект резинок.
По теплу буду небольшой шмон делать ТНВД,а то у меня где-то мокреет с низу на нем.
Сделал датчик с периходником для проверки внутри корпусного давления,с контрактной форсунки сделал проверочную на
250-300 очков.
Ильич напомни пажалуйста,внутрикорпусное давление на машине должно быть в два раза меньше тесплановского,так???
Последний раз редактировалось Цицерон 19 янв 2015, 05:55, всего редактировалось 1 раз.
- rover
- Сообщения: 112
- Зарегистрирован: 24 янв 2014, 18:44
- Двигатель:: 300TDI
- Мой автомобиль(и):: Land Rover
- Откуда: Актау
- Поблагодарили: 21 раз
Re: прокладка тнвд
Цецерон, Внутри корпусное давление, должно быть как указано в т-плане.
А, обороты указанные в т-плане, на двигателе, надо умнажать на 2.
Колено два оборота, аппаратура и распред один об.
А, обороты указанные в т-плане, на двигателе, надо умнажать на 2.
Колено два оборота, аппаратура и распред один об.
-
stas324d
- Сообщения: 123
- Зарегистрирован: 18 апр 2011, 11:56
- Двигатель:: 4m40
- Мой автомобиль(и):: паджеро
- Откуда: Белгород
- Благодарил (а): 23 раза
- Поблагодарили: 2 раза
Re: прокладка тнвд
Подскажите откуда с задней части насоса может капать соляра.Насос механика.Штуцеры протянул не помогло.
- rover
- Сообщения: 112
- Зарегистрирован: 24 янв 2014, 18:44
- Двигатель:: 300TDI
- Мой автомобиль(и):: Land Rover
- Откуда: Актау
- Поблагодарили: 21 раз
Re: прокладка тнвд
Воснавном пробка, и делительной головке, там и там стоит резиновое колечко.stas324d писал(а):Подскажите откуда с задней части насоса может капать соляра.Насос механика.Штуцеры протянул не помогло.
Под штуцерами напорных клапанов стоят медные шайбы.
-
from_Xa
- Сообщения: 21
- Зарегистрирован: 13 янв 2015, 20:17
- Двигатель:: 4m40
- Мой автомобиль(и):: Pajero II
- Откуда: Хабаровск
- Благодарил (а): 3 раза
Re: прокладка тнвд
вытри насухо все, заведи машину, дай оборотов и все увидишь)stas324d писал(а):Подскажите откуда с задней части насоса может капать соляра.Насос механика.Штуцеры протянул не помогло.
- rover
- Сообщения: 112
- Зарегистрирован: 24 янв 2014, 18:44
- Двигатель:: 300TDI
- Мой автомобиль(и):: Land Rover
- Откуда: Актау
- Поблагодарили: 21 раз
Re: прокладка тнвд
[quote="stas324d"]Можно ли поменять эти резинки не снимая насоса?[/quote
Уже ответили ,только две-три.Ребята! по одной резинке менять себя не уважать, сегодня там, завтра там
потекло, это делается один раз, замена всего рем- комплекта, и забыть.
№ рем.146600-1120поZ.по B. 9 461 610 423.Удачи в сем.
Уже ответили ,только две-три.Ребята! по одной резинке менять себя не уважать, сегодня там, завтра там
потекло, это делается один раз, замена всего рем- комплекта, и забыть.
№ рем.146600-1120поZ.по B. 9 461 610 423.Удачи в сем.
