недавно накрылся мой старый 2DIN магнитола, и думал что купить. Хотел купить новый 2DIN на Андроиде, но ценник кусался (в районе 250 американских енотов). Потом решил купить попробовать тестовый планшет 7 DIN Texet TM7066. Но прежде чем установить думал как быть с питанием и кнопкой POWER. В итоге установил отдельную кнопку на включение планшета и вывел провода на планшет кнопку питания. В настоящее время если слушать музыку, то заряд держится. А если смотреть видео или находится в интернете (выхожу в интернет с помощью телефона Iphone 4s, в режиме модема и на планшете через WI-FI) то батарея в течении часа разряжается на 7-8 %. В настоящее время стоит адаптер с зарядной силой всего 1Mah.Заказал с ebay.com адаптер 12-5 V 3Mah, посмотрю как себя будет вести планшет. Фотографии позже выложу.
Уважаемые подскажите может кто знает как настроить Tasker, чтобы при отключении и подключении питания, планшет вкл/выкл самостоятельно?!
TRT - Вдоль р.Киржач. Для стандартных 4х4 (08.11.25) Форум Обсуждение FAQ
Установил китайский планшетник в монтера
Модераторы: SNOOPER, Nbf, Romik, BAlex, drcham, DenVer
- montero565
- Сообщения: 374
- Зарегистрирован: 24 окт 2011, 13:36
- Двигатель:: 6G74
- Мой автомобиль(и):: Montero 3
- Откуда: Астана
- Откуда: Астана
- Благодарил (а): 8 раз
- Поблагодарили: 26 раз
- HiTEX
- Сообщения: 7005
- Зарегистрирован: 29 мар 2009, 20:13
- Двигатель:: 6G72 24V
- Мой автомобиль(и):: Pajero III коротыш
- Откуда: Алма-Ата
- Благодарил (а): 72 раза
- Поблагодарили: 323 раза
Re: Установил китайский планшетник в монтера
У меня на навигаторе стоит PowerM, который отвечает только за ВКЛ-ВЫКЛ устройства, но он для винды. Думаю для андрюши тоже есть что то подобное.
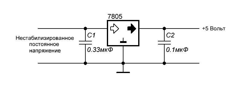
А для зарядки 5V 1A-1,5A можно было бы собрать схемку за 50 рублей из 5 компонентов КРЕНка на 5 вольт (или 7805)
Два кондёра 0,33 мкФ и 0,1 мкФ на 25 вольт
Радиатор для КРЕНки ну и маленький вентилятор туда же
А для зарядки 5V 1A-1,5A можно было бы собрать схемку за 50 рублей из 5 компонентов КРЕНка на 5 вольт (или 7805)
Два кондёра 0,33 мкФ и 0,1 мкФ на 25 вольт
Радиатор для КРЕНки ну и маленький вентилятор туда же
Дед Василь
- montero565
- Сообщения: 374
- Зарегистрирован: 24 окт 2011, 13:36
- Двигатель:: 6G74
- Мой автомобиль(и):: Montero 3
- Откуда: Астана
- Откуда: Астана
- Благодарил (а): 8 раз
- Поблагодарили: 26 раз
Re: Установил китайский планшетник в монтера
Если бы разбирался в схемках)))
Montero III 2011 y. 6G74, color
- Анатолий Дмитриевич
- Сообщения: 10210
- Зарегистрирован: 08 окт 2008, 14:28
- Откуда: Тверь
- Благодарил (а): 12 раз
- Поблагодарили: 84 раза
Re: Установил китайский планшетник в монтера
HiTEX писал(а): КРЕНка на 5 вольт (или 7805)
• Reverse Battery Protection
• 60V Load Dump Protection
• −50V Reverse Transient Protection
Я и мой ПЕС слушаем ...в Митцубиши радио...
- HiTEX
- Сообщения: 7005
- Зарегистрирован: 29 мар 2009, 20:13
- Двигатель:: 6G72 24V
- Мой автомобиль(и):: Pajero III коротыш
- Откуда: Алма-Ата
- Благодарил (а): 72 раза
- Поблагодарили: 323 раза
Re: Установил китайский планшетник в монтера
Вот тут почитай, если ответа не найдётся, тогда поспрашай там жеmontero565 писал(а): ...Уважаемые подскажите может кто знает как настроить Tasker, чтобы при отключении и подключении питания, планшет вкл/выкл самостоятельно?! ...
http://4pda.ru/forum/index.php?showtopi ... 5&st=16520
Дед Василь
- montero565
- Сообщения: 374
- Зарегистрирован: 24 окт 2011, 13:36
- Двигатель:: 6G74
- Мой автомобиль(и):: Montero 3
- Откуда: Астана
- Откуда: Астана
- Благодарил (а): 8 раз
- Поблагодарили: 26 раз
