Страница 1 из 1
Замена маховика
Добавлено: 23 мар 2015, 07:41
Unknown22
Всем привет. Ребят подскажите, при замене маховика как лучше делать, сдергивать двигатель или может быть АКПП?
Re: Замена маховика
Добавлено: 23 мар 2015, 10:35
Зырян
снимай акпп
Re: Замена маховика
Добавлено: 23 мар 2015, 10:39
алексей - Маленький Мук
Да можно и не снимать полностью, открути коробку да сдвинь на торсионах положив ломы на них, см 10-15 уже хватит

Re: Замена маховика
Добавлено: 23 мар 2015, 12:32
Unknown22
алексей - Маленький Мук писал(а):Да можно и не снимать полностью, открути коробку да сдвинь на торсионах положив ломы на них, см 10-15 уже хватит

А верхние болты крепления коробки к двигателю? Там можно подлезть? Получается двигатель вообще трогать не надо?
Карданы оба снимать надо?
Re: Замена маховика
Добавлено: 23 мар 2015, 23:58
<Вавил>
Я рассоединяя движок и коробку не снимал. Открутил обе поперечины что под коробкой и под мостом. Опустил насколько это возможно. Получилось что сборка движок коробка смотрит как бы вниз. Тогда можно подлесть к верхним болтам. Только снимать надо ещё выхлопные трубы сразу за коллекторами. Иначе не подлесть
Re: Замена маховика
Добавлено: 24 мар 2015, 07:55
алексей - Маленький Мук
верхние болты длинным удлиннителем, лучше в двоем, переднею балку моста лучше снять, она мешает окрутить низ коробки и болты бублика
Re: Замена маховика
Добавлено: 24 мар 2015, 11:59
<Вавил>
так и делали
Re: Замена маховика
Добавлено: 24 мар 2015, 16:28
Unknown22
Всем спасибо! Буду пробовать. Вроде верхние болты крепления коробки можно из под колеса еще открутить. Может еще какие подводные камни есть? А сами маховики от спорта и от второго паджеро отличаются?
Re: Замена маховика
Добавлено: 26 мар 2015, 11:05
алексей - Маленький Мук
Да, они разные( разные бублики у автоматов, от сюда и разные расстояния между крепежами бубликов) а пересверлить в ручную

Re: Замена маховика
Добавлено: 04 апр 2015, 18:01
Unknown22
Продолжение темы: сегодня разобрал пол машины, осталось открутить маховик от гт и разъединить двиг и коробку. Открутив лючок, в котором видны эти болты, очень удивился обнаружив всего 2!! болта из 6. Прокручивая двигатель за шкив, отчетливо слышен металлический звон, который доставал меня последнее время.
Завтра поеду искать эти болтики, как я понимаю другие туда ставить нельзя? Двигатель осенью менялся на контракт, эти болты ставились новыми, получается плохо затянули их что ли ?
Re: Замена маховика
Добавлено: 05 апр 2015, 19:43
Unknown22
Собрал все обратно, закрутил старые болты, какие нашел. В магазинах как и ожидалось таких болтов нету. Буду заказывать, а пока так поезжу, скрежет кстати ушел.
Re: Замена маховика
Добавлено: 07 апр 2015, 10:42
Unknown22
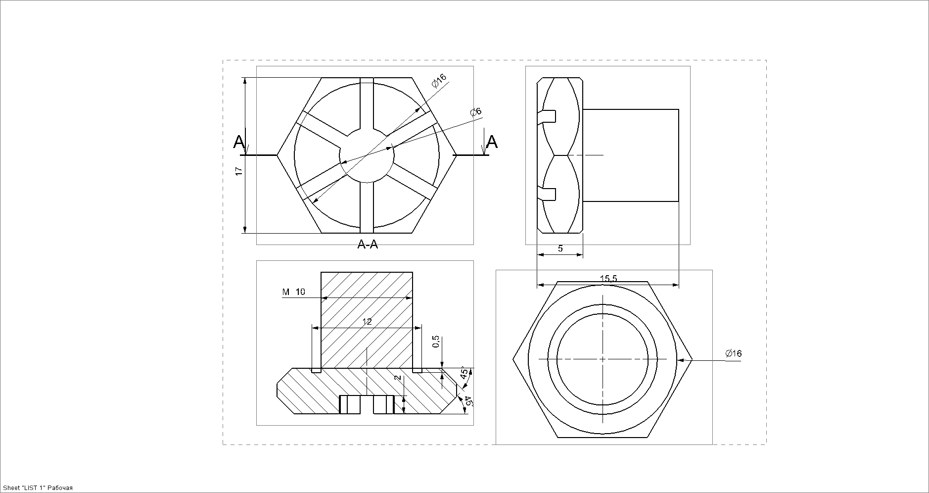
Ребят, мож кто знает какая резьба на этих болтах гидротрансформатора?
Накидал вот эскиз мож пригодится кому. А то цена в 400 рублей за болт как то не очень.
Re: Замена маховика
Добавлено: 08 апр 2015, 07:41
алексей - Маленький Мук
резьба 10х1.25 с бошкой на 17 жесткостью не меньше 10,