Едет только задом..
Модераторы: SNOOPER, Nbf, drcham, Romik, BAlex, DenVer, SoundSpeed
-
RoMAN1985
- Сообщения: 40
- Зарегистрирован: 22 авг 2014, 12:18
- Двигатель:: 6G72
- Мой автомобиль(и):: MMC Pajero IV арабский
- Откуда: Казахстан
- Поблагодарили: 1 раз
Едет только задом..
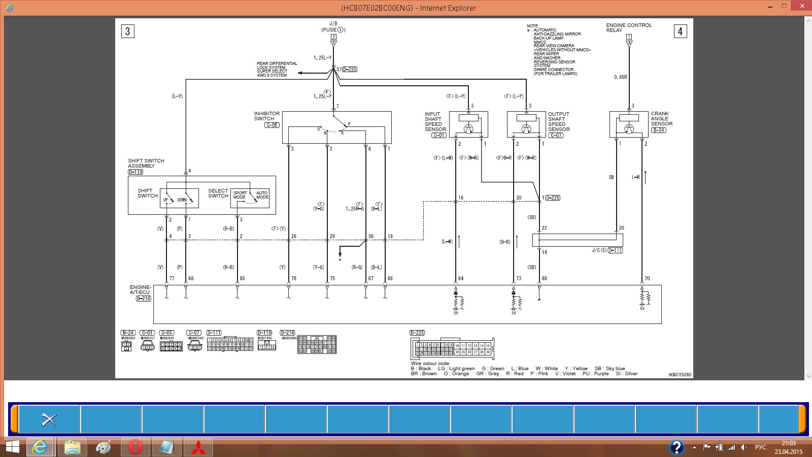
Ситуация такая собирали салон авто после перекраски и шумки. Машина перестала ехать вперед только назад и с толчком при включений, из ошибок показывает Р0705 это обрыв или короткое замыкание в цепи выключателя запуска, на панели постоянно горит R в независимости в каком положении селектор при этом работает паркинг машина стоит на месте, работает N машину можно толкать, при включении D ничего не происходит, просто газует в холостую, при этом всегда горит R. Сам выключатель запуска на который она матерится прозвонили как в книге на всех положениях все работает. Вопрос не могла же коробка сломаться стоя на месте за 2 дня ? ковырялись только в салоне ставили торпеду, фишки соединяли и прочее
-
RoMAN1985
- Сообщения: 40
- Зарегистрирован: 22 авг 2014, 12:18
- Двигатель:: 6G72
- Мой автомобиль(и):: MMC Pajero IV арабский
- Откуда: Казахстан
- Поблагодарили: 1 раз
Re: Едет только задом..
прозванивал как сказано в книге сопротивления между контактами в разных положениях селектораSNOOPER писал(а):Что вы там прозванивали, сможете рассказать?
-
RoMAN1985
- Сообщения: 40
- Зарегистрирован: 22 авг 2014, 12:18
- Двигатель:: 6G72
- Мой автомобиль(и):: MMC Pajero IV арабский
- Откуда: Казахстан
- Поблагодарили: 1 раз
Re: Едет только задом..
селектора акпп с него идет трос к коробке к датчику вот с этого датчика снял фишку и прозванилSNOOPER писал(а):Какого селектора?
- SNOOPER
- Модератор
- Сообщения: 57430
- Зарегистрирован: 11 дек 2004, 19:49
- Двигатель:: 4D56
- Мой автомобиль(и):: NewMPS
- Откуда: 78
- Откуда: Spb
- Благодарил (а): 1027 раз
- Поблагодарили: 4785 раз
Re: Едет только задом..
Хорошо.
Как я понимаю всё соответствует книге?
Вот теперь найдите где провода подходят к блоку управления двигателем. И проверьте что происходит там.
Как я понимаю всё соответствует книге?
Вот теперь найдите где провода подходят к блоку управления двигателем. И проверьте что происходит там.
-
RoMAN1985
- Сообщения: 40
- Зарегистрирован: 22 авг 2014, 12:18
- Двигатель:: 6G72
- Мой автомобиль(и):: MMC Pajero IV арабский
- Откуда: Казахстан
- Поблагодарили: 1 раз
Re: Едет только задом..
спасибо за помощь но непонятно где эти разъемы искать? и еще а не могла возникнуть эта проблема из за неправильно отрегулированного троса селектора акпп или какого нибудь заклинившего клапана в коробке
- BabyHummer A-328
- Сообщения: 6030
- Зарегистрирован: 27 июн 2012, 12:30
- Двигатель:: Бензин 3.8
- Мой автомобиль(и):: Mitsubishi Pajero IV
- Откуда: Москва, Бабушкинская
- Откуда: Москва
- Благодарил (а): 166 раз
- Поблагодарили: 212 раз
Re: Едет только задом..
Мож в сбившемся ингибиторе дело,а? Проверить бы...
С уважением, Андрей
Псакой буду, если вру! :-)
Псакой буду, если вру! :-)
-
RoMAN1985
- Сообщения: 40
- Зарегистрирован: 22 авг 2014, 12:18
- Двигатель:: 6G72
- Мой автомобиль(и):: MMC Pajero IV арабский
- Откуда: Казахстан
- Поблагодарили: 1 раз
Re: Едет только задом..
это тот самый датчик который я проверял, там все нормально я в него первым делом и полез думал что там между конткатами задней(7-8) скорости будет всегда проводимость оказалось нет появляется только когда включаешь ее на селекторе, хотя лампа R на панеле горит всегдаBabyHummer A-328 писал(а):Мож в сбившемся ингибиторе дело,а? Проверить бы...
или сбившийся имеете ввиду натяжение тросика?
