TRT "107-108" Для стандарта и не только! (4.04.2026) Форум Обсуждение FAQ
Проблема с 4M41
Модераторы: SNOOPER, Nbf, Romik, BAlex, drcham, алексей - Маленький Мук, DenVer, Алекс
-
SaveliyPS
- Сообщения: 7
- Зарегистрирован: 25 апр 2015, 10:18
- Двигатель:: 4M41
- Мой автомобиль(и):: PAJERO III
- Откуда: Омск
Проблема с 4M41
Добрый день всем участникам форума.
Не нашел ответа по своей проблеме! Либо ткните пожалуйста меня носом в тему.
Проблема следующая, коптит по черному на горячую. Запуск мотора на горячую и на холодную одинаков, нареканий нет. Пока мотор не прогрелся работает как часики, не коптит не дымит, тяга присутствует. На середине (между минимальной и рабочей температурой) машина начинает чадить. На D и R мотор работает ровно но идет черный дым и запах едкой салярки. Если подставить руку под выхлоп, с нее стекает салярка в чистом виде. На N и P падают обороты (незначительно), появляется небольшая вибрация, и все тоже самое что и на D, коптит черным. При попытке тронуться вылетают остатки черноты с трубы и при движении дальше все работает отлично! Тяга не пропадает не на горячую не на холодную, провалов нету.
Предыстории машины нету, т.к. практически такой и брал, перебрал мотор, заменил колечки, вкладыши, цепь, капиталил головку.
Топливную и форсунки отвозил в ремонт, перебрали ТНВД. Из недостатков пониженное давление (если не ошибаюсь, 350 должен выдавать, выдает 310). Пока были холода машина не догревалась и я этого дефекта с выхлопом не и не видел. Сейчас машина отлично прогревается и с приближением лета ситуация усугубляется.
Местных мастеров объездил. все руками разводят, ошибок нету значит нужно начать смотреть от "выхлопной и продвигаться в сторону двигателя" (сарказм), так и я могу чинить, все по порядку менять. Никто ничего внятного не говорит. Повторный съем форсунок и проверки их на стенде не к чему не привел!
Предайте мне вектор движения! С чего начать и чем закончить.
Не нашел ответа по своей проблеме! Либо ткните пожалуйста меня носом в тему.
Проблема следующая, коптит по черному на горячую. Запуск мотора на горячую и на холодную одинаков, нареканий нет. Пока мотор не прогрелся работает как часики, не коптит не дымит, тяга присутствует. На середине (между минимальной и рабочей температурой) машина начинает чадить. На D и R мотор работает ровно но идет черный дым и запах едкой салярки. Если подставить руку под выхлоп, с нее стекает салярка в чистом виде. На N и P падают обороты (незначительно), появляется небольшая вибрация, и все тоже самое что и на D, коптит черным. При попытке тронуться вылетают остатки черноты с трубы и при движении дальше все работает отлично! Тяга не пропадает не на горячую не на холодную, провалов нету.
Предыстории машины нету, т.к. практически такой и брал, перебрал мотор, заменил колечки, вкладыши, цепь, капиталил головку.
Топливную и форсунки отвозил в ремонт, перебрали ТНВД. Из недостатков пониженное давление (если не ошибаюсь, 350 должен выдавать, выдает 310). Пока были холода машина не догревалась и я этого дефекта с выхлопом не и не видел. Сейчас машина отлично прогревается и с приближением лета ситуация усугубляется.
Местных мастеров объездил. все руками разводят, ошибок нету значит нужно начать смотреть от "выхлопной и продвигаться в сторону двигателя" (сарказм), так и я могу чинить, все по порядку менять. Никто ничего внятного не говорит. Повторный съем форсунок и проверки их на стенде не к чему не привел!
Предайте мне вектор движения! С чего начать и чем закончить.
- SmoAG
- Сообщения: 7842
- Зарегистрирован: 16 янв 2015, 13:11
- Двигатель:: 4m41
- Мой автомобиль(и):: Pajero 3, 2005 АКПП
- Откуда: Воронеж
- Откуда: Воронеж
- Благодарил (а): 99 раз
- Поблагодарили: 541 раз
Re: Проблема с 4M41
Что говорят мастера? метки ТНВД проверяли? позиционер двигали? датчик ОЖ проверяли на наличие сторонних сопротивлений? (показания прогретого двигателя?)
Здесь должна была быть какая-нибудь цитата из вк или другого ресурса, но вот что то не нашёл ни чего что могло бы выразить моё миропонимание сейчас;)
-
SaveliyPS
- Сообщения: 7
- Зарегистрирован: 25 апр 2015, 10:18
- Двигатель:: 4M41
- Мой автомобиль(и):: PAJERO III
- Откуда: Омск
Re: Проблема с 4M41
Добрый день! Извиняюсь за долгое отсутствие. Был в местах отдаленных от интернета. 
Основная проблема решилась. Оказывается я знатный рукожоп. При глушении EGR затолкал в вакуумную трубку отрезок многожильного провода. Ртом дунул, герметично, а оказалось что не совсем и заслонка срабатывала. В следствии чего мотор сам себя душил. Но вылезла другая проблема. Теперь при прогреве мотора, во время остановки на светофоре загорается чек. В этот момент должен срабатывать клапан EGR. Считать ошибку не могу, т.к. нет сканера. А при выключении и включении зажигания ошибка пропадает. Если ехать без остановок то даже на прогретом ошибки не будет. И последствия этого. Машина в R и D ведет себя отлично, едет, ускоряется не коптит и т.д. Но в P и N машину трясет. Прям жуткий стук от мотора, что то вроде троения но по очереди во всех цилиндрах. Понимаю что это связано с EGR, но куда копать не знаю. Все темы про глушение EGR заканчивается на том что заглушить сам клапан + трубку на заслонку. И все будет ОК.
Разжуйте пожалуйста про глушение EGR, что я сделал не так? У меня обычный клапан, от пневматики, без электрики.
Основная проблема решилась. Оказывается я знатный рукожоп. При глушении EGR затолкал в вакуумную трубку отрезок многожильного провода. Ртом дунул, герметично, а оказалось что не совсем и заслонка срабатывала. В следствии чего мотор сам себя душил. Но вылезла другая проблема. Теперь при прогреве мотора, во время остановки на светофоре загорается чек. В этот момент должен срабатывать клапан EGR. Считать ошибку не могу, т.к. нет сканера. А при выключении и включении зажигания ошибка пропадает. Если ехать без остановок то даже на прогретом ошибки не будет. И последствия этого. Машина в R и D ведет себя отлично, едет, ускоряется не коптит и т.д. Но в P и N машину трясет. Прям жуткий стук от мотора, что то вроде троения но по очереди во всех цилиндрах. Понимаю что это связано с EGR, но куда копать не знаю. Все темы про глушение EGR заканчивается на том что заглушить сам клапан + трубку на заслонку. И все будет ОК.
Разжуйте пожалуйста про глушение EGR, что я сделал не так? У меня обычный клапан, от пневматики, без электрики.
- SmoAG
- Сообщения: 7842
- Зарегистрирован: 16 янв 2015, 13:11
- Двигатель:: 4m41
- Мой автомобиль(и):: Pajero 3, 2005 АКПП
- Откуда: Воронеж
- Откуда: Воронеж
- Благодарил (а): 99 раз
- Поблагодарили: 541 раз
Re: Проблема с 4M41
Про егр потом, сначала открутите синий (фиолетовый) фильтрик и почистите его, потом аккуратно шомполом почистите место посадки этого фильтрика, проверьте шланг который от него идет до датчика, там тоже не должно быть сажи. и аккуратно почистите сам датчик буста, промойте его не токо проводящим спреем или бензином (аккуратно), соберите и покатайтесь, потом посмотрим что с ЕГР.
ЗЫ: впускной коллектор в саже?
ЗЫ: впускной коллектор в саже?
Здесь должна была быть какая-нибудь цитата из вк или другого ресурса, но вот что то не нашёл ни чего что могло бы выразить моё миропонимание сейчас;)
-
SaveliyPS
- Сообщения: 7
- Зарегистрирован: 25 апр 2015, 10:18
- Двигатель:: 4M41
- Мой автомобиль(и):: PAJERO III
- Откуда: Омск
Re: Проблема с 4M41
Впускной коллектор полностью очищен при капиталке ДВС, все отмыл. Фильтр буста новый. Датчик буста отключал, машина при этом вяло реагировала на педаль газа.
- SmoAG
- Сообщения: 7842
- Зарегистрирован: 16 янв 2015, 13:11
- Двигатель:: 4m41
- Мой автомобиль(и):: Pajero 3, 2005 АКПП
- Откуда: Воронеж
- Откуда: Воронеж
- Благодарил (а): 99 раз
- Поблагодарили: 541 раз
Re: Проблема с 4M41
то что вы описали, в 90% ошибка по датчику буста, если у Вас все почищено, и выскакиевает ошибка, попытайтесь вернуть ЕГР на место, прочитать код ошибки.
закатывать заглушку в шланг управления ЕГР не нужно, на многих машинах это вызывает некорректную работу ТНВД, как, чем и где глушили ЕГР?
закатывать заглушку в шланг управления ЕГР не нужно, на многих машинах это вызывает некорректную работу ТНВД, как, чем и где глушили ЕГР?
Здесь должна была быть какая-нибудь цитата из вк или другого ресурса, но вот что то не нашёл ни чего что могло бы выразить моё миропонимание сейчас;)
-
SaveliyPS
- Сообщения: 7
- Зарегистрирован: 25 апр 2015, 10:18
- Двигатель:: 4M41
- Мой автомобиль(и):: PAJERO III
- Откуда: Омск
Re: Проблема с 4M41
Сам клапан EGR не глушил, точнее вакуумную трубку на клапан EGR. Заглушил только заслонку и то только верхнюю, которая закрывает.
EGR заглушил двумя заглушками. Одна на выпускном коллекторе (вход в трубку на теплообменник) вторая между клапаном и впускном коллектором.
EGR заглушил двумя заглушками. Одна на выпускном коллекторе (вход в трубку на теплообменник) вторая между клапаном и впускном коллектором.
- SmoAG
- Сообщения: 7842
- Зарегистрирован: 16 янв 2015, 13:11
- Двигатель:: 4m41
- Мой автомобиль(и):: Pajero 3, 2005 АКПП
- Откуда: Воронеж
- Откуда: Воронеж
- Благодарил (а): 99 раз
- Поблагодарили: 541 раз
Re: Проблема с 4M41
Походу нужен код ошибки(
Здесь должна была быть какая-нибудь цитата из вк или другого ресурса, но вот что то не нашёл ни чего что могло бы выразить моё миропонимание сейчас;)
-
SaveliyPS
- Сообщения: 7
- Зарегистрирован: 25 апр 2015, 10:18
- Двигатель:: 4M41
- Мой автомобиль(и):: PAJERO III
- Откуда: Омск
Re: Проблема с 4M41
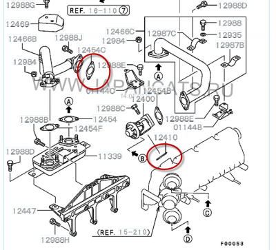
Одна на ВЫПУСКНОМ коллекторе (вход в трубку на теплообменник) вторая между клапаном и ВПУСКНЫМ коллектором. - Отметил красным, места глушения.
Прокладки не прогорели, верхние трубки не устанавливал, т.е. связи между выпуском и впуском физически нету.
Прокладки не прогорели, верхние трубки не устанавливал, т.е. связи между выпуском и впуском физически нету.
- SmoAG
- Сообщения: 7842
- Зарегистрирован: 16 янв 2015, 13:11
- Двигатель:: 4m41
- Мой автомобиль(и):: Pajero 3, 2005 АКПП
- Откуда: Воронеж
- Откуда: Воронеж
- Благодарил (а): 99 раз
- Поблагодарили: 541 раз
Re: Проблема с 4M41
Извините не верно прочитал(
Постарайтесь узнать код ошибки, для этого не обязательно использовать сканер, есть возможность самодиагностики через перемычку.
Постарайтесь узнать код ошибки, для этого не обязательно использовать сканер, есть возможность самодиагностики через перемычку.
Здесь должна была быть какая-нибудь цитата из вк или другого ресурса, но вот что то не нашёл ни чего что могло бы выразить моё миропонимание сейчас;)
-
SaveliyPS
- Сообщения: 7
- Зарегистрирован: 25 апр 2015, 10:18
- Двигатель:: 4M41
- Мой автомобиль(и):: PAJERO III
- Откуда: Омск
Re: Проблема с 4M41
Можно, умею. Но для этого нужно выключить зажигание, замкнуть и снова включить зажигание. Но при очередном включении ошибка пропадает.
- SmoAG
- Сообщения: 7842
- Зарегистрирован: 16 янв 2015, 13:11
- Двигатель:: 4m41
- Мой автомобиль(и):: Pajero 3, 2005 АКПП
- Откуда: Воронеж
- Откуда: Воронеж
- Благодарил (а): 99 раз
- Поблагодарили: 541 раз
Re: Проблема с 4M41
тут засада, но ошибки не стираются из памяти, возможно она прочтеться? честно не знаю.
Здесь должна была быть какая-нибудь цитата из вк или другого ресурса, но вот что то не нашёл ни чего что могло бы выразить моё миропонимание сейчас;)
- SmoAG
- Сообщения: 7842
- Зарегистрирован: 16 янв 2015, 13:11
- Двигатель:: 4m41
- Мой автомобиль(и):: Pajero 3, 2005 АКПП
- Откуда: Воронеж
- Откуда: Воронеж
- Благодарил (а): 99 раз
- Поблагодарили: 541 раз
Re: Проблема с 4M41
filatov35, каких заглушек?
Здесь должна была быть какая-нибудь цитата из вк или другого ресурса, но вот что то не нашёл ни чего что могло бы выразить моё миропонимание сейчас;)
- stranger699
- Сообщения: 1336
- Зарегистрирован: 23 ноя 2008, 18:01
- Двигатель:: 4М41
- Мой автомобиль(и):: П3 5 doors 2002 АКПП
- Откуда: Белгород
- Откуда: Белгород
- Благодарил (а): 9 раз
- Поблагодарили: 19 раз
- Контактная информация:
Re: Проблема с 4M41
сняли EGR,взяли шпатель,обвели,вырезали,просверлили два отверстия и вуаля...готовоfilatov35 писал(а):помогите найти размеры заглушек
"— Мам, а ты мне хайджек купишь? — Конечно! И хайджек тебе купим, и джип к нему купим, и друзей-расп...яев, бл..ь, купим, чтобы все, как у отца было!"
-
winter1971
- Сообщения: 2948
- Зарегистрирован: 24 фев 2013, 17:00
- Двигатель:: 4M41 дизель
- Мой автомобиль(и):: Mitsubishi Pajero 3 Dakar 3.2 2006г.в.
- Откуда: ЯНАО
- Благодарил (а): 25 раз
- Поблагодарили: 98 раз
Re: Проблема с 4M41
Вот они http://pajero4x4.ru/bbs/phpBB2/viewtopi ... &start=975filatov35 писал(а):помогите найти размеры заглушек
Вот номерки заводских ME200542, ME200541
-
winter1971
- Сообщения: 2948
- Зарегистрирован: 24 фев 2013, 17:00
- Двигатель:: 4M41 дизель
- Мой автомобиль(и):: Mitsubishi Pajero 3 Dakar 3.2 2006г.в.
- Откуда: ЯНАО
- Благодарил (а): 25 раз
- Поблагодарили: 98 раз
Re: Проблема с 4M41
Вот они http://pajero4x4.ru/bbs/phpBB2/viewtopi ... &start=975filatov35 писал(а):помогите найти размеры заглушек
Вот номерки заводских ME200542, ME200541
