TRT - Вдоль р.Киржач. Для стандартных 4х4 (08.11.25) Форум Обсуждение FAQ
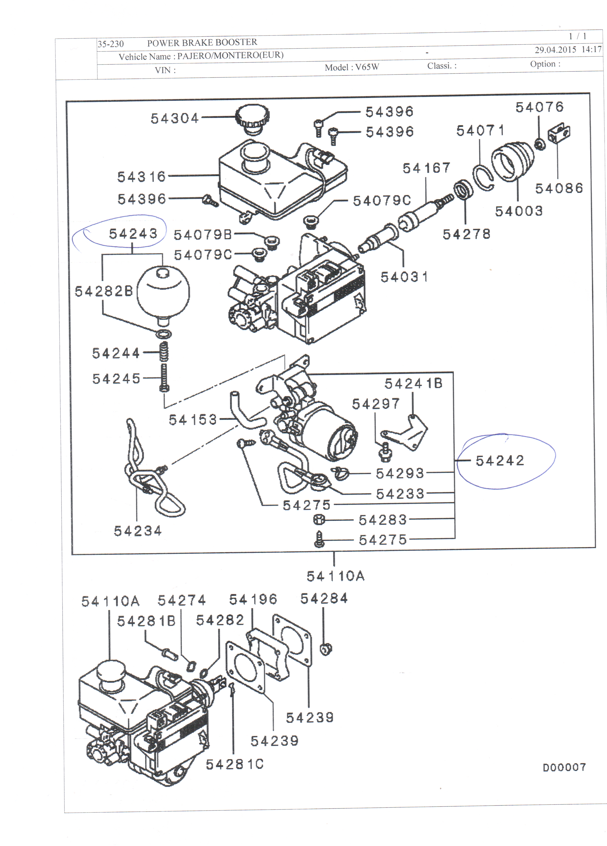
Замена моторчика и нагнетателя тормозного цилиндра
Модераторы: SNOOPER, Nbf, Romik, BAlex, drcham, DenVer
-
Genzel
- Сообщения: 5
- Зарегистрирован: 23 июн 2015, 09:50
- Двигатель:: 3,5 бензин GDI
- Мой автомобиль(и):: Pajero III (трехдверный)
- Откуда: Одесса
- Благодарил (а): 2 раза
Замена моторчика и нагнетателя тормозного цилиндра
Добрый день,
У меня Паджеро III 3,5 GDI (2000г/в, 3-ех дверный). Возникла такая проблема, пропали тормоза, горел датчик АБС. 1-ый раз починили на СТО, за пол часа в электрике. Буквально через пару дней они опять пропали. Загнал Паджик на другое СТО, разобрали, сказали что надо менять мотор тормозного цилиндра и нагнетатель. Я нашел новый нагнетатель (142 у.е.) и б.у. мотор тормозного цилиндра(в сборе вся железяка впридачу, кроме работающего отката), но на СТО сказали,что не гарантируют то, что новый нагенетатель будет работать исправно, т.к. тяжело установить не разгерметизировав всю систему. И посоветовали поменять все в сборе(цена вопроса б.у. 450 у.е).
Вопрос: Как лучше поступить?
У меня Паджеро III 3,5 GDI (2000г/в, 3-ех дверный). Возникла такая проблема, пропали тормоза, горел датчик АБС. 1-ый раз починили на СТО, за пол часа в электрике. Буквально через пару дней они опять пропали. Загнал Паджик на другое СТО, разобрали, сказали что надо менять мотор тормозного цилиндра и нагнетатель. Я нашел новый нагнетатель (142 у.е.) и б.у. мотор тормозного цилиндра(в сборе вся железяка впридачу, кроме работающего отката), но на СТО сказали,что не гарантируют то, что новый нагенетатель будет работать исправно, т.к. тяжело установить не разгерметизировав всю систему. И посоветовали поменять все в сборе(цена вопроса б.у. 450 у.е).
Вопрос: Как лучше поступить?
- HiTEX
- Сообщения: 7005
- Зарегистрирован: 29 мар 2009, 20:13
- Двигатель:: 6G72 24V
- Мой автомобиль(и):: Pajero III коротыш
- Откуда: Алма-Ата
- Благодарил (а): 72 раза
- Поблагодарили: 323 раза
Re: Замена моторчика и нагнетателя тормозного цилиндра
Вспоминаем физику, раздел сообщающихся сосудов.
Цилиндр - самая верхняя точка в системе. Отвернув от него трубки, ты не заставишь воздух опуститься по ним вниз.
По этому, после замены всего агрегата, прикручиваешь из на место (не затягивая, что болтались немного) заливаешь жижу в бачок и смотришь пока она не побежит из соединения. После этого притягиваешь крепления трубок. Если пузырьки и остануться в полости ГТЦ, то они выйдут в расширительный бачок через технологические отверстия (специально сделанные в цилиндре для этого)
Цилиндр - самая верхняя точка в системе. Отвернув от него трубки, ты не заставишь воздух опуститься по ним вниз.
По этому, после замены всего агрегата, прикручиваешь из на место (не затягивая, что болтались немного) заливаешь жижу в бачок и смотришь пока она не побежит из соединения. После этого притягиваешь крепления трубок. Если пузырьки и остануться в полости ГТЦ, то они выйдут в расширительный бачок через технологические отверстия (специально сделанные в цилиндре для этого)
Дед Василь
-
Genzel
- Сообщения: 5
- Зарегистрирован: 23 июн 2015, 09:50
- Двигатель:: 3,5 бензин GDI
- Мой автомобиль(и):: Pajero III (трехдверный)
- Откуда: Одесса
- Благодарил (а): 2 раза
Re: Замена моторчика и нагнетателя тормозного цилиндра
Я в физике и машиностроении не силен... Вы думаете можно спокойно ставить новый откат(нагнетатель) и не париться?HiTEX писал(а):Вспоминаем физику, раздел сообщающихся сосудов.
Цилиндр - самая верхняя точка в системе. Отвернув от него трубки, ты не заставишь воздух опуститься по ним вниз.
По этому, после замены всего агрегата, прикручиваешь из на место (не затягивая, что болтались немного) заливаешь жижу в бачок и смотришь пока она не побежит из соединения. После этого притягиваешь крепления трубок. Если пузырьки и остануться в полости ГТЦ, то они выйдут в расширительный бачок через технологические отверстия (специально сделанные в цилиндре для этого)
- HiTEX
- Сообщения: 7005
- Зарегистрирован: 29 мар 2009, 20:13
- Двигатель:: 6G72 24V
- Мой автомобиль(и):: Pajero III коротыш
- Откуда: Алма-Ата
- Благодарил (а): 72 раза
- Поблагодарили: 323 раза
Re: Замена моторчика и нагнетателя тормозного цилиндра
Конечно. Пробовать то надо. Только рукожопов подальше держать (с их дельными советами)
Дед Василь
- Andrmatyushin
- Сообщения: 456
- Зарегистрирован: 12 июл 2013, 00:46
- Двигатель:: 6G74 gdi
- Мой автомобиль(и):: PAJERO 3
- Откуда: Москва
- Благодарил (а): 3 раза
- Поблагодарили: 8 раз
Re: Замена моторчика и нагнетателя тормозного цилиндра
А моторчик в ремонт! Ламели да щетки поремонтировать! Грушу новую поставить и будет вам радость да и экономия в 200 зеленых
- Andrmatyushin
- Сообщения: 456
- Зарегистрирован: 12 июл 2013, 00:46
- Двигатель:: 6G74 gdi
- Мой автомобиль(и):: PAJERO 3
- Откуда: Москва
- Благодарил (а): 3 раза
- Поблагодарили: 8 раз
Re: Замена моторчика и нагнетателя тормозного цилиндра
Ох да и если саберетесь ремонтировать моторчик пусть мастера подшипники в нем помериют там их 2шт ! Буду благодарен
-
Genzel
- Сообщения: 5
- Зарегистрирован: 23 июн 2015, 09:50
- Двигатель:: 3,5 бензин GDI
- Мой автомобиль(и):: Pajero III (трехдверный)
- Откуда: Одесса
- Благодарил (а): 2 раза
Re: Замена моторчика и нагнетателя тормозного цилиндра
Т.е. моторчик вполне ремонтируемый? какие специалисты занимаются обычно ремонтом таких моторчиков?Andrmatyushin писал(а):Ох да и если саберетесь ремонтировать моторчик пусть мастера подшипники в нем помериют там их 2шт ! Буду благодарен
заранее благодарен
Re: Замена моторчика и нагнетателя тормозного цилиндра
если поможет, в параллельной ветке писал:
Накрылся и мой моторчик. Загорелись лампы, запищал зуммер, педаль тормоза колом. Прозвон показал обрыв в моторе. За новый мототчик просят 28 000 руб. Заехал в ремонт стартеров и генераторов (а рядом еще и сервис). Сняли блок АБС, сняли моторчик. Щетки изношены в ноль, коллектор местами дырявый. Замена коллектора и щеток (подгоняли кольца и щетки ближайшие по размеру) 5 000 руб, снятие/установка блока с заменой тормозухи и прокачкой еще 3 000 руб. Экономия 23 000
Накрылся и мой моторчик. Загорелись лампы, запищал зуммер, педаль тормоза колом. Прозвон показал обрыв в моторе. За новый мототчик просят 28 000 руб. Заехал в ремонт стартеров и генераторов (а рядом еще и сервис). Сняли блок АБС, сняли моторчик. Щетки изношены в ноль, коллектор местами дырявый. Замена коллектора и щеток (подгоняли кольца и щетки ближайшие по размеру) 5 000 руб, снятие/установка блока с заменой тормозухи и прокачкой еще 3 000 руб. Экономия 23 000
Pajero III, 2000г. GDI, SS
- Andrmatyushin
- Сообщения: 456
- Зарегистрирован: 12 июл 2013, 00:46
- Двигатель:: 6G74 gdi
- Мой автомобиль(и):: PAJERO 3
- Откуда: Москва
- Благодарил (а): 3 раза
- Поблагодарили: 8 раз
Re: Замена моторчика и нагнетателя тормозного цилиндра
Обычно кто стартеры генераторы ремонтирует!Genzel писал(а):Т.е. моторчик вполне ремонтируемый? какие специалисты занимаются обычно ремонтом таких моторчиков?Andrmatyushin писал(а):Ох да и если саберетесь ремонтировать моторчик пусть мастера подшипники в нем помериют там их 2шт ! Буду благодарен
заранее благодарен
-
Genzel
- Сообщения: 5
- Зарегистрирован: 23 июн 2015, 09:50
- Двигатель:: 3,5 бензин GDI
- Мой автомобиль(и):: Pajero III (трехдверный)
- Откуда: Одесса
- Благодарил (а): 2 раза
Re: Замена моторчика и нагнетателя тормозного цилиндра
MUH писал(а):если поможет, в параллельной ветке писал:
Накрылся и мой моторчик. Загорелись лампы, запищал зуммер, педаль тормоза колом. Прозвон показал обрыв в моторе. За новый мототчик просят 28 000 руб. Заехал в ремонт стартеров и генераторов (а рядом еще и сервис). Сняли блок АБС, сняли моторчик. Щетки изношены в ноль, коллектор местами дырявый. Замена коллектора и щеток (подгоняли кольца и щетки ближайшие по размеру) 5 000 руб, снятие/установка блока с заменой тормозухи и прокачкой еще 3 000 руб. Экономия 23 000
А сама "груша" ремонтируемая?
-
Genzel
- Сообщения: 5
- Зарегистрирован: 23 июн 2015, 09:50
- Двигатель:: 3,5 бензин GDI
- Мой автомобиль(и):: Pajero III (трехдверный)
- Откуда: Одесса
- Благодарил (а): 2 раза
Re: Замена моторчика и нагнетателя тормозного цилиндра
Спасибо за помощьHiTEX писал(а):Нет (10 букаф)
