Re: Пропали фары и туманки... НАШЛИСЬ !!!
Модераторы: SNOOPER, Nbf, Romik, BAlex
-
kolomenec
- Сообщения: 47
- Зарегистрирован: 24 июл 2013, 17:15
- Двигатель:: 6G74
- Мой автомобиль(и):: MONTERO SPORT
- Откуда: Коломна
- Поблагодарили: 1 раз
Re: Пропали фары и туманки... НАШЛИСЬ !!!
Доброго времени суток ! Подскажите, если есть возможность : пропал дальний и ближний свет , и туманки на монтеро спорт 2002 года, остались габариты, заехал к электрику, проверили все предохранители, релюхи, ВСЕ до чего смогли дотянуться, даже подрулевой переключатель.. без результата. Куда искать ? Где-то есть блок управления, вроде, и вроде, все идет через него, . ( предположение электрика) Может такое быть ? Поиском вбивал " не горят фары", ничего не дало. Спасибо.
Последний раз редактировалось kolomenec 26 июн 2015, 20:48, всего редактировалось 1 раз.
- кот 989
- Сообщения: 456
- Зарегистрирован: 16 ноя 2009, 12:25
- Двигатель:: 4D56
- Мой автомобиль(и):: МПСпорт 2001г
- Откуда: Самара
- Благодарил (а): 12 раз
- Поблагодарили: 23 раза
Re: Пропали фары и туманки...
блоков умных нет ни каких точно...
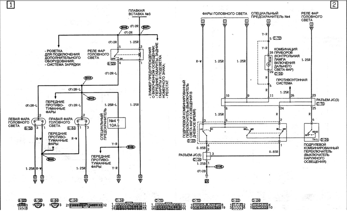
вот схэмко от паджеро
в монтеро наверно так-же!
вот схэмко от паджеро
Sport 2001 года, 4D56, МКПП.
-
kolomenec
- Сообщения: 47
- Зарегистрирован: 24 июл 2013, 17:15
- Двигатель:: 6G74
- Мой автомобиль(и):: MONTERO SPORT
- Откуда: Коломна
- Поблагодарили: 1 раз
Re: Пропали фары и туманки... НАШЛИСЬ !!!
Победили через 3 часа. Сгорела колодка реле, на блоке под капотом. Долго искали так как изображение на крышке ентого блока не соответствовало расположению деталей ( о как бывает !!! ) . Выяснили только после снятия этого блока. Испанцы, гады, что-то напутали. Ну или у нас где-то. Спасибо всем за помощь !
-
xopc
- Сообщения: 77
- Зарегистрирован: 22 окт 2010, 13:04
- Двигатель:: 4d56t
- Мой автомобиль(и):: pajero 2
- Откуда: Камчатка
Re: Re: Пропали фары и туманки... НАШЛИСЬ !!!
о, такая же шляпа. все предохранители и реле целые, фары и туманки не горят
а колодка это что? куда реле втыкается?
смотрю реле головного света: на силовом контакте +, на другом -. если замкнуть напрямую фары загораются.
на управляющих контактах: на одном +. на другом ничего. при включении фар на втром контакте появляется -. все корректно, так?
реле живое, нормально звонится, нормально замыкается.
что за?
а колодка это что? куда реле втыкается?
смотрю реле головного света: на силовом контакте +, на другом -. если замкнуть напрямую фары загораются.
на управляющих контактах: на одном +. на другом ничего. при включении фар на втром контакте появляется -. все корректно, так?
реле живое, нормально звонится, нормально замыкается.
что за?
Pajero '93 V24WG / 4d56t; 5.285 Gear, RDLock; 35'' Nankang Mudstar MT
- кот 989
- Сообщения: 456
- Зарегистрирован: 16 ноя 2009, 12:25
- Двигатель:: 4D56
- Мой автомобиль(и):: МПСпорт 2001г
- Откуда: Самара
- Благодарил (а): 12 раз
- Поблагодарили: 23 раза
Re: Re: Пропали фары и туманки... НАШЛИСЬ !!!
Взаимо-исключающие фразы! от наше-марок рэле в любом магазине!xopc писал(а): .....
если замкнуть напрямую фары загораются.
.....
реле живое, нормально звонится, нормально замыкается.
Sport 2001 года, 4D56, МКПП.
-
xopc
- Сообщения: 77
- Зарегистрирован: 22 окт 2010, 13:04
- Двигатель:: 4d56t
- Мой автомобиль(и):: pajero 2
- Откуда: Камчатка
Re: Re: Пропали фары и туманки... НАШЛИСЬ !!!
Ну отчего же так сразу. Опыты показали, что не приходит + на управляющий контакт колодки. Замкнул + с соседней колодки все работает.кот 989 писал(а):Взаимо-исключающие фразы! от наше-марок рэле в любом магазине!xopc писал(а): .....
если замкнуть напрямую фары загораются.
.....
реле живое, нормально звонится, нормально замыкается.
Снизу колодки - пучек проводов. Откуда + должен приходить на управление?
Кстати, не понятен момент: тестер на том контакте показывает 12В, но их не хватает чтоб замкнут реле. Как так?
Pajero '93 V24WG / 4d56t; 5.285 Gear, RDLock; 35'' Nankang Mudstar MT
- Deem-On
- Сообщения: 1014
- Зарегистрирован: 18 мар 2011, 17:49
- Двигатель:: 4M40
- Мой автомобиль(и):: Паджеро 2, был
- Откуда: Ярославль
- Благодарил (а): 8 раз
- Поблагодарили: 95 раз
Re: Re: Пропали фары и туманки... НАШЛИСЬ !!!
По одним схемам с замка зажигания положение АСС, по другим - с предохранителя №13, но по любому через "преремычки под левым крылом", так что, имхо, копать надо туда. Как временная мера плюс можно взять с силового контакта этой же релюхи.xopc писал(а): Снизу колодки - пучек проводов. Откуда + должен приходить на управление?
П-2 1994 длинный,GLS,4М40,АКПП,SS,А/Т32"-увы, уже донор
