Прошу сильно не пинать...не нашел того что ищу,и решил обратится таким способом (создав тему).
Проблема моя,как у многих я думаю. Все заржавело и закисло (я про тормозные механизмы) а конкретнее про механизмы ЗДТ. Честно говоря,сняв колесо и внимательно присмотревшись понял,что японец который это придумал был мягко скажем не в себе...
Прикинув ценник на новое,при нынешнем положение дел с вечно деревянным,решил новое не брать.
Рассмотрел вариант от ВАЗа ,не моё - это!
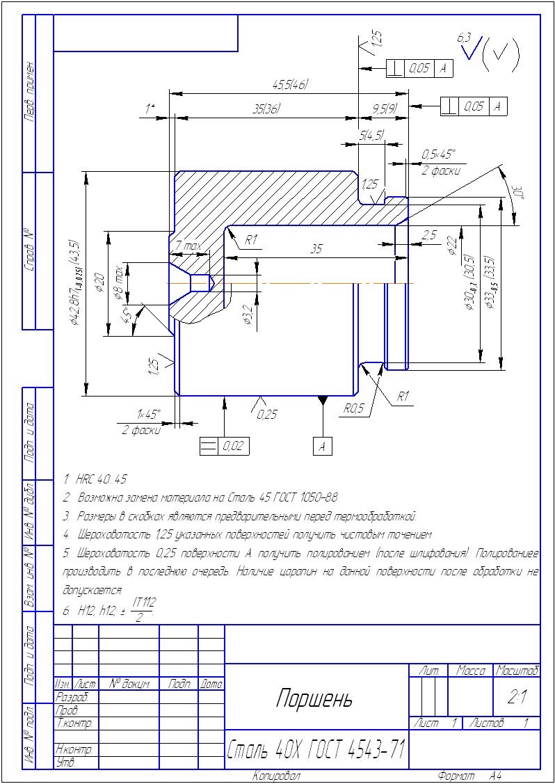
Решено купить,или точить нержавейку! Пообщавшись на стороннем ресурсе с человеком, как я понял из Украины,он мне выкатил 120USD за комплект перед + зад (Поршни,направляющие,втулки...Все из нержавейки) +20USD за доставку в Москву. Я огорчился...Цена вроде и не большая,и качество по виду не плохое,но как перевел это в рубли,и я ОФИГЕЛ!!! с резинками и прочим это 10000р примерно.
Так вот,суть вопроса!
у кого в гараже или дома,валяються или аккуратно лежат,суппорта перед и зад от Паджеро или Монтеро спорта ?
Мне необходимы размеры,желательно всего что там есть (чертежи с размерами приветствуются) ,а конкретно:
Втулка направляющей суппорта тормозного заднего верхняя MR 307399
Шпилька направляющая верхняя суппорта тормозного переднего MB 618228
Втулка направляющая верхняя суппорта тормозного переднего MB 618227
Втулка направляющая суппорта тормозного заднего MR 307401
Втулка направляющая суппорта тормозного заднего нижняя MR 307400
Поршень тормозного суппорта заднего MR 307395
Шпилька направляющая задних тормозных колодок суппорта тормозного MR 307405
Поршень тормозного цилиндра переднего MB 857837
P.S1 поговорил на днях с хорошим токарем,говорит неси чертежи с размерами,будем обсуждать цену и прочее...
P.S2 если поможете,буду Крайне Признателен,ну и конечно в итоге от меня фото, и смета по всему
Спасибо за внимание Товарищи!
