TRT - Вдоль р.Киржач. Для стандартных 4х4 (08.11.25) Форум Обсуждение FAQ
Ток утечки на предохранителе №11 (ближний свет) 290 мА
Модераторы: SNOOPER, Nbf, Romik, BAlex, drcham, Podzemshik
-
Andreu
- Сообщения: 56
- Зарегистрирован: 21 окт 2013, 17:03
- Двигатель:: 6G72 (был)
- Мой автомобиль(и):: Mitsubishi Pajero Sport 2002 г.в. (был)
- Откуда: Мос. обл.
- Благодарил (а): 12 раз
- Поблагодарили: 6 раз
Ток утечки на предохранителе №11 (ближний свет) 290 мА
В общем разрежается аккумулятор после двух недельной стоянки полностью, замерил мультиметром ток утечки, показал 0,29 ампера, вытаскиваю предохранитель №11 (ближний свет) в моторном отсек падает до 0,01 ампера, фары отключал (вытаскивал фишки), переключатель дальний/ближний отключал полностью, все остается без изменений, в чем причина утечки не могу понять.
Может кто в курсе куда лесть или ткните носом, если такая тема уже есть, сам не нашел.
Может кто в курсе куда лесть или ткните носом, если такая тема уже есть, сам не нашел.
- Dimix
- Сообщения: 12128
- Зарегистрирован: 26 сен 2006, 18:31
- Двигатель:: 6G72 24v
- Мой автомобиль(и):: montero sport'02
- Откуда: Балашиха
- Откуда: Россия, Балашиха-Москва
- Благодарил (а): 88 раз
- Поблагодарили: 398 раз
Re: Ток утечки на предохранителе №11 (ближний свет) 290 мА
Подрулей переключатель смотри, у меня на сгибе 2 провода лопнули
-
vadym
- Сообщения: 1457
- Зарегистрирован: 12 сен 2007, 00:50
- Откуда: Черновцы
- Благодарил (а): 12 раз
- Поблагодарили: 120 раз
Re: Ток утечки на предохранителе №11 (ближний свет) 290 мА
В блоке с предохранителями и реле, который расположен в моторном отсеке нет конкретно предохранителя только для цепи ближнего света.Andreu писал(а):В общем разрежается аккумулятор после двух недельной стоянки полностью, замерил мультиметром ток утечки, показал 0,29 ампера, вытаскиваю предохранитель №11 (ближний свет) в моторном отсек падает до 0,01 ампера, фары отключал (вытаскивал фишки), переключатель дальний/ближний отключал полностью, все остается без изменений, в чем причина утечки не могу понять.
Может кто в курсе куда лесть или ткните носом, если такая тема уже есть, сам не нашел.
Там есть один предохранитель на 10 Ампер, который имеет отношение к головному свету, расположен он см. фото.
Но провод от него идет только на индикаторную лампочку "Дальний свет" в щитке приборов и больше никуда.
- Вложения
-
- пред.png (42.01 КБ) 1050 просмотров
Последний раз редактировалось vadym 05 окт 2015, 12:21, всего редактировалось 1 раз.
PAJERO SPORT 2003 2,5 TD
-
Andreu
- Сообщения: 56
- Зарегистрирован: 21 окт 2013, 17:03
- Двигатель:: 6G72 (был)
- Мой автомобиль(и):: Mitsubishi Pajero Sport 2002 г.в. (был)
- Откуда: Мос. обл.
- Благодарил (а): 12 раз
- Поблагодарили: 6 раз
Re: Ток утечки на предохранителе №11 (ближний свет) 290 мА
(Лопнули) в смысле оплетка лопнула? И из за этого ток утечки появился?Dimix писал(а):Подрулей переключатель смотри, у меня на сгибе 2 провода лопнули
-
Andreu
- Сообщения: 56
- Зарегистрирован: 21 окт 2013, 17:03
- Двигатель:: 6G72 (был)
- Мой автомобиль(и):: Mitsubishi Pajero Sport 2002 г.в. (был)
- Откуда: Мос. обл.
- Благодарил (а): 12 раз
- Поблагодарили: 6 раз
Re: Ток утечки на предохранителе №11 (ближний свет) 290 мА
В блоке с предохранителями и реле, который расположен в моторном отсеке нет конкретно предохранителя только для цепи ближнего света.
Там есть один предохранитель на 10 Ампер, который имеет отношение к головному свету, расположен он см. фото.
Но провод от него идет только на индикаторную лампочку "Дальний свет" в щитке приборов и больше никуда.[/quote]
А как же предохранитель №11 30 А (большой, розовый) в книге написано ближний свет, его выдергиваешь-свету нету.
Там есть один предохранитель на 10 Ампер, который имеет отношение к головному свету, расположен он см. фото.
Но провод от него идет только на индикаторную лампочку "Дальний свет" в щитке приборов и больше никуда.[/quote]
А как же предохранитель №11 30 А (большой, розовый) в книге написано ближний свет, его выдергиваешь-свету нету.
-
vadym
- Сообщения: 1457
- Зарегистрирован: 12 сен 2007, 00:50
- Откуда: Черновцы
- Благодарил (а): 12 раз
- Поблагодарили: 120 раз
Re: Ток утечки на предохранителе №11 (ближний свет) 290 мА
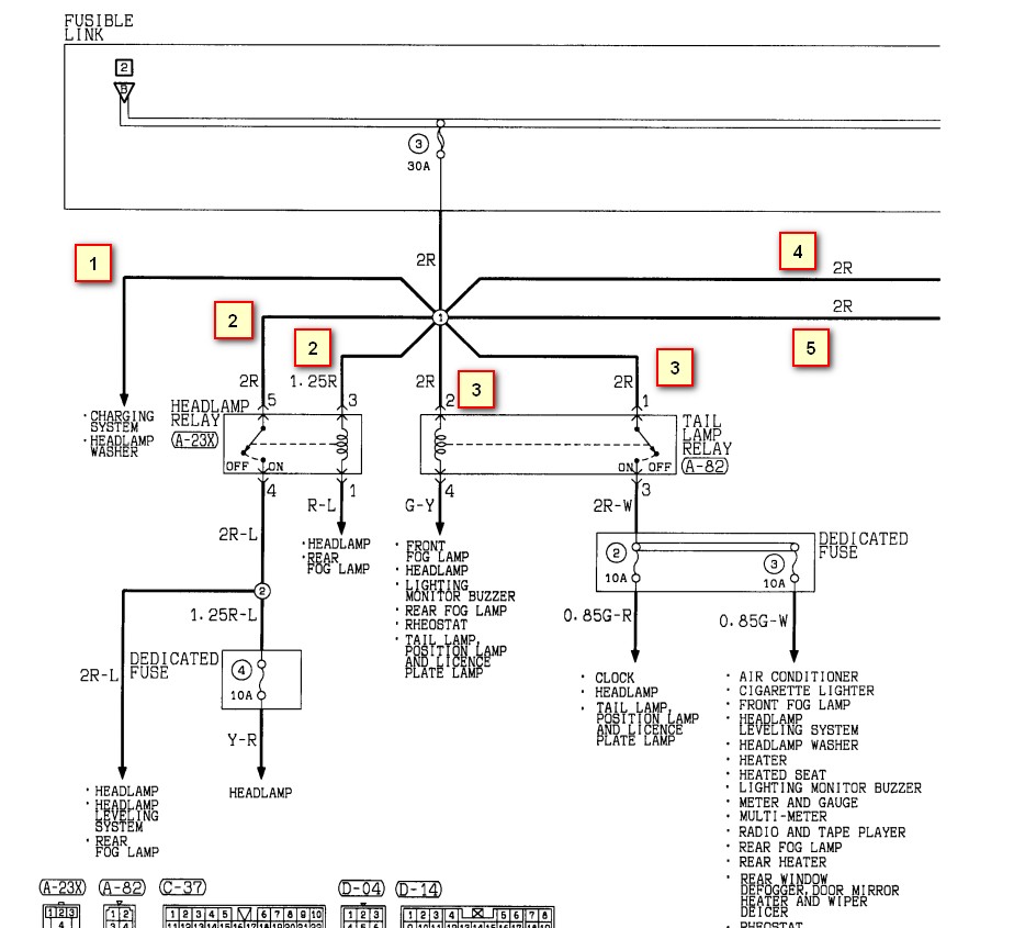
Этот предохранитель защищает очень много цепей, в том числе и головной свет.Andreu писал(а): А как же предохранитель №11 30 А (большой, розовый) в книге написано ближний свет, его выдергиваешь-свету нету.
Я приложил фотку части схемы электрической с этим предохранителем, в схеме он имеет обозначение №3.
Через него запитываются цепи:
1. Зарядка (идет на генератор) и омывателя фар (идет на моторчик фар)
2. Реле головного света.
3. Реле габаритов.
4. Через еще один предохранитель на розетку 12 Вольт в машине.
5. Через еще один предохранитель на передние и задние противотуманки.
Надо вынимать по очереди реле, разъемы, предохранители в этих цепях и смотреть где утечка.
PAJERO SPORT 2003 2,5 TD
-
Andreu
- Сообщения: 56
- Зарегистрирован: 21 окт 2013, 17:03
- Двигатель:: 6G72 (был)
- Мой автомобиль(и):: Mitsubishi Pajero Sport 2002 г.в. (был)
- Откуда: Мос. обл.
- Благодарил (а): 12 раз
- Поблагодарили: 6 раз
Re: Ток утечки на предохранителе №11 (ближний свет) 290 мА
vadym писал(а):В блоке с предохранителями и реле, который расположен в моторном отсеке нет конкретно предохранителя только для цепи ближнего света.Andreu писал(а):В общем разрежается аккумулятор после двух недельной стоянки полностью, замерил мультиметром ток утечки, показал 0,29 ампера, вытаскиваю предохранитель №11 (ближний свет) в моторном отсек падает до 0,01 ампера, фары отключал (вытаскивал фишки), переключатель дальний/ближний отключал полностью, все остается без изменений, в чем причина утечки не могу понять.
Может кто в курсе куда лесть или ткните носом, если такая тема уже есть, сам не нашел.
Там есть один предохранитель на 10 Ампер, который имеет отношение к головному свету, расположен он см. фото.
Но провод от него идет только на индикаторную лампочку "Дальний свет" в щитке приборов и больше никуда.
Во я про этот предохранитель говорю (обведен кругом), в книге написано ближний свет
- Вложения
-
- пред 2.png (43.84 КБ) 1028 просмотров
-
vadym
- Сообщения: 1457
- Зарегистрирован: 12 сен 2007, 00:50
- Откуда: Черновцы
- Благодарил (а): 12 раз
- Поблагодарили: 120 раз
Re: Ток утечки на предохранителе №11 (ближний свет) 290 мА
Да это этот предохранитель.Andreu писал(а):
Во я про этот предохранитель говорю (обведен кругом), в книге написано ближний свет
В электро схеме он имеет обозначение №3, в книгах их нумеруют просто по строкам таблицы.
PAJERO SPORT 2003 2,5 TD
-
Andreu
- Сообщения: 56
- Зарегистрирован: 21 окт 2013, 17:03
- Двигатель:: 6G72 (был)
- Мой автомобиль(и):: Mitsubishi Pajero Sport 2002 г.в. (был)
- Откуда: Мос. обл.
- Благодарил (а): 12 раз
- Поблагодарили: 6 раз
Re: Ток утечки на предохранителе №11 (ближний свет) 290 мА
Короче ковырял все по очереди и нашел, отсоединяю фишку генератора и ток утечки уменьшатся до 0,04 А, но что происходит с генератором не знаю, может кто подскажет куда смотреть?
- drcham
- Модератор
- Сообщения: 14439
- Зарегистрирован: 08 апр 2006, 13:42
- Двигатель:: Бензин
- Мой автомобиль(и):: Wrangler JLU Rubicon
- Откуда: Москва
- Откуда: Москва ЮЗАО
- Благодарил (а): 62 раза
- Поблагодарили: 225 раз
- Контактная информация:
Re: Ток утечки на предохранителе №11 (ближний свет) 290 мА
Умер реле регулятор и/или диодный мост.
4LO&GO! Wrangler JLU Rubicon
