Показания задних лямбд после удаления катализаторов
Модераторы: SNOOPER, Nbf, drcham, Romik, BAlex, DenVer, SoundSpeed
-
nicolay_14283
- Сообщения: 4
- Зарегистрирован: 16 ноя 2015, 07:37
- Двигатель:: 6g75
- Мой автомобиль(и):: pajero 4
- Откуда: Novosibirsk
Показания задних лямбд после удаления катализаторов
Добрый день,
Прошу совета уважаемых гуру. Вкратце ситуация такая:
1 Авто паджеро 4 3.8, пробег 250ткм, вылазил чек по низкой эффективности одного катализатора (через торг смотрел графики - задний левый кат не колебался вообще)
2 Удалил 2 передних ката и вкрутил обменки (3-ий кат на месте), заодно поменял задние лямбды на dox-109, один передний на dox-113
3 После этих операций задние лямбды в торге показывают 0 все время (что с обманками, что без) и выдают ошибку O2 Sensor Circuit Malfunction
Вопрос: почему всегда 0 и как с этим бороться?
Заранее спасибо за ответ.
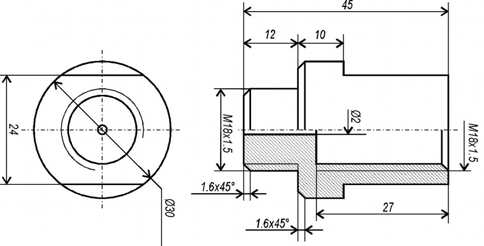
п.с. чертеж обманок прилагаю
Прошу совета уважаемых гуру. Вкратце ситуация такая:
1 Авто паджеро 4 3.8, пробег 250ткм, вылазил чек по низкой эффективности одного катализатора (через торг смотрел графики - задний левый кат не колебался вообще)
2 Удалил 2 передних ката и вкрутил обменки (3-ий кат на месте), заодно поменял задние лямбды на dox-109, один передний на dox-113
3 После этих операций задние лямбды в торге показывают 0 все время (что с обманками, что без) и выдают ошибку O2 Sensor Circuit Malfunction
Вопрос: почему всегда 0 и как с этим бороться?
Заранее спасибо за ответ.
п.с. чертеж обманок прилагаю
- юрок
- Сообщения: 766
- Зарегистрирован: 02 июл 2007, 00:24
- Двигатель:: 6G75, 6G72
- Мой автомобиль(и):: Mitsubishi Pajero IV 3.8 i , Mitsubishi Pajero Sport 1
- Откуда: Архангельская обл.
- Благодарил (а): 20 раз
- Поблагодарили: 27 раз
Re: Показания задних лямбд после удаления катализаторов
Прошивают под евро 2 и вроде все. Кто то говорил что на 3.8 , номер с обманками не проходит,утверждать не буду т.к. сам не знаю.
Montero Sport 3л.2001-продан
Pajero IV-3.8 2007 -продан
Pajero Sport 3л.2005 -продан
Pajero IV-3.8 2007 -продан
Pajero Sport 3л.2005 -продан
-
fylhtqrf
- Сообщения: 72
- Зарегистрирован: 03 окт 2014, 13:28
- Двигатель:: 6G75
- Мой автомобиль(и):: Mitsubishi Pajero IV
- Откуда: Оренбургская обл
- Благодарил (а): 5 раз
Re: Показания задних лямбд после удаления катализаторов
Номер с обманками проходит. У мну без прошивки, но с обманками. и все в елочку.юрок писал(а):Прошивают под евро 2 и вроде все. Кто то говорил что на 3.8 , номер с обманками не проходит,утверждать не буду т.к. сам не знаю.
-
nicolay_14283
- Сообщения: 4
- Зарегистрирован: 16 ноя 2015, 07:37
- Двигатель:: 6g75
- Мой автомобиль(и):: pajero 4
- Откуда: Novosibirsk
Re: Показания задних лямбд после удаления катализаторов
Можно подробнее, что за обманки, электронные? Вместе с вкрутками или без? Если с вкрутками, то какой диаметр отверстия?
-
fylhtqrf
- Сообщения: 72
- Зарегистрирован: 03 окт 2014, 13:28
- Двигатель:: 6G75
- Мой автомобиль(и):: Mitsubishi Pajero IV
- Откуда: Оренбургская обл
- Благодарил (а): 5 раз
Re: Показания задних лямбд после удаления катализаторов
Я сам участия не принимал в их установке, но со слов мастера - это обычные шайбы-проставки м/у датчиком и коллектором : высота (толщина) которых подобрана опытным путем (с последующим тестированием через компьютер, подключенный к машине).nicolay_14283 писал(а):Можно подробнее, что за обманки, электронные? Вместе с вкрутками или без? Если с вкрутками, то какой диаметр отверстия?
- юрок
- Сообщения: 766
- Зарегистрирован: 02 июл 2007, 00:24
- Двигатель:: 6G75, 6G72
- Мой автомобиль(и):: Mitsubishi Pajero IV 3.8 i , Mitsubishi Pajero Sport 1
- Откуда: Архангельская обл.
- Благодарил (а): 20 раз
- Поблагодарили: 27 раз
Re: Показания задних лямбд после удаления катализаторов
Вот нашёл http://pajero4x4.ru/bbs/phpBB2/viewtopi ... 0&t=107737fylhtqrf писал(а):Номер с обманками проходит. У мну без прошивки, но с обманками. и все в елочку.юрок писал(а):Прошивают под евро 2 и вроде все. Кто то говорил что на 3.8 , номер с обманками не проходит,утверждать не буду т.к. сам не знаю.
Montero Sport 3л.2001-продан
Pajero IV-3.8 2007 -продан
Pajero Sport 3л.2005 -продан
Pajero IV-3.8 2007 -продан
Pajero Sport 3л.2005 -продан
- Lukich111
- Сообщения: 3434
- Зарегистрирован: 16 янв 2011, 18:48
- Двигатель:: Бензин
- Мой автомобиль(и):: H-D Sportster 1200, +-самокатик(был) , 3 моноколеса
- Откуда: С-Петербург
- Откуда: C-Пб-(Мурманск)-
- Благодарил (а): 97 раз
- Поблагодарили: 233 раза
Re: Показания задних лямбд после удаления катализаторов
nicolay_14283 писал(а):Добрый день,
......
3 После этих операций задние лямбды в торге показывают 0 все время (что с обманками, что без) и выдают ошибку O2 Sensor Circuit Malfunction
Вопрос: почему всегда 0 и как с этим бороться?
Заранее спасибо за ответ.
п.с. чертеж обманок прилагаю
Накосячил с установкой лямбд , ошибка по электроцепи. Еще бы номер ошибок.
очень злой бывший ОД
диагностика и чип Mitsubishi
диагностика и чип Mitsubishi
-
nicolay_14283
- Сообщения: 4
- Зарегистрирован: 16 ноя 2015, 07:37
- Двигатель:: 6g75
- Мой автомобиль(и):: pajero 4
- Откуда: Novosibirsk
Re: Показания задних лямбд после удаления катализаторов
Спасибо за ответы.
Коды ошибок P0136 и P0156 (http://www.engine-codes.com/p0156_mitsubishi.html)
Кстати, на торге на графике напряжения при инициалицации ни задних лямбдах есть разовый скачек до 5,6 вольт, а после этого 0. Есть предположение, что напряжение, выдаваемое датчиком, сильно выше 1 вольта (где-то читал такое, найти не могу) и поэтому ЭБУ просто игнорирует значения и выдает ошибку. Сегодня буду поднимать машину и мерить напряжение на самом датчике.
Юрок, а какие лямбды стоят?
Коды ошибок P0136 и P0156 (http://www.engine-codes.com/p0156_mitsubishi.html)
Кстати, на торге на графике напряжения при инициалицации ни задних лямбдах есть разовый скачек до 5,6 вольт, а после этого 0. Есть предположение, что напряжение, выдаваемое датчиком, сильно выше 1 вольта (где-то читал такое, найти не могу) и поэтому ЭБУ просто игнорирует значения и выдает ошибку. Сегодня буду поднимать машину и мерить напряжение на самом датчике.
Юрок, а какие лямбды стоят?
-
nicolay_14283
- Сообщения: 4
- Зарегистрирован: 16 ноя 2015, 07:37
- Двигатель:: 6g75
- Мой автомобиль(и):: pajero 4
- Откуда: Novosibirsk
Re: Показания задних лямбд после удаления катализаторов
Небольшой апдейт - проверил показания непосредственно с датчика - с обманкой выдает колебания в пределах десятков милливольт, без обманок - первых сотен. В чем дело понять не могу. При этом сканером коррекция читается, т.е. ЭБУ по этим данным что-то даже предлагает. В чем дело понять не могу.
- Lukich111
- Сообщения: 3434
- Зарегистрирован: 16 янв 2011, 18:48
- Двигатель:: Бензин
- Мой автомобиль(и):: H-D Sportster 1200, +-самокатик(был) , 3 моноколеса
- Откуда: С-Петербург
- Откуда: C-Пб-(Мурманск)-
- Благодарил (а): 97 раз
- Поблагодарили: 233 раза
Re: Показания задних лямбд после удаления катализаторов
Коррекция идет по передним лямбдам, по задним только по аварийному алгоритму . Ищи обрыв.я бы уделил внимание разъему d-111
http://mmc-manuals.ru/manuals/pajero_iv ... dex_M1.htm
http://mmc-manuals.ru/manuals/pajero_iv ... dex_M1.htm
очень злой бывший ОД
диагностика и чип Mitsubishi
диагностика и чип Mitsubishi
- Kronet
- Сообщения: 23
- Зарегистрирован: 11 янв 2013, 09:13
- Двигатель:: 6j75
- Мой автомобиль(и):: pajero IV 3.8 ultimate
- Откуда: Almaty
- Откуда: almaty kz
Re: Показания задних лямбд после удаления катализаторов
всем привет. удалил катализаторы и установил обманки.
на каждый зонд. полет нормальный ошибок нет
pajero 4 движка 6j75 3.8L
на каждый зонд. полет нормальный ошибок нет
pajero 4 движка 6j75 3.8L
