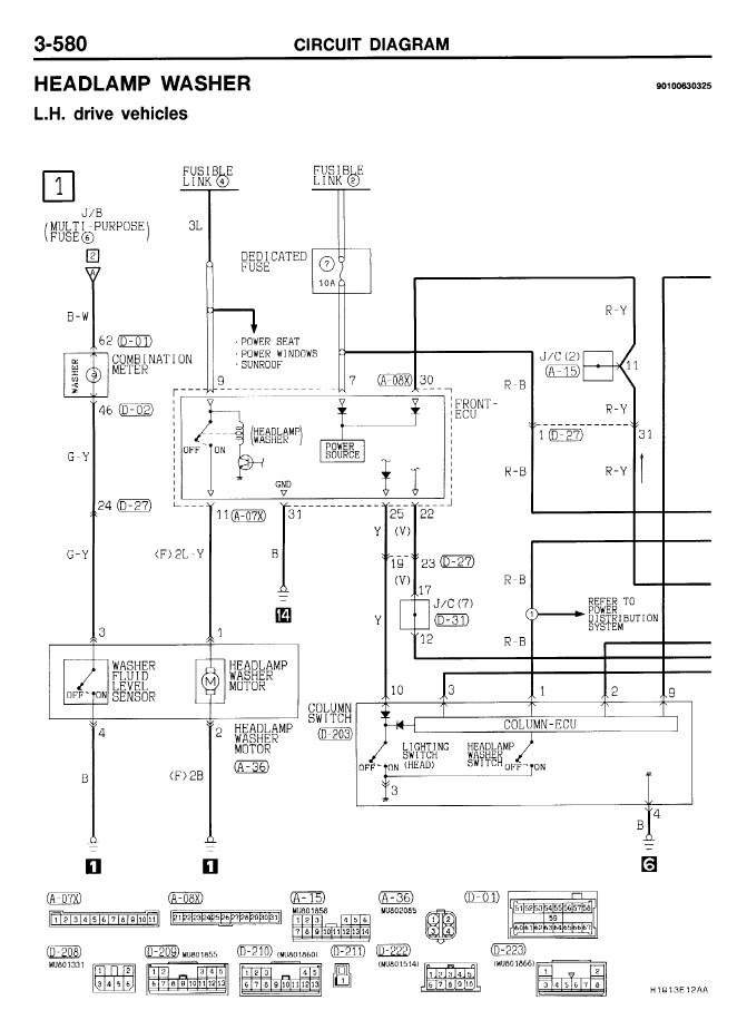
Машин - монтеро 3, некоторое время назад была вкорячена система омывателя фар (мотор, форсунки, шланги, подрулевой рыаг с кнопкой) от европейской машины - нужная проводка на моей присутствовала, все встало в нужные места и как надо.
Но. Не работает. Должна быть релюха - по отзывам товарищей, должна жужжать релюха, потом мотор омывателя. Сравнивал салонный блок предохранителей европейца с своим - один в один, подкапотный тоже не особо отличается. В инете схемы не нашлось
Товарищи, подскажите - куда копать?
Да, мотор живой. Да, включал с включенными фарами. Да, это никомуненужнаяхреньипорнография, но хочется, что бы оно работало.
