Глючит климат, часто меняет режимы. Webasto.
Модераторы: SNOOPER, Nbf, Romik, BAlex
-
tr0y
- Сообщения: 76
- Зарегистрирован: 25 дек 2012, 07:06
- Двигатель:: 4M41
- Мой автомобиль(и):: Pajero IV 3.2 2008
- Откуда: Уфа
- Благодарил (а): 2 раза
- Поблагодарили: 3 раза
Глючит климат, часто меняет режимы. Webasto.
Глючит климат, часто меняет режимы, такое ощущение что перезапускается т.е. начинает включать только обдув стекла на минимальной скорости, потом разгоняется, меняет режим
если скорость и направление обдува выставлены вручную всё равно меняется температура выдуваемого воздуха
максимальная скорость вентилятора заметно шумнее(быстрее) на высоких оборотах двигателя (тока не хватает??)
грешу на webasto, изначально климат подключали к webasto, т.е. разорвали + на климат, повесили реле управляемое webasto, климат включался вместе с webasto при выключенном двигателе. Подозреваю плохой контакт в месте разрыва +
так как автоэлектрик из меня так себе, прошу совета, справедливы ли мои предположения?
если скорость и направление обдува выставлены вручную всё равно меняется температура выдуваемого воздуха
максимальная скорость вентилятора заметно шумнее(быстрее) на высоких оборотах двигателя (тока не хватает??)
грешу на webasto, изначально климат подключали к webasto, т.е. разорвали + на климат, повесили реле управляемое webasto, климат включался вместе с webasto при выключенном двигателе. Подозреваю плохой контакт в месте разрыва +
так как автоэлектрик из меня так себе, прошу совета, справедливы ли мои предположения?
- Непопаджеро
- Сообщения: 3209
- Зарегистрирован: 03 мар 2015, 00:10
- Двигатель:: 4M41
- Мой автомобиль(и):: Pajero 3
- Откуда: РБ
- Благодарил (а): 133 раза
- Поблагодарили: 141 раз
Re: Глючит климат, часто меняет режимы. Webasto.
Проверьте трубочку датчика т климы. Вебаста только включает печку при достижении антифризом 30 градусов .
Всем добра!
-
tr0y
- Сообщения: 76
- Зарегистрирован: 25 дек 2012, 07:06
- Двигатель:: 4M41
- Мой автомобиль(и):: Pajero IV 3.2 2008
- Откуда: Уфа
- Благодарил (а): 2 раза
- Поблагодарили: 3 раза
Re: Глючит климат, часто меняет режимы. Webasto.
Климат от вебасты сейчас отключен
добрался до трубочки, трубочка на месте
сейчас потеплело, климат работает более менее правильно
добрался до трубочки, трубочка на месте
сейчас потеплело, климат работает более менее правильно
-
tr0y
- Сообщения: 76
- Зарегистрирован: 25 дек 2012, 07:06
- Двигатель:: 4M41
- Мой автомобиль(и):: Pajero IV 3.2 2008
- Откуда: Уфа
- Благодарил (а): 2 раза
- Поблагодарили: 3 раза
Re: Глючит климат, часто меняет режимы. Webasto.
вот похолодало опять
опять глючит
кроме трубочки нет вариантов?
опять глючит
кроме трубочки нет вариантов?
- igor-857
- Сообщения: 1339
- Зарегистрирован: 23 окт 2010, 17:40
- Двигатель:: 6G75
- Мой автомобиль(и):: PAJERO 4
- Откуда: 190Rus
- Откуда: Домодедово
- Поблагодарили: 25 раз
Re: Глючит климат, часто меняет режимы. Webasto.
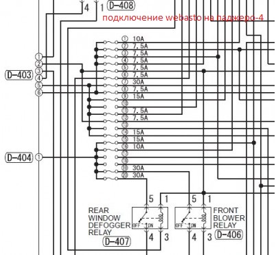
правильно подключили webasto,,.???tr0y писал(а):вот похолодало опять
опять глючит
кроме трубочки нет вариантов?
см .фото!!
- Вложения
-
- webasto_connect3.jpg (51.42 КБ) 2448 просмотров
-
- webasto_connect.jpg (54.81 КБ) 2448 просмотров
pajero2-5 дв-1993-1996-1999 г.в-5 мкпп.super-select-2500td-2800td было
pajero4-5 дв-2007 г.в-5 акпп.super-select.3200td-было
pajero4-5 дв-2007 г.в-5 акпп.super-select 3800l-сейчас\газ.оборуд\
тел-8 968 412 43 86
Активация Autel ap200,Launch,Autocom
pajero4-5 дв-2007 г.в-5 акпп.super-select.3200td-было
pajero4-5 дв-2007 г.в-5 акпп.super-select 3800l-сейчас\газ.оборуд\
тел-8 968 412 43 86
Активация Autel ap200,Launch,Autocom
-
tr0y
- Сообщения: 76
- Зарегистрирован: 25 дек 2012, 07:06
- Двигатель:: 4M41
- Мой автомобиль(и):: Pajero IV 3.2 2008
- Откуда: Уфа
- Благодарил (а): 2 раза
- Поблагодарили: 3 раза
Re: Глючит климат, часто меняет режимы. Webasto.
сложно сказатьigor-857 писал(а): правильно подключили webasto,,.???
см .фото!!
webasto ставил автодиллерtr0y писал(а): так как автоэлектрик из меня так себе
всё работало
-
tr0y
- Сообщения: 76
- Зарегистрирован: 25 дек 2012, 07:06
- Двигатель:: 4M41
- Мой автомобиль(и):: Pajero IV 3.2 2008
- Откуда: Уфа
- Благодарил (а): 2 раза
- Поблагодарили: 3 раза
Re: Глючит климат, часто меняет режимы. Webasto.
с webasto всё нормально
катались с подключенным сканером глюк засечь не смогли
добавился новый глюк
в режиме авто включается забор воздуха из салона
такое я видел только в жару, но не зимой
катались с подключенным сканером глюк засечь не смогли
добавился новый глюк
в режиме авто включается забор воздуха из салона
такое я видел только в жару, но не зимой
-
tr0y
- Сообщения: 76
- Зарегистрирован: 25 дек 2012, 07:06
- Двигатель:: 4M41
- Мой автомобиль(и):: Pajero IV 3.2 2008
- Откуда: Уфа
- Благодарил (а): 2 раза
- Поблагодарили: 3 раза
Re: Глючит климат, часто меняет режимы. Webasto.
вообщем выбора нет
надо менять датчики
насколько я понял их два?
MITSUBISHI MR320628 – Датчик температуры наружный
Mitsubishi MN134419 -Датчик температуры салона
с какого начать?
надо менять датчики
насколько я понял их два?
MITSUBISHI MR320628 – Датчик температуры наружный
Mitsubishi MN134419 -Датчик температуры салона
с какого начать?
-
tr0y
- Сообщения: 76
- Зарегистрирован: 25 дек 2012, 07:06
- Двигатель:: 4M41
- Мой автомобиль(и):: Pajero IV 3.2 2008
- Откуда: Уфа
- Благодарил (а): 2 раза
- Поблагодарили: 3 раза
Re: Глючит климат, часто меняет режимы. Webasto.
диагност утверждает что с датчиками всё в порядке
есть провалы в температуре двигателя, в движении температура двигателя вдруг падает на 3-5 градусов
именно в эти моменты климат начинает менять режимы
вопрос, почему это может происходить?
термостат оригинальный, заменён год назад
есть провалы в температуре двигателя, в движении температура двигателя вдруг падает на 3-5 градусов
именно в эти моменты климат начинает менять режимы
вопрос, почему это может происходить?
термостат оригинальный, заменён год назад
-
Hooks
- Сообщения: 9
- Зарегистрирован: 03 ноя 2011, 20:53
- Двигатель:: 4D56
- Мой автомобиль(и):: MONTERO SPORT(EUR) (K90#)
- Благодарил (а): 1 раз
Re: Глючит климат, часто меняет режимы. Webasto.
У меня похожая проблема тоже вебасто все прекрасно работало но недавно климат стал глючить а именно не включается блок вообще потом включается работает опять не работает заметил что модно запустить от вебасто после выключения вебасто работает а теперь и вебасто не помогает климат не запускается. У вас проблема решилась и каким образом???
-
tr0y
- Сообщения: 76
- Зарегистрирован: 25 дек 2012, 07:06
- Двигатель:: 4M41
- Мой автомобиль(и):: Pajero IV 3.2 2008
- Откуда: Уфа
- Благодарил (а): 2 раза
- Поблагодарили: 3 раза
Re: Глючит климат, часто меняет режимы. Webasto.
решилась ли моя проблема или нет, я пока не знаю. на улице потеплело и глюк пропал. жду морозов.
у вас, мне кажется, проблема с реле которым вебаста включает климат. попробуйте заменить.
у меня реле под капотом, правый дальний угол если стоять к машине лицом. там должна быть колодка на 3 предохранителя закрытых резиновыми заглушками и рядом реле. в реле ничего хитрого нет, зайдите с ним в автозапчасти - подберут.
у вас, мне кажется, проблема с реле которым вебаста включает климат. попробуйте заменить.
у меня реле под капотом, правый дальний угол если стоять к машине лицом. там должна быть колодка на 3 предохранителя закрытых резиновыми заглушками и рядом реле. в реле ничего хитрого нет, зайдите с ним в автозапчасти - подберут.
-
tr0y
- Сообщения: 76
- Зарегистрирован: 25 дек 2012, 07:06
- Двигатель:: 4M41
- Мой автомобиль(и):: Pajero IV 3.2 2008
- Откуда: Уфа
- Благодарил (а): 2 раза
- Поблагодарили: 3 раза
Re: Глючит климат, часто меняет режимы. Webasto.
моя проблема так и не решилась. путем наблюдений выяснил что нужно климат контроль выключить и через минуту включить после выключения вебасты, тогда всё нормально. почему у климата рвёт крышу при включенной вебасте для меня загадка
