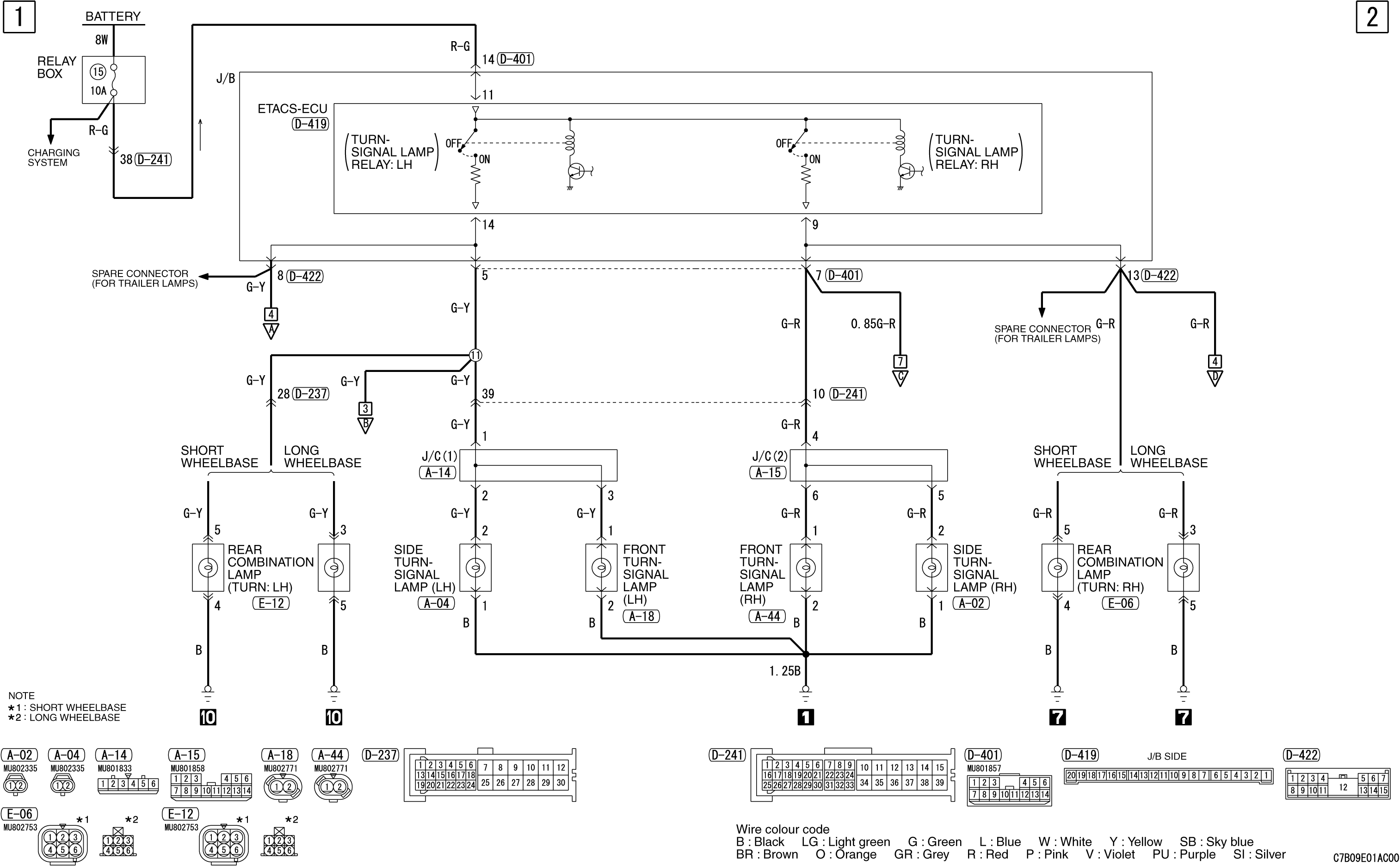
Прошу помочь. Очень нужна схема электрическая принципиальная цепи от предохранителя №15 (10А) под капотом, отвечающим за аварийку и поворотники, далее блок ETACS (в нем стоит само реле поворотников) ну и все что после.
У меня через эту цепь идет большая утечка тока (5А) при закрытой машине.
Pajero 3, 4m41, 2005 год (рейстайлинг).
сама тема тут: http://www.pajero4x4.ru/bbs/phpBB2/view ... 0&t=153641
Заранее благодарю.
