TRT - Вдоль р.Киржач. Для стандартных 4х4 (08.11.25) Форум Обсуждение FAQ
Как подключить сигналку к концевикам?
Модераторы: SNOOPER, Nbf, Romik, BAlex, drcham, Podzemshik
- Nickolas
- Сообщения: 1591
- Зарегистрирован: 18 окт 2014, 21:23
- Двигатель:: 4d56
- Мой автомобиль(и):: Pajero Sport
- Откуда: Москва
- Благодарил (а): 22 раза
- Поблагодарили: 121 раз
Как подключить сигналку к концевикам?
Приветствую!
Хочу подключить выводы сигналки к концевикам, но не изменяя логику работы штатного освещения, т.е. нужно, чтобы при открытии любой двери(в т.ч. багажника) загорался свет во всем салоне, но чтобы сигналка при этом корректно определяла что именно открыто-дверь в салон или багажник.
Изначально было сделано колхозно и просто - провод на концевик багажника был перекушен и соединен с выводом сигналки на концевик.
Сигналка работала корректно, но либо багажнике либо темно, либо забытый включенный свет.
Все это надоело, полез ковырять, но ничего лучше никак не изобрету.
Даже если протянуть отдельный концевик для вывода сигналки на багажник, то при открытом багажнике сигналка будет видеть и открытые двери.
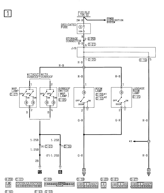
Эл. схема прилагается.
Кто-нибудь сталкивался(заморачивался)?
Спасибо!
Хочу подключить выводы сигналки к концевикам, но не изменяя логику работы штатного освещения, т.е. нужно, чтобы при открытии любой двери(в т.ч. багажника) загорался свет во всем салоне, но чтобы сигналка при этом корректно определяла что именно открыто-дверь в салон или багажник.
Изначально было сделано колхозно и просто - провод на концевик багажника был перекушен и соединен с выводом сигналки на концевик.
Сигналка работала корректно, но либо багажнике либо темно, либо забытый включенный свет.
Все это надоело, полез ковырять, но ничего лучше никак не изобрету.
Даже если протянуть отдельный концевик для вывода сигналки на багажник, то при открытом багажнике сигналка будет видеть и открытые двери.
Эл. схема прилагается.
Кто-нибудь сталкивался(заморачивался)?
Спасибо!
Чтоб праздник отличать от буден,
Давайте в праздник пить не будем!
MPS 2.5D EFI MT 2008
Давайте в праздник пить не будем!
MPS 2.5D EFI MT 2008
- Chumahod
- Сообщения: 12633
- Зарегистрирован: 02 дек 2007, 21:56
- Двигатель:: 6G72
- Мой автомобиль(и):: Pajero Sport 2000г
- Откуда: МСК
- Откуда: Москва, ЮВАО
- Благодарил (а): 776 раз
- Поблагодарили: 765 раз
Re: Как подключить сигналку к концевикам?
Через диоды развяжи, делов то. 
"Есть люди которые помнят добро, а есть все остальные." (с)
МКПП, 380ткм (пробег по н/в), Venom Power Terra Hunter X/T 265/70-16, подвеска ОМЕ, демпфер Proсomp, диодный рабочий свет по кругу, защита, пороги и ещё куча вкусных ништяков на машинке:)
МКПП, 380ткм (пробег по н/в), Venom Power Terra Hunter X/T 265/70-16, подвеска ОМЕ, демпфер Proсomp, диодный рабочий свет по кругу, защита, пороги и ещё куча вкусных ништяков на машинке:)
- Nickolas
- Сообщения: 1591
- Зарегистрирован: 18 окт 2014, 21:23
- Двигатель:: 4d56
- Мой автомобиль(и):: Pajero Sport
- Откуда: Москва
- Благодарил (а): 22 раза
- Поблагодарили: 121 раз
Re: Как подключить сигналку к концевикам?
Думал об этом, просто не уверен, что сработает.
Правильно понимаю, что нужно поставить по диоду на каждое "плечо", т.е. один на "шину" концевиков дверей и один на концевик багажника? Разумеется, до вывода сигналки. Схема правильная?
Я не очень силен в электротехнике(школьная программа), что сказать в магазине? Какие нужны диоды?
Спасибо!
Правильно понимаю, что нужно поставить по диоду на каждое "плечо", т.е. один на "шину" концевиков дверей и один на концевик багажника? Разумеется, до вывода сигналки. Схема правильная?
Я не очень силен в электротехнике(школьная программа), что сказать в магазине? Какие нужны диоды?
Спасибо!
Чтоб праздник отличать от буден,
Давайте в праздник пить не будем!
MPS 2.5D EFI MT 2008
Давайте в праздник пить не будем!
MPS 2.5D EFI MT 2008
- Chumahod
- Сообщения: 12633
- Зарегистрирован: 02 дек 2007, 21:56
- Двигатель:: 6G72
- Мой автомобиль(и):: Pajero Sport 2000г
- Откуда: МСК
- Откуда: Москва, ЮВАО
- Благодарил (а): 776 раз
- Поблагодарили: 765 раз
Re: Как подключить сигналку к концевикам?
Всё так. Диод выбирай на свой вкус: http://lessonradio.narod.ru/handbook/Diod.htm#2
На всякий случай диод лучше взять для напряжения более 100В и с запасом по току (по сумме мощностей ламп салона+100% запас).
На всякий случай диод лучше взять для напряжения более 100В и с запасом по току (по сумме мощностей ламп салона+100% запас).
"Есть люди которые помнят добро, а есть все остальные." (с)
МКПП, 380ткм (пробег по н/в), Venom Power Terra Hunter X/T 265/70-16, подвеска ОМЕ, демпфер Proсomp, диодный рабочий свет по кругу, защита, пороги и ещё куча вкусных ништяков на машинке:)
МКПП, 380ткм (пробег по н/в), Venom Power Terra Hunter X/T 265/70-16, подвеска ОМЕ, демпфер Proсomp, диодный рабочий свет по кругу, защита, пороги и ещё куча вкусных ништяков на машинке:)
- Nickolas
- Сообщения: 1591
- Зарегистрирован: 18 окт 2014, 21:23
- Двигатель:: 4d56
- Мой автомобиль(и):: Pajero Sport
- Откуда: Москва
- Благодарил (а): 22 раза
- Поблагодарили: 121 раз
Re: Как подключить сигналку к концевикам?
Все понял!
Спасибо!
Спасибо!
Чтоб праздник отличать от буден,
Давайте в праздник пить не будем!
MPS 2.5D EFI MT 2008
Давайте в праздник пить не будем!
MPS 2.5D EFI MT 2008
- YuginZ
- Сообщения: 87
- Зарегистрирован: 13 фев 2016, 18:19
- Двигатель:: Дизель
- Мой автомобиль(и):: Pajero 4
- Откуда: Химки М.О.
- Благодарил (а): 3 раза
- Поблагодарили: 7 раз
Re: Как подключить сигналку к концевикам?
Верно на схеме диоды добавлены . Можно купить диоды любые , FR207 , FR 307 ,FR 407 .
-
vadym
- Сообщения: 1457
- Зарегистрирован: 12 сен 2007, 00:50
- Откуда: Черновцы
- Благодарил (а): 12 раз
- Поблагодарили: 120 раз
Re: Как подключить сигналку к концевикам?
Почему именно FR? По моему не очень удачный выбор, а FR207 вообще не пойдет - слаб по току. Диоды FR это импульсные (быстрые) диоды для высокоскоростных процессов с довольно высоким прямым падением напряжения -1,3 Вольта, что приведет к сильному разогреву диода при полной нагрузке - включенных лампах: на щитке приборов, в салоне и в багажнике ток приблизительно может доходить до 1,8 Ампер.YuginZ писал(а):Верно на схеме диоды добавлены . Можно купить диоды любые , FR207 , FR 307 ,FR 407 .
При напряжении падения на диоде 1,3 Вольта получаем выделяемую мощность на нем 1,8*1,3= 2,34 Ватта. Диод будет очень горячий.
Лучше взять обычный выпрямительный диод, что-то из очень распространенных например 3х амперный 1N5401 и т.п. Прямое падение на нем при 1,8 Амперах обычно не выше 0,8 Вольт то есть имеем где-то 1.5 Ватта, будет теплый, но приемлемо.
PAJERO SPORT 2003 2,5 TD
- Nickolas
- Сообщения: 1591
- Зарегистрирован: 18 окт 2014, 21:23
- Двигатель:: 4d56
- Мой автомобиль(и):: Pajero Sport
- Откуда: Москва
- Благодарил (а): 22 раза
- Поблагодарили: 121 раз
Re: Как подключить сигналку к концевикам?
КД203 подойдет?
Чтоб праздник отличать от буден,
Давайте в праздник пить не будем!
MPS 2.5D EFI MT 2008
Давайте в праздник пить не будем!
MPS 2.5D EFI MT 2008
-
vadym
- Сообщения: 1457
- Зарегистрирован: 12 сен 2007, 00:50
- Откуда: Черновцы
- Благодарил (а): 12 раз
- Поблагодарили: 120 раз
Re: Как подключить сигналку к концевикам?
Пойдут прекрасно с большим запасом, но посмотри на сколько неудобный у них корпус для применения в авто по сравнению с современными диодами в пластике. Кстати 1N5400 серия применяется в сигнализациях для развязки мигающих поворотников, так что их легко найти в конторах по установке сигнализаций и в магазинах радиодеталей.Nickolas писал(а):КД203 подойдет?
PAJERO SPORT 2003 2,5 TD
- Nickolas
- Сообщения: 1591
- Зарегистрирован: 18 окт 2014, 21:23
- Двигатель:: 4d56
- Мой автомобиль(и):: Pajero Sport
- Откуда: Москва
- Благодарил (а): 22 раза
- Поблагодарили: 121 раз
Re: Как подключить сигналку к концевикам?
Удалось купить 3шт кд202д и, на всякий случай я еще купил диодов Шоттки VS50SQ100(в маленьком корпусе). Не понравится - переделаю.
Попробовал "накинуть" кд202д не закрепляя(просто проверить), вроде за 15 минут не стал даже теплым.
202 мне, собственно, очень понравился именно корпусом. У тебя на фотке какая-то адская конструкция, а вот на моем фото осталось только обжать контакты и просверлить отверстие где-нибудь в пластике, чтоб не болтался. И удобно сверлить и диэлектрик. Хотя не спорю, тот факт, что корпус по сути один из контактов немного напрягает,
Зато кондовый и все под болт, прям как я люблю.
Попробовал "накинуть" кд202д не закрепляя(просто проверить), вроде за 15 минут не стал даже теплым.
202 мне, собственно, очень понравился именно корпусом. У тебя на фотке какая-то адская конструкция, а вот на моем фото осталось только обжать контакты и просверлить отверстие где-нибудь в пластике, чтоб не болтался. И удобно сверлить и диэлектрик. Хотя не спорю, тот факт, что корпус по сути один из контактов немного напрягает,
Зато кондовый и все под болт, прям как я люблю.
Чтоб праздник отличать от буден,
Давайте в праздник пить не будем!
MPS 2.5D EFI MT 2008
Давайте в праздник пить не будем!
MPS 2.5D EFI MT 2008
-
vadym
- Сообщения: 1457
- Зарегистрирован: 12 сен 2007, 00:50
- Откуда: Черновцы
- Благодарил (а): 12 раз
- Поблагодарили: 120 раз
Re: Как подключить сигналку к концевикам?
Шоттки VS50SQ100 - супер, это лучший вариант в данном случае, хотя такие диоды не дешевые.Nickolas писал(а):Удалось купить 3шт кд202д и, на всякий случай я еще купил диодов Шоттки VS50SQ100(в маленьком корпусе). Не понравится - переделаю.
Попробовал "накинуть" кд202д не закрепляя(просто проверить), вроде за 15 минут не стал даже теплым.
202 мне, собственно, очень понравился именно корпусом. У тебя на фотке какая-то адская конструкция, а вот на моем фото осталось только обжать контакты и просверлить отверстие где-нибудь в пластике, чтоб не болтался. И удобно сверлить и диэлектрик. Хотя не спорю, тот факт, что корпус по сути один из контактов немного напрягает,
Зато кондовый и все под болт, прям как я люблю.
Мне КД202 тоже нравятся, у меня осталось с советских времен несколько сот штук - применяю где могу. Но в автомобиле их не ставлю - надо изолировать в пластиковую коробку, если просто изолентой -может протереться и закоротить на корпус. На фотке адская конструкция - обычный выпрямительный мостик на 2Д203А на небольшом радиаторе.
Проверять диод - надо включить через него паралельно соедененные две салонные лампы по 10 Ватт или одну лампу от поворотов на 21 Ватт подключив к аккумулятору при заведенном двигателе.
PAJERO SPORT 2003 2,5 TD
- Nickolas
- Сообщения: 1591
- Зарегистрирован: 18 окт 2014, 21:23
- Двигатель:: 4d56
- Мой автомобиль(и):: Pajero Sport
- Откуда: Москва
- Благодарил (а): 22 раза
- Поблагодарили: 121 раз
Re: Как подключить сигналку к концевикам?
Нужно всего-то 2 диода, поэтому можно шикануть:)
меня только смущает, что очень уж они колххозно будут крепиться. Паять я, увы, не умею, поэтому на месте будет как на фото+ термоусадка.
А что в 202 может закоротить на корпус? Я вообще планировал врезать их в торпедо, в пластик, где-нить за приборкой.
меня только смущает, что очень уж они колххозно будут крепиться. Паять я, увы, не умею, поэтому на месте будет как на фото+ термоусадка.
А что в 202 может закоротить на корпус? Я вообще планировал врезать их в торпедо, в пластик, где-нить за приборкой.
Чтоб праздник отличать от буден,
Давайте в праздник пить не будем!
MPS 2.5D EFI MT 2008
Давайте в праздник пить не будем!
MPS 2.5D EFI MT 2008
-
vadym
- Сообщения: 1457
- Зарегистрирован: 12 сен 2007, 00:50
- Откуда: Черновцы
- Благодарил (а): 12 раз
- Поблагодарили: 120 раз
Re: Как подключить сигналку к концевикам?
На корпус диод не закоротит, но корпус диода может закоротить на массу машины. Поэтому правильно будет ( и так обычно делают) - использовать пластмассовые диоды, спаять их вместе, припаять провода, одеть термокембрик на выводы, потом одеть более толстый термокембрик на всю конструкцию прогреть феном до усадки кембрика и примотать к жгуту с проводами в районе блока с предохранителями возле левой ноги водителя или в другом месте.Nickolas писал(а):Нужно всего-то 2 диода, поэтому можно шикануть:)
меня только смущает, что очень уж они колххозно будут крепиться. Паять я, увы, не умею, поэтому на месте будет как на фото+ термоусадка.
А что в 202 может закоротить на корпус? Я вообще планировал врезать их в торпедо, в пластик, где-нить за приборкой.
PAJERO SPORT 2003 2,5 TD
- Тимурыч
- Сообщения: 2609
- Зарегистрирован: 29 апр 2015, 09:39
- Двигатель:: 6G74 DOHC- бензин
- Мой автомобиль(и):: Паджеро-2, 1996 г.в., 3.5 V6, 6G74 DOHC. Каризма. Нива. Паджеро-4.
- Откуда: МО,Истринский р-он
- Откуда: М.О.
- Благодарил (а): 770 раз
- Поблагодарили: 173 раза
Re: Как подключить сигналку к концевикам?
А разве у сигналок не разные провода идут на концевики дверей и концевики капота и багажника?
- Nickolas
- Сообщения: 1591
- Зарегистрирован: 18 окт 2014, 21:23
- Двигатель:: 4d56
- Мой автомобиль(и):: Pajero Sport
- Откуда: Москва
- Благодарил (а): 22 раза
- Поблагодарили: 121 раз
Re: Как подключить сигналку к концевикам?
Вот блин!
Надо руки вырвать тем, кто ставил сигналку в мою машину!
Пошел по проводу и пришел к лампочке на приборке!
Но это ладно, в жгуте проводов от сигналки часть проводов просто перекушена со стороны сигналки, еще часть просто оголенные висят(интересное инженерное решение!), а оставшаяся часть зачем-то нарощена. Например до концевиков дверей должен быть черно-синий, который нарощен белым после примерно 10см.
странно, что эта конструкция вообще работает!
В этой связи, подскажите, пожалуйста, где конкретно физически в машине идет общий провод всех концевиков дверей (кроме багажника).
Искал разъем Е-40(см схему), но так и не нашел:(
Спасибо!
Надо руки вырвать тем, кто ставил сигналку в мою машину!
Пошел по проводу и пришел к лампочке на приборке!
Но это ладно, в жгуте проводов от сигналки часть проводов просто перекушена со стороны сигналки, еще часть просто оголенные висят(интересное инженерное решение!), а оставшаяся часть зачем-то нарощена. Например до концевиков дверей должен быть черно-синий, который нарощен белым после примерно 10см.
странно, что эта конструкция вообще работает!
В этой связи, подскажите, пожалуйста, где конкретно физически в машине идет общий провод всех концевиков дверей (кроме багажника).
Искал разъем Е-40(см схему), но так и не нашел:(
Спасибо!
Чтоб праздник отличать от буден,
Давайте в праздник пить не будем!
MPS 2.5D EFI MT 2008
Давайте в праздник пить не будем!
MPS 2.5D EFI MT 2008
- Тимурыч
- Сообщения: 2609
- Зарегистрирован: 29 апр 2015, 09:39
- Двигатель:: 6G74 DOHC- бензин
- Мой автомобиль(и):: Паджеро-2, 1996 г.в., 3.5 V6, 6G74 DOHC. Каризма. Нива. Паджеро-4.
- Откуда: МО,Истринский р-он
- Откуда: М.О.
- Благодарил (а): 770 раз
- Поблагодарили: 173 раза
Re: Как подключить сигналку к концевикам?
Фиолетовый на капот и зелёный на багажник или наоборот,а на двери коричневый должен быть.
- Nickolas
- Сообщения: 1591
- Зарегистрирован: 18 окт 2014, 21:23
- Двигатель:: 4d56
- Мой автомобиль(и):: Pajero Sport
- Откуда: Москва
- Благодарил (а): 22 раза
- Поблагодарили: 121 раз
Re: Как подключить сигналку к концевикам?
"а на двери коричневый должен быть."
А по машине он где идет? Где в него можно тестером потыкать?
А по машине он где идет? Где в него можно тестером потыкать?
Чтоб праздник отличать от буден,
Давайте в праздник пить не будем!
MPS 2.5D EFI MT 2008
Давайте в праздник пить не будем!
MPS 2.5D EFI MT 2008
-
vadym
- Сообщения: 1457
- Зарегистрирован: 12 сен 2007, 00:50
- Откуда: Черновцы
- Благодарил (а): 12 раз
- Поблагодарили: 120 раз
Re: Как подключить сигналку к концевикам?
Там в файле со схемами электропроводки есть еще и схемы расположения жгутов с проводами и расположение разъемов - см. фото.Nickolas писал(а):Вот блин!
Надо руки вырвать тем, кто ставил сигналку в мою машину!
Пошел по проводу и пришел к лампочке на приборке!
Но это ладно, в жгуте проводов от сигналки часть проводов просто перекушена со стороны сигналки, еще часть просто оголенные висят(интересное инженерное решение!), а оставшаяся часть зачем-то нарощена. Например до концевиков дверей должен быть черно-синий, который нарощен белым после примерно 10см.
странно, что эта конструкция вообще работает!
В этой связи, подскажите, пожалуйста, где конкретно физически в машине идет общий провод всех концевиков дверей (кроме багажника).
Искал разъем Е-40(см схему), но так и не нашел:(
Спасибо!
Нужный провод G-R (зеленый с красной полосой или пунктирной красной полосой) выходит из контакта 2 разъема Е-40 и приходит на разъем Е-39 контакт 20, при этом перед контактом 20 должно быть нужное разделение на концевики дверей и на концевик задней двери куда надо впаять диоды, а после диодов подключить провода от сигнализации.
Разъемы Е-40 и Е-39 вроде находятся под передней правой сидушкой пассажира, под напольным покрытием.
PAJERO SPORT 2003 2,5 TD
- Nickolas
- Сообщения: 1591
- Зарегистрирован: 18 окт 2014, 21:23
- Двигатель:: 4d56
- Мой автомобиль(и):: Pajero Sport
- Откуда: Москва
- Благодарил (а): 22 раза
- Поблагодарили: 121 раз
Re: Как подключить сигналку к концевикам?
"Разъемы Е-40 и Е-39 вроде находятся под передней правой сидушкой пассажира, под напольным покрытием."
Блиин, а нарисованы-то они так, как будто находятся где-то в районе допприборов! Я пол-машины разобрал, но их не нашел. А они, оказывается, под сидушкой!
Спасибо, полез разбирать!
Блиин, а нарисованы-то они так, как будто находятся где-то в районе допприборов! Я пол-машины разобрал, но их не нашел. А они, оказывается, под сидушкой!
Спасибо, полез разбирать!
Чтоб праздник отличать от буден,
Давайте в праздник пить не будем!
MPS 2.5D EFI MT 2008
Давайте в праздник пить не будем!
MPS 2.5D EFI MT 2008
-
vadym
- Сообщения: 1457
- Зарегистрирован: 12 сен 2007, 00:50
- Откуда: Черновцы
- Благодарил (а): 12 раз
- Поблагодарили: 120 раз
Re: Как подключить сигналку к концевикам?
Nickolas писал(а):"Разъемы Е-40 и Е-39 вроде находятся под передней правой сидушкой пассажира, под напольным покрытием."
Блиин, а нарисованы-то они так, как будто находятся где-то в районе допприборов! Я пол-машины разобрал, но их не нашел. А они, оказывается, под сидушкой!
Спасибо, полез разбирать!
PAJERO SPORT 2003 2,5 TD
