Домино Трофи 2026 - 25 Апреля - Обсудить и спросить тут.
Саббуфер по лайту в П2 ??
Модераторы: SNOOPER, Nbf, Romik, BAlex
- Sersh
- Сообщения: 2415
- Зарегистрирован: 13 июн 2006, 18:13
- Двигатель:: 4DBF
- Мой автомобиль(и):: PAJERO
- Откуда: Москва
- Откуда: Москва. Теплак
- Благодарил (а): 19 раз
- Поблагодарили: 18 раз
- Контактная информация:
Саббуфер по лайту в П2 ??
Добрый день... есть ли возможность по самым незначительным переделкам и доделкам воткунуть небольшой саббуфер в коротышка П2 ??
Без усилителя... без ящика под динамик... и какой (если есть опыт) сааб для этого подойдет....
Так же хочу зашумить двери и есть ли возможность от магнитолы штатные передние динамики запаралелить с динамиками в дверях?? магнитола Пролоджи DVS-1375T ( http://www.auto-hifi.ru/auto/model.php?mode=DVS-1375T )
В связи с чуть зашумливанием машины хочу улучшить звук...
Без усилителя... без ящика под динамик... и какой (если есть опыт) сааб для этого подойдет....
Так же хочу зашумить двери и есть ли возможность от магнитолы штатные передние динамики запаралелить с динамиками в дверях?? магнитола Пролоджи DVS-1375T ( http://www.auto-hifi.ru/auto/model.php?mode=DVS-1375T )
В связи с чуть зашумливанием машины хочу улучшить звук...
2500D-TURBO/SHORT WAGON GLS(WIDE/SUPER SELECT),5FM/T EFTA-LHD 3DOOR, 1994
замена двс на корейский 4DBF, маслоотделитель, MJ-600 Turbo, Гудрич 33х12.50 R15 AT..
теперь салон кожа :-) DEKA 105L, зашумлен, цифровая голова, сааб
замена двс на корейский 4DBF, маслоотделитель, MJ-600 Turbo, Гудрич 33х12.50 R15 AT..
теперь салон кожа :-) DEKA 105L, зашумлен, цифровая голова, сааб
- Sersh
- Сообщения: 2415
- Зарегистрирован: 13 июн 2006, 18:13
- Двигатель:: 4DBF
- Мой автомобиль(и):: PAJERO
- Откуда: Москва
- Откуда: Москва. Теплак
- Благодарил (а): 19 раз
- Поблагодарили: 18 раз
- Контактная информация:
Re: Саббуфер по лайту в П2 ??
вот типа такого пойдет.. http://www.citilink.ru/catalog/car_elec ... rs/955835/ или выброшенные деньги ??
2500D-TURBO/SHORT WAGON GLS(WIDE/SUPER SELECT),5FM/T EFTA-LHD 3DOOR, 1994
замена двс на корейский 4DBF, маслоотделитель, MJ-600 Turbo, Гудрич 33х12.50 R15 AT..
теперь салон кожа :-) DEKA 105L, зашумлен, цифровая голова, сааб
замена двс на корейский 4DBF, маслоотделитель, MJ-600 Turbo, Гудрич 33х12.50 R15 AT..
теперь салон кожа :-) DEKA 105L, зашумлен, цифровая голова, сааб
- gansales
- Сообщения: 12038
- Зарегистрирован: 06 ноя 2009, 10:22
- Двигатель:: 6g72
- Мой автомобиль(и):: Montero Sport (был) Паджеро IV , 3.0 , ultimate. 12 год.
- Откуда: Москва
- Откуда: < Кунцево Рублёвка >
- Благодарил (а): 314 раз
- Поблагодарили: 791 раз
Re: Саббуфер по лайту в П2 ??
Ну почему выброшенные , нет но от от саба с фазоинвертором - разница по звуку серьёзная . ищи узкий динамик не активный и через усилок в пару каналов поставишь и ставь в 5ю дверь .! не забудь зашумить !
Montero Sport. 3.0 , Акпп. 2000г. ( Продан) был со мной 13 лет.
Паджеро 4 . 3.0 . 12 год.
Андрей.
Если пуля в голове - доктор не поможет !
Паджеро 4 . 3.0 . 12 год.
Андрей.
Если пуля в голове - доктор не поможет !
- Sersh
- Сообщения: 2415
- Зарегистрирован: 13 июн 2006, 18:13
- Двигатель:: 4DBF
- Мой автомобиль(и):: PAJERO
- Откуда: Москва
- Откуда: Москва. Теплак
- Благодарил (а): 19 раз
- Поблагодарили: 18 раз
- Контактная информация:
Re: Саббуфер по лайту в П2 ??
а вот такой пойдет https://www.citilink.ru/catalog/car_ele ... rs/735694/ ... не хочу с усилком морочаться... есть выход с магнитолы под сааб с настройками ...gansales писал(а):Ну почему выброшенные , нет но от от саба с фазоинвертором - разница по звуку серьёзная . ищи узкий динамик не активный и через усилок в пару каналов поставишь и ставь в 5ю дверь .! не забудь зашумить !
2500D-TURBO/SHORT WAGON GLS(WIDE/SUPER SELECT),5FM/T EFTA-LHD 3DOOR, 1994
замена двс на корейский 4DBF, маслоотделитель, MJ-600 Turbo, Гудрич 33х12.50 R15 AT..
теперь салон кожа :-) DEKA 105L, зашумлен, цифровая голова, сааб
замена двс на корейский 4DBF, маслоотделитель, MJ-600 Turbo, Гудрич 33х12.50 R15 AT..
теперь салон кожа :-) DEKA 105L, зашумлен, цифровая голова, сааб
- gansales
- Сообщения: 12038
- Зарегистрирован: 06 ноя 2009, 10:22
- Двигатель:: 6g72
- Мой автомобиль(и):: Montero Sport (был) Паджеро IV , 3.0 , ultimate. 12 год.
- Откуда: Москва
- Откуда: < Кунцево Рублёвка >
- Благодарил (а): 314 раз
- Поблагодарили: 791 раз
Re: Саббуфер по лайту в П2 ??
место займёт , но лучше . какая голова ?
Montero Sport. 3.0 , Акпп. 2000г. ( Продан) был со мной 13 лет.
Паджеро 4 . 3.0 . 12 год.
Андрей.
Если пуля в голове - доктор не поможет !
Паджеро 4 . 3.0 . 12 год.
Андрей.
Если пуля в голове - доктор не поможет !
- Sersh
- Сообщения: 2415
- Зарегистрирован: 13 июн 2006, 18:13
- Двигатель:: 4DBF
- Мой автомобиль(и):: PAJERO
- Откуда: Москва
- Откуда: Москва. Теплак
- Благодарил (а): 19 раз
- Поблагодарили: 18 раз
- Контактная информация:
Re: Саббуфер по лайту в П2 ??
займет... может между передним и задним сиденьем установлю... все равно на 99% пустует...gansales писал(а):место займёт , но лучше . какая голова ?
а голова Пролоджи DVS-1375T
2500D-TURBO/SHORT WAGON GLS(WIDE/SUPER SELECT),5FM/T EFTA-LHD 3DOOR, 1994
замена двс на корейский 4DBF, маслоотделитель, MJ-600 Turbo, Гудрич 33х12.50 R15 AT..
теперь салон кожа :-) DEKA 105L, зашумлен, цифровая голова, сааб
замена двс на корейский 4DBF, маслоотделитель, MJ-600 Turbo, Гудрич 33х12.50 R15 AT..
теперь салон кожа :-) DEKA 105L, зашумлен, цифровая голова, сааб
- gansales
- Сообщения: 12038
- Зарегистрирован: 06 ноя 2009, 10:22
- Двигатель:: 6g72
- Мой автомобиль(и):: Montero Sport (был) Паджеро IV , 3.0 , ultimate. 12 год.
- Откуда: Москва
- Откуда: < Кунцево Рублёвка >
- Благодарил (а): 314 раз
- Поблагодарили: 791 раз
Re: Саббуфер по лайту в П2 ??
пролоджи выкинь в в окно ))))) бери алпайн с 24х битным цифровым преобразователем , стоит такая примерно 10-15 рублей.
Montero Sport. 3.0 , Акпп. 2000г. ( Продан) был со мной 13 лет.
Паджеро 4 . 3.0 . 12 год.
Андрей.
Если пуля в голове - доктор не поможет !
Паджеро 4 . 3.0 . 12 год.
Андрей.
Если пуля в голове - доктор не поможет !
- gansales
- Сообщения: 12038
- Зарегистрирован: 06 ноя 2009, 10:22
- Двигатель:: 6g72
- Мой автомобиль(и):: Montero Sport (был) Паджеро IV , 3.0 , ultimate. 12 год.
- Откуда: Москва
- Откуда: < Кунцево Рублёвка >
- Благодарил (а): 314 раз
- Поблагодарили: 791 раз
Re: Саббуфер по лайту в П2 ??
у меня стоит алпайн (модель позже напишу) перед мид басс - DLS , твитеры харман кордон . , зад мб квард коаксиалы . мне даже саб не нужен . правильная установка компонентов ! звук - УЛЁТ! я сам на гитаре играю знаю о чём пишу . есть книга написал Кевин о бёрт вроде , звук для больших и маленьких , найди и ты всё поймёшь)))
Montero Sport. 3.0 , Акпп. 2000г. ( Продан) был со мной 13 лет.
Паджеро 4 . 3.0 . 12 год.
Андрей.
Если пуля в голове - доктор не поможет !
Паджеро 4 . 3.0 . 12 год.
Андрей.
Если пуля в голове - доктор не поможет !
- Sersh
- Сообщения: 2415
- Зарегистрирован: 13 июн 2006, 18:13
- Двигатель:: 4DBF
- Мой автомобиль(и):: PAJERO
- Откуда: Москва
- Откуда: Москва. Теплак
- Благодарил (а): 19 раз
- Поблагодарили: 18 раз
- Контактная информация:
Re: Саббуфер по лайту в П2 ??
))) он у меня уже лет 5 работает... вроде безотказный и звук под дизелек нормальный )))gansales писал(а):пролоджи выкинь в в окно ))))) бери алпайн с 24х битным цифровым преобразователем , стоит такая примерно 10-15 рублей.
"тонкости" на бренде все равно наверно не услышишь... )))
вообщем заказал себе этот сааб... отпишусь потом )))
буду думать как передние колонки из штатника в двери перетащить )))
2500D-TURBO/SHORT WAGON GLS(WIDE/SUPER SELECT),5FM/T EFTA-LHD 3DOOR, 1994
замена двс на корейский 4DBF, маслоотделитель, MJ-600 Turbo, Гудрич 33х12.50 R15 AT..
теперь салон кожа :-) DEKA 105L, зашумлен, цифровая голова, сааб
замена двс на корейский 4DBF, маслоотделитель, MJ-600 Turbo, Гудрич 33х12.50 R15 AT..
теперь салон кожа :-) DEKA 105L, зашумлен, цифровая голова, сааб
- gansales
- Сообщения: 12038
- Зарегистрирован: 06 ноя 2009, 10:22
- Двигатель:: 6g72
- Мой автомобиль(и):: Montero Sport (был) Паджеро IV , 3.0 , ultimate. 12 год.
- Откуда: Москва
- Откуда: < Кунцево Рублёвка >
- Благодарил (а): 314 раз
- Поблагодарили: 791 раз
Re: Саббуфер по лайту в П2 ??
бери 16 дюймов компанентную ! .
Montero Sport. 3.0 , Акпп. 2000г. ( Продан) был со мной 13 лет.
Паджеро 4 . 3.0 . 12 год.
Андрей.
Если пуля в голове - доктор не поможет !
Паджеро 4 . 3.0 . 12 год.
Андрей.
Если пуля в голове - доктор не поможет !
- gansales
- Сообщения: 12038
- Зарегистрирован: 06 ноя 2009, 10:22
- Двигатель:: 6g72
- Мой автомобиль(и):: Montero Sport (был) Паджеро IV , 3.0 , ultimate. 12 год.
- Откуда: Москва
- Откуда: < Кунцево Рублёвка >
- Благодарил (а): 314 раз
- Поблагодарили: 791 раз
Re: Саббуфер по лайту в П2 ??
когда ты поставишь акустику как я советовал ,поймёшь зачем нужен алпайн .
Montero Sport. 3.0 , Акпп. 2000г. ( Продан) был со мной 13 лет.
Паджеро 4 . 3.0 . 12 год.
Андрей.
Если пуля в голове - доктор не поможет !
Паджеро 4 . 3.0 . 12 год.
Андрей.
Если пуля в голове - доктор не поможет !
- Sersh
- Сообщения: 2415
- Зарегистрирован: 13 июн 2006, 18:13
- Двигатель:: 4DBF
- Мой автомобиль(и):: PAJERO
- Откуда: Москва
- Откуда: Москва. Теплак
- Благодарил (а): 19 раз
- Поблагодарили: 18 раз
- Контактная информация:
Re: Саббуфер по лайту в П2 ??
)) да цену хорошей музыки я знаю... только уж цены кусаются... ))gansales писал(а):когда ты поставишь акустику как я советовал ,поймёшь зачем нужен алпайн .
кстати нашел этот сааб за 4 тыс (вместо 5 700), новый ... рядом со мной на каширке... сейчас поеду забирать
2500D-TURBO/SHORT WAGON GLS(WIDE/SUPER SELECT),5FM/T EFTA-LHD 3DOOR, 1994
замена двс на корейский 4DBF, маслоотделитель, MJ-600 Turbo, Гудрич 33х12.50 R15 AT..
теперь салон кожа :-) DEKA 105L, зашумлен, цифровая голова, сааб
замена двс на корейский 4DBF, маслоотделитель, MJ-600 Turbo, Гудрич 33х12.50 R15 AT..
теперь салон кожа :-) DEKA 105L, зашумлен, цифровая голова, сааб
- gansales
- Сообщения: 12038
- Зарегистрирован: 06 ноя 2009, 10:22
- Двигатель:: 6g72
- Мой автомобиль(и):: Montero Sport (был) Паджеро IV , 3.0 , ultimate. 12 год.
- Откуда: Москва
- Откуда: < Кунцево Рублёвка >
- Благодарил (а): 314 раз
- Поблагодарили: 791 раз
Re: Саббуфер по лайту в П2 ??
если бабло есть бери FOKAL кевларовые диффузоры , жёлтый цвет модель выберешь сам.
Montero Sport. 3.0 , Акпп. 2000г. ( Продан) был со мной 13 лет.
Паджеро 4 . 3.0 . 12 год.
Андрей.
Если пуля в голове - доктор не поможет !
Паджеро 4 . 3.0 . 12 год.
Андрей.
Если пуля в голове - доктор не поможет !
- Sersh
- Сообщения: 2415
- Зарегистрирован: 13 июн 2006, 18:13
- Двигатель:: 4DBF
- Мой автомобиль(и):: PAJERO
- Откуда: Москва
- Откуда: Москва. Теплак
- Благодарил (а): 19 раз
- Поблагодарили: 18 раз
- Контактная информация:
Re: Саббуфер по лайту в П2 ??
короче взял комплект усилитель PIONEER GM-A3602 и сабб ALPINE SBE-1044BR за 6 500 руб.. все почти новое без потертостей и тп... хозяин утверждает работало не более 5 часов... но вроде похоже... следов от шаркания и винтов нет....gansales писал(а):если бабло есть бери FOKAL кевларовые диффузоры , жёлтый цвет модель выберешь сам.
теперь понимаю, что на этот усилитель нужно вешать только сааб ??
но как ??
кстати сааб не очень маленький и примерно 1/3 взади "отхватит"
и еще ...
у него остался в продаже сааб для Мицубиси штатный за 6000 ... но от чего ?? фото вывешиваю, размещу в продажах разное
2500D-TURBO/SHORT WAGON GLS(WIDE/SUPER SELECT),5FM/T EFTA-LHD 3DOOR, 1994
замена двс на корейский 4DBF, маслоотделитель, MJ-600 Turbo, Гудрич 33х12.50 R15 AT..
теперь салон кожа :-) DEKA 105L, зашумлен, цифровая голова, сааб
замена двс на корейский 4DBF, маслоотделитель, MJ-600 Turbo, Гудрич 33х12.50 R15 AT..
теперь салон кожа :-) DEKA 105L, зашумлен, цифровая голова, сааб
- gansales
- Сообщения: 12038
- Зарегистрирован: 06 ноя 2009, 10:22
- Двигатель:: 6g72
- Мой автомобиль(и):: Montero Sport (был) Паджеро IV , 3.0 , ultimate. 12 год.
- Откуда: Москва
- Откуда: < Кунцево Рублёвка >
- Благодарил (а): 314 раз
- Поблагодарили: 791 раз
Re: Саббуфер по лайту в П2 ??
всё просто вешай на один канал усилок, к нему саб и всё.
Montero Sport. 3.0 , Акпп. 2000г. ( Продан) был со мной 13 лет.
Паджеро 4 . 3.0 . 12 год.
Андрей.
Если пуля в голове - доктор не поможет !
Паджеро 4 . 3.0 . 12 год.
Андрей.
Если пуля в голове - доктор не поможет !
- gansales
- Сообщения: 12038
- Зарегистрирован: 06 ноя 2009, 10:22
- Двигатель:: 6g72
- Мой автомобиль(и):: Montero Sport (был) Паджеро IV , 3.0 , ultimate. 12 год.
- Откуда: Москва
- Откуда: < Кунцево Рублёвка >
- Благодарил (а): 314 раз
- Поблагодарили: 791 раз
Re: Саббуфер по лайту в П2 ??
зы . я ж говорю меняй голову . пролоджи продай . тебе нужна бошка с отдельным каналом на саб .либо просто с выходом для подключения усилка.
Последний раз редактировалось gansales 20 авг 2016, 17:10, всего редактировалось 1 раз.
Montero Sport. 3.0 , Акпп. 2000г. ( Продан) был со мной 13 лет.
Паджеро 4 . 3.0 . 12 год.
Андрей.
Если пуля в голове - доктор не поможет !
Паджеро 4 . 3.0 . 12 год.
Андрей.
Если пуля в голове - доктор не поможет !
- gansales
- Сообщения: 12038
- Зарегистрирован: 06 ноя 2009, 10:22
- Двигатель:: 6g72
- Мой автомобиль(и):: Montero Sport (был) Паджеро IV , 3.0 , ultimate. 12 год.
- Откуда: Москва
- Откуда: < Кунцево Рублёвка >
- Благодарил (а): 314 раз
- Поблагодарили: 791 раз
Re: Саббуфер по лайту в П2 ??
да , не забудь . поставить конденсатор . хотя б на 1 фараду . в лесу будешь мьюзик слушать , заводи авто . а то прикуривать будешь электрическим скатом))))
Montero Sport. 3.0 , Акпп. 2000г. ( Продан) был со мной 13 лет.
Паджеро 4 . 3.0 . 12 год.
Андрей.
Если пуля в голове - доктор не поможет !
Паджеро 4 . 3.0 . 12 год.
Андрей.
Если пуля в голове - доктор не поможет !
- Sersh
- Сообщения: 2415
- Зарегистрирован: 13 июн 2006, 18:13
- Двигатель:: 4DBF
- Мой автомобиль(и):: PAJERO
- Откуда: Москва
- Откуда: Москва. Теплак
- Благодарил (а): 19 раз
- Поблагодарили: 18 раз
- Контактная информация:
Re: Саббуфер по лайту в П2 ??
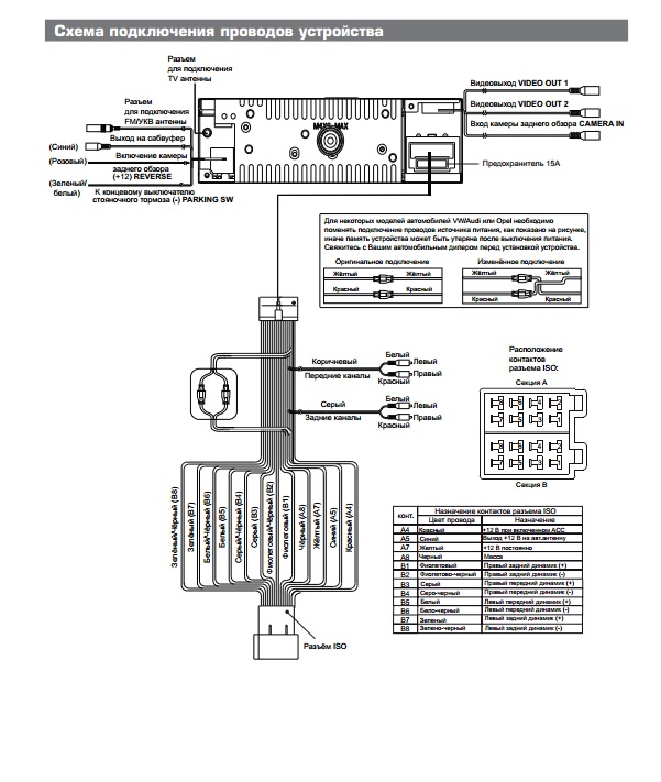
я конечно разберусь .... но нужно время...gansales писал(а):всё просто вешай на один канал усилок, к нему саб и всё.
вот схема... динамики висят на разъеме ИСО
2500D-TURBO/SHORT WAGON GLS(WIDE/SUPER SELECT),5FM/T EFTA-LHD 3DOOR, 1994
замена двс на корейский 4DBF, маслоотделитель, MJ-600 Turbo, Гудрич 33х12.50 R15 AT..
теперь салон кожа :-) DEKA 105L, зашумлен, цифровая голова, сааб
замена двс на корейский 4DBF, маслоотделитель, MJ-600 Turbo, Гудрич 33х12.50 R15 AT..
теперь салон кожа :-) DEKA 105L, зашумлен, цифровая голова, сааб
- Sersh
- Сообщения: 2415
- Зарегистрирован: 13 июн 2006, 18:13
- Двигатель:: 4DBF
- Мой автомобиль(и):: PAJERO
- Откуда: Москва
- Откуда: Москва. Теплак
- Благодарил (а): 19 раз
- Поблагодарили: 18 раз
- Контактная информация:
Re: Саббуфер по лайту в П2 ??
есть же отдельный выход на ссаб ....gansales писал(а):зы . я ж говорю меняй голову . пролоджи продай . тебе нужна бошка с отдельным каналом на саб .либо просто с выходом для подключения усилка.
2500D-TURBO/SHORT WAGON GLS(WIDE/SUPER SELECT),5FM/T EFTA-LHD 3DOOR, 1994
замена двс на корейский 4DBF, маслоотделитель, MJ-600 Turbo, Гудрич 33х12.50 R15 AT..
теперь салон кожа :-) DEKA 105L, зашумлен, цифровая голова, сааб
замена двс на корейский 4DBF, маслоотделитель, MJ-600 Turbo, Гудрич 33х12.50 R15 AT..
теперь салон кожа :-) DEKA 105L, зашумлен, цифровая голова, сааб
- Sersh
- Сообщения: 2415
- Зарегистрирован: 13 июн 2006, 18:13
- Двигатель:: 4DBF
- Мой автомобиль(и):: PAJERO
- Откуда: Москва
- Откуда: Москва. Теплак
- Благодарил (а): 19 раз
- Поблагодарили: 18 раз
- Контактная информация:
Re: Саббуфер по лайту в П2 ??
тут подробней... видел их в продаже... как инопланетный девайс... и стоят прилично..gansales писал(а):да , не забудь . поставить конденсатор . хотя б на 1 фараду . в лесу будешь мьюзик слушать , заводи авто . а то прикуривать будешь электрическим скатом))))
2500D-TURBO/SHORT WAGON GLS(WIDE/SUPER SELECT),5FM/T EFTA-LHD 3DOOR, 1994
замена двс на корейский 4DBF, маслоотделитель, MJ-600 Turbo, Гудрич 33х12.50 R15 AT..
теперь салон кожа :-) DEKA 105L, зашумлен, цифровая голова, сааб
замена двс на корейский 4DBF, маслоотделитель, MJ-600 Turbo, Гудрич 33х12.50 R15 AT..
теперь салон кожа :-) DEKA 105L, зашумлен, цифровая голова, сааб
