TRT "107-108" Для стандарта и не только! (4.04.2026) Форум Обсуждение FAQ
на акпп оборвоны провода датчика
Модераторы: SNOOPER, Nbf, Romik, BAlex, drcham, алексей - Маленький Мук, ZILLA
-
BooMPRO
- Сообщения: 6
- Зарегистрирован: 06 фев 2017, 11:20
- Двигатель:: 6g72
- Мой автомобиль(и):: montero sport
- Откуда: Казахстан Тараз
на акпп оборвоны провода датчика
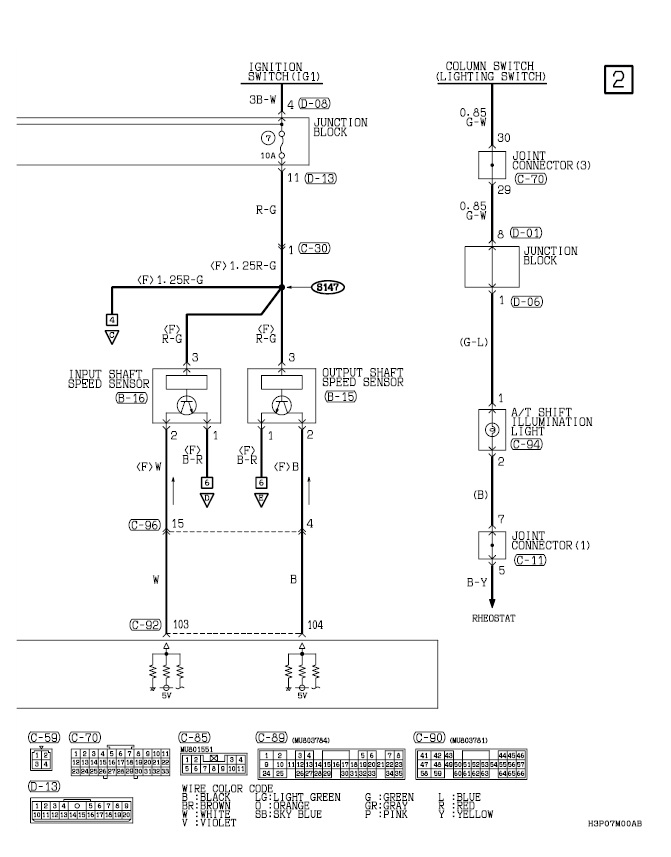
Всем привет! Кто может подсказть, как по цветам подходят провода к фишкам датчика входного и выходного вала. Очень надо, заранее благодарю.
-
Олег....
- Сообщения: 1711
- Зарегистрирован: 21 май 2010, 15:43
- Двигатель:: 6G72
- Мой автомобиль(и):: Montero Sport
- Откуда: Таганрог
- Благодарил (а): 69 раз
- Поблагодарили: 86 раз
- Контактная информация:
Re: на акпп оборвоны провода датчика
Ну вот - оно?. Внизу расшифровка цветов.
Montero Sport 2003 6G72. 32е ATэшечки, хобот, радейка. Спальник.
ПРОДАН Montero'94 6G74 АККП Длинный, 31-е мудричи, хобот и крепкий бампер. Рации всякие.
ПРОДАН Montero'94 6G74 АККП Длинный, 31-е мудричи, хобот и крепкий бампер. Рации всякие.
