Медленно отогревается заднее стекло.Замерял на АКБ напряжение 14.35.
На заднее стекло приходит 11.20в, Где искать пропажу,может быть на реле? Нужно там проверить на выходе,
но где оно находится .
Я примерно знаю что где то рядом с реле главного замка но которое именно не знаю.
И что ещё можно проверить.
В поиск лазил ,там не чего не нашёл.
Обогрев заднего стекла.
Модераторы: SNOOPER, Nbf, Romik, BAlex
- MaGennaD
- Сообщения: 452
- Зарегистрирован: 24 авг 2010, 20:48
- Двигатель:: бензин
- Мой автомобиль(и):: Pajero 2 6G72,1993,мкпп.
- Откуда: Самарская обл г Чапаевск
- Откуда: Самарская обл.
- Благодарил (а): 4 раза
- Поблагодарили: 3 раза
Обогрев заднего стекла.
Mitsubisni pajero 2 ,1993 ,6G72 12 клап,V43. GLS(WIDE/SUPER SELEKT)5FM/T LHD GNXEL6. есть
Nissan Leaf ze0 G 2012г все подогревы.
Nissan Leaf ze0 G 2012г все подогревы.
- Captain Sergio
- Сообщения: 4557
- Зарегистрирован: 30 янв 2012, 22:01
- Двигатель:: 4G18
- Мой автомобиль(и):: Pajero Пинин, 1999, АКПП, BMW X5
- Откуда: Ульяновск
- Благодарил (а): 264 раза
- Поблагодарили: 346 раз
Re: Обогрев заднего стекла.
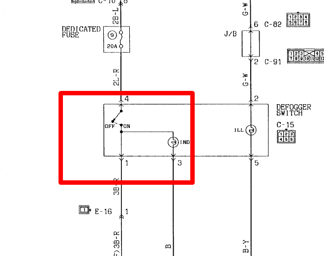
В схемах посмотри на П2, в заголовке формуа - там есть месторасположение всех реле. В любом случае нужно смотреть контакты. Масса возможно отгнивает. В схемах же есть и точки массы. Не разберешься - пиши.
ПЫСЫ: Нет там реле. Кнопку снимай и чисть контакты. Смотрел 93-й. В ВИН какой моедльный год? Ща еще 94-й гляну.
ПЫСЫ: Нет там реле. Кнопку снимай и чисть контакты. Смотрел 93-й. В ВИН какой моедльный год? Ща еще 94-й гляну.
Сергей. Все будет хорошо! Грязезащита для рамных автомобилей.
- Captain Sergio
- Сообщения: 4557
- Зарегистрирован: 30 янв 2012, 22:01
- Двигатель:: 4G18
- Мой автомобиль(и):: Pajero Пинин, 1999, АКПП, BMW X5
- Откуда: Ульяновск
- Благодарил (а): 264 раза
- Поблагодарили: 346 раз
Re: Обогрев заднего стекла.
В 94-м модельном годе есть реле. Но я бы смотрел соединители по дороге от реле/кнопки до обогрева. Обычно там гниет.
Сергей. Все будет хорошо! Грязезащита для рамных автомобилей.
- MaGennaD
- Сообщения: 452
- Зарегистрирован: 24 авг 2010, 20:48
- Двигатель:: бензин
- Мой автомобиль(и):: Pajero 2 6G72,1993,мкпп.
- Откуда: Самарская обл г Чапаевск
- Откуда: Самарская обл.
- Благодарил (а): 4 раза
- Поблагодарили: 3 раза
Re: Обогрев заднего стекла.
JMB0NV430PJ000863 Судя по 8 символу Р , идёт как 93 год. Вот на кнопке я что то не догадался проверить.
Я там на кнопку ещё обогрев зеркал подключил ,но не думаю что зеркала на столь могут сажать напругу.
Но теперь надо до субботы ждать ,раньше ни как не получится проверить.
Спасибо ,по результату напишу .
Я там на кнопку ещё обогрев зеркал подключил ,но не думаю что зеркала на столь могут сажать напругу.
Но теперь надо до субботы ждать ,раньше ни как не получится проверить.
Спасибо ,по результату напишу .
Mitsubisni pajero 2 ,1993 ,6G72 12 клап,V43. GLS(WIDE/SUPER SELEKT)5FM/T LHD GNXEL6. есть
Nissan Leaf ze0 G 2012г все подогревы.
Nissan Leaf ze0 G 2012г все подогревы.
