Стеклоочиститель и омыватель заднего стекла
Модераторы: SNOOPER, Nbf, Romik, BAlex
-
BorisBoroda
- Сообщения: 21
- Зарегистрирован: 25 дек 2009, 13:37
- Двигатель:: Бензин, 3.0
- Мой автомобиль(и):: NMPSport
- Откуда: Спб
- Благодарил (а): 4 раза
Стеклоочиститель и омыватель заднего стекла
На НМПС одновременно перестали работать стеклоочиститель и омыватель заднего стекла. Подскажите где искать проблему.
- Captain Sergio
- Сообщения: 4557
- Зарегистрирован: 30 янв 2012, 22:01
- Двигатель:: 4G18
- Мой автомобиль(и):: Pajero Пинин, 1999, АКПП, BMW X5
- Откуда: Ульяновск
- Благодарил (а): 264 раза
- Поблагодарили: 346 раз
Re: Стеклоочиститель и омыватель заднего стекла
Для начала предохранитель посмотри.
Сергей. Все будет хорошо! Грязезащита для рамных автомобилей.
-
BorisBoroda
- Сообщения: 21
- Зарегистрирован: 25 дек 2009, 13:37
- Двигатель:: Бензин, 3.0
- Мой автомобиль(и):: NMPSport
- Откуда: Спб
- Благодарил (а): 4 раза
Re: Стеклоочиститель и омыватель заднего стекла
Смотрел, не помогло((Captain Sergio писал(а):Для начала предохранитель посмотри.
- Captain Sergio
- Сообщения: 4557
- Зарегистрирован: 30 янв 2012, 22:01
- Двигатель:: 4G18
- Мой автомобиль(и):: Pajero Пинин, 1999, АКПП, BMW X5
- Откуда: Ульяновск
- Благодарил (а): 264 раза
- Поблагодарили: 346 раз
Re: Стеклоочиститель и омыватель заднего стекла
Масса скорее всего у них общая, отгнила. Я попробую посмотреть где она.
Сергей. Все будет хорошо! Грязезащита для рамных автомобилей.
- Captain Sergio
- Сообщения: 4557
- Зарегистрирован: 30 янв 2012, 22:01
- Двигатель:: 4G18
- Мой автомобиль(и):: Pajero Пинин, 1999, АКПП, BMW X5
- Откуда: Ульяновск
- Благодарил (а): 264 раза
- Поблагодарили: 346 раз
Re: Стеклоочиститель и омыватель заднего стекла
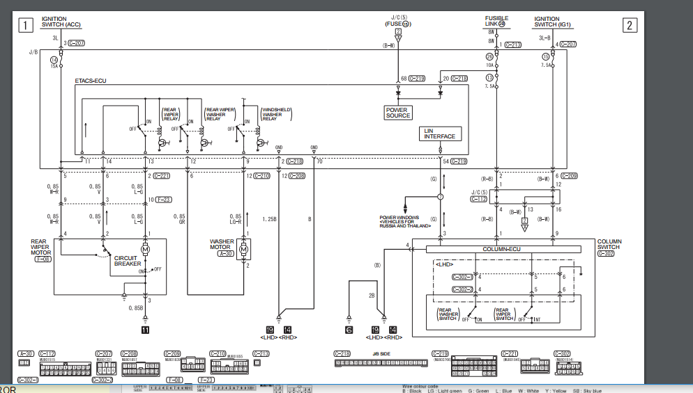
Схема
Сергей. Все будет хорошо! Грязезащита для рамных автомобилей.
- Captain Sergio
- Сообщения: 4557
- Зарегистрирован: 30 янв 2012, 22:01
- Двигатель:: 4G18
- Мой автомобиль(и):: Pajero Пинин, 1999, АКПП, BMW X5
- Откуда: Ульяновск
- Благодарил (а): 264 раза
- Поблагодарили: 346 раз
Re: Стеклоочиститель и омыватель заднего стекла
Предохранители все четыре смотрел?
Сергей. Все будет хорошо! Грязезащита для рамных автомобилей.
- Captain Sergio
- Сообщения: 4557
- Зарегистрирован: 30 янв 2012, 22:01
- Двигатель:: 4G18
- Мой автомобиль(и):: Pajero Пинин, 1999, АКПП, BMW X5
- Откуда: Ульяновск
- Благодарил (а): 264 раза
- Поблагодарили: 346 раз
Re: Стеклоочиститель и омыватель заднего стекла
Тут без прозвонки сложно. Надо смотреть где и что на выводах ECU. Схму распечатать и к электрику. Даже не знаю, что еще кроме предов посоветовать.
Сергей. Все будет хорошо! Грязезащита для рамных автомобилей.
-
BorisBoroda
- Сообщения: 21
- Зарегистрирован: 25 дек 2009, 13:37
- Двигатель:: Бензин, 3.0
- Мой автомобиль(и):: NMPSport
- Откуда: Спб
- Благодарил (а): 4 раза
Re: Стеклоочиститель и омыватель заднего стекла
Большое спасибо за схему! Буду разбираться. Я грешу на переключатель. Потому что единовременно перестали работать и омыватель и щетка. А они оба на одном переключателе.Captain Sergio писал(а):Тут без прозвонки сложно. Надо смотреть где и что на выводах ECU. Схму распечатать и к электрику. Даже не знаю, что еще кроме предов посоветовать.
- Captain Sergio
- Сообщения: 4557
- Зарегистрирован: 30 янв 2012, 22:01
- Двигатель:: 4G18
- Мой автомобиль(и):: Pajero Пинин, 1999, АКПП, BMW X5
- Откуда: Ульяновск
- Благодарил (а): 264 раза
- Поблагодарили: 346 раз
Re: Стеклоочиститель и омыватель заднего стекла
Это тоже прозвонкой. Без навыков сложно. Попробуй. Модно просто вывод с выводом замкнутьь на разьеме. Если сработает, значит переключатель виноват.BorisBoroda писал(а):Большое спасибо за схему! Буду разбираться. Я грешу на переключатель. Потому что единовременно перестали работать и омыватель и щетка. А они оба на одном переключателе.Captain Sergio писал(а):Тут без прозвонки сложно. Надо смотреть где и что на выводах ECU. Схму распечатать и к электрику. Даже не знаю, что еще кроме предов посоветовать.
Сергей. Все будет хорошо! Грязезащита для рамных автомобилей.
