не идёт ток на реле свечей зажигания Self-Regulating-Glow
Модераторы: SNOOPER, Nbf, Romik, BAlex, drcham, алексей - Маленький Мук, DenVer, Алекс
-
maximus252
- Сообщения: 64
- Зарегистрирован: 24 янв 2012, 18:46
- Двигатель:: 4M40 Дизель
- Мой автомобиль(и):: MITSUBISHI PAJERO II
- Благодарил (а): 4 раза
- Поблагодарили: 1 раз
не идёт ток на реле свечей зажигания Self-Regulating-Glow
помогите пожалуйста где искать куда смотреть не идет ток когда заводишь машину
-
maximus252
- Сообщения: 64
- Зарегистрирован: 24 янв 2012, 18:46
- Двигатель:: 4M40 Дизель
- Мой автомобиль(и):: MITSUBISHI PAJERO II
- Благодарил (а): 4 раза
- Поблагодарили: 1 раз
Re: не идёт ток на реле свечей зажигания Self-Regulating-Glo
да ещё на приборке не загорается спираль свечей накала прошу в поиск не посылать был не нашёл
- atas80
- Сообщения: 2880
- Зарегистрирован: 21 янв 2009, 19:38
- Двигатель:: 4M40
- Мой автомобиль(и):: Pajero 2 46 ATF
- Откуда: Киров
- Откуда: Kirov [43]
- Благодарил (а): 7 раз
- Поблагодарили: 73 раза
Re: не идёт ток на реле свечей зажигания Self-Regulating-Glo
Начни с проверки 14 и 23 контакта на блоке управления.
Лампа АКБ работает исправно ? Тогда 23 не причем.
Так же проверь датчик температурный.
Лампа АКБ работает исправно ? Тогда 23 не причем.
Так же проверь датчик температурный.
Mitsubishi PAJERO-II | 1995 | 4M40 | V46W | АКПП | GLS
Я горд за РОССИЙСКУЮ ИМПЕРИЮ - мы можем управлять "белым домом" и сажать своих людей в "овальный кабинет" !!!
Я горд за РОССИЙСКУЮ ИМПЕРИЮ - мы можем управлять "белым домом" и сажать своих людей в "овальный кабинет" !!!
-
maximus252
- Сообщения: 64
- Зарегистрирован: 24 янв 2012, 18:46
- Двигатель:: 4M40 Дизель
- Мой автомобиль(и):: MITSUBISHI PAJERO II
- Благодарил (а): 4 раза
- Поблагодарили: 1 раз
Re: не идёт ток на реле свечей зажигания Self-Regulating-Glo
лампа АКБ не работает когда поворачиваешь ключ зажигания даже не моргает контакт 14 проверил постоянно идёт ток 10.5 в
- atas80
- Сообщения: 2880
- Зарегистрирован: 21 янв 2009, 19:38
- Двигатель:: 4M40
- Мой автомобиль(и):: Pajero 2 46 ATF
- Откуда: Киров
- Откуда: Kirov [43]
- Благодарил (а): 7 раз
- Поблагодарили: 73 раза
Re: не идёт ток на реле свечей зажигания Self-Regulating-Glo
а когда реле свечей работало, лампа АКБ себя вела адекватно ?
14 контакт блока - это как раз и есть маленькая фишка на реле свечей.
Проверь напряжение на 14 контакте и на фишке. Если есть значительная разница - значит смотри этот провод от и до
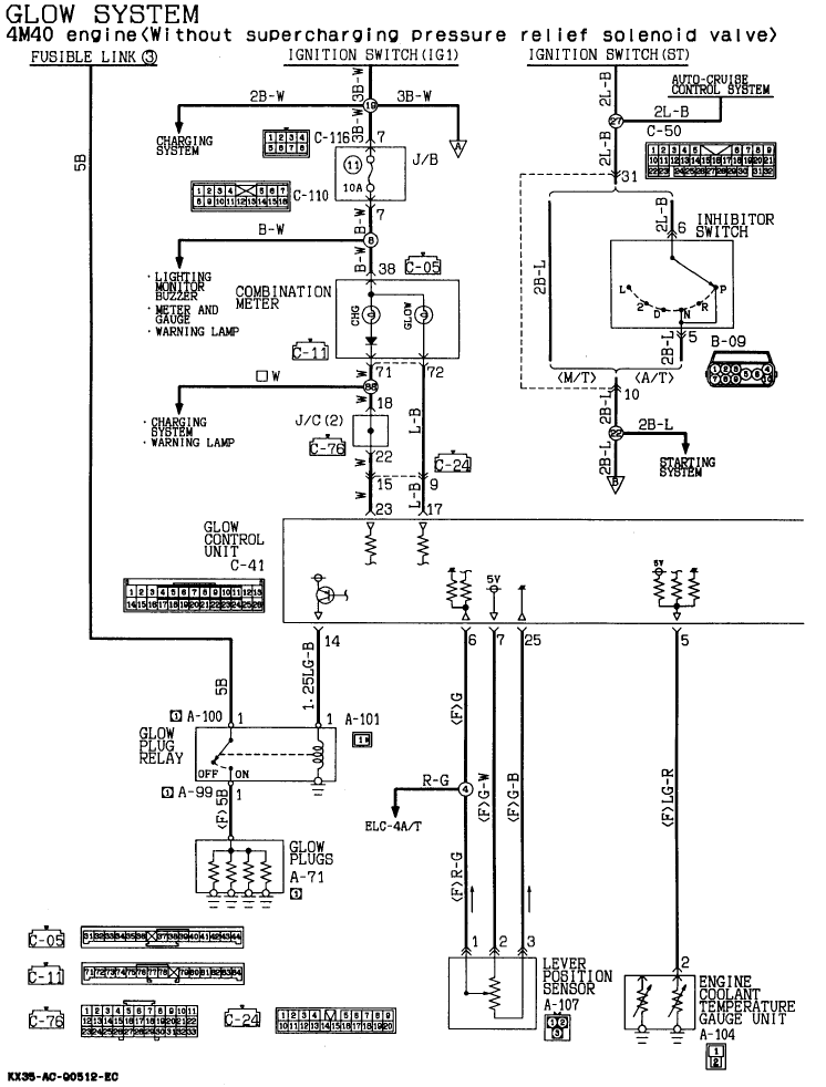
Выполни проверку жгута проводов как в картинке описано.
14 контакт блока - это как раз и есть маленькая фишка на реле свечей.
Проверь напряжение на 14 контакте и на фишке. Если есть значительная разница - значит смотри этот провод от и до
Выполни проверку жгута проводов как в картинке описано.
Mitsubishi PAJERO-II | 1995 | 4M40 | V46W | АКПП | GLS
Я горд за РОССИЙСКУЮ ИМПЕРИЮ - мы можем управлять "белым домом" и сажать своих людей в "овальный кабинет" !!!
Я горд за РОССИЙСКУЮ ИМПЕРИЮ - мы можем управлять "белым домом" и сажать своих людей в "овальный кабинет" !!!
-
maximus252
- Сообщения: 64
- Зарегистрирован: 24 янв 2012, 18:46
- Двигатель:: 4M40 Дизель
- Мой автомобиль(и):: MITSUBISHI PAJERO II
- Благодарил (а): 4 раза
- Поблагодарили: 1 раз
Re: не идёт ток на реле свечей зажигания Self-Regulating-Glo
лампа акб работала штатно у тебя случайно нет схемы этого провода 14 от блока до фишки на реле свечей накаливания ?(буду благодарен ))))
- atas80
- Сообщения: 2880
- Зарегистрирован: 21 янв 2009, 19:38
- Двигатель:: 4M40
- Мой автомобиль(и):: Pajero 2 46 ATF
- Откуда: Киров
- Откуда: Kirov [43]
- Благодарил (а): 7 раз
- Поблагодарили: 73 раза
Re: не идёт ток на реле свечей зажигания Self-Regulating-Glo
ну судя по схемам там напрямую идет провод без дополнительных соединений
от блока на реле
Попробуй времянку от 14 го провода кинь на реле.
.... проблема началась сразу как лампа АКБ перестала работать ?
от блока на реле
Попробуй времянку от 14 го провода кинь на реле.
.... проблема началась сразу как лампа АКБ перестала работать ?
Mitsubishi PAJERO-II | 1995 | 4M40 | V46W | АКПП | GLS
Я горд за РОССИЙСКУЮ ИМПЕРИЮ - мы можем управлять "белым домом" и сажать своих людей в "овальный кабинет" !!!
Я горд за РОССИЙСКУЮ ИМПЕРИЮ - мы можем управлять "белым домом" и сажать своих людей в "овальный кабинет" !!!
-
maximus252
- Сообщения: 64
- Зарегистрирован: 24 янв 2012, 18:46
- Двигатель:: 4M40 Дизель
- Мой автомобиль(и):: MITSUBISHI PAJERO II
- Благодарил (а): 4 раза
- Поблагодарили: 1 раз
Re: не идёт ток на реле свечей зажигания Self-Regulating-Glo
а не обратил внимание было лето заводилась отлично без свечей проблемы начались как стало холодать ))))
- atas80
- Сообщения: 2880
- Зарегистрирован: 21 янв 2009, 19:38
- Двигатель:: 4M40
- Мой автомобиль(и):: Pajero 2 46 ATF
- Откуда: Киров
- Откуда: Kirov [43]
- Благодарил (а): 7 раз
- Поблагодарили: 73 раза
Re: не идёт ток на реле свечей зажигания Self-Regulating-Glo
а что на 23 контакте при заведенном двигателе ?
Mitsubishi PAJERO-II | 1995 | 4M40 | V46W | АКПП | GLS
Я горд за РОССИЙСКУЮ ИМПЕРИЮ - мы можем управлять "белым домом" и сажать своих людей в "овальный кабинет" !!!
Я горд за РОССИЙСКУЮ ИМПЕРИЮ - мы можем управлять "белым домом" и сажать своих людей в "овальный кабинет" !!!
-
maximus252
- Сообщения: 64
- Зарегистрирован: 24 янв 2012, 18:46
- Двигатель:: 4M40 Дизель
- Мой автомобиль(и):: MITSUBISHI PAJERO II
- Благодарил (а): 4 раза
- Поблагодарили: 1 раз
Re: не идёт ток на реле свечей зажигания Self-Regulating-Glo
нет пока не проверял он тоже влиявет на реле свечей накала ?
- atas80
- Сообщения: 2880
- Зарегистрирован: 21 янв 2009, 19:38
- Двигатель:: 4M40
- Мой автомобиль(и):: Pajero 2 46 ATF
- Откуда: Киров
- Откуда: Kirov [43]
- Благодарил (а): 7 раз
- Поблагодарили: 73 раза
Re: не идёт ток на реле свечей зажигания Self-Regulating-Glo
Именно по этому проводу блок понимает заведена машина или нет.
Mitsubishi PAJERO-II | 1995 | 4M40 | V46W | АКПП | GLS
Я горд за РОССИЙСКУЮ ИМПЕРИЮ - мы можем управлять "белым домом" и сажать своих людей в "овальный кабинет" !!!
Я горд за РОССИЙСКУЮ ИМПЕРИЮ - мы можем управлять "белым домом" и сажать своих людей в "овальный кабинет" !!!
-
maximus252
- Сообщения: 64
- Зарегистрирован: 24 янв 2012, 18:46
- Двигатель:: 4M40 Дизель
- Мой автомобиль(и):: MITSUBISHI PAJERO II
- Благодарил (а): 4 раза
- Поблагодарили: 1 раз
Re: не идёт ток на реле свечей зажигания Self-Regulating-Glo
в положение замка зажигания ON выдаёт 10.7-11.2 вольт (23 контакт )
-
Илья Виноградов
- Сообщения: 16
- Зарегистрирован: 16 окт 2017, 09:55
- Двигатель:: Дизель, 4М40
- Мой автомобиль(и):: Митсубиси Паджеро
- Откуда: Иркутская область
Re: не идёт ток на реле свечей зажигания Self-Regulating-Glo
У меня тоже не горит лампа на генераторе, и так же не загорается лампочка на свечи, причина в генераторе, точнее в реле регуляторе, он не подает сигнал отсутствия зарядки и поэтому блок думает что двигатель заведен, но в таком случае если двигатель холодный то этот блок должен включить сразу вторую фазу нагрева свечей на 3 минуты или меньше в зависимости от показаний температурного датчика для свечей накала, если он глючит то и свечи не будут работать, попробуй снять фишку с этого датчика и повторить процедуру запуска.maximus252 писал(а):в положение замка зажигания ON выдаёт 10.7-11.2 вольт (23 контакт )
-
maximus252
- Сообщения: 64
- Зарегистрирован: 24 янв 2012, 18:46
- Двигатель:: 4M40 Дизель
- Мой автомобиль(и):: MITSUBISHI PAJERO II
- Благодарил (а): 4 раза
- Поблагодарили: 1 раз
Re: не идёт ток на реле свечей зажигания Self-Regulating-Glo
поменял реле регулятор он идет вмести с щётками так у меня загорелась 2 лампочки зарядка аккумулятора и уровень масла что подскажите что делать ?
-
Илья Виноградов
- Сообщения: 16
- Зарегистрирован: 16 окт 2017, 09:55
- Двигатель:: Дизель, 4М40
- Мой автомобиль(и):: Митсубиси Паджеро
- Откуда: Иркутская область
Re: не идёт ток на реле свечей зажигания Self-Regulating-Glo
должны загораться свечи, давление, зарядка, вода в фильтре, после гаснуть, если горит масленка, если не гаснет зарядка то надо разбираться с генератором, возможно регулятор не подходит, я тоже один покупал, не подошел. а по поводу уровня масла, ты наверное имеешь ввиду датчик воды в фильтре, т.к. он как раз завязан на лампочку зарядки, может у тебя этот датчик отключен или не исправен, хотя если горят оба постоянно то искать причину надо в генераторе. А свечи после замены реле регулятора работать нормально начали?maximus252 писал(а):поменял реле регулятор он идет вмести с щётками так у меня загорелась 2 лампочки зарядка аккумулятора и уровень масла что подскажите что делать ?
