Нужна помощь! Не работает ц.з/часы/магнитола
Модераторы: SNOOPER, Nbf, Romik, BAlex
- NikolayZ
- Сообщения: 334
- Зарегистрирован: 03 дек 2015, 12:12
- Двигатель:: V6-6G74DOHC 24valve
- Мой автомобиль(и):: MITSUBISHI PAJERO V45W 1995.12.3, руль с права, автомат superselect, 2 печки и кондея, шнорхель :)
- Откуда: Сахалин, г.Оха
- Благодарил (а): 20 раз
- Поблагодарили: 5 раз
Нужна помощь! Не работает ц.з/часы/магнитола
Доброго времени суток, уважаемые! Помогите найти в чем причина? Сегодня в 6 утра сработала сигналка, якобы открыли дверь. Вышел, все в порядке, двери закрыты, рядом ни кого. Решил прогреть, снял с охраны, открыл ключем водительскую дверь ( сигналка на открытие не подключена), и открылась только эта дверь, центральный замок не сработал. Завел, все нормально, завелась как обычно, но не работают часы, магнитола, центральный замок, пищалка заднего хода в салоне, сбросились настройки климат контроля и компаса, не работает подсветка личинки замка зажигания и индикатор открытой двери.
Прикуриватель, фары, подсветка салона и т.д. работают.
Проверил все предохранители в салоне и под капотом, все целые, проверял мультиметром. Померил на колодках часов и магнитолы наличие постоянных 12 вольт, их нет. Куда дальше копать, получается где то пропали эти "дежурные " 12 вольт.
Заранее спасибо за помощь.
Прикуриватель, фары, подсветка салона и т.д. работают.
Проверил все предохранители в салоне и под капотом, все целые, проверял мультиметром. Померил на колодках часов и магнитолы наличие постоянных 12 вольт, их нет. Куда дальше копать, получается где то пропали эти "дежурные " 12 вольт.
Заранее спасибо за помощь.
MMC PAJERO V45, V6-6G74DOHC 24valve, п-руль,автомат SuperSelect, 2 кондея,2 печки.
Опция- 000,Экстерьер-S5GD,Интерьер-44Q, Дата производства-3.12.1995.
Мой чижик:)
Опция- 000,Экстерьер-S5GD,Интерьер-44Q, Дата производства-3.12.1995.
Мой чижик:)
- Captain Sergio
- Сообщения: 4557
- Зарегистрирован: 30 янв 2012, 22:01
- Двигатель:: 4G18
- Мой автомобиль(и):: Pajero Пинин, 1999, АКПП, BMW X5
- Откуда: Ульяновск
- Благодарил (а): 264 раза
- Поблагодарили: 346 раз
Re: Нужна помощь! Не работает ц.з/часы/магнитола
Схемы дам - разберешься?
Сергей. Все будет хорошо! Грязезащита для рамных автомобилей.
- NikolayZ
- Сообщения: 334
- Зарегистрирован: 03 дек 2015, 12:12
- Двигатель:: V6-6G74DOHC 24valve
- Мой автомобиль(и):: MITSUBISHI PAJERO V45W 1995.12.3, руль с права, автомат superselect, 2 печки и кондея, шнорхель :)
- Откуда: Сахалин, г.Оха
- Благодарил (а): 20 раз
- Поблагодарили: 5 раз
Re: Нужна помощь! Не работает ц.з/часы/магнитола
Вы мне их как то скидывали. Вот сижу изучаю. По схемам, получается что + идет с подкапотного предохранитнля, но колодку под рулем, на предохранителе под капотом + есть, а на предах под рулем уже нет:( завтра загоню в бокс, отогрею и буду дальше искать....
MMC PAJERO V45, V6-6G74DOHC 24valve, п-руль,автомат SuperSelect, 2 кондея,2 печки.
Опция- 000,Экстерьер-S5GD,Интерьер-44Q, Дата производства-3.12.1995.
Мой чижик:)
Опция- 000,Экстерьер-S5GD,Интерьер-44Q, Дата производства-3.12.1995.
Мой чижик:)
- NikolayZ
- Сообщения: 334
- Зарегистрирован: 03 дек 2015, 12:12
- Двигатель:: V6-6G74DOHC 24valve
- Мой автомобиль(и):: MITSUBISHI PAJERO V45W 1995.12.3, руль с права, автомат superselect, 2 печки и кондея, шнорхель :)
- Откуда: Сахалин, г.Оха
- Благодарил (а): 20 раз
- Поблагодарили: 5 раз
Re: Нужна помощь! Не работает ц.з/часы/магнитола
Я правильно понял,+ из под капота приходит на разъес С101 и дальше по предохранителям распределяется?
MMC PAJERO V45, V6-6G74DOHC 24valve, п-руль,автомат SuperSelect, 2 кондея,2 печки.
Опция- 000,Экстерьер-S5GD,Интерьер-44Q, Дата производства-3.12.1995.
Мой чижик:)
Опция- 000,Экстерьер-S5GD,Интерьер-44Q, Дата производства-3.12.1995.
Мой чижик:)
- NikolayZ
- Сообщения: 334
- Зарегистрирован: 03 дек 2015, 12:12
- Двигатель:: V6-6G74DOHC 24valve
- Мой автомобиль(и):: MITSUBISHI PAJERO V45W 1995.12.3, руль с права, автомат superselect, 2 печки и кондея, шнорхель :)
- Откуда: Сахалин, г.Оха
- Благодарил (а): 20 раз
- Поблагодарили: 5 раз
Re: Нужна помощь! Не работает ц.з/часы/магнитола
И так, сегодня контролькой проверил все предохранители. В салоне на всех предохранителях есть напряжение. Получается до блока с предохранителями напряжение доходит. И где то теряется от блока до часов/магнитолы/ц.з./пищалки/индикатора дверей....
MMC PAJERO V45, V6-6G74DOHC 24valve, п-руль,автомат SuperSelect, 2 кондея,2 печки.
Опция- 000,Экстерьер-S5GD,Интерьер-44Q, Дата производства-3.12.1995.
Мой чижик:)
Опция- 000,Экстерьер-S5GD,Интерьер-44Q, Дата производства-3.12.1995.
Мой чижик:)
- Captain Sergio
- Сообщения: 4557
- Зарегистрирован: 30 янв 2012, 22:01
- Двигатель:: 4G18
- Мой автомобиль(и):: Pajero Пинин, 1999, АКПП, BMW X5
- Откуда: Ульяновск
- Благодарил (а): 264 раза
- Поблагодарили: 346 раз
Re: Нужна помощь! Не работает ц.з/часы/магнитола
Может и массы не быть
Сергей. Все будет хорошо! Грязезащита для рамных автомобилей.
- NikolayZ
- Сообщения: 334
- Зарегистрирован: 03 дек 2015, 12:12
- Двигатель:: V6-6G74DOHC 24valve
- Мой автомобиль(и):: MITSUBISHI PAJERO V45W 1995.12.3, руль с права, автомат superselect, 2 печки и кондея, шнорхель :)
- Откуда: Сахалин, г.Оха
- Благодарил (а): 20 раз
- Поблагодарили: 5 раз
Re: Нужна помощь! Не работает ц.з/часы/магнитола
Я книжки в машине оставил:( у этих потребителей масса одна? На магнитофоне и на часах, на проводах, где должен быть + при выкл.зажигании, напряжения нет....
MMC PAJERO V45, V6-6G74DOHC 24valve, п-руль,автомат SuperSelect, 2 кондея,2 печки.
Опция- 000,Экстерьер-S5GD,Интерьер-44Q, Дата производства-3.12.1995.
Мой чижик:)
Опция- 000,Экстерьер-S5GD,Интерьер-44Q, Дата производства-3.12.1995.
Мой чижик:)
- NikolayZ
- Сообщения: 334
- Зарегистрирован: 03 дек 2015, 12:12
- Двигатель:: V6-6G74DOHC 24valve
- Мой автомобиль(и):: MITSUBISHI PAJERO V45W 1995.12.3, руль с права, автомат superselect, 2 печки и кондея, шнорхель :)
- Откуда: Сахалин, г.Оха
- Благодарил (а): 20 раз
- Поблагодарили: 5 раз
Re: Нужна помощь! Не работает ц.з/часы/магнитола
Сейчас вычитал про перемычку, желтую, под левым крылом, она может быть причиной?
MMC PAJERO V45, V6-6G74DOHC 24valve, п-руль,автомат SuperSelect, 2 кондея,2 печки.
Опция- 000,Экстерьер-S5GD,Интерьер-44Q, Дата производства-3.12.1995.
Мой чижик:)
Опция- 000,Экстерьер-S5GD,Интерьер-44Q, Дата производства-3.12.1995.
Мой чижик:)
-
Олег....
- Сообщения: 1711
- Зарегистрирован: 21 май 2010, 15:43
- Двигатель:: 6G72
- Мой автомобиль(и):: Montero Sport
- Откуда: Таганрог
- Благодарил (а): 69 раз
- Поблагодарили: 86 раз
- Контактная информация:
Re: Нужна помощь! Не работает ц.з/часы/магнитола
+ на часы и на мафон подаются через перемычку. Может и она...
Montero Sport 2003 6G72. 32е ATэшечки, хобот, радейка. Спальник.
ПРОДАН Montero'94 6G74 АККП Длинный, 31-е мудричи, хобот и крепкий бампер. Рации всякие.
ПРОДАН Montero'94 6G74 АККП Длинный, 31-е мудричи, хобот и крепкий бампер. Рации всякие.
-
Олег....
- Сообщения: 1711
- Зарегистрирован: 21 май 2010, 15:43
- Двигатель:: 6G72
- Мой автомобиль(и):: Montero Sport
- Откуда: Таганрог
- Благодарил (а): 69 раз
- Поблагодарили: 86 раз
- Контактная информация:
Re: Нужна помощь! Не работает ц.з/часы/магнитола
Схема, правда для 94 года. Но думаю там не особо отличий будет
Montero Sport 2003 6G72. 32е ATэшечки, хобот, радейка. Спальник.
ПРОДАН Montero'94 6G74 АККП Длинный, 31-е мудричи, хобот и крепкий бампер. Рации всякие.
ПРОДАН Montero'94 6G74 АККП Длинный, 31-е мудричи, хобот и крепкий бампер. Рации всякие.
- NikolayZ
- Сообщения: 334
- Зарегистрирован: 03 дек 2015, 12:12
- Двигатель:: V6-6G74DOHC 24valve
- Мой автомобиль(и):: MITSUBISHI PAJERO V45W 1995.12.3, руль с права, автомат superselect, 2 печки и кондея, шнорхель :)
- Откуда: Сахалин, г.Оха
- Благодарил (а): 20 раз
- Поблагодарили: 5 раз
Re: Нужна помощь! Не работает ц.з/часы/магнитола
Я не могу разобраться, + идет напрямую из под капота или через предохранители в салоне? На предохранителях в салоне напруга то есть...уж очень не хочется торпеду снимать, что бы проследить провод...
MMC PAJERO V45, V6-6G74DOHC 24valve, п-руль,автомат SuperSelect, 2 кондея,2 печки.
Опция- 000,Экстерьер-S5GD,Интерьер-44Q, Дата производства-3.12.1995.
Мой чижик:)
Опция- 000,Экстерьер-S5GD,Интерьер-44Q, Дата производства-3.12.1995.
Мой чижик:)
- NikolayZ
- Сообщения: 334
- Зарегистрирован: 03 дек 2015, 12:12
- Двигатель:: V6-6G74DOHC 24valve
- Мой автомобиль(и):: MITSUBISHI PAJERO V45W 1995.12.3, руль с права, автомат superselect, 2 печки и кондея, шнорхель :)
- Откуда: Сахалин, г.Оха
- Благодарил (а): 20 раз
- Поблагодарили: 5 раз
Re: Нужна помощь! Не работает ц.з/часы/магнитола
И так, сегодня облазил все пол левым и правым крылом в поисках этой волшебной, желтой перемычки, нет ее там.... Тянется жгут проводов и все... под капотом, в отсеке с предохранителями тоже нет ни каких перемычек...
Теперь порос такой, раз перемычки под крылом нет, она может стоять под торпедой? Завтра полезу под бордачек, туда, где жгут в салон заходит...
Света в салоне тоже к стати нет....
Теперь порос такой, раз перемычки под крылом нет, она может стоять под торпедой? Завтра полезу под бордачек, туда, где жгут в салон заходит...
Света в салоне тоже к стати нет....
MMC PAJERO V45, V6-6G74DOHC 24valve, п-руль,автомат SuperSelect, 2 кондея,2 печки.
Опция- 000,Экстерьер-S5GD,Интерьер-44Q, Дата производства-3.12.1995.
Мой чижик:)
Опция- 000,Экстерьер-S5GD,Интерьер-44Q, Дата производства-3.12.1995.
Мой чижик:)
- NikolayZ
- Сообщения: 334
- Зарегистрирован: 03 дек 2015, 12:12
- Двигатель:: V6-6G74DOHC 24valve
- Мой автомобиль(и):: MITSUBISHI PAJERO V45W 1995.12.3, руль с права, автомат superselect, 2 печки и кондея, шнорхель :)
- Откуда: Сахалин, г.Оха
- Благодарил (а): 20 раз
- Поблагодарили: 5 раз
Re: Нужна помощь! Не работает ц.з/часы/магнитола
Может быть такое, что перемычка вмотана в жгут? Она ,перемычка, на всех моделях есть? Каких она размеров?
MMC PAJERO V45, V6-6G74DOHC 24valve, п-руль,автомат SuperSelect, 2 кондея,2 печки.
Опция- 000,Экстерьер-S5GD,Интерьер-44Q, Дата производства-3.12.1995.
Мой чижик:)
Опция- 000,Экстерьер-S5GD,Интерьер-44Q, Дата производства-3.12.1995.
Мой чижик:)
- Deem-On
- Сообщения: 1014
- Зарегистрирован: 18 мар 2011, 17:49
- Двигатель:: 4M40
- Мой автомобиль(и):: Паджеро 2, был
- Откуда: Ярославль
- Благодарил (а): 8 раз
- Поблагодарили: 95 раз
Re: Нужна помощь! Не работает ц.з/часы/магнитола
Про перемычку под крылом забудь, как про страшный сон, в 95-м годе ее нет, она была до 94-го.
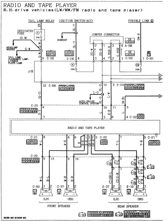
А проверь точку массы №15, она общая для всего, что ты перечислил. Открой схему лист №2А-45, там увидишь, она у тебя под панелью на правой боковине.
Плюс идет с блока под капотом на блок предов в салоне, а уже с него на потребителей.
А проверь точку массы №15, она общая для всего, что ты перечислил. Открой схему лист №2А-45, там увидишь, она у тебя под панелью на правой боковине.
Плюс идет с блока под капотом на блок предов в салоне, а уже с него на потребителей.
П-2 1994 длинный,GLS,4М40,АКПП,SS,А/Т32"-увы, уже донор
- NikolayZ
- Сообщения: 334
- Зарегистрирован: 03 дек 2015, 12:12
- Двигатель:: V6-6G74DOHC 24valve
- Мой автомобиль(и):: MITSUBISHI PAJERO V45W 1995.12.3, руль с права, автомат superselect, 2 печки и кондея, шнорхель :)
- Откуда: Сахалин, г.Оха
- Благодарил (а): 20 раз
- Поблагодарили: 5 раз
Re: Нужна помощь! Не работает ц.з/часы/магнитола
Ну славо богу, а то я уже весь измаялся в раздумьях, где эта перемычка:) Аможно попросить картинку с точной массы №15? Я с правой стороны в районепедали газа, снимал обшивку, там болт на который сходится проводов 5 наверное, открутил его, зачистил, закрутил, протянул. Ничего не поменялось....
Последний раз редактировалось NikolayZ 03 ноя 2017, 14:40, всего редактировалось 1 раз.
MMC PAJERO V45, V6-6G74DOHC 24valve, п-руль,автомат SuperSelect, 2 кондея,2 печки.
Опция- 000,Экстерьер-S5GD,Интерьер-44Q, Дата производства-3.12.1995.
Мой чижик:)
Опция- 000,Экстерьер-S5GD,Интерьер-44Q, Дата производства-3.12.1995.
Мой чижик:)
- NikolayZ
- Сообщения: 334
- Зарегистрирован: 03 дек 2015, 12:12
- Двигатель:: V6-6G74DOHC 24valve
- Мой автомобиль(и):: MITSUBISHI PAJERO V45W 1995.12.3, руль с права, автомат superselect, 2 печки и кондея, шнорхель :)
- Откуда: Сахалин, г.Оха
- Благодарил (а): 20 раз
- Поблагодарили: 5 раз
Re: Нужна помощь! Не работает ц.з/часы/магнитола
.чет глюк какой то, 2 сообщения получилось... а удалить не могу
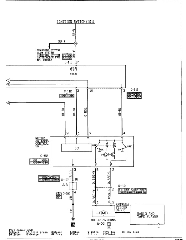
И так, еще раз посмотрев схемы, проследил питание часов, магнитолы и т.д. Получается следующее: (поправьте если не прав), с 19 предохранителя питание раскидывается по потребителям через разъем С-103 с которого провода идут на разъем перемычку А-19Х!!!!! Которая ,судя по схеме, находится под капотом, в блоке предохранителей, но блин у меня ее тем нет!!!!
Фото прикрепил, на этот разъем даже провода не подходят.... И теперь я в ступоре, на схемах она есть, а в машине я этот разъем-перемычку найти не могу... Пока писал, уже ответили:) Да, это место я проверял. Блок стоит крайне неудачно... Попробую завтра подергать их...
И так, еще раз посмотрев схемы, проследил питание часов, магнитолы и т.д. Получается следующее: (поправьте если не прав), с 19 предохранителя питание раскидывается по потребителям через разъем С-103 с которого провода идут на разъем перемычку А-19Х!!!!! Которая ,судя по схеме, находится под капотом, в блоке предохранителей, но блин у меня ее тем нет!!!!
Фото прикрепил, на этот разъем даже провода не подходят.... И теперь я в ступоре, на схемах она есть, а в машине я этот разъем-перемычку найти не могу... Пока писал, уже ответили:) Да, это место я проверял. Блок стоит крайне неудачно... Попробую завтра подергать их...
Последний раз редактировалось NikolayZ 03 ноя 2017, 15:29, всего редактировалось 2 раза.
MMC PAJERO V45, V6-6G74DOHC 24valve, п-руль,автомат SuperSelect, 2 кондея,2 печки.
Опция- 000,Экстерьер-S5GD,Интерьер-44Q, Дата производства-3.12.1995.
Мой чижик:)
Опция- 000,Экстерьер-S5GD,Интерьер-44Q, Дата производства-3.12.1995.
Мой чижик:)
- Deem-On
- Сообщения: 1014
- Зарегистрирован: 18 мар 2011, 17:49
- Двигатель:: 4M40
- Мой автомобиль(и):: Паджеро 2, был
- Откуда: Ярославль
- Благодарил (а): 8 раз
- Поблагодарили: 95 раз
Re: Нужна помощь! Не работает ц.з/часы/магнитола
Вот картинка, цифра 15 в черном квадратике. А заодно проверь и все разъемы на блоке предохранителей, на картинке называется JUNCTION BLOCK.
П-2 1994 длинный,GLS,4М40,АКПП,SS,А/Т32"-увы, уже донор
- Deem-On
- Сообщения: 1014
- Зарегистрирован: 18 мар 2011, 17:49
- Двигатель:: 4M40
- Мой автомобиль(и):: Паджеро 2, был
- Откуда: Ярославль
- Благодарил (а): 8 раз
- Поблагодарили: 95 раз
Re: Нужна помощь! Не работает ц.з/часы/магнитола
Да, логику япоконструкторов сложно понять, однако. Все так и есть, ну по крайней мере по схеме, питание идет через разъем С-103 на А-19Х и обратно. Если, как говоришь, к А-19Х даж проводов нет, то возможно, это дело стоит в самом разъеме С-103, его и надо смотреть, ну или тупо его снять и поставить вместо него две перемычки, на 1-2 контакты и на 3-4. А для начала все-таки заглянуть туда и напряжение пощупать.
П-2 1994 длинный,GLS,4М40,АКПП,SS,А/Т32"-увы, уже донор
- Deem-On
- Сообщения: 1014
- Зарегистрирован: 18 мар 2011, 17:49
- Двигатель:: 4M40
- Мой автомобиль(и):: Паджеро 2, был
- Откуда: Ярославль
- Благодарил (а): 8 раз
- Поблагодарили: 95 раз
Re: Нужна помощь! Не работает ц.з/часы/магнитола
Сейчас ради интереса заглянул к себе под капот, где А-19Х, проводки снизу подходят, а сверху в разъеме торчит какаято желтая хрень, похоже она и есть перемычка.
П-2 1994 длинный,GLS,4М40,АКПП,SS,А/Т32"-увы, уже донор
- NikolayZ
- Сообщения: 334
- Зарегистрирован: 03 дек 2015, 12:12
- Двигатель:: V6-6G74DOHC 24valve
- Мой автомобиль(и):: MITSUBISHI PAJERO V45W 1995.12.3, руль с права, автомат superselect, 2 печки и кондея, шнорхель :)
- Откуда: Сахалин, г.Оха
- Благодарил (а): 20 раз
- Поблагодарили: 5 раз
Re: Нужна помощь! Не работает ц.з/часы/магнитола
Она у всех похоже есть,кроме меня 
MMC PAJERO V45, V6-6G74DOHC 24valve, п-руль,автомат SuperSelect, 2 кондея,2 печки.
Опция- 000,Экстерьер-S5GD,Интерьер-44Q, Дата производства-3.12.1995.
Мой чижик:)
Опция- 000,Экстерьер-S5GD,Интерьер-44Q, Дата производства-3.12.1995.
Мой чижик:)
