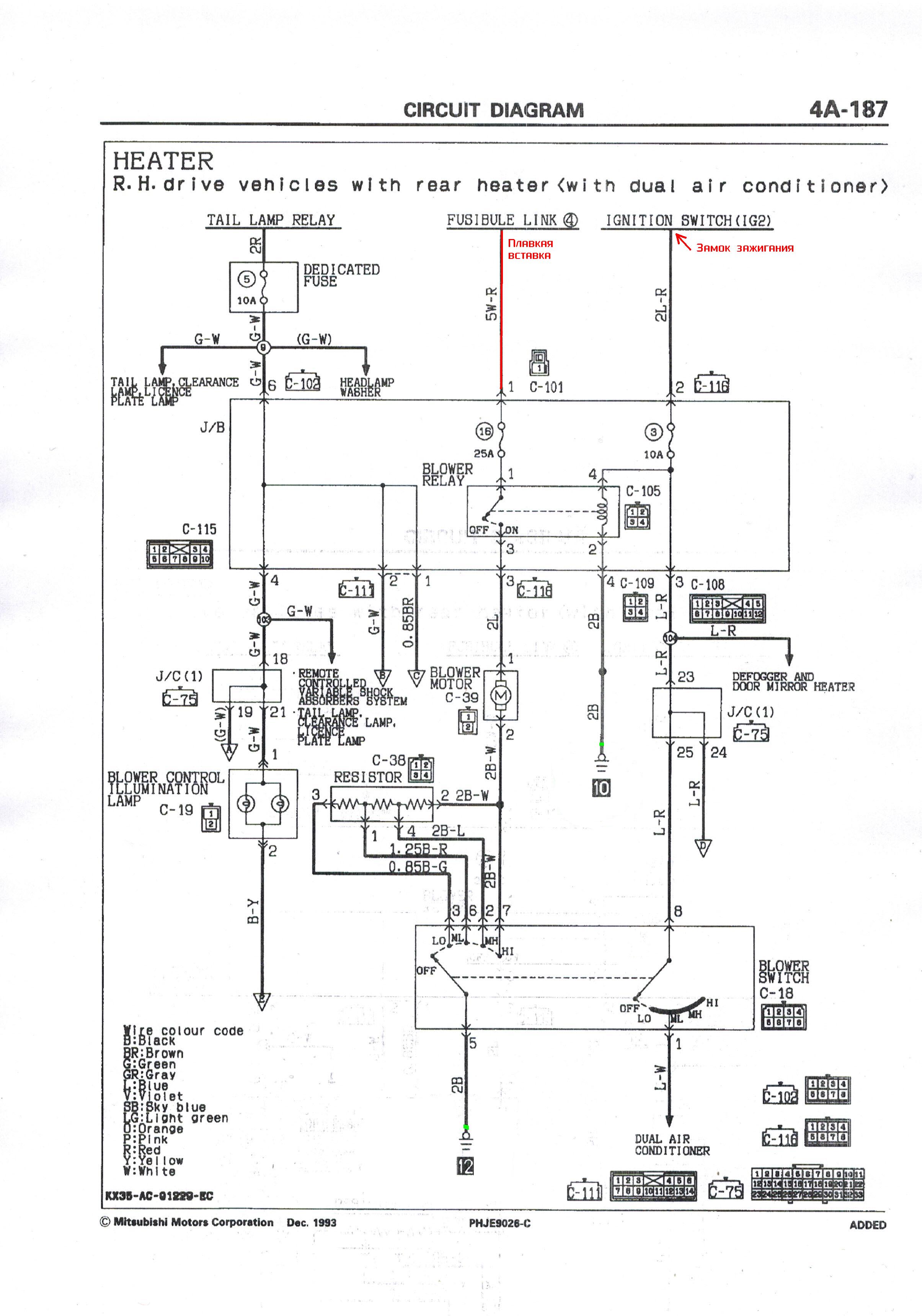
Здравствуйте. Нет питания на моторчике и добавочном резисторе. Предохранители целые. На 16 есть питание. На 3 предохранителе НЕТ. Влияет ли 3 пред на передний отопитель? Куда копать? К замку Зажигания?
На 4 положении регулятора, тоже нет питания на моторчик.
Подскажите куда идет провод "плавкая вставка", где его искать, обозначенный на схеме.
Нет питания на моторчике передней печки
Модераторы: SNOOPER, Nbf, Romik, BAlex
- Deem-On
- Сообщения: 1014
- Зарегистрирован: 18 мар 2011, 17:49
- Двигатель:: 4M40
- Мой автомобиль(и):: Паджеро 2, был
- Откуда: Ярославль
- Благодарил (а): 8 раз
- Поблагодарили: 95 раз
Re: Нет питания на моторчике передней печки
Да, это предохранитель влияет, он подает питание на катушку реле отопителя, идет от замка зажигания, ключ пвернул-реле включилось-питание на моторчик пошло. Питание идет от замка, но перед тем как лезть к замку, проверь питание на предохранителях (7) и (8), они с того-же провода питаются. Если на них есть+(при вкл.зажигании) то деле в самом блоке предохранителей, бывает так, что там "лягушки живут". Если нет, то копать в сторону замка.alex2050 писал(а):На 3 предохранителе НЕТ. Влияет ли 3 пред на передний отопитель? Куда копать? К замку Зажигания?
Почитай эту тему: http://www.pajero4x4.ru/bbs/phpBB2/view ... 0&t=114866, в первом посте все разжевано, что где и как искать.alex2050 писал(а):Подскажите куда идет провод "плавкая вставка", где его искать, обозначенный на схеме.
И еще, судя по подписи у тебя 91 год, а схема, что ты приложил, от 94 го, могут быть отличия, твоя схема лист 4-111, замок на стр.4-6.
Будут вопросы - пиши.
П-2 1994 длинный,GLS,4М40,АКПП,SS,А/Т32"-увы, уже донор
- alex2050
- Сообщения: 13
- Зарегистрирован: 13 апр 2017, 20:28
- Двигатель:: pajero 1992, двигатель 6G72-12 клапанный, 3,0 бензин
- Мой автомобиль(и):: Pajero
- Откуда: Казахстан, г.Кустанай
- Благодарил (а): 4 раза
- Поблагодарили: 1 раз
Re: Нет питания на моторчике передней печки
Deem-On спасибо тебе большое, буду разбираться. Возникнут вопросы напишу. И о результатах тоже, еси интересно.
- alex2050
- Сообщения: 13
- Зарегистрирован: 13 апр 2017, 20:28
- Двигатель:: pajero 1992, двигатель 6G72-12 клапанный, 3,0 бензин
- Мой автомобиль(и):: Pajero
- Откуда: Казахстан, г.Кустанай
- Благодарил (а): 4 раза
- Поблагодарили: 1 раз
Re: Нет питания на моторчике передней печки
какой то колхоз с проводкой. стояла перемычка со второго на третий предохранитель. Пока поставил все работает
