Не заводится. МПС1 3.0 Нужна помощь в поиске проблемы.
Модераторы: SNOOPER, Nbf, Romik, BAlex
- Captain Sergio
- Сообщения: 4557
- Зарегистрирован: 30 янв 2012, 22:01
- Двигатель:: 4G18
- Мой автомобиль(и):: Pajero Пинин, 1999, АКПП, BMW X5
- Откуда: Ульяновск
- Благодарил (а): 264 раза
- Поблагодарили: 346 раз
Не заводится. МПС1 3.0 Нужна помощь в поиске проблемы.
Привет народ!
Вот много чего знаю и умею, но тут встал в ступор.
Предистория. За шесть лет владения моим Паджеро Спорт 1 он меня никогда не подводил. Но было за эти шесть лет три одинаковых случая, которые я так и не смог понять. Все три с разрывом примерно гол, полтора. Первый раз он отказался заводится летом. Приехал в магазин, заглушил, сходил по делам, пришел, а он не заводится. Стартер крутит, сначала как будто схватывает, но не заводится. Потом просто молотит без намека на желание завестись. Вызвал жену на Пинине, на буксир и потащили. По дороге метров через пятьсот попробовал завести, завелся как ни в чем не бывало. Второй раз история один в один приключилась через полтора года в ноябре. также приехал, ушел, пришел - не заводится. Товарищ притащил домой, по дороге он не заводился. Притащили, пошел поел и пришел его чинить. А он опять завелся как ни в чем не бывало. И вот сегодня третий случай, также почти полтора года прошло. все это время машина тянет, не пыхтит, только радует. Но сегодня один в один как и в прошлые разы. Приехал, ушел, пришел, а он ни мур-мур. По ощущениям будто бензин кончился. Первые пару раз заводится и тут же глохнет, потом перестает и только крутит без намеков на вспышки. Притащил домой. Не заводится. Начал разбираться.
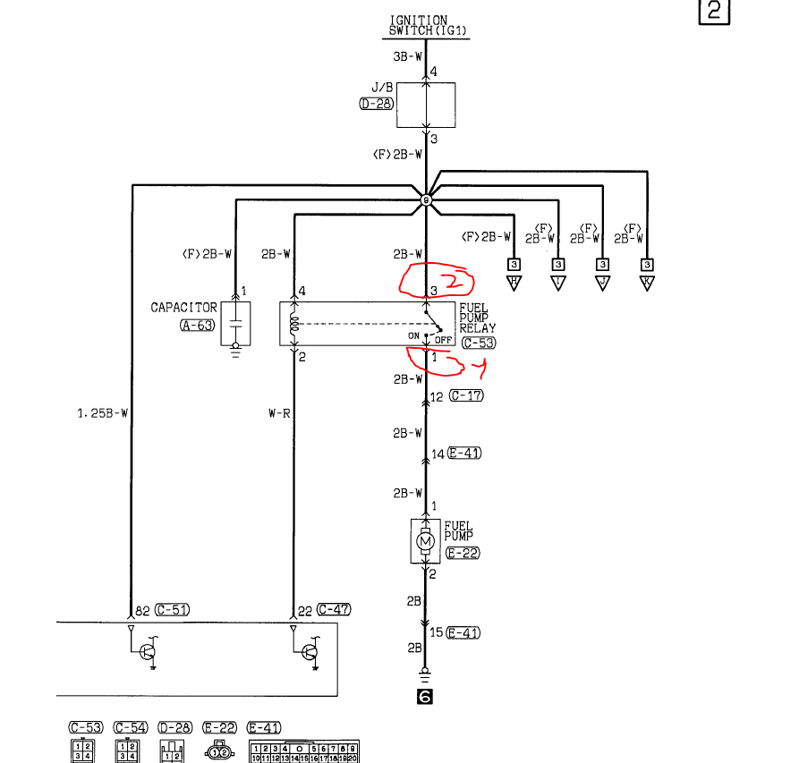
Первым делом думая на бензин и проблемы с бензонасосом прикрутил к обратке заглушку-манометр, сняв старую трубку. Покрутил - давление 0. Полез в реле бензонасоса , которое справа в ногам пассажира. Подаю +12 В напрямую в первую ногу разъема реле (точка красным кружком на схеме с цифрой 1, все по мурзилке) насос урчит и давление 3.5 очка получаю на манометре. Ну думаю попалась ошибка. От сердца отлегло, хоть бензобак снимать не надо. А делаю все на улице, во дворе частного дома на ветру и морозе. Снимаю манометр, подаю питание напрямую ... а он не заводится! Начинаю копать дальше. И выходит какая-то шарада. Проверил оба реле. Реле двигателя и реле бензонасоса. Они одинаковые. Все напряжения на катушки приходят, реле работают (даже вынимал их из корпуса и проверял работу прибором и визуально). Подключался к ногам контактов, на ногах исправно появляется напряжение (мерял и от общей массы и от массы которая идет с блока управления). При верчении стартера везде 9.9В, что соответствует показаниям стрелочного вольтметра на дополнительной панели. Но даже несмотря на подачу напряжения на бензонасос, двигатель не заводится и давление в рампе не появляется! Цеплял на общую точку (9) на схеме напрямую с аккума 12В. Ни му-мур. Давление не появляется!
Теперь собственно вопрос - почему не работает бензонасос? Почему при подаче напряжения напрямую на бензонасос и наличии давления в рампе не автомобиль не заводится? Залить не должен был, кручу по чуть-чуть с большими паузами. Куда еще копать? Но сначала бензонасос. Ну все же есть, что за мистика?
Вот много чего знаю и умею, но тут встал в ступор.
Предистория. За шесть лет владения моим Паджеро Спорт 1 он меня никогда не подводил. Но было за эти шесть лет три одинаковых случая, которые я так и не смог понять. Все три с разрывом примерно гол, полтора. Первый раз он отказался заводится летом. Приехал в магазин, заглушил, сходил по делам, пришел, а он не заводится. Стартер крутит, сначала как будто схватывает, но не заводится. Потом просто молотит без намека на желание завестись. Вызвал жену на Пинине, на буксир и потащили. По дороге метров через пятьсот попробовал завести, завелся как ни в чем не бывало. Второй раз история один в один приключилась через полтора года в ноябре. также приехал, ушел, пришел - не заводится. Товарищ притащил домой, по дороге он не заводился. Притащили, пошел поел и пришел его чинить. А он опять завелся как ни в чем не бывало. И вот сегодня третий случай, также почти полтора года прошло. все это время машина тянет, не пыхтит, только радует. Но сегодня один в один как и в прошлые разы. Приехал, ушел, пришел, а он ни мур-мур. По ощущениям будто бензин кончился. Первые пару раз заводится и тут же глохнет, потом перестает и только крутит без намеков на вспышки. Притащил домой. Не заводится. Начал разбираться.
Первым делом думая на бензин и проблемы с бензонасосом прикрутил к обратке заглушку-манометр, сняв старую трубку. Покрутил - давление 0. Полез в реле бензонасоса , которое справа в ногам пассажира. Подаю +12 В напрямую в первую ногу разъема реле (точка красным кружком на схеме с цифрой 1, все по мурзилке) насос урчит и давление 3.5 очка получаю на манометре. Ну думаю попалась ошибка. От сердца отлегло, хоть бензобак снимать не надо. А делаю все на улице, во дворе частного дома на ветру и морозе. Снимаю манометр, подаю питание напрямую ... а он не заводится! Начинаю копать дальше. И выходит какая-то шарада. Проверил оба реле. Реле двигателя и реле бензонасоса. Они одинаковые. Все напряжения на катушки приходят, реле работают (даже вынимал их из корпуса и проверял работу прибором и визуально). Подключался к ногам контактов, на ногах исправно появляется напряжение (мерял и от общей массы и от массы которая идет с блока управления). При верчении стартера везде 9.9В, что соответствует показаниям стрелочного вольтметра на дополнительной панели. Но даже несмотря на подачу напряжения на бензонасос, двигатель не заводится и давление в рампе не появляется! Цеплял на общую точку (9) на схеме напрямую с аккума 12В. Ни му-мур. Давление не появляется!
Теперь собственно вопрос - почему не работает бензонасос? Почему при подаче напряжения напрямую на бензонасос и наличии давления в рампе не автомобиль не заводится? Залить не должен был, кручу по чуть-чуть с большими паузами. Куда еще копать? Но сначала бензонасос. Ну все же есть, что за мистика?
Сергей. Все будет хорошо! Грязезащита для рамных автомобилей.
- SmoAG
- Сообщения: 7842
- Зарегистрирован: 16 янв 2015, 13:11
- Двигатель:: 4m41
- Мой автомобиль(и):: Pajero 3, 2005 АКПП
- Откуда: Воронеж
- Откуда: Воронеж
- Благодарил (а): 99 раз
- Поблагодарили: 541 раз
Re: Не заводится. МПС1 3.0 Нужна помощь в поиске проблемы.
Как вариант иммо, он может отключать цепи
Здесь должна была быть какая-нибудь цитата из вк или другого ресурса, но вот что то не нашёл ни чего что могло бы выразить моё миропонимание сейчас;)
- Captain Sergio
- Сообщения: 4557
- Зарегистрирован: 30 янв 2012, 22:01
- Двигатель:: 4G18
- Мой автомобиль(и):: Pajero Пинин, 1999, АКПП, BMW X5
- Откуда: Ульяновск
- Благодарил (а): 264 раза
- Поблагодарили: 346 раз
Re: Не заводится. МПС1 3.0 Нужна помощь в поиске проблемы.
Не смотрел пока, бензонасос пока в тупик поставил.SNOOPER писал(а):Импульс на форсунки есть?
Искра есть?
Сергей. Все будет хорошо! Грязезащита для рамных автомобилей.
- Captain Sergio
- Сообщения: 4557
- Зарегистрирован: 30 янв 2012, 22:01
- Двигатель:: 4G18
- Мой автомобиль(и):: Pajero Пинин, 1999, АКПП, BMW X5
- Откуда: Ульяновск
- Благодарил (а): 264 раза
- Поблагодарили: 346 раз
Re: Не заводится. МПС1 3.0 Нужна помощь в поиске проблемы.
Скорее сигналка. Там предхозом проводов наколхожено ...SmoAG писал(а):Как вариант иммо, он может отключать цепи
Сергей. Все будет хорошо! Грязезащита для рамных автомобилей.
- SmoAG
- Сообщения: 7842
- Зарегистрирован: 16 янв 2015, 13:11
- Двигатель:: 4m41
- Мой автомобиль(и):: Pajero 3, 2005 АКПП
- Откуда: Воронеж
- Откуда: Воронеж
- Благодарил (а): 99 раз
- Поблагодарили: 541 раз
Re: Не заводится. МПС1 3.0 Нужна помощь в поиске проблемы.
А отключить ее? И почему напряжение проседает до 9,9, это низковато
Здесь должна была быть какая-нибудь цитата из вк или другого ресурса, но вот что то не нашёл ни чего что могло бы выразить моё миропонимание сейчас;)
- SNOOPER
- Модератор
- Сообщения: 57351
- Зарегистрирован: 11 дек 2004, 19:49
- Двигатель:: 4D56
- Мой автомобиль(и):: NewMPS
- Откуда: 78
- Откуда: Spb
- Благодарил (а): 1023 раза
- Поблагодарили: 4772 раза
Re: Не заводится. МПС1 3.0 Нужна помощь в поиске проблемы.
Так с этого нужно начинать.Captain Sergio писал(а):Не смотрел пока, бензонасос пока в тупик поставил.SNOOPER писал(а):Импульс на форсунки есть?
Искра есть?
Штатный иммо рубит импульс на форсунки, искра может быть.
Попробуй плехнуть в коллектор бензина, если будет схватывать смотри импульс или питание на форсы.
- Captain Sergio
- Сообщения: 4557
- Зарегистрирован: 30 янв 2012, 22:01
- Двигатель:: 4G18
- Мой автомобиль(и):: Pajero Пинин, 1999, АКПП, BMW X5
- Откуда: Ульяновск
- Благодарил (а): 264 раза
- Поблагодарили: 346 раз
Re: Не заводится. МПС1 3.0 Нужна помощь в поиске проблемы.
9,9 это когда стартер крутит. У наших авто именно в этот момент подается питание на бензонасос.SmoAG писал(а):А отключить ее? И почему напряжение проседает до 9,9, это низковато
Сергей. Все будет хорошо! Грязезащита для рамных автомобилей.
- SNOOPER
- Модератор
- Сообщения: 57351
- Зарегистрирован: 11 дек 2004, 19:49
- Двигатель:: 4D56
- Мой автомобиль(и):: NewMPS
- Откуда: 78
- Откуда: Spb
- Благодарил (а): 1023 раза
- Поблагодарили: 4772 раза
Re: Не заводится. МПС1 3.0 Нужна помощь в поиске проблемы.
На твоём годе, должны ошибки отмаргиваться.
Замкни первую ногу на массу, посмотри что будет моргать "чек"
Замкни первую ногу на массу, посмотри что будет моргать "чек"
- Captain Sergio
- Сообщения: 4557
- Зарегистрирован: 30 янв 2012, 22:01
- Двигатель:: 4G18
- Мой автомобиль(и):: Pajero Пинин, 1999, АКПП, BMW X5
- Откуда: Ульяновск
- Благодарил (а): 264 раза
- Поблагодарили: 346 раз
Re: Не заводится. МПС1 3.0 Нужна помощь в поиске проблемы.
Завелся с утра с полоборота. Падла японская ....
Сергей. Все будет хорошо! Грязезащита для рамных автомобилей.
- Captain Sergio
- Сообщения: 4557
- Зарегистрирован: 30 янв 2012, 22:01
- Двигатель:: 4G18
- Мой автомобиль(и):: Pajero Пинин, 1999, АКПП, BMW X5
- Откуда: Ульяновск
- Благодарил (а): 264 раза
- Поблагодарили: 346 раз
Re: Не заводится. МПС1 3.0 Нужна помощь в поиске проблемы.
Чек не горит, но ошибки попробую по миганию лампы снять, спасибо.SNOOPER писал(а):Ошибки все равно почитай.
Сергей. Все будет хорошо! Грязезащита для рамных автомобилей.
- Deem-On
- Сообщения: 1014
- Зарегистрирован: 18 мар 2011, 17:49
- Двигатель:: 4M40
- Мой автомобиль(и):: Паджеро 2, был
- Откуда: Ярославль
- Благодарил (а): 8 раз
- Поблагодарили: 95 раз
Re: Не заводится. МПС1 3.0 Нужна помощь в поиске проблемы.
Да как то это не совсем нормально, имееется ввиду напряжение, низковато однако. Может в этом направлениии и стоит покопаться. Потому как были случаи, правда не с мицу, когда из-за низкого напряжения мозги авто (эбу, иммо, сига и пр.) не срабатывали, не давая запуститься двигателю, а стартер при этом крутил.Captain Sergio писал(а):9,9 это когда стартер крутит. У наших авто именно в этот момент подается питание на бензонасос.SmoAG писал(а):А отключить ее? И почему напряжение проседает до 9,9, это низковато
П-2 1994 длинный,GLS,4М40,АКПП,SS,А/Т32"-увы, уже донор
