Один комплект стоИт на машине и работает не без нареканий, поэтому так и просится разобраться с оставшимися тремя, чтоб отобрать из них один (а может и два) достойных комплекта.
Ну и заодно попробовать разобраться с часто встречаемым паджеровским недугом - капризным запуском тёплого мотора.
Итак, прежде всего нужен стенд!
Опыт создания стендов "из говна и палок" уже имеется, поэтому собрал довольно-таки быстро.
Прежде всего нужна основа- деревянный ящик!

Но смеяться не стоит! Те, кто прочувствуются, поймут, что сия конструкция весьма работоспособна и имеет огромный потенциал возможностей...
Далее я разогнул одну из имеющихся рамп, предварительно промыл её растворителем и продул воздухом. У рампы отпилил фланец подачи топлива, чтоб цеплять обычный шланг через хомут (это на любителя). К ящику с боков приколачиваются две палки, на которую крепится рампа с форсунками, под форсунки ставятся пластиковые бутылки.
Всё, стенд почти готов!
Получилась примерно такая конструкция (фотки кликабельны, топаем):

Можно не разгибать рампу, если размеры ящика позволяют, и закрепить рампу вот так (это мой старый стенд


Такая конструкция менее удобна, ёмкость бутылок меньше и доставать их неудобно...
Но зато можно не ломать рампу.
Кстати сказать, про крепёж форсунок к рампе. На машине форсунка зажата между рампой и впускным коллектором, давление в рампе приличное, поэтому фиксировать нужно обязательно!
Мне под руки попались крепёжные ушки от старых совковых транзисторов П214, поэтому я, не долго думая, закрепил форсы через них пластиковыми хомутами вот так:

Ещё нужен бензонасос, желательно конечно чтоб он обеспечивал рабочее давление.
Но если нет такого, то подойдёт и ушатанный, лишь бы что-то качал (хотя бы 2 очка). Естественно из обратки при этом бежать ничего не будет.
Но нам ведь главное- сравнить форсунки, чтоб лили одинаково во всех режимах, а уж реальная их производительность- дело десятое...
Оговорюсь, что даже если насос обеспечивает необходимое давление, то реальную производительность форсунок всё равно посчитать хоть и можно, но не идеально точно,
т.к. регулятору давления нужен вакуум, а его у стенда нет! Придётся пересчитывать по эмпирической формуле. Ну и условия этого замера зависят от температуры, свойств реального бензина и т.п. Но грубо - можно!
Далее цепляем шланги к бензонасосу и рампе, насос опускаем в ёмкость с растворителем 646 (или бензином), шланг от обратки опускаем туда же (на фотке не вошла, она в ящике):

Да, ещё хотел сказать, по предыдущему опыту эффект от промывки будет сильнее, если предварительно замочить форсунки в растворителе 646 дня на три или более...
У меня уже неделю стоят такие вот "грибчки"


Растворитель тёмный не из-за форсунок, просто он б/у-шный, я им уже что-то мыл

Естественно снаружи фотсунки предварительно нужно очистить от грязи!
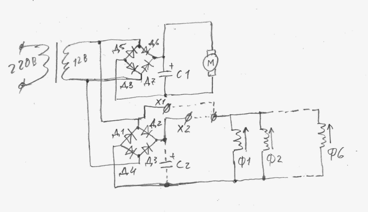
Электрочасть.
Схему пока не выкладываю, отлажусь, и тогда уже залью на форум.
Но основные тезисы такие:
В принципе для запитки бензонасоса можно использовать АКБ, но хорошую АКБ!
Т.к. насос потребляет прилично, а промывка/проверка форсунок может занять продолжительное время.
АКБ же можно использовать для открытия форсунок при статическом прогоне.
А для тех, у кого с электро-инвентарём совсем уж плохо, можно поставить на прерывание питания форсунок кнопку и вручную открывать их и закрывать, имитируя некое подобие их динамической работы

Я пошёл другим путём. Т.к. в моём распоряжении осталось много радиолюбительского хлама, нашёл стандартный трансформатор ТПП-319 на 200Вт, у которого есть две мощные обмотки по 12В. Можно использовать любой подобный, и даже с одной обмоткой, но не менее 100Вт. Но раз у меня в распоряжении есть две обмотки, я задействовал обе. Одна- на насос, вторая- на управление форсунками.
Мелочиться не стал, раз уж всё отдельно, спаял два выпрямителя из мощных диодов (КД203).
Про насос вроде всё должно быть понятно- тупо с моста выпрямленное напряжение поступает на клеммы насоса (соблюдать полярность!).
А вот "форсуночная" питающая часть будет иметь три режима, и выпрямитель в связи с этим будет видоизменяться:
1.Выпрямленное и сглаженное напряжение. Выпрямитель собран мостом, и дополнительно ему на выходе ставится электролитический конденсатор не менее 1000мкф.
Этот режим для проверки/промывки в статическом режиме. Форсунки откроются и будут тупо лить.
Конденсатор необходим для сглаживания, иначе форсунки будут трещать с частотой 100Гц.
2.Выпрямленное напряжение одним диодом (без конденсатора!!!).
В этом режиме на форсунки пойдёт только одна полуволна синусоиды с частотой 50Гц, причём на момент второй полуволны (которой не будет), форсунка будет молчать. Т.е. скважность примерно 50% (для тех, кто понимает).
Если перевести 50Гц в об/мин, то это соответствует 3000 об/мин, т.е. очень неплохо коррелирует с рабочими режимами двигателя.
Это будет режимом динамической проверки/промывки форсунок.
3.Первые два режима- основные. И они железно работают, и дают хорошие результаты.
Но факультативно вполне возможно, что форсунки смогут работать и от выпрямителя, собранного по мостовой схеме но без сглаживания, т.е. без конденсатора (как в пункте 1.).
Как выше сказал, частота при этом будет не 50Гц, а 100Гц, что соответствует в эквиваленте 6000 об/мин работе двигателя. Насухую я пробовал, форсунки трещат, но под давлением пока не испытал. Но позже попробую и отпишусь. Если пойдёт, то это будет очень неплохо!
Я пока что специально не хочу усложнять схему управления форсами.
Можно конечно сделать всё более кошерно (как у меня было на предыдущих стендах), где собиралась отдельная схема с мощным ключом, которая управлялась от ноутбука.
Помимо этого ноутбуком же ещё и замерялись лаги форсунок (время открытия/закрытия клапана).
Всё это превращалось вот в такой огород с проводами


Возможно я и до этого нынче дойду, но только если потребуется, а пока не хочу.
Ну и о самом процессе промывки/проверки.
Промывка.
Заливаем в ёмкость растворитель 646 или т.п. Чередуем режимы сатики и динамики...
Бутылки постепенно наполняются, выливаем из них обратно в ёмкость, и по-новой гоняем.
Время от времени контролируем, чтоб за одно и то же время во все бутылки набралось одинаковое кол-во жидкости. Для более точных данных выливаем из бутылки в мензурку.
Я в качестве мерной ёмкости обычно использовал детскую бутылочку:

Правда она мутнеет со временем, и краска смывается, но я процарапал насечки, сейчас пофигу.
Надо учесть, что растворитель имеет другую вязксть по сравнению с бензином, поэтому окончательную проверку производительности нужно делать на бензине!
Собирать стенд я закончил вчера поздно вечером, поэтому пробно проверил пока что на бензине в статике только один комплект. Плохо наверно видно, но если присмотреться, вторая справа форсунка льёт меньше остальных...

Но это пока проба пера...
Нужно немного доработать стенд, т.к. насос не додавливает, из обратки не бежит.
Думаю, напруги ему маловато, попробую поднять конденсатором.
По ходу пьесы с промывкой буду отписываться...
Далее хотелось бы поэкспериментировать на тему с подтеканиями.
Многие жалуются на капризный тёплый запуск.
И в большинстве случаев в этом виноваты форсунки, мой личный опыт перестановки этих Дэнсовских форсунок на абсолютно другую машину (Ланос) это доказал.
У Ланоса никогда не было проблем с запуском на родных форсунках, а на паджеровских сразу же появились!
Хотя я прогонял эти форсунки у себя на стенде и явных подтеканий не наблюдал. Но честно сказать, проверял без ярого фанатизма. Многие тут пишут, что тоже проверяли форсунки на предмет подтекания, и его не было.
Но предположительно по моим скромным догадками, подтекание всё же есть.
А то, что его не видно, виновата температура, а ещё вернее - вязкость бензина.
Я тут немного гуглил, и вот что нагуглил (к сожалению, это всё что смог):

Даже по той кривой, что на графике, видно, как резко меняется вязкость (в 2 раза!), и это при том, что график заканчивается на 40 град. А надо думать, что с ней будет, если его продолжить до, скажем, 70-80 град!
Особенность Деновских форсунок в том, что у неё нет дюз (дырочек). В обычных форсах дюзы и клапан разделены: клапан стоит внутри форсунки, а дюзы- снаружи.
У денсовских клапан и дюза совмещены. Шпенёк, который торчит из форсунки- это оно и есть. Можно его подцепить пинцетом и тихонько потянуть, и почувствуете, что он вылезает.
Такая конструкция скорее всего имеет выйгрыш в том, что форсунку сложнее забить (по сравнению с обычной), т.к. он всегда в движении. Но она видимо более уязвима к подтеканиям.
Что с этим делать, и как это всё же проверить на стенде?
Не нагревать же бензин! Это опасно!
К тому же если его греть, то даже то, что вытекло быстро испарится.
А что если проверять керосином?!
Опять гуглил, но тут вообще инфа противоречивая, цифры в графиках не бъются:
Конечно он более вязкий чем бензин, но его можно подогреть без особого риска, и он при этом не испарится.
Опять же, до скольки можно нагреть?
Ну в общем вот такой "кирпич" а набил...
Вопросы, предложения и обсуждение - пожалуйста!
