Зарядки нет, а генератор исправен...
Модераторы: SNOOPER, Nbf, Romik, BAlex
-
Jurik-11
- Сообщения: 186
- Зарегистрирован: 09 мар 2015, 20:20
- Двигатель:: 3.2 DiD
- Мой автомобиль(и):: Паджеро 3, 2004
- Откуда: Беларусь
- Благодарил (а): 29 раз
- Поблагодарили: 14 раз
Зарядки нет, а генератор исправен...
В общем машина перестала заводится, подкинул заряженный АКБ и понял, что на него заряд не поступает (вместо 14,4в, там просто напряжение АКБ, т.е. 12 с копейками), без зарядки доехал до места ремонта, снял генератор, разобрал. Думал, что может щетки стерлись - а нет, торчат достаточно, отвез к ребятам, ремонтирующим генераторы, они все проверили - генератор исправен, на стенде 14,4в дает.
Провод силовой "+" прозванивается с гены до АКБ как 0 Ом. Масса тоже доходит до минуса АКБ.
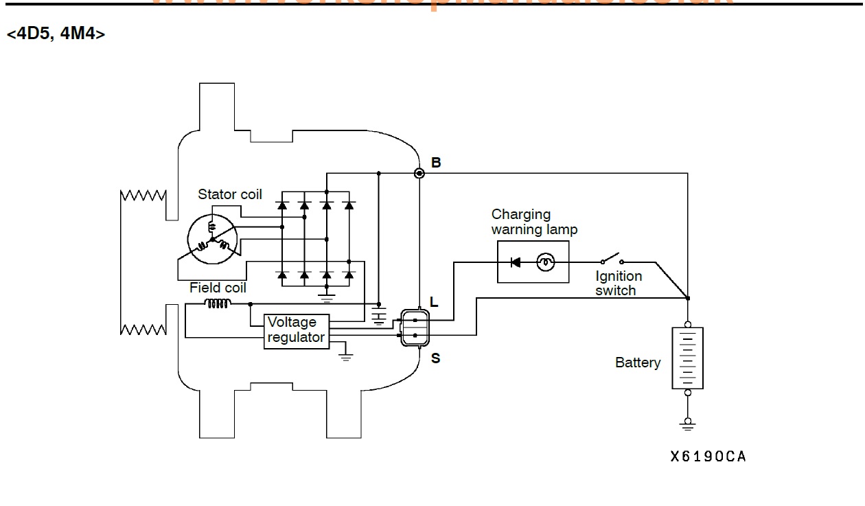
Можете разъяснить, что и откуда должно приходить на 2-контактную фишку генератора? Я так понимаю, что какой-то управляющий провод не дает исправному генератору "возбудиться".
В английских схемах не понимаю пока, можете на словах объяснить распиновку и куда и через что провода идут.
Еще заметил, что лампа индикации АКБ на приборке не отображается совсем.
Что посоветуете?
Генератор 125А,
П-3 3,2дид, автомат.
Провод силовой "+" прозванивается с гены до АКБ как 0 Ом. Масса тоже доходит до минуса АКБ.
Можете разъяснить, что и откуда должно приходить на 2-контактную фишку генератора? Я так понимаю, что какой-то управляющий провод не дает исправному генератору "возбудиться".
В английских схемах не понимаю пока, можете на словах объяснить распиновку и куда и через что провода идут.
Еще заметил, что лампа индикации АКБ на приборке не отображается совсем.
Что посоветуете?
Генератор 125А,
П-3 3,2дид, автомат.
- SmoAG
- Сообщения: 7842
- Зарегистрирован: 16 янв 2015, 13:11
- Двигатель:: 4m41
- Мой автомобиль(и):: Pajero 3, 2005 АКПП
- Откуда: Воронеж
- Откуда: Воронеж
- Благодарил (а): 99 раз
- Поблагодарили: 541 раз
Зарядки нет, а генератор исправен...
Первое с чего стоит начать, это с замены лампочки индикации, так как она участвует в возбуждении генератора.
Здесь должна была быть какая-нибудь цитата из вк или другого ресурса, но вот что то не нашёл ни чего что могло бы выразить моё миропонимание сейчас;)
- SNOOPER
- Модератор
- Сообщения: 57351
- Зарегистрирован: 11 дек 2004, 19:49
- Двигатель:: 4D56
- Мой автомобиль(и):: NewMPS
- Откуда: 78
- Откуда: Spb
- Благодарил (а): 1023 раза
- Поблагодарили: 4772 раза
Зарядки нет, а генератор исправен...
Это заблуждение.
Параллельно лампе стоит сопротивление которое в случае если лампа перегорит не даёт пропасть зарядке.))
На фишке должен быть постоянный плюс (красный с зеленым), и плюс возбуждения (белый).
Белый замкнуть на массу и включить зажигание. Загорится лампа зарядки.
Если нет ни того ни другого на колодке. Смотрите проводку под мотором, перетёрлась.
-
Jurik-11
- Сообщения: 186
- Зарегистрирован: 09 мар 2015, 20:20
- Двигатель:: 3.2 DiD
- Мой автомобиль(и):: Паджеро 3, 2004
- Откуда: Беларусь
- Благодарил (а): 29 раз
- Поблагодарили: 14 раз
Зарядки нет, а генератор исправен...
Спасибо!
Если белый, на который приходит плюс замкнуть на массу - то никакого предохранителя не выбьет?
Но, кстати, установил генератор на авто назад, поставил новые ремни (965мм) и шкив, завел...блин, есть зарядка
Толи само собой вылечилось, то ли проблема периодическая. Может где-то проводок в фишке потревожил и он пока ожил 
Теперь и при повороте ключа до заводки лампочка горит, а раньше(когда не было зарядки) - лампа АКБ вообще не появлялась на приборке ни в какой момент.
В общем пока не знаю, если опять пропадет - буду фишку разбирать.
Эх, если бы понятную схему увидеть по генератору
1 постоянный плюс на колодке я нашел, он доходит (каково его назначение?), а вот при повороте ключа что-то ничего на второй контакт не приходило...
Если белый, на который приходит плюс замкнуть на массу - то никакого предохранителя не выбьет?
Но, кстати, установил генератор на авто назад, поставил новые ремни (965мм) и шкив, завел...блин, есть зарядка
Теперь и при повороте ключа до заводки лампочка горит, а раньше(когда не было зарядки) - лампа АКБ вообще не появлялась на приборке ни в какой момент.
В общем пока не знаю, если опять пропадет - буду фишку разбирать.
Эх, если бы понятную схему увидеть по генератору
-
Jurik-11
- Сообщения: 186
- Зарегистрирован: 09 мар 2015, 20:20
- Двигатель:: 3.2 DiD
- Мой автомобиль(и):: Паджеро 3, 2004
- Откуда: Беларусь
- Благодарил (а): 29 раз
- Поблагодарили: 14 раз
Зарядки нет, а генератор исправен...
Я так понял, что можно просто два +12в подать на фишку, если где-то в дороге застряну)
- SNOOPER
- Модератор
- Сообщения: 57351
- Зарегистрирован: 11 дек 2004, 19:49
- Двигатель:: 4D56
- Мой автомобиль(и):: NewMPS
- Откуда: 78
- Откуда: Spb
- Благодарил (а): 1023 раза
- Поблагодарили: 4772 раза
Зарядки нет, а генератор исправен...
Постоянный плюс, это контроль напряжения на аккуме. Его не нужно замыкать.))
На втором должно появляться напряжение, через лампочку на приборке.
Если неисправен генератор и не горит контрольная лампа при включении зажигания.
То цепь лампы (возбуждения) проверяется замыканием этого провода на массу, и включением зажигания. Если цепь цела, лампа загорится, при условии что она цела.)
Нет. На контакт возбуждения нужно подавать 12v через лампочку.
-
Jurik-11
- Сообщения: 186
- Зарегистрирован: 09 мар 2015, 20:20
- Двигатель:: 3.2 DiD
- Мой автомобиль(и):: Паджеро 3, 2004
- Откуда: Беларусь
- Благодарил (а): 29 раз
- Поблагодарили: 14 раз
Зарядки нет, а генератор исправен...
Спасибо!
В общем, если опять зарядка пропадает - план действий уже есть

В общем, если опять зарядка пропадает - план действий уже есть
А если прямой +12в подать, что станет, не возбудится?
-
Jurik-11
- Сообщения: 186
- Зарегистрирован: 09 мар 2015, 20:20
- Двигатель:: 3.2 DiD
- Мой автомобиль(и):: Паджеро 3, 2004
- Откуда: Беларусь
- Благодарил (а): 29 раз
- Поблагодарили: 14 раз
Зарядки нет, а генератор исправен...
Генератор в этой точке меняет полярность, когда начинает вращаться или почему именно через лампу? Чтоб не замкнуло?
- bambrr
- Сообщения: 302
- Зарегистрирован: 17 июн 2009, 01:41
- Двигатель:: 6G72
- Мой автомобиль(и):: Mitsubishi Моntero Sport
- Откуда: Казахстан г.Актау
- Благодарил (а): 4 раза
- Поблагодарили: 17 раз
Зарядки нет, а генератор исправен...
Добрый вечер. Дабы не плодить темы, напишу здесь.
Ситуация такая. Машина с зимы стояла в гараже(гребаный карантин, только сейчас с работы домой добрался). Завел, поездил день-другой. И вдруг мультитроникс заверещал, что напряжение батареи падает. Благо недалеко от дома. Утром ключ на старт-все нормально. Зарядка идет, я еду в гараж. И опять падение напряжения. Оставляю машину.
Генератор по осени перебирал, менялось все по кругу съемное. Работал нормально.Ну думаю, ладно, ведь к меня есть другой, новый.Прикупил у друга по случаю за треть цены.Новый, в упаковке. Ставлю - всё замечательно. Но через десять минут - опять пропал заряд.
И вот тут начались мои мучения. При включении зажигания - не горят лампа АКБ и ручника. Только масленка. Если скинуть фишку - на красном проводе такое же напряжение как и на АКБ. На белом - на 0,3 волта меньше. Ставлю фишку на место. Лампа на приборке не горит. Начинаю щевелить косу в разных местах. или тыркать предохранители -временами лампа на приборке загорается и при запуске генератор работает нормально. Стоит заглушить и опять включить зажигание - все темно и печально.Понимаю, что где-то нет контакта или окисл сидит. А вот допетрить в какое место посмотреть не могу догадаться.
Про лампу стояночного тормоза тоже недогоняю - поднимаю ручник - лампа горит. А если включаешь зажигание и лампа АКБ не горит, то и тормоза тоже не светит.
Мозг уже сломал. Вроде и схема простая, а причину найти не могу
Ситуация такая. Машина с зимы стояла в гараже(гребаный карантин, только сейчас с работы домой добрался). Завел, поездил день-другой. И вдруг мультитроникс заверещал, что напряжение батареи падает. Благо недалеко от дома. Утром ключ на старт-все нормально. Зарядка идет, я еду в гараж. И опять падение напряжения. Оставляю машину.
Генератор по осени перебирал, менялось все по кругу съемное. Работал нормально.Ну думаю, ладно, ведь к меня есть другой, новый.Прикупил у друга по случаю за треть цены.Новый, в упаковке. Ставлю - всё замечательно. Но через десять минут - опять пропал заряд.
И вот тут начались мои мучения. При включении зажигания - не горят лампа АКБ и ручника. Только масленка. Если скинуть фишку - на красном проводе такое же напряжение как и на АКБ. На белом - на 0,3 волта меньше. Ставлю фишку на место. Лампа на приборке не горит. Начинаю щевелить косу в разных местах. или тыркать предохранители -временами лампа на приборке загорается и при запуске генератор работает нормально. Стоит заглушить и опять включить зажигание - все темно и печально.Понимаю, что где-то нет контакта или окисл сидит. А вот допетрить в какое место посмотреть не могу догадаться.
Про лампу стояночного тормоза тоже недогоняю - поднимаю ручник - лампа горит. А если включаешь зажигание и лампа АКБ не горит, то и тормоза тоже не светит.
Мозг уже сломал. Вроде и схема простая, а причину найти не могу
Mitsubishi Моntero Sport LS,AWD,6G72, 2002 г. золотистый, ГБО BRC, Air Lift 1000 в пружинах,Cooper AT-3 265/70 R16, Multitronics RIF-500
- bambrr
- Сообщения: 302
- Зарегистрирован: 17 июн 2009, 01:41
- Двигатель:: 6G72
- Мой автомобиль(и):: Mitsubishi Моntero Sport
- Откуда: Казахстан г.Актау
- Благодарил (а): 4 раза
- Поблагодарили: 17 раз
Зарядки нет, а генератор исправен...
нашел залом белого провода в гофре. Починил.Лампочки на приборке загорелись. Завожу - нормально, зарядка идет. Двигатель прогревается - и опять печаль. Зарядки нет, лампы при включении зажигания не горят. Разобрал генератор, кольца , щетки в идеале, все звонится нормально. Порылся в запасах, нашел старый регулятор, щетки на нем уставшие были. Перепаял их, поставил. Все заработало как надо. Получается, что регулятор напряжения при нагреве переставал работать.На выходных буду ездить , смотреть что и как .
Mitsubishi Моntero Sport LS,AWD,6G72, 2002 г. золотистый, ГБО BRC, Air Lift 1000 в пружинах,Cooper AT-3 265/70 R16, Multitronics RIF-500
