КАН шина
Модераторы: SNOOPER, Nbf, Romik, BAlex, drcham, Петрушак Валентин
- Евгений.
- Сообщения: 41
- Зарегистрирован: 26 май 2012, 13:59
- Двигатель:: 4N15
- Мой автомобиль(и):: L200 2019
- Откуда: Краснодар
- Откуда: Краснодар
- Благодарил (а): 6 раз
- Поблагодарили: 10 раз
КАН шина
Всем привет! Поставил вместо штатной балалайки Teyes cc3. Аппарат обалденный, рекомендую. Судя по мануалы, он ещё умеет дружить с кан шиной и при этом появляется куча дополнительных ништяков. Вопрос, как эту кан шину найти? Судя по интернету, это должно выглядеть как витая пара. В жгутах под балалайкой ничего похожего не нашёл. Подскажите, кто «в теме» пожалуйста.
Разоряешься на штрафах? Удиви инспекторов, езди по правилам!
- chiefov
- Сообщения: 10
- Зарегистрирован: 14 мар 2021, 11:19
- Двигатель:: 4d56t
- Мой автомобиль(и):: Mitsubishi L200 2011 г.в.
- Откуда: Kiev
- Благодарил (а): 26 раз
- Поблагодарили: 3 раза
КАН шина
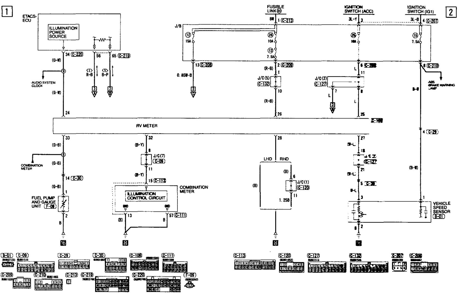
Выход сигнала с CAN шины идёт на серый разъём,который подключен к RV-meter-это монитор с компасом,расходом топлива,атмосферным давлением и т.д. ща на австралийском сайте пошарю,там один австралийский умелец установил его себе,поэтому есть детальное описание распиновки серого разъёма,суть в том что для того чтоб из CAN шины что-то считать,нужен CAN-декодер,это такой себе "переводчик" между CAN шиной и магнитолой,т.е. протоколы которые используются в шине CAN,он читает и переводит в понятный для магнитолы на андроид язык..Поэтому подключить напрямую автомагнитолу к шине CAN не получится.Правда я помню до рестайла 2011 года Mitsubishi L200 шел с CAN декодером,но точно не уверен что он совместим с магнитолой на андроид.Хотя я сам для отображения маршрутных данных,компаса и т.д. подключил с помощью CAN декодера от предыдущей магнитолы Roadrover на WIN-CE,компас это отдельный блок,он установлен на RV-Meter, выглядит как продолговатая черная коробочка.
Последний раз редактировалось chiefov 22 окт 2021, 14:30, всего редактировалось 1 раз.
Mitsubishi l200 4d56t, +100500 EGR-off( Игорь FGC),без лифтов,обвесов,шноркелей..
Просто семейный универсал с хорошей проходимостью
Просто семейный универсал с хорошей проходимостью
- chiefov
- Сообщения: 10
- Зарегистрирован: 14 мар 2021, 11:19
- Двигатель:: 4d56t
- Мой автомобиль(и):: Mitsubishi L200 2011 г.в.
- Откуда: Kiev
- Благодарил (а): 26 раз
- Поблагодарили: 3 раза
КАН шина
Кнопки на руле можно подключить по резистивной схеме без всяких CAN-декодеров и обучить в меню магнитолы.
- Вложения
Mitsubishi l200 4d56t, +100500 EGR-off( Игорь FGC),без лифтов,обвесов,шноркелей..
Просто семейный универсал с хорошей проходимостью
Просто семейный универсал с хорошей проходимостью
- chiefov
- Сообщения: 10
- Зарегистрирован: 14 мар 2021, 11:19
- Двигатель:: 4d56t
- Мой автомобиль(и):: Mitsubishi L200 2011 г.в.
- Откуда: Kiev
- Благодарил (а): 26 раз
- Поблагодарили: 3 раза
КАН шина
Это сам RV-meter,(мопед не мой,фотку с инета скачал),у меня в рестайле был уже без CAN-декодара с темным экраном вместо синего.
Mitsubishi l200 4d56t, +100500 EGR-off( Игорь FGC),без лифтов,обвесов,шноркелей..
Просто семейный универсал с хорошей проходимостью
Просто семейный универсал с хорошей проходимостью
- SNOOPER
- Модератор
- Сообщения: 57222
- Зарегистрирован: 11 дек 2004, 19:49
- Двигатель:: 4D56
- Мой автомобиль(и):: NewMPS
- Откуда: 78
- Откуда: Spb
- Благодарил (а): 1016 раз
- Поблагодарили: 4742 раза
КАН шина
chiefov,
Если будем чуточку внимательнее то увидим что вопрос о Люсе следующего поколения. А это совсем другая машина и её архитектура.
Если будем чуточку внимательнее то увидим что вопрос о Люсе следующего поколения. А это совсем другая машина и её архитектура.
- chiefov
- Сообщения: 10
- Зарегистрирован: 14 мар 2021, 11:19
- Двигатель:: 4d56t
- Мой автомобиль(и):: Mitsubishi L200 2011 г.в.
- Откуда: Kiev
- Благодарил (а): 26 раз
- Поблагодарили: 3 раза
КАН шина
Сорри,протупил))
Mitsubishi l200 4d56t, +100500 EGR-off( Игорь FGC),без лифтов,обвесов,шноркелей..
Просто семейный универсал с хорошей проходимостью
Просто семейный универсал с хорошей проходимостью
-
a2ex
- Сообщения: 3
- Зарегистрирован: 27 апр 2025, 20:09
- Двигатель:: 4D56
- Мой автомобиль(и):: L200 4
- Откуда: Уфа
КАН шина
Ставил сигнализацию, подключал к КАН шине через диагностический разъем, АКПП периодически выдавала ошибку, пришлось переделать напрямую минуя КАН шину, после все норм( 2012 г.в. АКПП).
