Правый габарит не горит
Модераторы: SNOOPER, Nbf, Romik, BAlex
-
denpod2011
- Сообщения: 385
- Зарегистрирован: 16 ноя 2012, 01:47
- Двигатель:: 4D56 TD
- Мой автомобиль(и):: Pajero 2 Long Wagon, АКПП V4AW2, 1991 года
- Откуда: Московская область
- Откуда: Московская область, Монино
- Благодарил (а): 3 раза
- Поблагодарили: 1 раз
Правый габарит не горит
перестал загораться левый габарит и одновременно начал звучать сигнал, что не выключено освещение.
С этим разобрался - провод от катушки реле замкнуло на землю. Кинул новый провод, старый откусил и заизолировал.
Но габарит не горит пока. Только правый, а с левым все в порядке. Задние габариты тоже не горят.
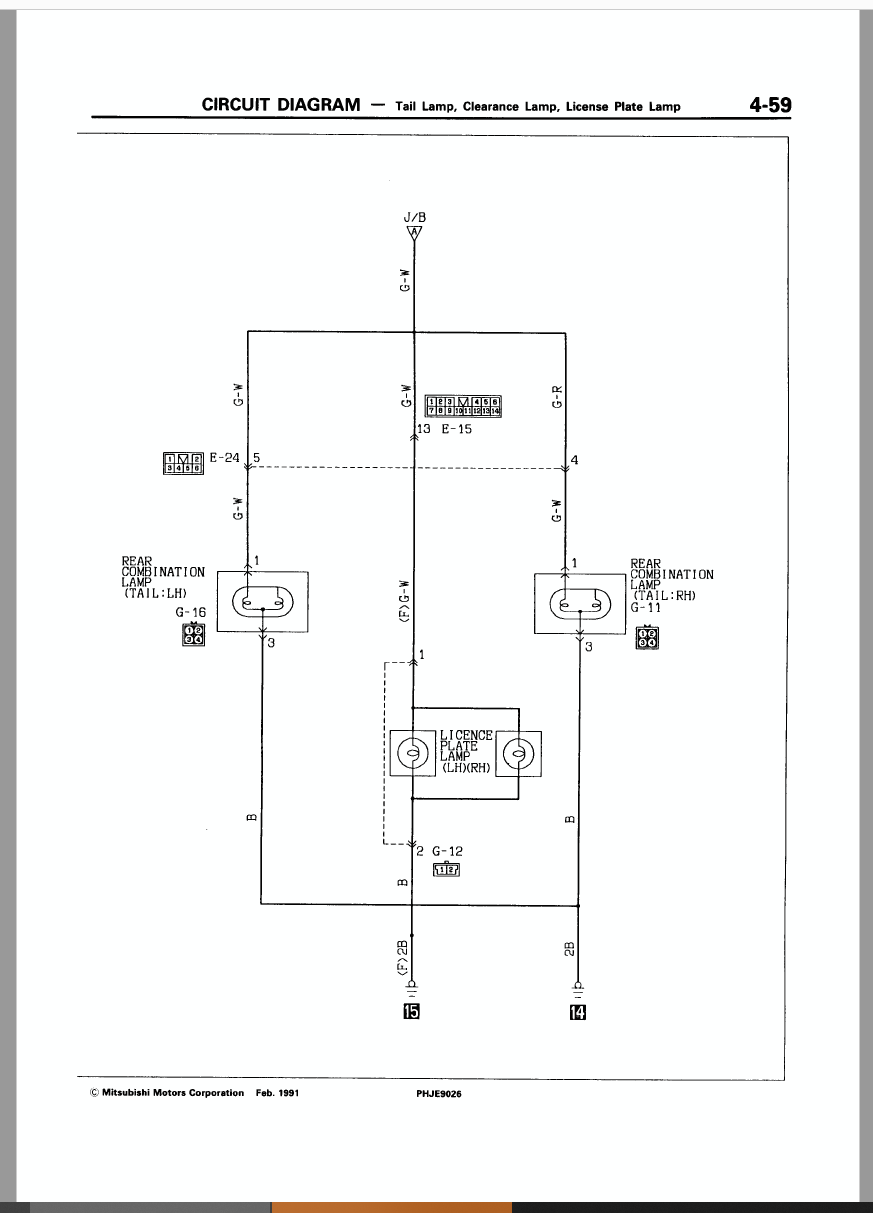
Начал смотреть по схеме - совершенно другие по маркировке провода. Например в схеме указано Зеленый с красной полосой, а на самом деле такого нет, есть только красный с синей полосой и зеленый с белой полосой и бронзовой точкой. Ну черный понятно - земля.
Нашел предохранители, все целы.
Но провода, отходящие от предохранителя 5 моторного отсека не звонятся с контактами лампы. Причем даже такого провода, который отходит от предохранителя, в жгуте не нашел.
Смотрел схемы как в книге , так и форумных схемах на 1991 год (машина 91 года
Так что есть вопросы:
1. есть ли у кого правильное расположение предохранителей в моторном отсеке?
2. Может кинуть провод от левого исправного габарита на правый габарит
3. Я меня стоят в габаритах лампы с 2мя спиралями. Я слышал, что вторая спираль включается, когда жмешь поворотник, и габарит светится сильнее.
Но я сегодня пробовал, и дополнительного напряжения ничего пришло, когда поворотник включил на левый.
4. Смущает предохранитель 7 в коробке реле моторного отсека. Судя по прозвонке оба конца сидят на корпусе.
5. Если уже не смогу починить, можно ездить с ближним светом, но без габаритов?
Заранее спасибо за помощь, Денис
С этим разобрался - провод от катушки реле замкнуло на землю. Кинул новый провод, старый откусил и заизолировал.
Но габарит не горит пока. Только правый, а с левым все в порядке. Задние габариты тоже не горят.
Начал смотреть по схеме - совершенно другие по маркировке провода. Например в схеме указано Зеленый с красной полосой, а на самом деле такого нет, есть только красный с синей полосой и зеленый с белой полосой и бронзовой точкой. Ну черный понятно - земля.
Нашел предохранители, все целы.
Но провода, отходящие от предохранителя 5 моторного отсека не звонятся с контактами лампы. Причем даже такого провода, который отходит от предохранителя, в жгуте не нашел.
Смотрел схемы как в книге , так и форумных схемах на 1991 год (машина 91 года
Так что есть вопросы:
1. есть ли у кого правильное расположение предохранителей в моторном отсеке?
2. Может кинуть провод от левого исправного габарита на правый габарит
3. Я меня стоят в габаритах лампы с 2мя спиралями. Я слышал, что вторая спираль включается, когда жмешь поворотник, и габарит светится сильнее.
Но я сегодня пробовал, и дополнительного напряжения ничего пришло, когда поворотник включил на левый.
4. Смущает предохранитель 7 в коробке реле моторного отсека. Судя по прозвонке оба конца сидят на корпусе.
5. Если уже не смогу починить, можно ездить с ближним светом, но без габаритов?
Заранее спасибо за помощь, Денис
- dvm99
- Сообщения: 21773
- Зарегистрирован: 21 май 2012, 20:59
- Двигатель:: 6G72, 12клап.,
- Мой автомобиль(и):: Pajero2, Запорожец- Ланос
- Откуда: Свердловская обл.
- Благодарил (а): 708 раз
- Поблагодарили: 1032 раза
Правый габарит не горит
Завтра или позже посмотрю внимательно....
Сегодня с дороги, не лезет...
Сегодня с дороги, не лезет...
Дмитрий
Боливар2 - П2, 92г., V43, 6G72(12V), V4AW2, RD/L, пруль (чистокровный японский рысак)
Боливар1 - П2, 93г., 6G72(12V), МКПП, V43, RD/L, Европа (славный был конь, но уже донор)
Боливар2 - П2, 92г., V43, 6G72(12V), V4AW2, RD/L, пруль (чистокровный японский рысак)
Боливар1 - П2, 93г., 6G72(12V), МКПП, V43, RD/L, Европа (славный был конь, но уже донор)
-
алексей - Маленький Мук
- Модератор
- Сообщения: 20293
- Зарегистрирован: 11 дек 2008, 16:10
- Откуда: москва м Академическая
- Благодарил (а): 101 раз
- Поблагодарили: 1323 раза
Правый габарит не горит
Тк задние ж тоже не горят
было раз что в патронах ламп контакт подплавился и его утопило внутрь цоколя. контакт на лампе тупо не доставал . и да второй контакт в габаритах это подсветка поворота называется загорается при вкл поворотника 
Всем добра.......
- dvm99
- Сообщения: 21773
- Зарегистрирован: 21 май 2012, 20:59
- Двигатель:: 6G72, 12клап.,
- Мой автомобиль(и):: Pajero2, Запорожец- Ланос
- Откуда: Свердловская обл.
- Благодарил (а): 708 раз
- Поблагодарили: 1032 раза
Правый габарит не горит
denpod2011,
раз схема с твоей не бьётся (а она, судя по твоим описаниям, не бьётся), то на номера предохранителей можешь забить.
В схеме только однонитьевые лампы числятся.
Вычисляй пред методом вытыкания по очереди. Т.е. включи поворотник и вытыкай.
раз схема с твоей не бьётся (а она, судя по твоим описаниям, не бьётся), то на номера предохранителей можешь забить.
В схеме только однонитьевые лампы числятся.
Вычисляй пред методом вытыкания по очереди. Т.е. включи поворотник и вытыкай.
Если его цепи есть лампы или мощные реле, то ничего удивительного. Прозвонкой такие цепи трудно оценить, лучше замерять напряжение.denpod2011 писал(а): ↑ 4. Смущает предохранитель 7 в коробке реле моторного отсека. Судя по прозвонке оба конца сидят на корпусе.
Можно, но только в качестве ДХО.denpod2011 писал(а): ↑ 5. Если уже не смогу починить, можно ездить с ближним светом, но без габаритов?
Дмитрий
Боливар2 - П2, 92г., V43, 6G72(12V), V4AW2, RD/L, пруль (чистокровный японский рысак)
Боливар1 - П2, 93г., 6G72(12V), МКПП, V43, RD/L, Европа (славный был конь, но уже донор)
Боливар2 - П2, 92г., V43, 6G72(12V), V4AW2, RD/L, пруль (чистокровный японский рысак)
Боливар1 - П2, 93г., 6G72(12V), МКПП, V43, RD/L, Европа (славный был конь, но уже донор)
-
denpod2011
- Сообщения: 385
- Зарегистрирован: 16 ноя 2012, 01:47
- Двигатель:: 4D56 TD
- Мой автомобиль(и):: Pajero 2 Long Wagon, АКПП V4AW2, 1991 года
- Откуда: Московская область
- Откуда: Московская область, Монино
- Благодарил (а): 3 раза
- Поблагодарили: 1 раз
Правый габарит не горит
Если нажать на тормоз, то вспыхнет на заднем фонаре нижний и верхний отсека, красным цветом. Снял один задний фонарь и увидел, что сверху и в самом внизу стоят 2-х нитевые лампы.Вот только не помню, если включить ближний свет, то должны габариты гореть?
-
алексей - Маленький Мук
- Модератор
- Сообщения: 20293
- Зарегистрирован: 11 дек 2008, 16:10
- Откуда: москва м Академическая
- Благодарил (а): 101 раз
- Поблагодарили: 1323 раза
-
denpod2011
- Сообщения: 385
- Зарегистрирован: 16 ноя 2012, 01:47
- Двигатель:: 4D56 TD
- Мой автомобиль(и):: Pajero 2 Long Wagon, АКПП V4AW2, 1991 года
- Откуда: Московская область
- Откуда: Московская область, Монино
- Благодарил (а): 3 раза
- Поблагодарили: 1 раз
Правый габарит не горит
приехал к знакомому электрику, причина - когда искал какой провод лег на корпус, то перекусил и другой провод.
Восстановить забыл. Электрик кинул перемычку и теперь все ок. Так что тема закрыта
Восстановить забыл. Электрик кинул перемычку и теперь все ок. Так что тема закрыта
-
алексей - Маленький Мук
- Модератор
- Сообщения: 20293
- Зарегистрирован: 11 дек 2008, 16:10
- Откуда: москва м Академическая
- Благодарил (а): 101 раз
- Поблагодарили: 1323 раза
