Паджеро 2 араб 3литра 12 клапанов 95г. Не запускается на холодную при температуре ниже -2
Модераторы: SNOOPER, Nbf, Romik, BAlex
-
Александр Кривошеев
- Сообщения: 16
- Зарегистрирован: 12 ноя 2020, 15:28
- Двигатель:: 6g72 бензин 12 клапанов мкпп 1995г
- Мой автомобиль(и):: Паджеро 2 араб
- Откуда: Казахстан Риддер
- Поблагодарили: 1 раз
Паджеро 2 араб 3литра 12 клапанов 95г. Не запускается на холодную при температуре ниже -2
Всем привет! Проблема такая- не запускается двигатель на холодную при температуре ниже -2. Завожу только с помощью быстрого старта. Заменил ЭБУ( купил родной), заменил МАФ, датчик температуры, дроссельную заслонку с датчиками, бензонасос, фильтра, регулятор топлива, форсунки. После первого запуска заводится нормально. Иммобилайзера нет. Сигнализация СтарЛайн а93. Если запускать без эфира- идут прострелы в глушитель и фильтр. Можно минут 20 крутить без толку. В гараже заводится с пол оборота. Электрики разводят руками.
-
Александр Кривошеев
- Сообщения: 16
- Зарегистрирован: 12 ноя 2020, 15:28
- Двигатель:: 6g72 бензин 12 клапанов мкпп 1995г
- Мой автомобиль(и):: Паджеро 2 араб
- Откуда: Казахстан Риддер
- Поблагодарили: 1 раз
Паджеро 2 араб 3литра 12 клапанов 95г. Не запускается на холодную при температуре ниже -2
Компрессия 11 все , двигатель накуривал дымогенератором- подсоса нет.
- drcham
- Модератор
- Сообщения: 14459
- Зарегистрирован: 08 апр 2006, 13:42
- Двигатель:: Бензин
- Мой автомобиль(и):: Wrangler JLU Rubicon
- Откуда: Москва
- Откуда: Москва ЮЗАО
- Благодарил (а): 63 раза
- Поблагодарили: 231 раз
- Контактная информация:
Паджеро 2 араб 3литра 12 клапанов 95г. Не запускается на холодную при температуре ниже -2
а метки на месте ? датчик температуры исправен ?
4LO&GO! Wrangler JLU Rubicon
-
Александр Кривошеев
- Сообщения: 16
- Зарегистрирован: 12 ноя 2020, 15:28
- Двигатель:: 6g72 бензин 12 клапанов мкпп 1995г
- Мой автомобиль(и):: Паджеро 2 араб
- Откуда: Казахстан Риддер
- Поблагодарили: 1 раз
Паджеро 2 араб 3литра 12 клапанов 95г. Не запускается на холодную при температуре ниже -2
Метки все на месте. Датчик с рабочей машины.
- SNOOPER
- Модератор
- Сообщения: 57351
- Зарегистрирован: 11 дек 2004, 19:49
- Двигатель:: 4D56
- Мой автомобиль(и):: NewMPS
- Откуда: 78
- Откуда: Spb
- Благодарил (а): 1023 раза
- Поблагодарили: 4772 раза
Паджеро 2 араб 3литра 12 клапанов 95г. Не запускается на холодную при температуре ниже -2
Сигнализация что блокирует?
Нужно отключить, обойти, блокировку и проверить.
Нужно отключить, обойти, блокировку и проверить.
-
Александр Кривошеев
- Сообщения: 16
- Зарегистрирован: 12 ноя 2020, 15:28
- Двигатель:: 6g72 бензин 12 клапанов мкпп 1995г
- Мой автомобиль(и):: Паджеро 2 араб
- Откуда: Казахстан Риддер
- Поблагодарили: 1 раз
Паджеро 2 араб 3литра 12 клапанов 95г. Не запускается на холодную при температуре ниже -2
Сигнализация ничего не блокирует. Просто открыть закрыть и автозапуск.
-
Александр Кривошеев
- Сообщения: 16
- Зарегистрирован: 12 ноя 2020, 15:28
- Двигатель:: 6g72 бензин 12 клапанов мкпп 1995г
- Мой автомобиль(и):: Паджеро 2 араб
- Откуда: Казахстан Риддер
- Поблагодарили: 1 раз
Паджеро 2 араб 3литра 12 клапанов 95г. Не запускается на холодную при температуре ниже -2
Купил машину уже с установленной сигнализацией
- SNOOPER
- Модератор
- Сообщения: 57351
- Зарегистрирован: 11 дек 2004, 19:49
- Двигатель:: 4D56
- Мой автомобиль(и):: NewMPS
- Откуда: 78
- Откуда: Spb
- Благодарил (а): 1023 раза
- Поблагодарили: 4772 раза
Паджеро 2 араб 3литра 12 клапанов 95г. Не запускается на холодную при температуре ниже -2
И это первая зима владения машиной?
-
алексей - Маленький Мук
- Модератор
- Сообщения: 20387
- Зарегистрирован: 11 дек 2008, 16:10
- Откуда: москва м Академическая
- Благодарил (а): 101 раз
- Поблагодарили: 1341 раз
Паджеро 2 араб 3литра 12 клапанов 95г. Не запускается на холодную при температуре ниже -2
но это не значит что он исправен. подкинь другой датчик.Александр Кривошеев писал(а): ↑ Датчик с рабочей машины.
Всем добра.......
- SNOOPER
- Модератор
- Сообщения: 57351
- Зарегистрирован: 11 дек 2004, 19:49
- Двигатель:: 4D56
- Мой автомобиль(и):: NewMPS
- Откуда: 78
- Откуда: Spb
- Благодарил (а): 1023 раза
- Поблагодарили: 4772 раза
Паджеро 2 араб 3литра 12 клапанов 95г. Не запускается на холодную при температуре ниже -2
Если речь о датчике температуры. То тут достаточно просто.алексей - Маленький Мук писал(а): ↑но это не значит что он исправен. подкинь другой датчик.Александр Кривошеев писал(а): ↑ Датчик с рабочей машины.
Скинуть разъём перед запуском.
Моторный будет думать что двигатель с температурой минус сорок.
И будет лить бензина от всей души.)
Если будет уверенный запуск, то нужно смотреть сам датчик и его цепь.
В любом случае нужно сканер и смотреть что там происходит.)
-
алексей - Маленький Мук
- Модератор
- Сообщения: 20387
- Зарегистрирован: 11 дек 2008, 16:10
- Откуда: москва м Академическая
- Благодарил (а): 101 раз
- Поблагодарили: 1341 раз
Паджеро 2 араб 3литра 12 клапанов 95г. Не запускается на холодную при температуре ниже -2
я так пробывал. ваще переставал заводиться, свечки заливало. бэз газа ваще не схватывал. мерил показания датчика. все вроде в допусках а хрен там. подкинул другой. с пол пинка 
Всем добра.......
-
Александр Кривошеев
- Сообщения: 16
- Зарегистрирован: 12 ноя 2020, 15:28
- Двигатель:: 6g72 бензин 12 клапанов мкпп 1995г
- Мой автомобиль(и):: Паджеро 2 араб
- Откуда: Казахстан Риддер
- Поблагодарили: 1 раз
Паджеро 2 араб 3литра 12 клапанов 95г. Не запускается на холодную при температуре ниже -2
Это уже 4 зима. Так и завожу с быстрым стартом. Датчик температуры менял на новый- результат тот же. Снимал разъем - разницы нет. Диагностика ошибок не выдает. Уже не знаю куда копать.
-
Александр Кривошеев
- Сообщения: 16
- Зарегистрирован: 12 ноя 2020, 15:28
- Двигатель:: 6g72 бензин 12 клапанов мкпп 1995г
- Мой автомобиль(и):: Паджеро 2 араб
- Откуда: Казахстан Риддер
- Поблагодарили: 1 раз
Паджеро 2 араб 3литра 12 клапанов 95г. Не запускается на холодную при температуре ниже -2
Сейчас опять пробовал запустить без температурного датчика - даже вспышек нету. Эфир вырабатывает и глохнет, разъем одел и с эфиром завёлся.
- SNOOPER
- Модератор
- Сообщения: 57351
- Зарегистрирован: 11 дек 2004, 19:49
- Двигатель:: 4D56
- Мой автомобиль(и):: NewMPS
- Откуда: 78
- Откуда: Spb
- Благодарил (а): 1023 раза
- Поблагодарили: 4772 раза
Паджеро 2 араб 3литра 12 клапанов 95г. Не запускается на холодную при температуре ниже -2
Нужно смотреть не ошибки, а показания с датчиков в реальном времени.
- dvm99
- Сообщения: 22483
- Зарегистрирован: 21 май 2012, 20:59
- Двигатель:: 6G72, 12клап.,
- Мой автомобиль(и):: Pajero2, Запорожец- Ланос
- Откуда: Свердловская обл.
- Благодарил (а): 749 раз
- Поблагодарили: 1090 раз
Паджеро 2 араб 3литра 12 клапанов 95г. Не запускается на холодную при температуре ниже -2
А свечи-то мокрые или сухие после таких попыток запуститься?Александр Кривошеев писал(а): ↑ Уже не знаю куда копать.
Дмитрий
Боливар2 - П2, 92г., V43, 6G72(12V), V4AW2, RD/L, пруль (чистокровный японский рысак)
Боливар1 - П2, 93г., 6G72(12V), МКПП, V43, RD/L, Европа (славный был конь, но уже донор)
Боливар2 - П2, 92г., V43, 6G72(12V), V4AW2, RD/L, пруль (чистокровный японский рысак)
Боливар1 - П2, 93г., 6G72(12V), МКПП, V43, RD/L, Европа (славный был конь, но уже донор)
- ЯпонеЦ
- Сообщения: 4146
- Зарегистрирован: 20 ноя 2006, 21:33
- Двигатель:: 3VZ-E, были 4D56T, 6G72
- Мой автомобиль(и):: TOYOTA HILUX, шнорк, лебедка, км2 35х12,5х15. ММС Delica 4м40 сток пока.
- Откуда: Сочи, Адлер
- Откуда: Сочи
- Благодарил (а): 44 раза
- Поблагодарили: 182 раза
Паджеро 2 араб 3литра 12 клапанов 95г. Не запускается на холодную при температуре ниже -2
Я вобще в списке меняных деталей свечи не увидел, в первую очередь с них бы начинал
Мой танк тут https://www.drive2.ru/r/toyota/hilux_surf/332538/
-
Александр Кривошеев
- Сообщения: 16
- Зарегистрирован: 12 ноя 2020, 15:28
- Двигатель:: 6g72 бензин 12 клапанов мкпп 1995г
- Мой автомобиль(и):: Паджеро 2 араб
- Откуда: Казахстан Риддер
- Поблагодарили: 1 раз
Паджеро 2 араб 3литра 12 клапанов 95г. Не запускается на холодную при температуре ниже -2
Свечи, провода, крышка трамблёра в самую первую очередь поменял
-
Александр Кривошеев
- Сообщения: 16
- Зарегистрирован: 12 ноя 2020, 15:28
- Двигатель:: 6g72 бензин 12 клапанов мкпп 1995г
- Мой автомобиль(и):: Паджеро 2 араб
- Откуда: Казахстан Риддер
- Поблагодарили: 1 раз
Паджеро 2 араб 3литра 12 клапанов 95г. Не запускается на холодную при температуре ниже -2
Один из электриков сказал, что импульсов на форсунки нет на холодную
- dvm99
- Сообщения: 22483
- Зарегистрирован: 21 май 2012, 20:59
- Двигатель:: 6G72, 12клап.,
- Мой автомобиль(и):: Pajero2, Запорожец- Ланос
- Откуда: Свердловская обл.
- Благодарил (а): 749 раз
- Поблагодарили: 1090 раз
Паджеро 2 араб 3литра 12 клапанов 95г. Не запускается на холодную при температуре ниже -2
Это точная информация?Александр Кривошеев писал(а): ↑ Один из электриков сказал, что импульсов на форсунки нет на холодную
Импульсов на форсах не будет, если нет сигнала от датчика коленвала или распредвала.
Они оба находятся в трамблёре.
Вообще, эти датчики довольно надёжные, ни разу не слышал, чтоб на них жаловались.
Я бы всё-таки предложил с варианта Снупера
Походит на то, что сигналка что-то блокирует в ЭБУ. И походит на то, что в сигналке сдох конденсатор по питанию.
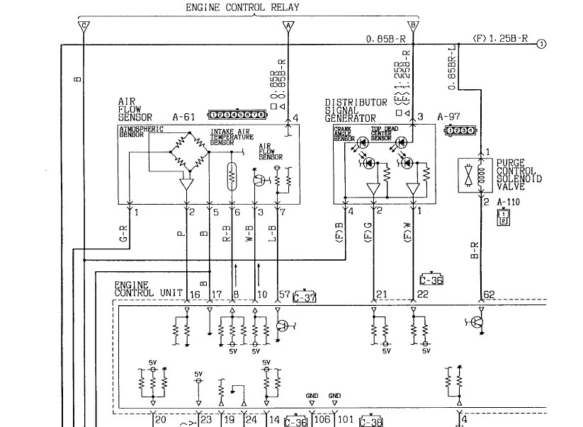
Вот фрагмент схемы с ДПКВ, разъём А-97
Дмитрий
Боливар2 - П2, 92г., V43, 6G72(12V), V4AW2, RD/L, пруль (чистокровный японский рысак)
Боливар1 - П2, 93г., 6G72(12V), МКПП, V43, RD/L, Европа (славный был конь, но уже донор)
Боливар2 - П2, 92г., V43, 6G72(12V), V4AW2, RD/L, пруль (чистокровный японский рысак)
Боливар1 - П2, 93г., 6G72(12V), МКПП, V43, RD/L, Европа (славный был конь, но уже донор)
- SNOOPER
- Модератор
- Сообщения: 57351
- Зарегистрирован: 11 дек 2004, 19:49
- Двигатель:: 4D56
- Мой автомобиль(и):: NewMPS
- Откуда: 78
- Откуда: Spb
- Благодарил (а): 1023 раза
- Поблагодарили: 4772 раза
Паджеро 2 араб 3литра 12 клапанов 95г. Не запускается на холодную при температуре ниже -2
Как то, когда ставил сигналки был косяк.
Блокировку ставил на насос. В тепло всё было нормально, чуть похолодало начались проблемы с первым запуском.
Оказалось что я подключал в сигналке провод контроля зажигания к IGN2. Тоесть к контакту который пропадает при положении СТАРТЕР.
Так как блокировка была нормально разомкнутая, то при положении СТАРТЕР она включалась.
Тоесть когда крутил стартер, бензонасос не работал.
Пришлось делать "отзыв" все машин которым так накосячил....))
