Есть машин Montero-3 2001 года. У нее есть 3 личинки в дверях (2 в передних и одна в задней пятой двери).
Поворачивая ключ в любой из личинок, происходит отпирание/запирание всей машины и соответственно постановка на охрану (щелкают все замки).
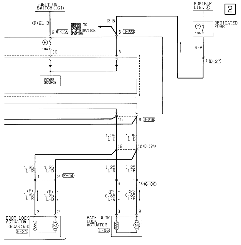
Но я я был очень удивлен, когда разобрал замок задней двери и не увидел там никакого концевика, который бы давал сигнал мозгам, что произошло поворачивание ключа. Туда даже идут всего-то 2 проводка, которые подходят к актуатору замка. В одной полярности он открывает, в другой закрывает. А при механическом проворачивании ключа просто переводится мотор в положение закрыто/открыто .
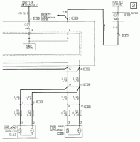
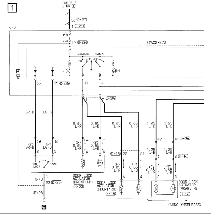
Посмотрел схемы. Ну да... в передних дверях по схеме есть некий концевик, а в задней нет. Кроме того, она еще и запараллелена с задней правой дверью. То есть, по идее если и её флажок повернуть изнутри, она тоже что ли закроет машину?
Как же это тогда работает? Неужели ECU видит некий импульс от ЭДС, которое наводится в обмотке мотора при механическом перемещении сердечника?
Можно было бы подумать, что это где-то на другом куске схемы нарисовано... Но фигня в том, что внутри двери в район замка-личинки реально идет только один разъем с 2-мя проводками. И больше ничего!
Вот схемы и как это выглядит.
