Домино Трофи 2026 - 25 Апреля - Обсудить и спросить тут.
Света, выходи!!! (Диммер регулировки яркости панели приборов)
Модераторы: SNOOPER, Nbf, Romik, BAlex, drcham, Podzemshik
-
nRain
- Сообщения: 20
- Зарегистрирован: 26 дек 2025, 19:41
- Двигатель:: 6G72
- Мой автомобиль(и):: Mitsubishi Padgero Sport 1 (2001) Крокодил
- Откуда: 63
- Благодарил (а): 2 раза
Света, выходи!!! (Диммер регулировки яркости панели приборов)
Коллеги по паджероводству, подскажите пожалуйста. У меня сдох диммер (ну как сдох. Сдох он до покупки, но об этом отдельный разговор), если перемыкаешь его перемычкой между черно-желтым и черным - панель светится нормально. Я хочу удалить нафиг данную прибдулу (там место оптимальное для 2х кнопок, которые я приколхожу на более благородные цели!). Подскажите, как это реализовывается правильно? Перемыкал их все 3 между собой (скрутка) - панель не работает.
Если что разговор про Спортик 1 дорест 2001 года
Если что разговор про Спортик 1 дорест 2001 года
- dvm99
- Сообщения: 22510
- Зарегистрирован: 21 май 2012, 20:59
- Двигатель:: 6G72, 12клап.,
- Мой автомобиль(и):: Pajero2, Запорожец- Ланос
- Откуда: Свердловская обл.
- Благодарил (а): 749 раз
- Поблагодарили: 1090 раз
Света, выходи!!! (Диммер регулировки яркости панели приборов)
И что, предохранитель при этом ни какой не сдох?
Так нельзя!
Дмитрий
Боливар2 - П2, 92г., V43, 6G72(12V), V4AW2, RD/L, пруль (чистокровный японский рысак)
Боливар1 - П2, 93г., 6G72(12V), МКПП, V43, RD/L, Европа (славный был конь, но уже донор)
Боливар2 - П2, 92г., V43, 6G72(12V), V4AW2, RD/L, пруль (чистокровный японский рысак)
Боливар1 - П2, 93г., 6G72(12V), МКПП, V43, RD/L, Европа (славный был конь, но уже донор)
-
nRain
- Сообщения: 20
- Зарегистрирован: 26 дек 2025, 19:41
- Двигатель:: 6G72
- Мой автомобиль(и):: Mitsubishi Padgero Sport 1 (2001) Крокодил
- Откуда: 63
- Благодарил (а): 2 раза
Света, выходи!!! (Диммер регулировки яркости панели приборов)
Я очень быстрый ганзалес. Перемкнул - перебросил на габариты, не зажглась - разъединил сразу.
А как можно? Есть варианты избавиться от него? либо м.б. есть электросхема цепи, как он там подключен из косы и что за что отвечает?
- dvm99
- Сообщения: 22510
- Зарегистрирован: 21 май 2012, 20:59
- Двигатель:: 6G72, 12клап.,
- Мой автомобиль(и):: Pajero2, Запорожец- Ланос
- Откуда: Свердловская обл.
- Благодарил (а): 749 раз
- Поблагодарили: 1090 раз
Света, выходи!!! (Диммер регулировки яркости панели приборов)
Преду твоя быстрота по фигу!
К реостату подходит питание (через пред) и масса, т.е. всё, что нужно для короткого замыкания... Т.е. если ты "всё правильно сделал", предохранитель должен был сгореть.
Сейчас глянул схему...
Если всё по ней бьётся, то на разъёме (4-х контактном), надо закоротить оба средних вывода 2 и 3, только их!
И тогда лампочки должны гореть. Если не горят, ищи предохранитель, который ты упалил.
Дмитрий
Боливар2 - П2, 92г., V43, 6G72(12V), V4AW2, RD/L, пруль (чистокровный японский рысак)
Боливар1 - П2, 93г., 6G72(12V), МКПП, V43, RD/L, Европа (славный был конь, но уже донор)
Боливар2 - П2, 92г., V43, 6G72(12V), V4AW2, RD/L, пруль (чистокровный японский рысак)
Боливар1 - П2, 93г., 6G72(12V), МКПП, V43, RD/L, Европа (славный был конь, но уже донор)
-
nRain
- Сообщения: 20
- Зарегистрирован: 26 дек 2025, 19:41
- Двигатель:: 6G72
- Мой автомобиль(и):: Mitsubishi Padgero Sport 1 (2001) Крокодил
- Откуда: 63
- Благодарил (а): 2 раза
Света, выходи!!! (Диммер регулировки яркости панели приборов)
Это я запросто!
Посмотрим, что из этого получится, и получится ли.
- dvm99
- Сообщения: 22510
- Зарегистрирован: 21 май 2012, 20:59
- Двигатель:: 6G72, 12клап.,
- Мой автомобиль(и):: Pajero2, Запорожец- Ланос
- Откуда: Свердловская обл.
- Благодарил (а): 749 раз
- Поблагодарили: 1090 раз
Света, выходи!!! (Диммер регулировки яркости панели приборов)
Дмитрий
Боливар2 - П2, 92г., V43, 6G72(12V), V4AW2, RD/L, пруль (чистокровный японский рысак)
Боливар1 - П2, 93г., 6G72(12V), МКПП, V43, RD/L, Европа (славный был конь, но уже донор)
Боливар2 - П2, 92г., V43, 6G72(12V), V4AW2, RD/L, пруль (чистокровный японский рысак)
Боливар1 - П2, 93г., 6G72(12V), МКПП, V43, RD/L, Европа (славный был конь, но уже донор)
-
nRain
- Сообщения: 20
- Зарегистрирован: 26 дек 2025, 19:41
- Двигатель:: 6G72
- Мой автомобиль(и):: Mitsubishi Padgero Sport 1 (2001) Крокодил
- Откуда: 63
- Благодарил (а): 2 раза
Света, выходи!!! (Диммер регулировки яркости панели приборов)
Так там же вроде один, над ногами. циферь 8, 10А. или есть еще ?
- dvm99
- Сообщения: 22510
- Зарегистрирован: 21 май 2012, 20:59
- Двигатель:: 6G72, 12клап.,
- Мой автомобиль(и):: Pajero2, Запорожец- Ланос
- Откуда: Свердловская обл.
- Благодарил (а): 749 раз
- Поблагодарили: 1090 раз
Света, выходи!!! (Диммер регулировки яркости панели приборов)
Вчера немного попутал
Реостат управляет по массе, так что лампочки гореть будут в любом случае.
Если пред упалил, то должно что-то другое не работать, но схемы под рукой нет.
Если всё работает, успокойся.
Дмитрий
Боливар2 - П2, 92г., V43, 6G72(12V), V4AW2, RD/L, пруль (чистокровный японский рысак)
Боливар1 - П2, 93г., 6G72(12V), МКПП, V43, RD/L, Европа (славный был конь, но уже донор)
Боливар2 - П2, 92г., V43, 6G72(12V), V4AW2, RD/L, пруль (чистокровный японский рысак)
Боливар1 - П2, 93г., 6G72(12V), МКПП, V43, RD/L, Европа (славный был конь, но уже донор)
-
nRain
- Сообщения: 20
- Зарегистрирован: 26 дек 2025, 19:41
- Двигатель:: 6G72
- Мой автомобиль(и):: Mitsubishi Padgero Sport 1 (2001) Крокодил
- Откуда: 63
- Благодарил (а): 2 раза
Света, выходи!!! (Диммер регулировки яркости панели приборов)
Перемычкой. Не оч люблю проволочки и прочее, неконтролируемое что-то... =)
-
nRain
- Сообщения: 20
- Зарегистрирован: 26 дек 2025, 19:41
- Двигатель:: 6G72
- Мой автомобиль(и):: Mitsubishi Padgero Sport 1 (2001) Крокодил
- Откуда: 63
- Благодарил (а): 2 раза
Света, выходи!!! (Диммер регулировки яркости панели приборов)
не-а, не захотело робить)
- dvm99
- Сообщения: 22510
- Зарегистрирован: 21 май 2012, 20:59
- Двигатель:: 6G72, 12клап.,
- Мой автомобиль(и):: Pajero2, Запорожец- Ланос
- Откуда: Свердловская обл.
- Благодарил (а): 749 раз
- Поблагодарили: 1090 раз
Света, выходи!!! (Диммер регулировки яркости панели приборов)
Т.е. ты хочешь резик воткнуть вместо реостатата, я так понимаю...
Да ещё под кОм!
Светиться не будет, не мечтай!
Там Омы нужны, и мощность гораздо более...
Дмитрий
Боливар2 - П2, 92г., V43, 6G72(12V), V4AW2, RD/L, пруль (чистокровный японский рысак)
Боливар1 - П2, 93г., 6G72(12V), МКПП, V43, RD/L, Европа (славный был конь, но уже донор)
Боливар2 - П2, 92г., V43, 6G72(12V), V4AW2, RD/L, пруль (чистокровный японский рысак)
Боливар1 - П2, 93г., 6G72(12V), МКПП, V43, RD/L, Европа (славный был конь, но уже донор)
-
nRain
- Сообщения: 20
- Зарегистрирован: 26 дек 2025, 19:41
- Двигатель:: 6G72
- Мой автомобиль(и):: Mitsubishi Padgero Sport 1 (2001) Крокодил
- Откуда: 63
- Благодарил (а): 2 раза
Света, выходи!!! (Диммер регулировки яркости панели приборов)
А у него там по высчету из того, что на плате мастится - почти что под 7 кОм
там только 332 (Резистор 3,3 кОм 332 SMD 0603) 3 штуки.
- SNOOPER
- Модератор
- Сообщения: 57371
- Зарегистрирован: 11 дек 2004, 19:49
- Двигатель:: 4D56
- Мой автомобиль(и):: NewMPS
- Откуда: 78
- Откуда: Spb
- Благодарил (а): 1024 раза
- Поблагодарили: 4775 раз
Света, выходи!!! (Диммер регулировки яркости панели приборов)
Там действительно один. На 10А.... но под капотом.)
- dvm99
- Сообщения: 22510
- Зарегистрирован: 21 май 2012, 20:59
- Двигатель:: 6G72, 12клап.,
- Мой автомобиль(и):: Pajero2, Запорожец- Ланос
- Откуда: Свердловская обл.
- Благодарил (а): 749 раз
- Поблагодарили: 1090 раз
Света, выходи!!! (Диммер регулировки яркости панели приборов)
Ох! Не разбирал... Но, стопудово, эти штуки стоят в цепи управления транзистора, который и рулит током...
Забудь свои хотелки!
Дмитрий
Боливар2 - П2, 92г., V43, 6G72(12V), V4AW2, RD/L, пруль (чистокровный японский рысак)
Боливар1 - П2, 93г., 6G72(12V), МКПП, V43, RD/L, Европа (славный был конь, но уже донор)
Боливар2 - П2, 92г., V43, 6G72(12V), V4AW2, RD/L, пруль (чистокровный японский рысак)
Боливар1 - П2, 93г., 6G72(12V), МКПП, V43, RD/L, Европа (славный был конь, но уже донор)
-
nRain
- Сообщения: 20
- Зарегистрирован: 26 дек 2025, 19:41
- Двигатель:: 6G72
- Мой автомобиль(и):: Mitsubishi Padgero Sport 1 (2001) Крокодил
- Откуда: 63
- Благодарил (а): 2 раза
Света, выходи!!! (Диммер регулировки яркости панели приборов)
Стоп. Под.... капотом? елы моталы. А вот там не проверял. Нужно будет залезть на всяк.
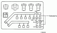
Можешь подсказать, куда смотреть в подкапотке?
Я новичок во владении МПС-а, может чего действительно не знаю. Инфо по предам и реле взята отсюда:
https://vsepredohraniteli.ru/mitsubishi ... ort-1.html
-
nRain
- Сообщения: 20
- Зарегистрирован: 26 дек 2025, 19:41
- Двигатель:: 6G72
- Мой автомобиль(и):: Mitsubishi Padgero Sport 1 (2001) Крокодил
- Откуда: 63
- Благодарил (а): 2 раза
Света, выходи!!! (Диммер регулировки яркости панели приборов)
Если надо есть фотки голого потенциометра. Без регистрации и смс =) Могу выложить. Все равно его менять, там до меня уже рылись и дорожки на текстолите подняты, видимо фигово напаяли, а потом решили силой придавить.
- dvm99
- Сообщения: 22510
- Зарегистрирован: 21 май 2012, 20:59
- Двигатель:: 6G72, 12клап.,
- Мой автомобиль(и):: Pajero2, Запорожец- Ланос
- Откуда: Свердловская обл.
- Благодарил (а): 749 раз
- Поблагодарили: 1090 раз
Света, выходи!!! (Диммер регулировки яркости панели приборов)
Дмитрий
Боливар2 - П2, 92г., V43, 6G72(12V), V4AW2, RD/L, пруль (чистокровный японский рысак)
Боливар1 - П2, 93г., 6G72(12V), МКПП, V43, RD/L, Европа (славный был конь, но уже донор)
Боливар2 - П2, 92г., V43, 6G72(12V), V4AW2, RD/L, пруль (чистокровный японский рысак)
Боливар1 - П2, 93г., 6G72(12V), МКПП, V43, RD/L, Европа (славный был конь, но уже донор)
-
nRain
- Сообщения: 20
- Зарегистрирован: 26 дек 2025, 19:41
- Двигатель:: 6G72
- Мой автомобиль(и):: Mitsubishi Padgero Sport 1 (2001) Крокодил
- Откуда: 63
- Благодарил (а): 2 раза
Света, выходи!!! (Диммер регулировки яркости панели приборов)
Последний раз редактировалось nRain 28 дек 2025, 13:58, всего редактировалось 1 раз.
-
nRain
- Сообщения: 20
- Зарегистрирован: 26 дек 2025, 19:41
- Двигатель:: 6G72
- Мой автомобиль(и):: Mitsubishi Padgero Sport 1 (2001) Крокодил
- Откуда: 63
- Благодарил (а): 2 раза
Света, выходи!!! (Диммер регулировки яркости панели приборов)
Я вообще думаю перейти на светодиоды с плавным розжигом. Думаю - может через 10а повесить панель саму на + от ключа? То есть ключик повернули - панелька зажглась сразу. Ну и + ходовые огни от замка туда же вывесить с платой "провожающего света". Ключ офф - фары ждут 5 минут и потихоньку тухнут, ну и панель стессно выключается. "Вежливый свет" в салоне думаю бессмысленно делать, итак с моими хотелками-переделками много что висеть будет на цепи.
