и так - у вас заорал клаксон. сам. мля. скорее всего залип.
прежде всего надо снять пред. вот тут.

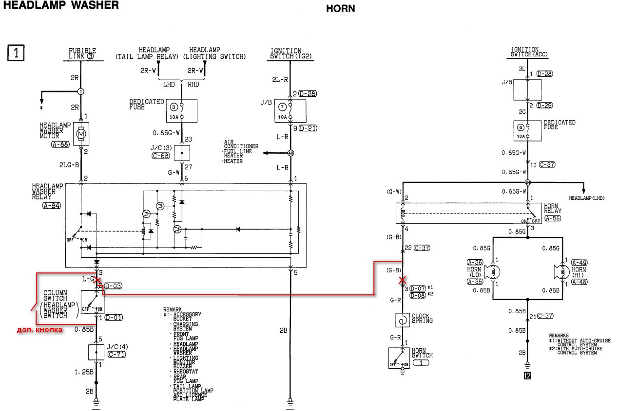
на крышке нарисовано какой пред отвечает за клаксон.
после того как это сделаете наступит счастье и тишина.
Затем ключиком на 14 (у меня так) снимаете две клеммы с аккумулятора.
далее торцевым ключиком (не помню размерчик) отворачиваем бару шурупов на руле (слева и справа). вот тут.
и с противоположной стороны.далее тянем на себя ту хреновину по которой мы в пробках долбим кулаком
Если не выходит "каменный цветок", то проверяем - до конца ли выкручены шурупы.
По идее снимается влегкую.
Снятый варьянт выглядит так -

ток еще надо отсоеденить клемму на клаксон и снять разъем с подухи.
вот тут он уже снят

затем ключиком на 8 снимаем 4 гайки.
и снимаем пиропатрон.

затем пытаемся и снимаем обжимающую коух железную пластину.

вот и сняли

маленько отгибая края кожуха вынимаем блок с самой подухой и переворачиваем его .
видим контактные пластины.

аккуратно расклаиваем их края и разводим.

замечаем, что при нашей помощи контактные пластины замыкаются сами. промятые этим

берем изоленту. режем. клеим.
итого получаем

далее собираем все в обратной последовательности и радуемся работающему клаксону.
при подготовке к работе был активно пользован
http://www.pajero4x4.ru/bbs/phpBB2/search.php
чего и вам желаю.
Затраченное время - не более часа с активным пивопитием.
фотки побольше тут
http://www.pajero4x4.ru/fgallery/thumbn ... album=1203
ПС. Качество фоток - Нокио Н73.

