Плохой запуск
Модераторы: SNOOPER, Nbf, Romik, BAlex, drcham, алексей - Маленький Мук, DenVer, Алекс
Плохой запуск
Привет всем! Наступили холода после начной стоянки стал плоха запускаться, да и не только как постоит всю ночь но и когда приезжаешь домой в 7 вечера пробуешь его запустить с пульта часиков так в 12, а он уже не заводится, запускается либо когда долго маслаешь стартером, ли бо пока не пшыкнешь в воздухан с балончика. Да ещё заметил одну вещь контрольная лампочка свечей очень быстро гаснет даже "раз" не успеваешь сказать. Днём заводится с пол пина сколько бы не стоял и какой бы мароз не был. Подскажите в чем проблемма? ](*,)
Pajero II, 2,8TD, АКПП, 94 г.в.
- AlexV
- Сообщения: 336
- Зарегистрирован: 20 окт 2005, 05:19
- Двигатель:: 4М40
- Мой автомобиль(и):: Mitsubishi Pajero
- Откуда: Владивосток
- Откуда: Владивосток
- Благодарил (а): 3 раза
- Поблагодарили: 1 раз
- Контактная информация:
Re: Плохой запуск
То что лампа гаснет, ничего не значит... Ты послушай в тишине, должен быть достаточно слышный отщелк реле,он обвчно позже, чем лампа гаснет.. Потом опять выключи зажигание и включи, прогрей свечи и заводи... Не заводиться взрывом? Ищи в цепи подачи на шину свечей.. Может гайка разболталась, а может и свечи сдохли... Удачи
PajeroII,91, 4D56T, 3 двери, Yokohama Geolander 15'' - к сожалению, продан
PajeroII,94, 4M40T, 5 дверей, Maxtrek М7 15". продан.
PajeroII,94, 4M40T, 5 дверей, Maxtrek М7 15". продан.
- Kesov
- Сообщения: 1520
- Зарегистрирован: 27 мар 2007, 22:50
- Двигатель:: 3,8 бензин, 6G75
- Мой автомобиль(и):: Паджеро 4
- Откуда: Москва
- Откуда: Москва, Лефортово
- Благодарил (а): 2 раза
- Поблагодарили: 7 раз
- Контактная информация:
Re: Плохой запуск
С баллончиком поаккуратнее! Сделаешь машину наркоманом и она толь от баллончика будет заводится.
МП-2, 1997 г., 5 дверный, 4М40-EFI, АКПП, супер селект, японец, BF Goodrich All-Terrain T/A, 265x75xR16 - продан
МП-4, 2009 г., 5 дверный, 6G75-mivec, АКПП, супер селект, европеец.
МП-4, 2009 г., 5 дверный, 6G75-mivec, АКПП, супер селект, европеец.
-
marik
- Сообщения: 121
- Зарегистрирован: 19 янв 2009, 19:10
- Откуда: Волгоградская область
- Поблагодарили: 4 раза
Re: Плохой запуск
Может он у тебя темноты боится? Проверяй свечи однозначно.
Чем круче джип, тем дальше за трактором бежать. P2 1996г. 2,8d, 5 дв. европеец.
- ЕвгенийТ
- Сообщения: 385
- Зарегистрирован: 01 апр 2009, 09:59
- Откуда: Ачинск
- Благодарил (а): 1 раз
- Поблагодарили: 7 раз
Re: Плохой запуск
Свечи, на них контроль разогрева (помимо датчика температуры) идет по общему сопротивлению (по мере разогрева оно уменьшается). Если не исправны одна или две сопротивление уже при включении заведомо меньшее.
4D56T 1993 г.в. МКПП коротыш.
Re: Плохой запуск
Реле слушал не щёлкает ни сразу как включаешь зажигание ни после истечение некоторого времени. Заводится без взрывов,но троит как бензиновый. Всё прикручено как положено, свечи проверил все рабочие.AlexV писал(а):То что лампа гаснет, ничего не значит... Ты послушай в тишине, должен быть достаточно слышный отщелк реле,он обвчно позже, чем лампа гаснет.. Потом опять выключи зажигание и включи, прогрей свечи и заводи... Не заводиться взрывом? Ищи в цепи подачи на шину свечей.. Может гайка разболталась, а может и свечи сдохли... Удачи
Pajero II, 2,8TD, АКПП, 94 г.в.
Re: Плохой запуск
Что за контроль разогрева и что за сопротивление где смотреть его?ЕвгенийТ писал(а):Свечи, на них контроль разогрева (помимо датчика температуры) идет по общему сопротивлению (по мере разогрева оно уменьшается). Если не исправны одна или две сопротивление уже при включении заведомо меньшее.
Последний раз редактировалось WiLD 30 дек 2009, 11:12, всего редактировалось 2 раза.
Pajero II, 2,8TD, АКПП, 94 г.в.
Re: Плохой запуск
А может быть такое что предохранитель сгорел и поэтому лампочка моргает и всё, а прогрев свечей не пашит, и где находится предохранитель свечей накала?
Pajero II, 2,8TD, АКПП, 94 г.в.
- ЕвгенийТ
- Сообщения: 385
- Зарегистрирован: 01 апр 2009, 09:59
- Откуда: Ачинск
- Благодарил (а): 1 раз
- Поблагодарили: 7 раз
Re: Плохой запуск
Проверь.
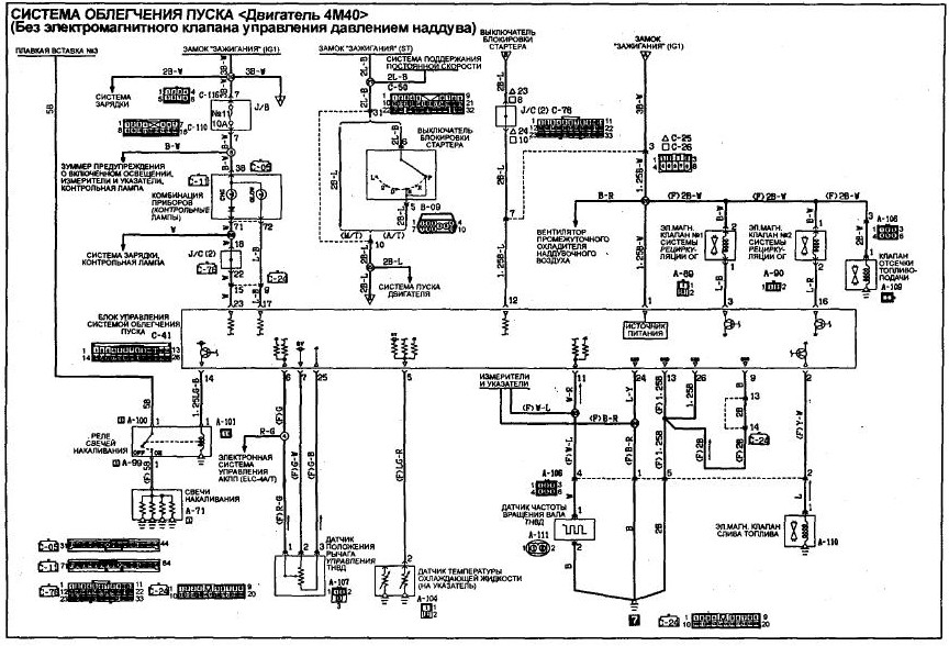
А то что у тебя на фото это "гасящий" резистор работает на втором цикле работы системы облегчения пуска. Я когда говорил о сопротивлении, имел в виду сопротивление которым обладают свечи нагрева.
А то что у тебя на фото это "гасящий" резистор работает на втором цикле работы системы облегчения пуска. Я когда говорил о сопротивлении, имел в виду сопротивление которым обладают свечи нагрева.
4D56T 1993 г.в. МКПП коротыш.
Re: Плохой запуск
Дико извиняюсь, но по схеме смотреть я не ас, если можно по русски объясните что снять,что проверить и где причину искать, сегодня подгоню ещё один такой же пыжик и буду с него переставлять релюху. мож в ней причина всё таки.ЕвгенийТ писал(а):Проверь.
А то что у тебя на фото это "гасящий" резистор работает на втором цикле работы системы облегчения пуска. Я когда говорил о сопротивлении, имел в виду сопротивление которым обладают свечи нагрева.
Pajero II, 2,8TD, АКПП, 94 г.в.
Re: Плохой запуск
сделал или нет? похожая беда...
МПС 2.5TDi 2001г. МКПП
МПС 2.5TD 99л.с. 2007г.в. МКПП
МПС 2.5TD 99л.с. 2007г.в. МКПП
