TRT - Вдоль р.Киржач. Для стандартных 4х4 (08.11.25) Форум Обсуждение FAQ
Проставки под лямбды (ошибки P0421, P0431)
Модераторы: SNOOPER, Nbf, Romik, BAlex, drcham, алексей - Маленький Мук, DenVer
- _maximus
- Сообщения: 12
- Зарегистрирован: 11 июн 2009, 17:00
- Двигатель:: 6G72, бензин
- Мой автомобиль(и):: Mitsubishi Pajero Sport 3.0 GLS
- Откуда: Brest
Проставки под лямбды (ошибки P0421, P0431)
Люди добрые, подскажите плиз точные размеры проставки под лямбда зонды. Может чертежик есть у кого. Заказать хочу токарю, а то лампа чека глаза мозолит, да и машина жрет много. Что-то ничего однозначного найти не могу в сетке. И здесь вроде все обыскал. Чек выдает ошибки - Р0421 и Р0431. Это обе банки, которые после двигла идут, я так понимаю?!
Машина - Mitsubishi Pajero Sport 3.0 GLS 2001 г.в.
Заранее спасибо!!!
Машина - Mitsubishi Pajero Sport 3.0 GLS 2001 г.в.
Заранее спасибо!!!
Mitsubishi Pajero Sport GLS, 3.0 V6, 2001 г.в.
- 900mz
- Сообщения: 241
- Зарегистрирован: 07 окт 2005, 20:08
- Откуда: МО
- Благодарил (а): 2 раза
- Поблагодарили: 5 раз
Re: Проставки под лямбды (ошибки P0421, P0431)
а какие проставки имеются в виду и зачем они нужны
Montero Sport XLS, 2000, 3.0 V6, 4WD 6G72
- _maximus
- Сообщения: 12
- Зарегистрирован: 11 июн 2009, 17:00
- Двигатель:: 6G72, бензин
- Мой автомобиль(и):: Mitsubishi Pajero Sport 3.0 GLS
- Откуда: Brest
Re: Проставки под лямбды (ошибки P0421, P0431)
Проставки нужны, чтобы вывести лямбду из канала (трубы). Поскольку катализаторы у меня вытрясены датчик щупает выхлоп и дает сигнал на комп о низкой эффективности катализатора. А с проставкой лямбда будет получать меньше кислорода и ошибка снимется.
Mitsubishi Pajero Sport GLS, 3.0 V6, 2001 г.в.
- _maximus
- Сообщения: 12
- Зарегистрирован: 11 июн 2009, 17:00
- Двигатель:: 6G72, бензин
- Мой автомобиль(и):: Mitsubishi Pajero Sport 3.0 GLS
- Откуда: Brest
Re: Проставки под лямбды (ошибки P0421, P0431)
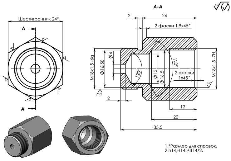
Я в инете выцепил пару картинок проставочек, но для других машин. Мне нужны более-менее точные ее размеры для МПС.
Mitsubishi Pajero Sport GLS, 3.0 V6, 2001 г.в.
- _maximus
- Сообщения: 12
- Зарегистрирован: 11 июн 2009, 17:00
- Двигатель:: 6G72, бензин
- Мой автомобиль(и):: Mitsubishi Pajero Sport 3.0 GLS
- Откуда: Brest
Re: Проставки под лямбды (ошибки P0421, P0431)
Вот еще фотки...
Mitsubishi Pajero Sport GLS, 3.0 V6, 2001 г.в.
- _maximus
- Сообщения: 12
- Зарегистрирован: 11 июн 2009, 17:00
- Двигатель:: 6G72, бензин
- Мой автомобиль(и):: Mitsubishi Pajero Sport 3.0 GLS
- Откуда: Brest
Re: Проставки под лямбды (ошибки P0421, P0431)
Еще...
Mitsubishi Pajero Sport GLS, 3.0 V6, 2001 г.в.
- VadimT
- Сообщения: 789
- Зарегистрирован: 10 ноя 2007, 19:32
- Двигатель:: 6B31
- Мой автомобиль(и):: MPS Ultimate 2021
- Откуда: Талдыкорган
- Откуда: КЗ
- Благодарил (а): 23 раза
- Поблагодарили: 53 раза
Re: Проставки под лямбды (ошибки P0421, P0431)
Я поставил 4 см, не считая резьбы которая в глушитель вкручиваеться, диаметр отверстия 10 мм.Датчики поставил Бош 133(тазавские) .На расход ни как не повлияло ,зато в сильные морозы появилась ошибка-обрыв накала лямбды,которая проходит в течении дня сама.
MPS 2021
- _maximus
- Сообщения: 12
- Зарегистрирован: 11 июн 2009, 17:00
- Двигатель:: 6G72, бензин
- Мой автомобиль(и):: Mitsubishi Pajero Sport 3.0 GLS
- Откуда: Brest
Re: Проставки под лямбды (ошибки P0421, P0431)
Судя по-тому, что датчики дают ошибки Р0421 и Р0431 можно сделать вывод, что они рабочие. Я так полагаю мне их менять не надо. А какая резьба там?!
Mitsubishi Pajero Sport GLS, 3.0 V6, 2001 г.в.
- _maximus
- Сообщения: 12
- Зарегистрирован: 11 июн 2009, 17:00
- Двигатель:: 6G72, бензин
- Мой автомобиль(и):: Mitsubishi Pajero Sport 3.0 GLS
- Откуда: Brest
Re: Проставки под лямбды (ошибки P0421, P0431)
...и диаметр отверстия может поменьше можно делать?! На фотках и чертеже ну совсем не 10 мм...Хотя я читал, что если оно будет совсем маленькое, то может вылезти ошибка о выходе датчика из строя...
За инфу спасибо большое!!!
За инфу спасибо большое!!!
Mitsubishi Pajero Sport GLS, 3.0 V6, 2001 г.в.
- _maximus
- Сообщения: 12
- Зарегистрирован: 11 июн 2009, 17:00
- Двигатель:: 6G72, бензин
- Мой автомобиль(и):: Mitsubishi Pajero Sport 3.0 GLS
- Откуда: Brest
- _maximus
- Сообщения: 12
- Зарегистрирован: 11 июн 2009, 17:00
- Двигатель:: 6G72, бензин
- Мой автомобиль(и):: Mitsubishi Pajero Sport 3.0 GLS
- Откуда: Brest
- _maximus
- Сообщения: 12
- Зарегистрирован: 11 июн 2009, 17:00
- Двигатель:: 6G72, бензин
- Мой автомобиль(и):: Mitsubishi Pajero Sport 3.0 GLS
- Откуда: Brest
- _maximus
- Сообщения: 12
- Зарегистрирован: 11 июн 2009, 17:00
- Двигатель:: 6G72, бензин
- Мой автомобиль(и):: Mitsubishi Pajero Sport 3.0 GLS
- Откуда: Brest
Re: Проставки под лямбды (ошибки P0421, P0431)
Поставил я проставки под лямбды, отверстия - 4 мм, длина без резьбы, которая вкрючивается в трубу, 4 см. Вскоре загорелся ЧЕК: ошибки P0125, P0173.
В чем причина может быть?! Может отверстия маленькие?!
Mitsubishi Pajero Sport GLS, 3.0 V6, 2001 г.в.
