Доброго времени суток!
Подскажите куда идет провод (зеленый с черной полосой) на фото указан стрелкой, он уходит в жгут из которого выходят провода на свечи накала, на ТПС и др. Может ли он идти на кнопку полного нажатия педали газа на ТНВД, от нее висит пустое гнездо?
Помогите опознать провод
Модераторы: SNOOPER, Nbf, Romik, BAlex
- Passim
- Сообщения: 325
- Зарегистрирован: 23 авг 2010, 14:28
- Двигатель:: 4D56
- Мой автомобиль(и):: Mitsubishi Pajero 1993 г.
- Откуда: Казахстан, Шымкент
- Благодарил (а): 19 раз
- Поблагодарили: 10 раз
Помогите опознать провод
P-II '93 3dr, 4d56, АКПП, SS, правый руль, си-би, шноркель. Был со мной 8 лет, продан.
PAJERO IV 3.0 2007 г. араб.
PAJERO IV 3.0 2007 г. араб.
- Passim
- Сообщения: 325
- Зарегистрирован: 23 авг 2010, 14:28
- Двигатель:: 4D56
- Мой автомобиль(и):: Mitsubishi Pajero 1993 г.
- Откуда: Казахстан, Шымкент
- Благодарил (а): 19 раз
- Поблагодарили: 10 раз
Re: Помогите опознать провод
Сегодня вроде нашел куда идет этот провод, все-таки вроде идет на кнопку полного нажатия педали газа на ТНВД. Буду пробовать соединять
P-II '93 3dr, 4d56, АКПП, SS, правый руль, си-би, шноркель. Был со мной 8 лет, продан.
PAJERO IV 3.0 2007 г. араб.
PAJERO IV 3.0 2007 г. араб.
- OlDer
- Сообщения: 662
- Зарегистрирован: 10 окт 2008, 14:07
- Двигатель:: 6G72
- Мой автомобиль(и):: Pajero 2
- Откуда: Электросталь
- Благодарил (а): 2 раза
- Контактная информация:
Re: Помогите опознать провод
Извини, что не по теме. У тебя скан с книжки. Там написано - "Обычный кондиционер". А нет-ли в этой книжке электросхемы климат-контроля на правый руль ? Если есть - выложи сканы пожалуйста, очень нужно. Год 1994. Заранее благодарен.
.Pajero II 3000 v6 12кл. 170л.с. 94г. АКПП. бенз/газ., 5 дверей, Ci-Bi YOSAN STEALTH 5 (10+300Watt) + Lemm 2001 Turbo, багажн. эксп., GR-32 мудовые, люстра, силовичёк, TV на месте доп приборов, 2DIN нави. Скоро лебедь, силовые пороги.
- Passim
- Сообщения: 325
- Зарегистрирован: 23 авг 2010, 14:28
- Двигатель:: 4D56
- Мой автомобиль(и):: Mitsubishi Pajero 1993 г.
- Откуда: Казахстан, Шымкент
- Благодарил (а): 19 раз
- Поблагодарили: 10 раз
Re: Помогите опознать провод
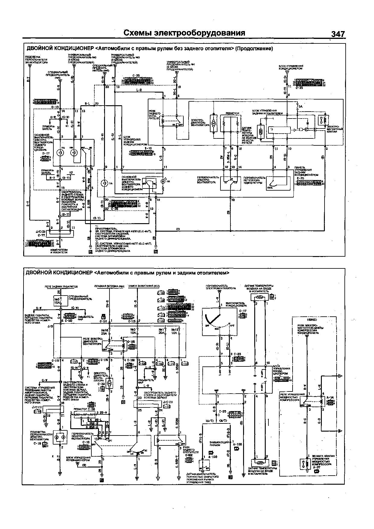
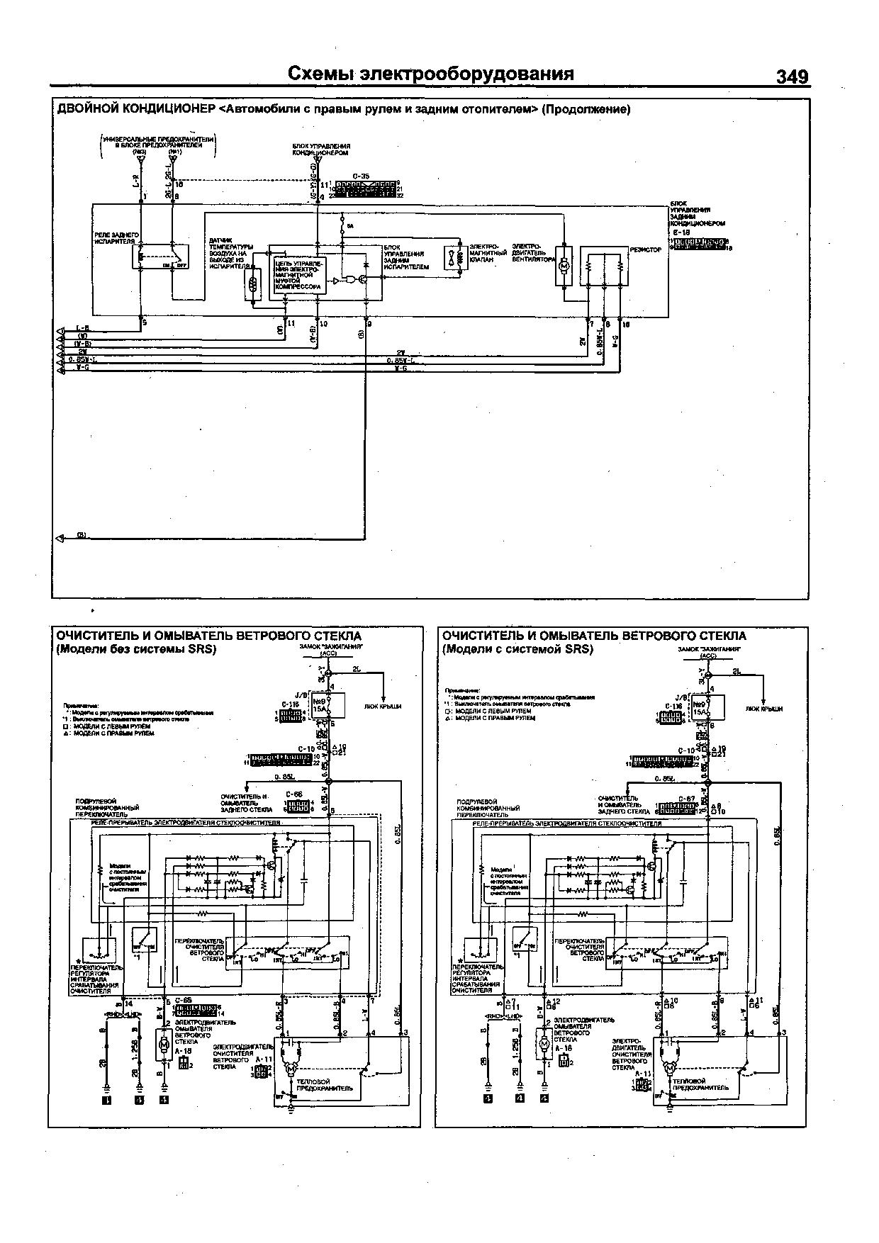
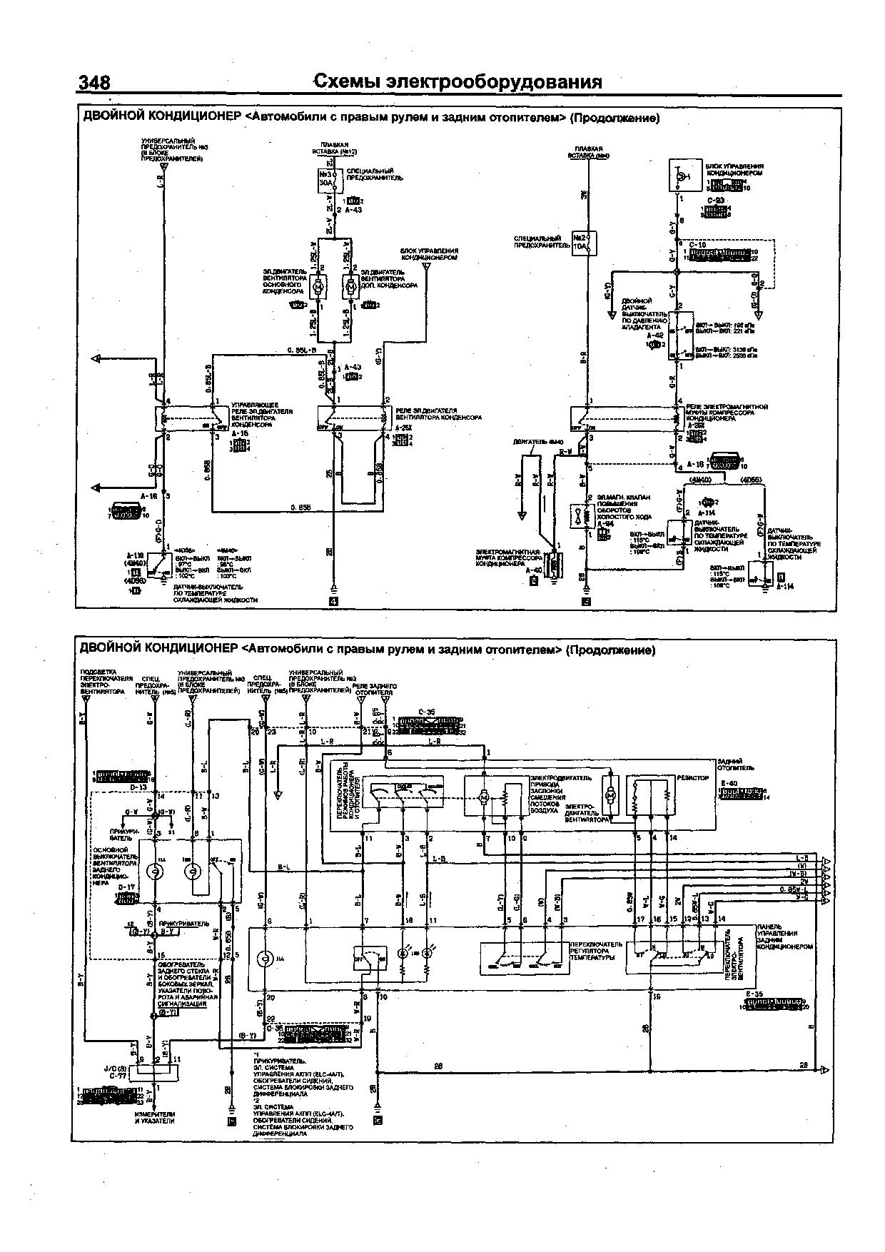
Вот схемы если еще нужны (и если это то что нужно
)
P-II '93 3dr, 4d56, АКПП, SS, правый руль, си-би, шноркель. Был со мной 8 лет, продан.
PAJERO IV 3.0 2007 г. араб.
PAJERO IV 3.0 2007 г. араб.
