TRT "107-108" Для стандарта и не только! (4.04.2026) Форум Обсуждение FAQ
несколько общих вопросов
Модераторы: SNOOPER, Nbf, Romik, BAlex, drcham, алексей - Маленький Мук
- vdevde
- Сообщения: 72
- Зарегистрирован: 23 сен 2010, 06:42
- Двигатель:: 6G72
- Мой автомобиль(и):: Montero Sport 2001
- Откуда: Москва
- Откуда: Москва
- Благодарил (а): 3 раза
- Поблагодарили: 7 раз
несколько общих вопросов
Хочу задать пару вопросов, ответы на которые бегло не удалось найти.
1) Должен ли автоматически "отщелкиваться" рычажок указателя поворота при завершении маневра?
2) Должна ли авто предупреждать писком о невыключенных фарах при вытаскивании ключа из замка зажигания?
3) На спидометре после 120 начинается "красная зона". На паджеро не желательно ездить с большей скоростью?
1) Должен ли автоматически "отщелкиваться" рычажок указателя поворота при завершении маневра?
2) Должна ли авто предупреждать писком о невыключенных фарах при вытаскивании ключа из замка зажигания?
3) На спидометре после 120 начинается "красная зона". На паджеро не желательно ездить с большей скоростью?
Паджеро 93г. 3.0 л. 5 дв.- был.
Монтеро Спорт 2001г.
Монтеро Спорт 2001г.
- lantari
- Сообщения: 276
- Зарегистрирован: 29 май 2008, 19:09
- Двигатель:: 6G72
- Мой автомобиль(и):: Mitsubishi Pajero II
- Откуда: Рязань
- Поблагодарили: 2 раза
Re: несколько общих вопросов
1. Да
2. Не у всех. А некоторые еще и сами отключают пищалку. У меня предыдущий владелец отключил. я нашел блок и подключил разъем, теперь пищит.
3. У меня нет красной зоны на спидометре. Ездить с большой скорость можно, если есть голова на плечах.
2. Не у всех. А некоторые еще и сами отключают пищалку. У меня предыдущий владелец отключил. я нашел блок и подключил разъем, теперь пищит.
3. У меня нет красной зоны на спидометре. Ездить с большой скорость можно, если есть голова на плечах.
Pajero II 1994г, коротыш, 6G72 12кл, АКПП, СС, Правый руль.
...главное, позволит вам двигаться еще быстрее и достичь максимальной скорости, если вам не станет страшно раньше этого времени.
...главное, позволит вам двигаться еще быстрее и достичь максимальной скорости, если вам не станет страшно раньше этого времени.
- nevod495
- Сообщения: 265
- Зарегистрирован: 05 окт 2010, 21:19
- Двигатель:: 6G72; Бензин
- Мой автомобиль(и):: Pajero II; BMW 530; Мотоцикл Honda CBR 1100XX; Honda VTX-1800F
- Откуда: Москва
- Откуда: Москва
- Контактная информация:
Re: несколько общих вопросов
1) У меня автоматически не отщелкиваются. Отщелкиваю руками.
2) Мой паджерик пищит.
3) Красной зоны на спидометре у меня нет. После 120...звучит предупреждающий колокольчик.
По нафигатору ездил 178....Спидометр показывал больше.
На крутых поворотах скорость лучше скидывать дабы не кувырнуться)
2) Мой паджерик пищит.
3) Красной зоны на спидометре у меня нет. После 120...звучит предупреждающий колокольчик.
По нафигатору ездил 178....Спидометр показывал больше.
На крутых поворотах скорость лучше скидывать дабы не кувырнуться)
Не стоит ездить быстрее чем летает ваш Ангел-хранитель.
Паджеро II, 1998 год, 5 дверный, 3 л. 12 кл. 6G72 (араб)
Паджеро II, 1998 год, 5 дверный, 3 л. 12 кл. 6G72 (араб)
- Евгений 60
- Сообщения: 294
- Зарегистрирован: 10 июл 2010, 14:29
- Двигатель:: бензин 6G72
- Мой автомобиль(и):: паджеро 2 93г.3.0л автомат
- Откуда: Псковская область
- Поблагодарили: 2 раза
Re: несколько общих вопросов
lantari писал(а):1. Да
2. Не у всех. А некоторые еще и сами отключают пищалку. У меня предыдущий владелец отключил. я нашел блок и подключил разъем, теперь пищит.
3. У меня нет красной зоны на спидометре. Ездить с большой скорость можно, если есть голова на плечах.
Подскажи где этот блок стоит.
PAJERO II 93г 6G72 5 дверка АКПП только узучаю и помаленьку делаю.
ГАЗ 66
ГАЗ 66
- VanVin
- Сообщения: 1135
- Зарегистрирован: 12 янв 2006, 13:50
- Двигатель:: дизель
- Мой автомобиль(и):: TLC-200
- Откуда: г. Королёв
- Благодарил (а): 1 раз
- Поблагодарили: 4 раза
Re: несколько общих вопросов
Красная зона обычно на тахометре, а не на спидометре...
Владимир
П2, 3 дв., 6G72 12-кл., SS,
R/D Lock, +40мм, Т-МАХ9500,
BFG МТ КМ2 33/10,5R15-продан
Y61 - продан
ТЛК200
П2, 3 дв., 6G72 12-кл., SS,
R/D Lock, +40мм, Т-МАХ9500,
BFG МТ КМ2 33/10,5R15-продан
Y61 - продан
ТЛК200
- lantari
- Сообщения: 276
- Зарегистрирован: 29 май 2008, 19:09
- Двигатель:: 6G72
- Мой автомобиль(и):: Mitsubishi Pajero II
- Откуда: Рязань
- Поблагодарили: 2 раза
Re: несколько общих вопросов
Справа от магнитолы под пластиковой облицовкой бороды. (у меня руль справа, на леворульной машине может быть с другой стороны).Евгений 60 писал(а):Подскажи где этот блок стоит.
Pajero II 1994г, коротыш, 6G72 12кл, АКПП, СС, Правый руль.
...главное, позволит вам двигаться еще быстрее и достичь максимальной скорости, если вам не станет страшно раньше этого времени.
...главное, позволит вам двигаться еще быстрее и достичь максимальной скорости, если вам не станет страшно раньше этого времени.
- SNK979
- Сообщения: 6664
- Зарегистрирован: 03 авг 2010, 13:48
- Двигатель:: 6G72
- Мой автомобиль(и):: Pajero II
- Откуда: Уфа
- Благодарил (а): 92 раза
- Поблагодарили: 94 раза
Re: несколько общих вопросов
1. Отщелкивается. (если нет - возможно проблемы с установкой руля на рулевой вал и совмещением пазов на руле со штифтом механизма возврата переключателя поворотов. или руль не родной, типа МОМО ::-): )
2. Пищит. (удобно, полезно)
3. Красная зона на спидометре есть. (на скорости больше 120 начинается конский жор масла и бензина ::-): )
2. Пищит. (удобно, полезно)
3. Красная зона на спидометре есть. (на скорости больше 120 начинается конский жор масла и бензина ::-): )
Белый трёхдверный араб 1993 г.в. GLS, 6G72, 12 valve, МКПП, SS, rear diff-lock.
- Евгений 60
- Сообщения: 294
- Зарегистрирован: 10 июл 2010, 14:29
- Двигатель:: бензин 6G72
- Мой автомобиль(и):: паджеро 2 93г.3.0л автомат
- Откуда: Псковская область
- Поблагодарили: 2 раза
Re: несколько общих вопросов
номер не знаеш или как она выглядит?lantari писал(а):Справа от магнитолы под пластиковой облицовкой бороды. (у меня руль справа, на леворульной машине может быть с другой стороны).Евгений 60 писал(а):Подскажи где этот блок стоит.
PAJERO II 93г 6G72 5 дверка АКПП только узучаю и помаленьку делаю.
ГАЗ 66
ГАЗ 66
- Смайлик
- Сообщения: 11116
- Зарегистрирован: 25 янв 2007, 01:08
- Двигатель:: 3,5 MPI и 3,5 GDI
- Мой автомобиль(и):: паджеро II, паджеро III, пинин был
- Откуда: Тушино, теперь почти Истра заМКАДыш
- Откуда: Тушино, теперь почти Истра заМКАДыш
- Благодарил (а): 253 раза
- Поблагодарили: 651 раз
- Контактная информация:
Re: несколько общих вопросов
Полный бред, после таких слов ответ очевиден, ВЫКИНЬ ДВИГАТЕЛЬ.SNK979 писал(а): (на скорости больше 120 начинается конский жор масла и бензина ::-): )
8(9О3)156 ТРИ ВОСЭМ 65
Паджеро ll 3,5 3dor 37х14,5r15 был
Паджеро lll 3,5 GDI 3dor сильвер (для жены)чип ЁжикПых
Паджеро lll 3,5 GDI 3dor сильвер (для меня)чип ЁжикПых на пневме)))
МицуКольт грин "клоп" (для дочи) выросла до... П2 3,5 3dor 32х11,5r15 стандарт... пока)))
Паджеро ll 3,5 3dor 37х14,5r15 был
Паджеро lll 3,5 GDI 3dor сильвер (для жены)чип ЁжикПых
Паджеро lll 3,5 GDI 3dor сильвер (для меня)чип ЁжикПых на пневме)))
МицуКольт грин "клоп" (для дочи) выросла до... П2 3,5 3dor 32х11,5r15 стандарт... пока)))
- SNK979
- Сообщения: 6664
- Зарегистрирован: 03 авг 2010, 13:48
- Двигатель:: 6G72
- Мой автомобиль(и):: Pajero II
- Откуда: Уфа
- Благодарил (а): 92 раза
- Поблагодарили: 94 раза
Re: несколько общих вопросов
Ну зачем сразу выкидывать?Смайлик204 писал(а):Полный бред, после таких слов ответ очевиден, ВЫКИНЬ ДВИГАТЕЛЬ.SNK979 писал(а): (на скорости больше 120 начинается конский жор масла и бензина ::-): )
Он только в этом году совершеннолетним стал.
Подшаманим - побегает ещё!
Белый трёхдверный араб 1993 г.в. GLS, 6G72, 12 valve, МКПП, SS, rear diff-lock.
- Смайлик
- Сообщения: 11116
- Зарегистрирован: 25 янв 2007, 01:08
- Двигатель:: 3,5 MPI и 3,5 GDI
- Мой автомобиль(и):: паджеро II, паджеро III, пинин был
- Откуда: Тушино, теперь почти Истра заМКАДыш
- Откуда: Тушино, теперь почти Истра заМКАДыш
- Благодарил (а): 253 раза
- Поблагодарили: 651 раз
- Контактная информация:
Re: несколько общих вопросов
Вот тогда не надо людям рассказывать про жоры и расходыSNK979 писал(а):Ну зачем сразу выкидывать?Смайлик204 писал(а):Полный бред, после таких слов ответ очевиден, ВЫКИНЬ ДВИГАТЕЛЬ.SNK979 писал(а): (на скорости больше 120 начинается конский жор масла и бензина ::-): )![]()
Он только в этом году совершеннолетним стал.
Подшаманим - побегает ещё!
8(9О3)156 ТРИ ВОСЭМ 65
Паджеро ll 3,5 3dor 37х14,5r15 был
Паджеро lll 3,5 GDI 3dor сильвер (для жены)чип ЁжикПых
Паджеро lll 3,5 GDI 3dor сильвер (для меня)чип ЁжикПых на пневме)))
МицуКольт грин "клоп" (для дочи) выросла до... П2 3,5 3dor 32х11,5r15 стандарт... пока)))
Паджеро ll 3,5 3dor 37х14,5r15 был
Паджеро lll 3,5 GDI 3dor сильвер (для жены)чип ЁжикПых
Паджеро lll 3,5 GDI 3dor сильвер (для меня)чип ЁжикПых на пневме)))
МицуКольт грин "клоп" (для дочи) выросла до... П2 3,5 3dor 32х11,5r15 стандарт... пока)))
- SNK979
- Сообщения: 6664
- Зарегистрирован: 03 авг 2010, 13:48
- Двигатель:: 6G72
- Мой автомобиль(и):: Pajero II
- Откуда: Уфа
- Благодарил (а): 92 раза
- Поблагодарили: 94 раза
Re: несколько общих вопросов
Я про свой пепелац говорю.
VanVin тоже наверное про свой авто говорит, что "Красная зона обычно на тахометре, а не на спидометре..." А у меня и на спидометре и на тахометре красные зоны.

И масло жрёт. Чесс слово
VanVin тоже наверное про свой авто говорит, что "Красная зона обычно на тахометре, а не на спидометре..." А у меня и на спидометре и на тахометре красные зоны.
И масло жрёт. Чесс слово
Белый трёхдверный араб 1993 г.в. GLS, 6G72, 12 valve, МКПП, SS, rear diff-lock.
- de
- Сообщения: 3993
- Зарегистрирован: 28 мар 2008, 06:00
- Откуда: Йошкар-Ола [12]
- Благодарил (а): 14 раз
- Поблагодарили: 67 раз
Re: несколько общих вопросов
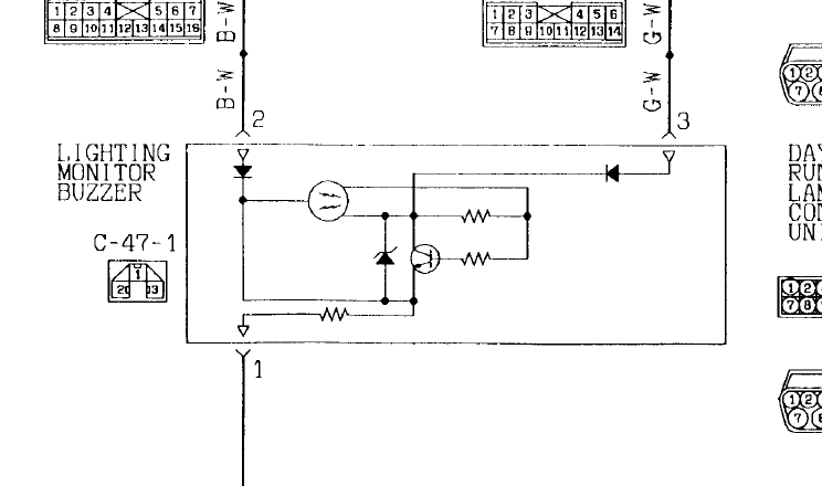
Вот.Евгений 60 писал(а):номер не знаеш или как она выглядит?lantari писал(а):Справа от магнитолы под пластиковой облицовкой бороды. (у меня руль справа, на леворульной машине может быть с другой стороны).
MMC P2 1993 6G72 12кл МКПП 7мест
- lantari
- Сообщения: 276
- Зарегистрирован: 29 май 2008, 19:09
- Двигатель:: 6G72
- Мой автомобиль(и):: Mitsubishi Pajero II
- Откуда: Рязань
- Поблагодарили: 2 раза
Re: несколько общих вопросов
У меня выглядит по другому. Размер побольше раза в два, корпус пластиковый с отверстиями для пищалки и разъем побольше (контактов точно больше двух).
Pajero II 1994г, коротыш, 6G72 12кл, АКПП, СС, Правый руль.
...главное, позволит вам двигаться еще быстрее и достичь максимальной скорости, если вам не станет страшно раньше этого времени.
...главное, позволит вам двигаться еще быстрее и достичь максимальной скорости, если вам не станет страшно раньше этого времени.
- de
- Сообщения: 3993
- Зарегистрирован: 28 мар 2008, 06:00
- Откуда: Йошкар-Ола [12]
- Благодарил (а): 14 раз
- Поблагодарили: 67 раз
Re: несколько общих вопросов
Года видимо разные, и руль разный. И у меня не 2 контакта, а 3.
MMC P2 1993 6G72 12кл МКПП 7мест
- de
- Сообщения: 3993
- Зарегистрирован: 28 мар 2008, 06:00
- Откуда: Йошкар-Ола [12]
- Благодарил (а): 14 раз
- Поблагодарили: 67 раз
Re: несколько общих вопросов
Вот, кстати, 94 год. У тебя тоже 3 контакта.lantari писал(а):У меня выглядит по другому. Размер побольше раза в два, корпус пластиковый с отверстиями для пищалки и разъем побольше (контактов точно больше двух).
MMC P2 1993 6G72 12кл МКПП 7мест
