TRT - Вдоль р.Киржач. Для стандартных 4х4 (08.11.25) Форум Обсуждение FAQ
Новое зеркало
Модераторы: SNOOPER, Nbf, Romik, BAlex, drcham, DenVer
- Ilia_83
- Сообщения: 101
- Зарегистрирован: 05 янв 2009, 02:53
- Двигатель:: 6G74 GDI Бензиновый
- Мой автомобиль(и):: Mitsubishi Pajero III
- Откуда: Москва
Новое зеркало
Поставил новое зеркало(в сборе) со стороны водителя. Теперь когда нажимаю на кнопку складывания, водительское раскладывается пассажирское складывается и на оборот. Чего делать? 
Mitsubishi Pajero III 3,5 6G74 GDI 2003 г.в. 5 дверный
- Morgan24
- Сообщения: 328
- Зарегистрирован: 20 мар 2011, 20:18
- Двигатель:: 6G74
- Мой автомобиль(и):: Montero 3
- Откуда: Красноярск
- Благодарил (а): 1 раз
- Поблагодарили: 10 раз
- Контактная информация:
Re: Новое зеркало
тут дело не в полярности, а в несоответствие фаз сложить-разложить на двух зеркалах.DenVer писал(а):Сменить полярность подключения
Делается все просто: отключаем штекеры управления на обоих зеркалах. Подключаем какое-нибудь одно и, например, складываем его. Снимаем с него штекер и подключаем штекер на другом. Его тоже складываем его (электрически естественно)
Далее, имеем два сложеных зеркала. Подключаем их обоих и теперь они работают в такт.
- Ilia_83
- Сообщения: 101
- Зарегистрирован: 05 янв 2009, 02:53
- Двигатель:: 6G74 GDI Бензиновый
- Мой автомобиль(и):: Mitsubishi Pajero III
- Откуда: Москва
Re: Новое зеркало
нет не работает так. все равно одно просто ничего не делает, а когда второй раз нажимаешь кнопку начинает работать вразнобой. вот про полярность подключения интересно!!! тока я в электрике не бум бум.Morgan24 писал(а):тут дело не в полярности, а в несоответствие фаз сложить-разложить на двух зеркалах.DenVer писал(а):Сменить полярность подключения
Делается все просто: отключаем штекеры управления на обоих зеркалах. Подключаем какое-нибудь одно и, например, складываем его. Снимаем с него штекер и подключаем штекер на другом. Его тоже складываем его (электрически естественно)
Далее, имеем два сложенных зеркала. Подключаем их обоих и теперь они работают в такт.
Mitsubishi Pajero III 3,5 6G74 GDI 2003 г.в. 5 дверный
- Ilia_83
- Сообщения: 101
- Зарегистрирован: 05 янв 2009, 02:53
- Двигатель:: 6G74 GDI Бензиновый
- Мой автомобиль(и):: Mitsubishi Pajero III
- Откуда: Москва
Re: Новое зеркало
DenVer, что случилось? Почему ты теперь бездомный?
Mitsubishi Pajero III 3,5 6G74 GDI 2003 г.в. 5 дверный
- Анатолий Дмитриевич
- Сообщения: 10210
- Зарегистрирован: 08 окт 2008, 14:28
- Откуда: Тверь
- Благодарил (а): 12 раз
- Поблагодарили: 84 раза
Re: Новое зеркало
DenVer писал(а):Сменить полярность подключения
Я и мой ПЕС слушаем ...в Митцубиши радио...
- DenVer
- Модератор
- Сообщения: 19721
- Зарегистрирован: 29 сен 2009, 17:21
- Двигатель:: бэнзин
- Мой автомобиль(и):: TLC-200
- Откуда: Краснодар
- Благодарил (а): 131 раз
- Поблагодарили: 474 раза
Re: Новое зеркало
Да типа с дома вигнали,Ilia_83 писал(а):DenVer, что случилось? Почему ты теперь бездомный?
Фигня... лечится
- DenVer
- Модератор
- Сообщения: 19721
- Зарегистрирован: 29 сен 2009, 17:21
- Двигатель:: бэнзин
- Мой автомобиль(и):: TLC-200
- Откуда: Краснодар
- Благодарил (а): 131 раз
- Поблагодарили: 474 раза
Re: Новое зеркало
Вот я ап этом и говорил! Я как то на двойке кытайский печку ставил... так она зараза по первости как вытяжка заработала.Анатолий Дмитриевич писал(а):DenVer писал(а):Сменить полярность подключения...и тока ТАК! В зеркало идут провода: подогрев, регулировка положения, и ДВА провода складывания. Определить енти ДВА
можно двумя способами : подать 12 вольт, методом тыка разумеется, "сложенное" зеркало откроется....либо снять зеркальный элемент , интересующие нас провода, две штуки, идут в пластмассовый кожух закрывающий механизм складывания....вот эти провода поменять на разЪеме местами....
...и ВСЁ!!!
- Morgan24
- Сообщения: 328
- Зарегистрирован: 20 мар 2011, 20:18
- Двигатель:: 6G74
- Мой автомобиль(и):: Montero 3
- Откуда: Красноярск
- Благодарил (а): 1 раз
- Поблагодарили: 10 раз
- Контактная информация:
Re: Новое зеркало
Так наверное зеркало-то китайское...
У меня на Диаманте такое было, когда зеркало менял, но брал японское б/у.....решил проблему именно синхронизацией фаз сложить-разложить.
У меня на Диаманте такое было, когда зеркало менял, но брал японское б/у.....решил проблему именно синхронизацией фаз сложить-разложить.
- Анатолий Дмитриевич
- Сообщения: 10210
- Зарегистрирован: 08 окт 2008, 14:28
- Откуда: Тверь
- Благодарил (а): 12 раз
- Поблагодарили: 84 раза
Re: Новое зеркало
Я и мой ПЕС слушаем ...в Митцубиши радио...
- Ilia_83
- Сообщения: 101
- Зарегистрирован: 05 янв 2009, 02:53
- Двигатель:: 6G74 GDI Бензиновый
- Мой автомобиль(и):: Mitsubishi Pajero III
- Откуда: Москва
Re: Новое зеркало
завтра на работе буду курочить новое зеркало блин
Mitsubishi Pajero III 3,5 6G74 GDI 2003 г.в. 5 дверный
- DenVer
- Модератор
- Сообщения: 19721
- Зарегистрирован: 29 сен 2009, 17:21
- Двигатель:: бэнзин
- Мой автомобиль(и):: TLC-200
- Откуда: Краснодар
- Благодарил (а): 131 раз
- Поблагодарили: 474 раза
Re: Новое зеркало
Да не надо курочить))) Просто возьми два проводка и соедени наоборот на фишке контакты и проверь.
- Ilia_83
- Сообщения: 101
- Зарегистрирован: 05 янв 2009, 02:53
- Двигатель:: 6G74 GDI Бензиновый
- Мой автомобиль(и):: Mitsubishi Pajero III
- Откуда: Москва
Re: Новое зеркало
в том и вопрос что на разъеме 4 контакта сверху и 6 снизу(приблизительно), а в зеркало уходит жгут проводов. надо будет снять крышку с механизма складывания и посмотреть какие на платку провода приходят. а потом уже поменять их местами
Mitsubishi Pajero III 3,5 6G74 GDI 2003 г.в. 5 дверный
- DenVer
- Модератор
- Сообщения: 19721
- Зарегистрирован: 29 сен 2009, 17:21
- Двигатель:: бэнзин
- Мой автомобиль(и):: TLC-200
- Откуда: Краснодар
- Благодарил (а): 131 раз
- Поблагодарили: 474 раза
Re: Новое зеркало
Надо скинуть фишку и прозвонить. Подключаем цэшку к контактам и жмем все кнопки, таким методом узнаем провода, которые отвечают за складывание/раскладывание. На зеркале поменять местами и все
- DenVer
- Модератор
- Сообщения: 19721
- Зарегистрирован: 29 сен 2009, 17:21
- Двигатель:: бэнзин
- Мой автомобиль(и):: TLC-200
- Откуда: Краснодар
- Благодарил (а): 131 раз
- Поблагодарили: 474 раза
Re: Новое зеркало
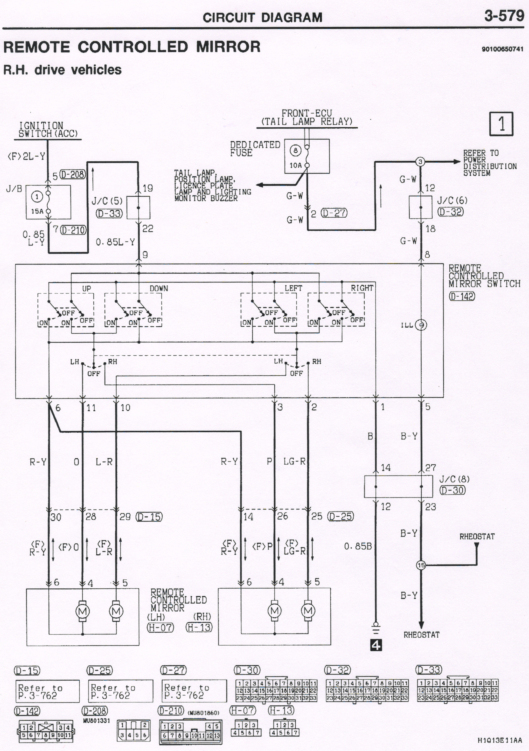
Вот здесь я схемы давал на паджеро
http://pajero4x4.ru/bbs/phpBB2/viewtopi ... B0#p960175
Вот оттуда схема зеркал
http://pajero4x4.ru/bbs/phpBB2/viewtopi ... B0#p960175
Вот оттуда схема зеркал
- Анатолий Дмитриевич
- Сообщения: 10210
- Зарегистрирован: 08 окт 2008, 14:28
- Откуда: Тверь
- Благодарил (а): 12 раз
- Поблагодарили: 84 раза
Re: Новое зеркало
Я и мой ПЕС слушаем ...в Митцубиши радио...
- Ilia_83
- Сообщения: 101
- Зарегистрирован: 05 янв 2009, 02:53
- Двигатель:: 6G74 GDI Бензиновый
- Мой автомобиль(и):: Mitsubishi Pajero III
- Откуда: Москва
Re: Новое зеркало
DenVer я недавно только паяльник купил, а ты прозвонка говоришь. Блин и проводов у меня нету.
Mitsubishi Pajero III 3,5 6G74 GDI 2003 г.в. 5 дверный
