Домино Трофи 2026 - 25 Апреля - Обсудить и спросить тут.
нужна схема подключения кнопок подогрева сидений
Модераторы: SNOOPER, Nbf, Romik, BAlex
-
ашот
- Сообщения: 352
- Зарегистрирован: 01 дек 2010, 00:13
- Двигатель:: 4M40
- Мой автомобиль(и):: МИТСУБИСИ ПАДЖЕРО 2 рестайл
- Откуда: ярославль
- Поблагодарили: 4 раза
нужна схема подключения кнопок подогрева сидений
добрый день. снял для замены лампочек кнопки подогрева сидений и не могу теперь собрать на место. провода идут не целой фишкой а отдельно. если можно напишите расцветку подключения проводов к кнопкам, или еще лучше нарисовать. спасибо заранее.
-
ашот
- Сообщения: 352
- Зарегистрирован: 01 дек 2010, 00:13
- Двигатель:: 4M40
- Мой автомобиль(и):: МИТСУБИСИ ПАДЖЕРО 2 рестайл
- Откуда: ярославль
- Поблагодарили: 4 раза
Re: нужна схема подключения кнопок подогрева сидений
привет всем. скоро зима , попа уже мерзнет. может кто нибудь вытащит эту кнопку и посмотрит расцветовку проводов и мне расскажет а.......... 
-
sashot
- Сообщения: 68
- Зарегистрирован: 14 июл 2010, 21:10
- Двигатель:: 4M40, AVF
- Мой автомобиль(и):: Pajero II, VW Passat 5.5
- Откуда: г. Бургас, Болгария
- Поблагодарили: 1 раз
Re: нужна схема подключения кнопок подогрева сидений
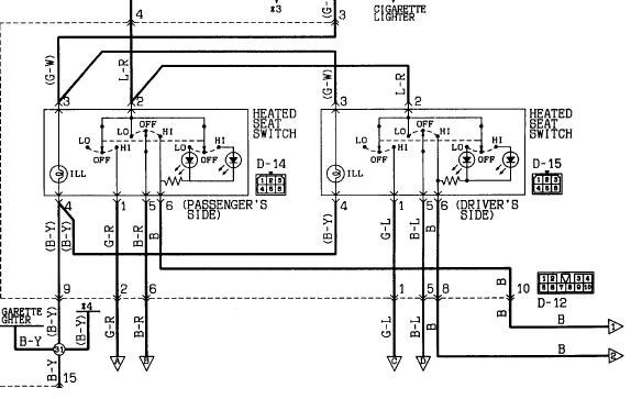
Вот
Разшифровка обозначений цвета проводов:
B - Black
Br - Brown
G - Green
Gr - Gray
L - Blue
V - Violet
SB - Sky Blue
LG - Light green
O - Orange
P - Pink
R - Red
Y - Yellow
W - White
Разшифровка обозначений цвета проводов:
B - Black
Br - Brown
G - Green
Gr - Gray
L - Blue
V - Violet
SB - Sky Blue
LG - Light green
O - Orange
P - Pink
R - Red
Y - Yellow
W - White
VW Passat B5.5 combi, 2004, 1.9TDI, AVF 130 л.с. + chip -> 160 л.с., МКПП, 4 motion.
MMC Pajero 2 GLS, 1997, 5 дверей, 7 мест, 2800TDI, 4M40 125 л.с., МКПП.
MMC Pajero 2 GLS, 1997, 5 дверей, 7 мест, 2800TDI, 4M40 125 л.с., МКПП.
-
ашот
- Сообщения: 352
- Зарегистрирован: 01 дек 2010, 00:13
- Двигатель:: 4M40
- Мой автомобиль(и):: МИТСУБИСИ ПАДЖЕРО 2 рестайл
- Откуда: ярославль
- Поблагодарили: 4 раза
Re: нужна схема подключения кнопок подогрева сидений
спасибо огромное попробую сегодня. очередная моя попытка подключить провода к кнопкам окончилась заменой реостата- регулятора освещения приборной панели. может в этот раз повезет. 
