TRT - Вдоль р.Киржач. Для стандартных 4х4 (08.11.25) Форум Обсуждение FAQ
	Пропала зарядка 4d56
Модераторы: SNOOPER, Nbf, Romik, BAlex
- 
				Жека 2007
 - Сообщения: 145
 - Зарегистрирован: 08 ноя 2009, 15:14
 - Двигатель:: 4D56,
 - Мой автомобиль(и):: Паджеро спорт
 - Откуда: М.О.Лыткарино
 - Поблагодарили: 4 раза
 - Контактная информация:
 
Пропала зарядка 4d56
Получилась проблема Пропала зарядка :
1. Осмотрев предохранитель 80 А - сгоревший , установив новый - сгорел. что это?
2. Свет в салоне,печка,центральный замок - рабоает только на заведённой машине .- что это ?
2. На выводе генератора до предохранителя 16 вольт - что это ?
Предохранители какие нашел все целые .
			
			
									
						1. Осмотрев предохранитель 80 А - сгоревший , установив новый - сгорел. что это?
2. Свет в салоне,печка,центральный замок - рабоает только на заведённой машине .- что это ?
2. На выводе генератора до предохранителя 16 вольт - что это ?
Предохранители какие нашел все целые .
4D56T 2008 год.
			
						- Chairman
 - Сообщения: 4957
 - Зарегистрирован: 26 сен 2004, 21:55
 - Двигатель:: 4D56
 - Мой автомобиль(и):: Pajero II
 - Откуда: Тюмень
 - Откуда: Тюмень
 - Поблагодарили: 7 раз
 - Контактная информация:
 
Re: Пропала зарядка 4d56
Судя по вопросам, нужно к электрику в сервис.
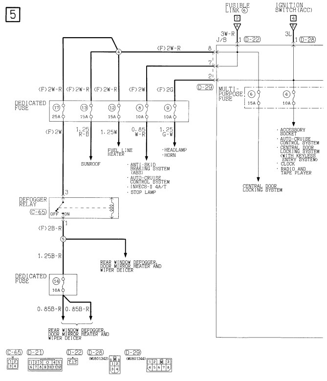
Если сам хочешь покопаться, то вот схема зарядки. (На Спорте скорее всего похожа)

			
			
									
						Если сам хочешь покопаться, то вот схема зарядки. (На Спорте скорее всего похожа)
UH9LAG, P2-93,2,5,АКПП,Яп,7м,+40мм,2акк,2конд,2печ,BFG A/T32", 10фар/12ксенонов, демпфер, 27MHz, SW9500, фаркоп, шнорхель, багажник, палатка на крыше,  бензопила, джек+лопата, бак 120л
P2-93,2,5,МКПП - полуфабрикат
Фотогалерея
			
						P2-93,2,5,МКПП - полуфабрикат
Фотогалерея
- Alessandro
 - Сообщения: 3805
 - Зарегистрирован: 14 ноя 2009, 14:41
 - Двигатель:: 4G54
 - Мой автомобиль(и):: Pajero ll
 - Откуда: Москва
 - Благодарил (а): 2 раза
 - Поблагодарили: 25 раз
 
Re: Пропала зарядка 4d56
Наверное генератор накрылся. регулятор мож вышел из строя. 16 вольт это дохринища.
			
			
									
						P2., V32VNDLW, 4G54 2600сс, V5M21(4875) - механика, part time. Арапский прынц 1996г рождения, колор белий :)
			
						- 
				vadym
 - Сообщения: 1457
 - Зарегистрирован: 12 сен 2007, 00:50
 - Откуда: Черновцы
 - Благодарил (а): 12 раз
 - Поблагодарили: 120 раз
 
Re: Пропала зарядка 4d56
Жека 2007, попробуй сначала зарядить полностью аккумуляторы зарядным устройством и потом вставить новый предохранитель на 80 А., если опять сгорит то где то короткое замыкание или проблема с генератором или еще чёэто.
Генератор в принципе может выдавать 16 Вольт при сгоревшем предохранителе, дело в том, что устройство поддержания стабильного напряжения на выходе генератора берет напряжение для анализа отдельным проводом из схемы электропроводки и когда предохранитель 80А сгорел, то напряжения с генератора в схему не поступает и генератор "думает" что напряжение мало и поднимает его пока не поднимет до максимального - 16 вольт.
Схема системы зарядки конкретно твоей машины снизу.
			
							
			
									
						Генератор в принципе может выдавать 16 Вольт при сгоревшем предохранителе, дело в том, что устройство поддержания стабильного напряжения на выходе генератора берет напряжение для анализа отдельным проводом из схемы электропроводки и когда предохранитель 80А сгорел, то напряжения с генератора в схему не поступает и генератор "думает" что напряжение мало и поднимает его пока не поднимет до максимального - 16 вольт.
Схема системы зарядки конкретно твоей машины снизу.
PAJERO SPORT 2003 2,5 TD
			
						- Chairman
 - Сообщения: 4957
 - Зарегистрирован: 26 сен 2004, 21:55
 - Двигатель:: 4D56
 - Мой автомобиль(и):: Pajero II
 - Откуда: Тюмень
 - Откуда: Тюмень
 - Поблагодарили: 7 раз
 - Контактная информация:
 
Re: Пропала зарядка 4d56
Продублирую, т.к. проблема аналогичная
См схему (там ошибка, вместо "Плавкая вставка №15" следует читать "Плавкая вставка №5")
Судя по схеме, 100амперник может сгорать только в случае неисправности диодного моста, короткозамкнутых/осыпавшихся банках в аккумуляторе, либо неправильном подключении дополнительных нештатных потребителей. ЕНсть допы?
			
			
									
						См схему (там ошибка, вместо "Плавкая вставка №15" следует читать "Плавкая вставка №5")
Судя по схеме, 100амперник может сгорать только в случае неисправности диодного моста, короткозамкнутых/осыпавшихся банках в аккумуляторе, либо неправильном подключении дополнительных нештатных потребителей. ЕНсть допы?
UH9LAG, P2-93,2,5,АКПП,Яп,7м,+40мм,2акк,2конд,2печ,BFG A/T32", 10фар/12ксенонов, демпфер, 27MHz, SW9500, фаркоп, шнорхель, багажник, палатка на крыше,  бензопила, джек+лопата, бак 120л
P2-93,2,5,МКПП - полуфабрикат
Фотогалерея
			
						P2-93,2,5,МКПП - полуфабрикат
Фотогалерея
- Chairman
 - Сообщения: 4957
 - Зарегистрирован: 26 сен 2004, 21:55
 - Двигатель:: 4D56
 - Мой автомобиль(и):: Pajero II
 - Откуда: Тюмень
 - Откуда: Тюмень
 - Поблагодарили: 7 раз
 - Контактная информация:
 
Re: Пропала зарядка 4d56
Кстати...Жека 2007 писал(а):Получилась проблема Пропала зарядка :
1. Осмотрев предохранитель 80 А - сгоревший , установив новый - сгорел. что это?
2. Свет в салоне,печка,центральный замок - рабоает только на заведённой машине .- что это ?
2. На выводе генератора до предохранителя 16 вольт - что это ?
Предохранители какие нашел все целые .
посмотрел схему.
Все эти симптомы будут если провод от аккумулятора подключен к ДРУГОЙ шине в блоке реле.
Проверь. Или просто попробуй (раз уж все равно пред сгорает) подсоединить провод к другой стороне этого предохранителя.
см схему http://www.pajero4x4.ru/gallery/albums/album65/01_1.jpg
Белый провод 8мм2
UH9LAG, P2-93,2,5,АКПП,Яп,7м,+40мм,2акк,2конд,2печ,BFG A/T32", 10фар/12ксенонов, демпфер, 27MHz, SW9500, фаркоп, шнорхель, багажник, палатка на крыше,  бензопила, джек+лопата, бак 120л
P2-93,2,5,МКПП - полуфабрикат
Фотогалерея
			
						P2-93,2,5,МКПП - полуфабрикат
Фотогалерея
- 
				Жека 2007
 - Сообщения: 145
 - Зарегистрирован: 08 ноя 2009, 15:14
 - Двигатель:: 4D56,
 - Мой автомобиль(и):: Паджеро спорт
 - Откуда: М.О.Лыткарино
 - Поблагодарили: 4 раза
 - Контактная информация:
 
Re: Пропала зарядка 4d56
К генератору подходит фишка с двумя проводами померил напряжение 
на одном +12.4в
на втором +11.2в
Вопрос это нормально?
При заведённом авто все лампы на приборке тухнут.
Допов нет.
А какие мысли по поводу потребителей включающихся только при заведённом авто и отсутствии зарядки ?
			
			
									
						на одном +12.4в
на втором +11.2в
Вопрос это нормально?
При заведённом авто все лампы на приборке тухнут.
Допов нет.
А какие мысли по поводу потребителей включающихся только при заведённом авто и отсутствии зарядки ?
4D56T 2008 год.
			
						- Chairman
 - Сообщения: 4957
 - Зарегистрирован: 26 сен 2004, 21:55
 - Двигатель:: 4D56
 - Мой автомобиль(и):: Pajero II
 - Откуда: Тюмень
 - Откуда: Тюмень
 - Поблагодарили: 7 раз
 - Контактная информация:
 
Re: Пропала зарядка 4d56
я же вроде написал ужеЖека 2007 писал(а):А какие мысли по поводу потребителей включающихся только при заведённом авто и отсутствии зарядки ?
UH9LAG, P2-93,2,5,АКПП,Яп,7м,+40мм,2акк,2конд,2печ,BFG A/T32", 10фар/12ксенонов, демпфер, 27MHz, SW9500, фаркоп, шнорхель, багажник, палатка на крыше,  бензопила, джек+лопата, бак 120л
P2-93,2,5,МКПП - полуфабрикат
Фотогалерея
			
						P2-93,2,5,МКПП - полуфабрикат
Фотогалерея
- Chairman
 - Сообщения: 4957
 - Зарегистрирован: 26 сен 2004, 21:55
 - Двигатель:: 4D56
 - Мой автомобиль(и):: Pajero II
 - Откуда: Тюмень
 - Откуда: Тюмень
 - Поблагодарили: 7 раз
 - Контактная информация:
 
Re: Пропала зарядка 4d56
что то где то коротит...
к электрику!
			
			
									
						к электрику!
UH9LAG, P2-93,2,5,АКПП,Яп,7м,+40мм,2акк,2конд,2печ,BFG A/T32", 10фар/12ксенонов, демпфер, 27MHz, SW9500, фаркоп, шнорхель, багажник, палатка на крыше,  бензопила, джек+лопата, бак 120л
P2-93,2,5,МКПП - полуфабрикат
Фотогалерея
			
						P2-93,2,5,МКПП - полуфабрикат
Фотогалерея
- Alessandro
 - Сообщения: 3805
 - Зарегистрирован: 14 ноя 2009, 14:41
 - Двигатель:: 4G54
 - Мой автомобиль(и):: Pajero ll
 - Откуда: Москва
 - Благодарил (а): 2 раза
 - Поблагодарили: 25 раз
 
Re: Пропала зарядка 4d56
Что такое "все лампы"? давление масла, зарядки - должны тухнуть. Аккумы проверить надо, желательно нагрузочнйо вилкой. перед этим хорошо бы зарядить. отсоединить все провода от генератора(фишку и силовой провод) и посмотреть что в этом случае будет. понятно зарядки не будет, но если от хорошего аккума всё в машине будет работать при отключенном генераторе, то дело в нём. я думаю что в нём, возможно что-то там и коротит. если резко всё перестало.тут чуда не следует ожидать. в любом случае методом исключения идти.к электрику конечно проще, но если есть представление некоторое об электротехнике, то и самому можно разобраться.Жека 2007 писал(а):К генератору подходит фишка с двумя проводами померил напряжение
на одном +12.4в
на втором +11.2в
Вопрос это нормально?
При заведённом авто все лампы на приборке тухнут.
Допов нет.
А какие мысли по поводу потребителей включающихся только при заведённом авто и отсутствии зарядки ?
P2., V32VNDLW, 4G54 2600сс, V5M21(4875) - механика, part time. Арапский прынц 1996г рождения, колор белий :)
			
						- 
				Жека 2007
 - Сообщения: 145
 - Зарегистрирован: 08 ноя 2009, 15:14
 - Двигатель:: 4D56,
 - Мой автомобиль(и):: Паджеро спорт
 - Откуда: М.О.Лыткарино
 - Поблагодарили: 4 раза
 - Контактная информация:
 
Re: Пропала зарядка 4d56
Генератор снял отвёз на стенд - Всё окей. 14.4v выход , нагрузку держит.
Получается проблема с проводкой или замком.
Вопрос : как проверить замок зажигания . При каких положениях замка на контактах сзади должно появлятся питание или пропадать ?
			
			
									
						Получается проблема с проводкой или замком.
Вопрос : как проверить замок зажигания . При каких положениях замка на контактах сзади должно появлятся питание или пропадать ?
4D56T 2008 год.
			
						- Chairman
 - Сообщения: 4957
 - Зарегистрирован: 26 сен 2004, 21:55
 - Двигатель:: 4D56
 - Мой автомобиль(и):: Pajero II
 - Откуда: Тюмень
 - Откуда: Тюмень
 - Поблагодарили: 7 раз
 - Контактная информация:
 
Re: Пропала зарядка 4d56
Давай еще раз.Жека 2007 писал(а):Так ни чего не трогали просто пропала зарядка
1. Все было нормально? Свет в машине раньше горел при заглушенном движке? (Давно на машине ездишь?)
2. пропала зарядка, сгорел предохранитель? (КАКОЙ?)
3. Гена в порядке. При снятом генераторе предохранитель снова сгорает?
Опять вопросы про замок зажигания...
Ты не мечись туда-сюда.
Посмотри схему внимательно. Разберись... http://www.pajero4x4.ru/gallery/albums/album65/01_1.jpg
Может у тебя свечи подогрева накрылись, раз сгорает предохранитель на 80А ?
UH9LAG, P2-93,2,5,АКПП,Яп,7м,+40мм,2акк,2конд,2печ,BFG A/T32", 10фар/12ксенонов, демпфер, 27MHz, SW9500, фаркоп, шнорхель, багажник, палатка на крыше,  бензопила, джек+лопата, бак 120л
P2-93,2,5,МКПП - полуфабрикат
Фотогалерея
			
						P2-93,2,5,МКПП - полуфабрикат
Фотогалерея
- 
				Жека 2007
 - Сообщения: 145
 - Зарегистрирован: 08 ноя 2009, 15:14
 - Двигатель:: 4D56,
 - Мой автомобиль(и):: Паджеро спорт
 - Откуда: М.О.Лыткарино
 - Поблагодарили: 4 раза
 - Контактная информация:
 
Re: Пропала зарядка 4d56
1. Да свет горел.Всё работало. Отъездил 2 года без проблем.
2. От генератора идёт силовой провод к блоку предохранителей. В блоке стоит силовой предохранитель 80А он там один. На второй контакт приходит + от аккумулятора.
3 .На незаведённом авто ,но с включеным зажиганием ни чего не сгорает.
4. Свечи отключил.
Завтра поставлю генератор там посмотрим что делать.
Аккумуляторы новые (6 месяцев) , но завтра возьму нагрузочную вилку проверю .
			
			
									
						2. От генератора идёт силовой провод к блоку предохранителей. В блоке стоит силовой предохранитель 80А он там один. На второй контакт приходит + от аккумулятора.
3 .На незаведённом авто ,но с включеным зажиганием ни чего не сгорает.
4. Свечи отключил.
Завтра поставлю генератор там посмотрим что делать.
Аккумуляторы новые (6 месяцев) , но завтра возьму нагрузочную вилку проверю .
4D56T 2008 год.
			
						- 
				vadym
 - Сообщения: 1457
 - Зарегистрирован: 12 сен 2007, 00:50
 - Откуда: Черновцы
 - Благодарил (а): 12 раз
 - Поблагодарили: 120 раз
 
Re: Пропала зарядка 4d56
Жека 2007, схема, что предложил Chairman не к твоей комплектации.Жека 2007 писал(а):Генератор снял отвёз на стенд - Всё окей. 14.4v выход , нагрузку держит.
Получается проблема с проводкой или замком.
Вопрос : как проверить замок зажигания . При каких положениях замка на контактах сзади должно появлятся питание или пропадать ?
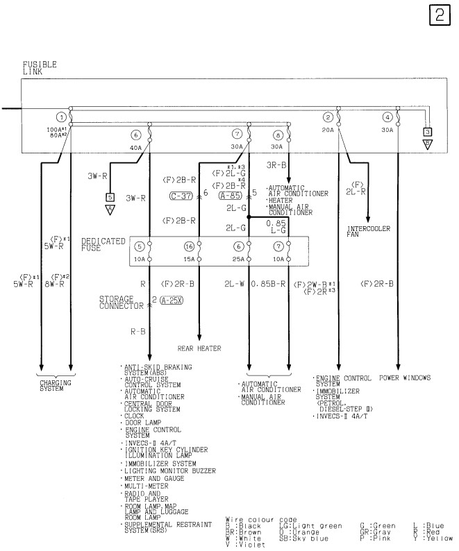
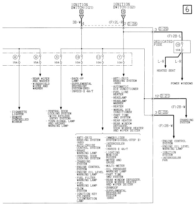
Твоя схема ниже, на англ. правда, но думаю разберешься.
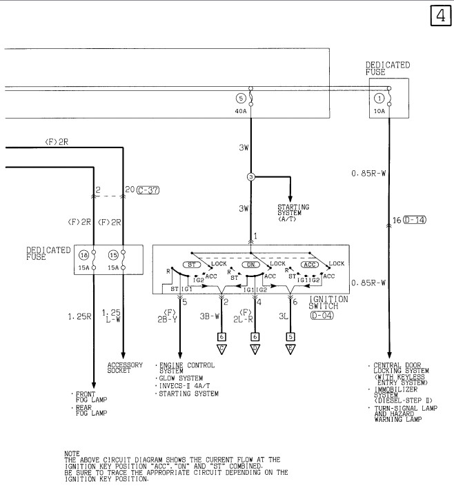
На стр.4 схема замка зажигания.
Замок зажигания переключает контакты в зависимости от режимов:
Режим LOCK - выводы не замкнуты.
Режим ACC - замкнуты 1-6.
Режим ON - замкнуты 1-2-4-6.
Режим ST - замкнуты 1-2-5.
Исходя из схемы то ток на замок зажигания идет через пр. на 40 ампер, то есть если бы коротило после замка он бы сгорел раньше 80 амперного предохранителя, скорее всего проблема в реле стартера или после него, например втягивающее и т.д.
PAJERO SPORT 2003 2,5 TD
			
						- 
				Жека 2007
 - Сообщения: 145
 - Зарегистрирован: 08 ноя 2009, 15:14
 - Двигатель:: 4D56,
 - Мой автомобиль(и):: Паджеро спорт
 - Откуда: М.О.Лыткарино
 - Поблагодарили: 4 раза
 - Контактная информация:
 
Re: Пропала зарядка 4d56
Электрик приговорил генератор. Снятие генератора дубль два. И на стенд повезу к другим мастерам может там счастье улыбнётся Мне. 
А про неработаюшие потребители всё просто. При отключении силового провода идущего от гены к предохранителям и установки предохранителя 80А всё заработало .
			
			
									
						А про неработаюшие потребители всё просто. При отключении силового провода идущего от гены к предохранителям и установки предохранителя 80А всё заработало .
4D56T 2008 год.
			
						- 
				Жека 2007
 - Сообщения: 145
 - Зарегистрирован: 08 ноя 2009, 15:14
 - Двигатель:: 4D56,
 - Мой автомобиль(и):: Паджеро спорт
 - Откуда: М.О.Лыткарино
 - Поблагодарили: 4 раза
 - Контактная информация:
 
Re: Пропала зарядка 4d56
Отвёз на проверку мастера сказали - окей.
Не поверил отвёз в другое место - всё окей.
Поставил на авто предохранитель горит напряжение скачет от 18 вольт - 40 вольт.
Откинул свою проводку . Кинул плюс от акб . На второй контакт через лампочку.
Эфекта ноль. Вольтаж большой.
Вопрос : Может ли в генераторе чтото замыкать при постановке вакуума? Т.к. проверка производилась без насоса вакуума.
У Меня версии кончились.
Электрики на Меня уже смотрят косо и говорят о чудесах.
			
			
									
						Не поверил отвёз в другое место - всё окей.
Поставил на авто предохранитель горит напряжение скачет от 18 вольт - 40 вольт.
Откинул свою проводку . Кинул плюс от акб . На второй контакт через лампочку.
Эфекта ноль. Вольтаж большой.
Вопрос : Может ли в генераторе чтото замыкать при постановке вакуума? Т.к. проверка производилась без насоса вакуума.
У Меня версии кончились.
Электрики на Меня уже смотрят косо и говорят о чудесах.
4D56T 2008 год.
			
						- 
				vadym
 - Сообщения: 1457
 - Зарегистрирован: 12 сен 2007, 00:50
 - Откуда: Черновцы
 - Благодарил (а): 12 раз
 - Поблагодарили: 120 раз
 
Re: Пропала зарядка 4d56
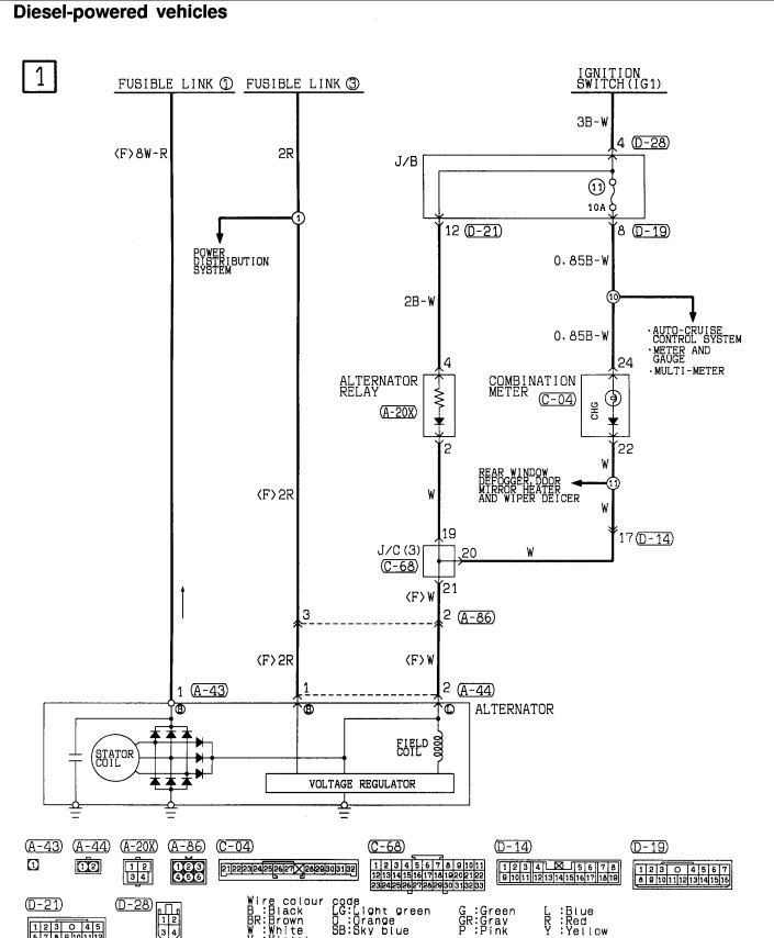
Жека 2007, попробуй провод с контакта 1 разъема А-44 генератора отсоединить от схемы и соединить его с контактом 1 разъема А-43.
Вакуум влиять не должен.
			
			
									
						Вакуум влиять не должен.
PAJERO SPORT 2003 2,5 TD
			
						- Fil
 - Сообщения: 3362
 - Зарегистрирован: 09 окт 2005, 12:34
 - Двигатель:: 4D56T, 4D56U
 - Мой автомобиль(и):: Pajero-2: V5MT1, SS, 5,285 R/D lock. L 200 IV AT, SS, 4,1 R/D lock
 - Откуда: Рязань
 - Откуда: Рязань (62)
 - Благодарил (а): 54 раза
 - Поблагодарили: 62 раза
 - Контактная информация:
 
Re: Пропала зарядка 4d56
Смотри провода, которые идут к фишке к реле-регулятору. Я их подрезал (тк прогнили, все зелёные были) и поставил клемники от нашемарки за 2р/шт, если найдёшь папу вроде от подрулевого переключателя классики - ваще удача, перепаиваешь его. Я сам горе электрик, но если в нескольких сервисах сказали, что гена норм, то надо смотреть провода и фишки.
			
			
									
						91 г.в., 3дв., арки подстрижены,нелинейка 60-0, 285/75/16"М/T, гена 110А под капотом+OPTIMA YT, танковый ближний ксенон, Recaro, демпфер Nissan и ещё амортизаторы от разных машин - был...
2011, почти сток.
Делай как задумал! (с) Мой Батя.
			
						2011, почти сток.
Делай как задумал! (с) Мой Батя.
- Iron Sid
 - Сообщения: 5
 - Зарегистрирован: 16 апр 2010, 10:07
 - Двигатель:: 4D56
 - Мой автомобиль(и):: MMC Pajero
 - Откуда: Южно-Сахалинск
 
Re: Пропала зарядка 4d56
День добрый!
У меня ситуация похожа, но немного не схожа) Помогите разобраться..
1. Pajero 1993, 4D56, аккумулятор один. Вечером машина работала. Ночью было -8 где-то. Утром решил завести машину. Первый раз повернул ключ, лампочки на приборной панели загорелись, повернул на старт: "тык-мык" ничего не вышло. Попробовал второй раз, вытянув немного больше подсос топлива: "тык-мык" - такая же песня. На третий раз поворачиваю ключ - ничего не происходит (на приборной панели ни одна лампочка не загорается, не горят лампы в салоне). Понятное дело - сел аккум... проверил вольтметром: 12,29. Сразу подозрение на замкнутость аккума. Может быть такое,что он разряжен?
2. После размышлений на следующий день решил вновь посмотреть. Залез в кабину открыть капот, услышал щёлканье в подкапотном пространстве. Щелкает в блоке предохранителей(двигательный отсек), за одно я увидел, что у меня нет силового предохранителя на 100А (генератор), просто замкнуты контакты. Взял нормальный аккум и попробовал одеть на него клеммы. сначала минус потом, плюс: искра на + клемме, дымок на месте предохранителя. все мои догадки обратились в ноль. В чем проблема? В гене? или где-то провода замыкает?
p.s. Может моя ситуация поможет нам разобраться в той что оглашена в первом сообщении.. Спасибо.
			
			
									
						У меня ситуация похожа, но немного не схожа) Помогите разобраться..
1. Pajero 1993, 4D56, аккумулятор один. Вечером машина работала. Ночью было -8 где-то. Утром решил завести машину. Первый раз повернул ключ, лампочки на приборной панели загорелись, повернул на старт: "тык-мык" ничего не вышло. Попробовал второй раз, вытянув немного больше подсос топлива: "тык-мык" - такая же песня. На третий раз поворачиваю ключ - ничего не происходит (на приборной панели ни одна лампочка не загорается, не горят лампы в салоне). Понятное дело - сел аккум... проверил вольтметром: 12,29. Сразу подозрение на замкнутость аккума. Может быть такое,что он разряжен?
2. После размышлений на следующий день решил вновь посмотреть. Залез в кабину открыть капот, услышал щёлканье в подкапотном пространстве. Щелкает в блоке предохранителей(двигательный отсек), за одно я увидел, что у меня нет силового предохранителя на 100А (генератор), просто замкнуты контакты. Взял нормальный аккум и попробовал одеть на него клеммы. сначала минус потом, плюс: искра на + клемме, дымок на месте предохранителя. все мои догадки обратились в ноль. В чем проблема? В гене? или где-то провода замыкает?
p.s. Может моя ситуация поможет нам разобраться в той что оглашена в первом сообщении.. Спасибо.
Pajero II 1992,4D56,V24,МКПП
			
						